Fórum témák
» Több friss téma |
- Ez a felület kizárólag, az elektronikában kezdők kérdéseinek van fenntartva és nem elfelejtve, hogy hobbielektronika a fórumunk!
- Ami tehát azt jelenti, hogy a nagymama bevásárlását nem itt beszéljük meg, ill. ez nem üzenőfal! - Kerülendő az olyan kérdés, amit egy másik meglévő (több mint 17000 van), témában kellene kitárgyalni! - És végül büntetés terhe mellett kerülendő az MSN és egyéb szleng, a magyar helyesírás mellőzése, beleértve a mondateleji nagybetűket is!
Ilyen célra a rádióamatőr rókavadász sportág a legalkalmasabb.
Szerintem LoRa-val meg lehet csinálni.
Például nézd meg ezt az adatlapot. Meghökkentően sokat tud. ![]() Az antenna készítést és mechanika munkákat és programozást nem fogod megúszni. ![]() Nedudkinak igaza van, amikor amikor a rókavadászatra hivatkozik.
Csakis spec NiZn töltő jó hozzájuk. Lehet, hogy ezért is működnek nálam hibátlanul sok éve
.Kétszer is vettem ilyen garnitúrát: https://www.aliexpress.com/item/32846647529.html Az a kis töltő is maga egy csoda, soha nem volt még gond vele...
Ez mid nagyon szép és jó, de honnan tudja a hálózat, hogy épp hol van a LoRan egység?
Lehet, hogy csak ugyanúgy, ahogy a rádiótelefon hálózatoknál, hogy melyik bázisállomással van kapcsolatban? Ez azért elég tág területi meghatározás is lehet. Ahogy értelmezem, nem igazán területi lokációra találták ki. Lehet, ma még ingyenes, de ha bevezetődik, minden bizonnyal fizetős lesz, mert az alaphálózatot valakinek ki kell építeni, és fenn is kell tartani. Tardief: A vadon élő állatok követésére vannak kész berendezések, ami egy kisteljesítményű adó és egy GPS kombinációjából állnak, és mögötte egy műholdas követő rendszer áll. (hogy ehhez hogy lehet hozzáférni, azt nem tudom) A gépjármű követésre pedig egy GSM és GPS kombinációt használnak. A nyomkövető adataihoz a GSM hálózaton keresztül lehet hozzáférni. Hasonló lenne a LoRa WAN hálózat is, aminek az aktuális lefedettségéről nincs információm, de az gyanús, hogy a szolgáltatónál (AH) fiókot kell nyitni. Valószínűleg ide tölti fel az általa szállított adatokat. A választható megoldások nyilván attól függenek, hogy milyen, és mekkora területen, milyen pontosan kívánod használni helymeghatározást. A rókavadászat szerű megoldás akkor használható, ha a keresési terület viszonylag kicsi. A hozzászólás módosítva: Feb 29, 2020
Az eszköz amit tervezgetek tartalmaz GPS és GSM modult is. A rádiós megodást csak kiegészítésnek szánom arra az esetre, ha ezek nem lennének elérhetőek.
Nem a pontos helymegahtározás a célom vele, hanem csak az irány meghatározása egy irányantennával(?). Nincs szükségem adatok továbbítására, ezért lehet, hogy nem is LoRa a megfelelő számomra.
Ha az eszközöd tartalmaz GPS, és GSM modult is, akkor nincs is semmi továbbiakra szükséged. Az eszköz a pozícióját elküldi a GSM hálózaton közvetlenül neked, és Te térképen meg is tudod nézni, hogy hol van. Adat előfizetés esetén az a kis mennyiségű adat átvitele nem is kerül sokba.
Az iránymérés elég pontatlan dolog, vagy ha pontosítani szeretnéd, akkor meglehetősen nagy rákészülést igényel, ami meglehet többe kerül mint a meglévő megoldásod. (kézi irányméréssel lehet rohangálni rendesen, de ha sportolni is szeretnél, akkor jó lehet, bár esélyes, hogy nem találod meg) A hozzászólás módosítva: Feb 29, 2020
A GPS vagy GSM jel zavarásának esete miatt szeretném ezt tartalék megoldást.
Nem biztos, hogy az antennával rohangálós részül megvalósul, de szeretném beletervezni és ezzel megtartani a lehetőséget.
Mindkét jel zavarása eléggé valószínűtlen, viszont előfordulhat az ellátatlan területen való keresés.
Azt azonban vedd figyelembe, hogy egy bármilyen frekvenciát, nem túl nagy teljesítményt használó, föld felszínén fekvő adót néhány tíz méterről fogod tudni észlelni.
Sziasztok !Van egy ilyen inhalátorom https://www.biofittegeszsegtar.hu/spd/3831016771007/Arcszauna-inhal...BD7100
A dugasza nem földeléses.Nem veszélyes ezt így használni?Hisz amikor használom folyamatosan villannyal müködik én meg a gőzön keresztül kapcsolatban vagyok a melegítő részével, és ha ott valami meghibásodna?.....
„Ha NiMH akkumulátorra gondolsz, akkor a GP Recyko, vagy Eneloop”
VARTA Ready2Use az manapság hova sorolandó?
Mint minden egészségügyben használatos eszköznek, ennek is kettős szigetelése van, és valamilyen magasabb fokú IP védettsége.
Nagyon köszönöm a választ.De most jut eszemben egy másik dolog is ezzel kapcsolatosan.
A házunkban nincs is földelés.(Románia)Így vettük és nem foglalkoztam még vele, hogy csináltassak. A meleg vízet egy villanybojler biztosítja.Mennyire veszélyes így zuhanyozni, kezet mosni...Ha valami hiba történne a víz kapcsolatba tudna jönni az elektromos árammal?
Szerintem elég veszélyes, de az ilyen kérdéseidre a villanyszerelés topikban kaphatsz megfelelő választ
Hu, ez nem volt megnyugtató válasz.A szerelő aki felszerelte nem mondott semmit, hogy jó lesz földelést is csináltatni.Na de addig is amig sorra kerül , jobb ha kihúzom a dugaszból arra az időre amikor zuhanyzik valaki...de mosogatásnál, kézmosásnál is veszélyes?
Ameddíg jó a bojler, addíg nincs nagyobb baj, bár a meghibásodás (testzárlat) bármikor bekövetkezhet, így a veszély elég nagy.
Viz, villany találkozásánál a földelésen kívül a FI relé is ajánlatos. A hozzászólás módosítva: Feb 29, 2020
A neve alapján LSD-nek tűnik. A teljességre való igény nélkül párat említettem, ami a környékünkön kapható.
Vajon mennyibe kerül egy földelés bekötés, FI relé...?Nem a legjobban állok anyagilag egy ilyen beruházásra.Magyarországon már minden házon van?Nálunk még sok van ahol nincs ,itt falvakon.
OK. Épp ma olvastam valahol hogy a fehér színű IKEA LADDA akkuk elvileg Eneloop béllel rendelkeznek.
Sziasztok!
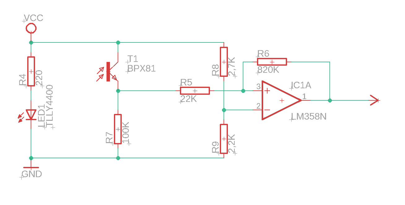
Szeretnék készíteni egy fototranzisztorból és egy led diódából álló fordulatszám mérőt. (másképpen nem tudom megoldani, csak hogy egymása mellett helyezkedik el a két alkatrész, szóval nem kapja telibe a fényt a tranzistor). A tranzisztor kimenetét egy schmitt triggerhez szeretném kapcsolni, amit ezen az oldalon lévő kapcsolás alapján kötöttem be. Elsőnek beállítottam a tranzisztor kimeneti feszültsége szerint az áramkört, ami 2,0 és 2,6V ezért a küszöbfeszültséget 2,25V-nak szabtam meg 0,1V-os sávval (azaz 2,3V nál kapcsol be a kimenet és 2,2V nál kapcsol ki). Bemeneti ellenállásnak 10kohmot választottam, tápfeszütség pedig 5V. Egy LM358-at használok. A probléma viszont az, hogyha a beállított schmitt triggerre rákapcsolom a tranzisztorom kimenetét megváltozik a kimeneti feszültség értéke és 1,4-2V között ingadozik. (ahogy fordul a kerék, maximális érték 2V minimális 1,4V) Tudnátok nekem segíteni, hogyan tudnám kiküszöbölni ezt a problémát? Nagyon szépen köszönöm.
Sziasztok!
A következő kérdésemre nem találtam adott topikot, így itt tenném fel. Az alábbi Ganz KK (400V 20A) kapcsoló bekötésében kérnék segítséget. Egy 4 eres csillagkapcsolású villanymotort szeretnék vele kapcsolni. Előre is köszönöm.
Úgyis csak a három fázist kell kapcsolni ki, és be, a negyediket nem, ill. nem is szabad. Az a védőföld. Az összetartozó kontaktusokat meg kiméred multiméterrel.
A hozzászólás módosítva: Feb 29, 2020
Itt a doksija.
Ahogy előttem írta pucuka a fázisokat kell csak kapcsolnod, a védőföldet nem szabad.
Hello! Nem tudom hogy csináltad, de a fototranyónak munkaellenállás kell, mint a sima tranyónak, csak itt a fény lesz a "bázisáram".
Szia!
1, 5, 9-es a három fázis bemenet. 2, 8, 10 a három fázis a motor felé.( vagy a 4, 6, 12-es) A védőföldet ne szakítsd meg, ahogy már írták is.
Külső fény is befolyásolja a fototranzisztor kimenetét, nem csak a rá sugárzó dióda. Legjobb ha valamilyen hordozó frekvencián -kb.:3KHz körül- üzemel a dióda, és a vevőben felüláteresztő van, ami csak a 3KHz-et -és felette- engedi át. Ez ha jól gondolom reflektív elvű, nagy valószinűséggel csak így lesz jó. Vannak infra vevő modulok, ez lenne jó, adónál a frekvencia pontos tartása lényeges.
Tehát nem egyszerű a biztosan, külső fényektől zavarmentesen működő reflektív infra készítése.
Esetleg egy kis mágnes a kerékre és egy hall elemes érzékelő? Egyszerűbbnek tűnik és nincs külső zavar.
Én ilyet használok a tekercselő gépemen. A hozzászólás módosítva: Feb 29, 2020
Proli007
Be volt kötve munkaellenállás 100Kohm, igaz nem pont úgy ahogy az ábrádon (elfelejtettem mellékelni a bekötésemet) nagym6 Szerencsére ki tudom szűrni a külső fényt szinte teljesen, csak minimális a zavarás (+-0,01V) Patópali Sajnos a mágnes nem megoldható az esetlemben csak ez az optikai megoldás. Köszönöm a válaszokat ![]() Végül megpróbáltam nagyobb bemeneti ellenállással a kapcsolást (R5 a mellékelt képen) és a hozzá illő értékekkel kalkulátor alapján. Így már működik. Szerintetetk ez így megállja a helyét(mármint a kapcsolás)? Nincs valami gyengepontja elektronikában jártas szemmel? |
Bejelentkezés
Hirdetés |






.











