Fórum témák
» Több friss téma |
Ez az alkatrész lehet a bajok forrása?Ha igen, hogy kell szétszedni?Ha nem megy a REW akkor a szíj tárcsa forog ami a képen van, rugó vagy filc csere?
A hozzászólás módosítva: Máj 31, 2020
Az lehet. Ez a kuplung. Azzal a három füles rugóval lehet állítani a dörzs nyomást. Alatta a műanyag koszorúban olyan lépcsőfokok vannak, a füleknek azokra való át helyezésével lehet állítani a feszességet. Ahogy látom, max -ra van állítva. Keress egy zéger gyűrűt, és akkor hozzáférhetsz a kuplung filchez.
Annak csúsznia kell, azért van filccel megoldva. Ami nem mindegy az az, hogy MENNYIRE csúszik? Ha véletlenül olaj került a filcre, akkor sokkal jobban csúszik, mint kéne, hiába szorítod maxra.
Lehet az is, hogy a filc felszakadt és már nincs is a tárcsák között, vagy nem úgy, ahogy kéne.
Ha még nem megyek a társulat idegeire... nem látok zégert rajta, nem lehet, hogy a műanyag feletti réz cuccot le lehet húzni a tengelyről?
Üdv-miután nem tudtam még szétszedni a kuplungot a gépezetet összeraktam -már csukott szemmel adom elő...kapcsolgattam FF-REW közt és a 60 perceset már végigtekeri autó-stop ok,bár a végén nagyon belassul,lejátszás ok-itt a görgő rúgóján kellet állitani erősebbre.Még azt vettem észre,hogy REW-nél ha megáll akkor a kuplung-most-nem csúszik meg mint eddig,hanem a szij csúszik a motor,lendkerék forog,ami eddig nem volt.
A hozzászólás módosítva: Jún 3, 2020
Persze. A lendkerék meghajtását is a motor végzi, a lendkerék tengelyére nyomja rá a szalagot a gumigörgő. Ha szorul a motor, akkor a lendkerék nem forog, a magnó nyávog, esetleg meg is nyújtja a szalagot, hiszen a felcsévélő orsó azért próbálja feltekerni a szalagot amit a szoruló lendkerék megakadályoz - legalábbis elviekben.
Nagyon egyszerű a dolog: mindent szedjél szét és tisztíts ki, olajozz (zsírozz) be. Ahogy olvasom, elég sok kontakt hibád is van: fényképezz le minden vezetéket és csatlakozót, majd szedd szét a panelokat és ALAPOSAN nézz végig minden forrasztást. A fényképek azért kellenek, mert biztosra veszek egy-két leszakadó vezetéket. Ezek helyét megtalálni művészet lenne a fényképes mankó nélkül.
Az enyémen zeger gyűrűk vannak, de a tiedet nem ismerem úgyhogy nincs.
Sziasztok! Hozzájutottam egy UNISEF TX-8000 típusú deckhez. Semmit nem találtam róla a neten, gondoltam itt a guruk tudnak valamit rola.Annyit sikerült kideríteni hogy japán és tokyo-i cég (volt). Viszont mikori és vannak-e más típusok is az rejtély. Funkció tesztet csináltam erősítőre még nem kötöttem.
Sziasztok!
Az alany egy Sony Tck-470. Végre szereztem hozzá ékszíjakat és nyomógörgőt. Kb. tíz év pihentetés után összeraktam, a mechanikát gondosan kitakarítva. Bekapcsolás után nagy volt az öröm...pár percig. A fejmozgató motor, ami a vezérlő tárcsát is forgatja elkezdett rángatózni. Egy ideig még teker előre-hátra aztán teljesen összezavarodik. A mikrokapcsolók jók, a vezérlő tárcsa kitakarítva, szalagkábelek ellenőrizve. Kis pihentetés után megint működik ahogy kell kb. fél percig. A reel és a asist motor panelján van két elko egymásnak szembefordítva. Ez ha rossz okozhat-e ilyen tüneteket, vagy a tápnál kell keresni a hiba okát? Valamelyik kondira gyanakszom a motor vezérlő körül, mert egy ideig tényleg hiba nélkül működik. Ha valaki rá tudna nézni azt megköszönöm!
Van valakinek tippje hol keressem a hibát?
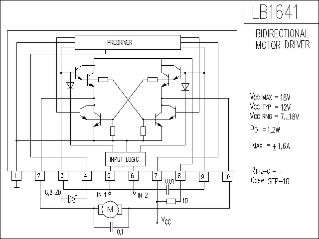
Egy LB1641-es ic vezérli a rángatózó motort. Az 5.és 6. lábán 0 volt helyett 5.4 voltot mérek. Az 5-ösön ritmikusan leesik nullára a feszültség. Ez a két láb a fő processzorhoz megy.
Lehet hogy a motor vezérlő ment tönkre, vagy a processzor? Kondikat már cseréltem a táp résznél, a feszültségek mindenhol jók.
Nézd meg hogy az IC 2-es és 10-es bemenetein változik-e a feszültség. Ha jól tippelem az a két bemenet a vezérlés, egyik az előre, a másik a visszafele játszásért felelős. Feltételezem, hogy normális működés esetén a feszültségek állandóak kell legyenek mindkét irányba, ugrálás nélkül. Ha nem azok, akkor indulj el visszafele a vonalon.
A 2-es és 10-es láb kimenet, közvetlenül a motorra megy. Az 5-6 lábak a bemenetek, ami a fő processzortól jön. Az 5-6 lábakon nem kellene mérni feszültséget alaphelyzetben, viszont jelen van mindkét lábán 5 v körüli feszültség. Gondolom ezért rángatózik a motor. Azt nem tudom még hogy a processzor felöl jön ez az 5 volt, vagy magából az ic-ből. Ha a processzor felöl, akkor nem tudom miért, ha az ic-ből akkor gondolom zárlatos. De ez csak feltételezés.
A motor két pólusa között van egy 0.1 mF kerámia kondi. Ezt nem tudom hogy bekavarhat e.? A hozzászólás módosítva: Jún 12, 2020
Sziasztok!
Szeretnék megmenteni egy Videoton RM5632 rádiómagnót az enyészettől. Azt hiszem sikerülni is fog, már működnek a funkciók. A bánatom, hogy elkallódott a magnómechanikából az ajtónyitásért felelős kis retesz, így az ajtót nem lehet becsukni, ami roppantul zavar, ráadásul így használhatatlan a magnó része. A kérésem tehát, hogy valakinek van e esetleg kallódóban egy ilyen retesz, vagy akár egy komplett mechanikát is szívesen vennék, amiben ez benne van. BRG mechanikáról van tehát szó (lásd: fotó), nem hiszem, hogy túl sok verzió készült ebből. Bízva segítségetekben, Üdv: metabo123 A hozzászólás módosítva: Jún 12, 2020
Ezek szerint fordítva néztem. Próbáld meg az 5-ös lábat lekötni és úgy megnézni, hogy mi van, ha bekapcsolod a gépet. Ha megint az 5 voltot méred rajta és ugyanúgy viselkedik a motor is, akkor mindegy hogy mi megy be az IC-be, mert hibás. Ha beáll a fej az egyik irányba és úgy is marad, akkor valószínűleg a nagy vezérlő IC-vel lesz baj.
No emberek-feltámadás van a 650-es elkészült 2 napja vigan zenél-teker a kuplungot hogyan 'javítottam' el sem merem mondani, tiszta barbarizmus - de működik. Annyi azért van, hogy válogat a kazetták között a régebbieket úgy játssza lemintha szorulnának, darabosan, hullámzóan.
Húzd szét. Nem tudok nagyítani, de kis zégerrel szokottbiztosítva lenni ha nem akkor szoros illesztés. Utána a filcet óvatosan kapargasd meg a felületét bolyhosra, mert kikeményedett ezért csúszik. Esetleg a rugón húzhatsz szét egy kicsi, összerakod, kész. A műanyagot mosd le tisztára, ha már kinn van. Az ékszíj ahol fut azt is tisztára, de a többi görgőn is.
Már off. Szét szedése némelyiknek a tengely kihúzásával, mert szoros illesztéssel van összerakva. Idióta, (nem korrekt) megoldás, de egy-két gépnél ez van. Tudom, a zégerrel a korrekt.
Szétszedés? A tengelyt fogd műszerész satuba, ha recés a pofa, tegyél a pofákra puha alu lapokat, hogy a tengelyen nyoma se maradjon a megfogásnak. a műanyag tekergetéssel lejön, nem feszeget, csak tekerget. A fent említett műveletek elvégzése után össze nyomható, és úgy is marad. A hozzászólás módosítva: Jún 17, 2020
Sziasztok ! Szert tettem egy Pioneer ct-s710 deckre.
Állítólag felújított (sunny) a lejátszás és a felvétel is féloldalas. Fejcserés vagy tényleg van benne egy poti amivel ez orvosolható ? Természetesen fejtisztítás volt. A kazettaajtót nem sikerült levarázsolnom így fejet sem tudtam állítani ,valaki ismeri a leszedés trükkjét ? Köszönettel Fairenc
Ha kell a szervizkönyve, letöltheted a netről (vagy kérd el tőlem privátban). A lejátszási és a felvételi hangerő is állítható belülről. Ha a fej nincs szétkopva, akkor valószínűleg az van elállítódva. Szerezz egy beállító kazettát (vagy ahhoz hasonlót) és kezdd azzal, hogy azt lejátszod. Kösd a gépet egy számítógép bemenetére és töltsd le a Soundcard Scope nevű progit, azzal szépen beállíthatod a hangerőt (VR 151, VR152). Ha ez megvan akkor mehet a felvételi hangerő.
Ha nagyon nem engedi magát behangolni, akkor valami alkatrész nagyon elöregedett, meg kell keresni és párban cserélni.
Sziasztok!
Kicsit off topik téma, de régi elektronikahoz keresek alábbi fogaskereket. 13 fog 3.7mm átmérő 4.5mm hosszú 1.5mm tengely Hátha valaki látott már magnóban ilyet.. pár ezer forintot megérne
Köszöntem - nem szívesen szedném szét kb 25x biztos megtettem... Most működik ha annyi nyűgje maradt, hogy válogat a kazetták között - légyen így. Nem mertem feszegetni nagyon a másik fele így néz ki.
|
Bejelentkezés
Hirdetés |



















