Fórum témák
» Több friss téma |
Fórum » MOSFET-ek
Beteszem a rajzot, hogy könnyebben követhető legyen, amit írok.
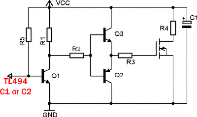
Először tekintsünk el Q1-től és R2-től. A probléma az R3, Q2emitter-bázis-dióda, Q3bázis-emitter-dióda, R4 körrel van. Itt kb. 0,5A akar keresztül folyni, ami kb. 5W disszipációt jelent az ellenállásokon. Be lehet tenni 10-20Wos ellenállásokat, és akkor szépen fűtőget az egész áramkör. Ha visszatesszük Q1-t és R2-t, és Q1-t nem vezéreljük, akkor először nem sokat változik a helyzet, mert R2 nem tudja Q3 emitter áramát átvenni, így továbbra is kb. fél tápfeszen lesz a kimenet. Ha Q1-t vezéreljük, akkor Q1-en fog keresztülfolyni Q2 emitter árama. Az R3-on így négyszer akkora lesz a disszipáció (kb. 20W), de Q2 bázis emitter átmenete valószínűleg nem fogja bírni a közel 1A-es áramterhelést, és tönkre fog menni. Ha nincsenek emitter ellenállások, a bekapcsolás pillanatában nincs ami korlátozza Q2 és Q3 bázis-emitter diódáin folyó áramot, rögtön tönkre fog menni mind a kettő tranzisztor. Remélem érthető voltam. A gate ellenállás lehet ténylegesen a gate előtt, de betehető (ha felcseréljük a tranzisztorokat NPN-re és PNP-re) a kollektor körökbe is. Az utóbbi esetben a betöltési és kisütési áram külön beállítható.
Értem. És mi a helyzet abban az esetben, a Q1 kollektora és a Q2-Q3 közösített bázia közé beteszek egy 2-3k ellenállást, valamint a BD teanzisztorokat is mondjuk az előző rajzhoz hasonlóan 2N3904, 2N3906 párosra cserélném, aminek koránt sincsen akkora bázis áram igénye mint a BD-knek.
De ha jól gondolom a korábbi rajzban, amit mellékeltem, miután a két tranzisztornak egy 100 ohm bázis ellenállása van és a kollektorok közvetlenül tápra és GND-re vannak kötve pillanatnyi ideig ugyan, de legalább 120mA folyik a bázisokon. Mert ha jó értelmezem, amint a gate kapacitás feltöltődik az npn lezár, mert közel tápfeszen lesz az emitter és a pnp eseténen is ugyanez, amint a gate kapacitás kisül az is lezár, mert közel GND-n lesz az emitter. De a töltés és kisütés ideje alatt viszonylag nagy áram folyik a bázisokon. Jobban mondva a pnp-n, mert az npn-nek van egy plusz 1k ellenállása.
Ha a kettő bázis közé beteszel 2-3K ellenállást, akkor sem sokat javul a helyzet, mert csak a bázis áramnak megfelelő fezültség esés jön létre rajta, de továbbra is nagy áramú aktív állapotban lesznek a tranzisztorok.
Azt gondolom, hogy definiálni kellene, hogy mit várunk egy fet meghajtótól, és akkor az alapján egyértelműbben lehet értékelni ezt a meghajtó áramkört. Röviden csak annyit, írnék, hogy a fet meghajtótól a teljesítmény erősítésen és a sebességen kívül hasonlóan jó energetikai elvárásunk lehet mint amit a fet bemenet tud; kapcsolt helyzetben legyen minimális a fogyasztása. Ez az áramkör ennek nem tud megfelelni. A korábbi rajz értelmezésekor figyelembe kell venni, hogy ha valamekkora bázisáram folyik, a kollektoron keresztül már lényegesen nagyobb, az áramerősítési tényezőnek megfelelő nagyságú. Ezért a töltés és kisütés érdemi áramai nem a bázisokon keresztül, hanem a kollektorokon folynak.
Led szalag pwm vezérlést kell megoldanom. Már elkészítettem a nyákot, össze is raktam és akkor ért a felismerés, hogy a tranzisztorok pont fordított fázisban vezérlik a led szalagot. Viszont, ha megcserélem a pnp és az npn tranzisztorokat, akkor jó lett volna. A cél az lett volna hogy minimális változtatással és az eredeti nyák megtartásával tudjam korrigálni a hibát. De már látom, hogy ez nem fog menni, így új nyákot készítettem és beiktattam egy fázis fordító tranzisztort. A legelőszőr csatolt rajz alapján készült el a nyák.
A hozzászólás módosítva: Jún 25, 2020
Még mindig nem tudjuk, hogy mit is építettél, csak elméletek vannak. Pl amit te linkeltél azon N-csatornás MOSFET van a Péter rajzán meg P-csatornás. Mit kapcsolgatsz, tápot vagy GND-t? Feltételezve, hogy N-csatornás a FET és a GND-t kapcsolgatja, ha az általad linkelt rajzot veszem figyelembe, a Q44,Q45 párost egy másik N-FET-tel helyettesítve az visszainvertálja a jelet.
Így néz ki, amit megépítettem. N-fet a vége.
Na igen. Így átlátva már nem jó ötlet. A Q1 CE-feszültsége gondot okozhat. A legegyszerűbb az lenne ha az Q1 is FET lenne.
Közben visszaolvastam, hogy már elkészítetted az új NYÁK-ot, úgyhogy akkor ez már gondolom tárgytalan.
Au... ezzel nem is számoltam. Valami sebes meghajtást szeretnék megépíteni, ugyanis a feten 15A fog keresztül szaladni. A pwm jelnél jó lenne, ha minél rövidebb idő alatt kinyitna illetve lezárna.
Nem akartam ennyire túlbonyolítani, de valószínűleg az lesz a vége. Bár ha 2N3904 tranzisztort használok Q1-nek, akkor jól beállítva 0.2V is lehet a Q1 UCE.
Sziasztok!
Ha egy FET teljesen ki van nyitva mindegy neki, hogy D és S között milyen irányba folyik rajta az áram? Esetleg technológia függő, hogy melyik bírja károsodás nélkül és melyik nem? Pl. működhet, ha két egyforma FET-et sorba kötök úgy, hogy a Source lábaiknál kötöm össze őket? A Gate-ek vezérlését megoldom, hogy lebeghessen a Source-al együtt. Kisérletileg akár két 9V-os elem is lehet, amit optókkal kapcsolgatok a Gatek-re.
Nem. Parazita dióda is lehet ("beépítve"). Azon kívül az átfolyó áramtól függ a nyitófeszültség. univerzális (kétirányú) vezetés esetén egy P és egy N-tip. FET-et párhuzamosan szoktak kötni. Nézd meg pl. a CD4016 (vagy más analóg kapcsoló) belső felépítését. A lebegő táplálás elég jó, de figyelni kell a potenciáltüskékre (a FET Gate-kapacitás miatt elránthatja a lebegő tápfeszt egy kis időre, szóval figyelni kell...). Talán jobban tudna a nagyközönség segíteni, ha a feladatot írnád le.
J. Bocsánat, közben beugrott, hogy dual-gate mosfetnél persze lehetséges, mit írtál. A hozzászólás módosítva: Júl 29, 2020
Én is úgy tudtam, hogy érzékeny a FET az áramirányra, de a Lítium ion akkuknál is valahogy megoldják, hogy lezárják a külvilágtól ha lemerült, miközben a töltésnél is ugyan ott mehet be a töltőáram, és szóra érdemes feszültség esés nincs egyik irányba sem. Topi cikke is a polaritás védelemmel azt sugallja, hogy működik, mert ott pont a saját diódáját söntöli, ami elvileg őt védi, ami ránézésre nem egy tipikus felhasználása a FET-nek. Harmadrészt pont amit írtál kapcsoló IC és barátai is megoldják, de az hátrányuk, hogy a saját tápfeszükön belüli feszültségeket kapcsolhatnak csak és fontos, hogy először az legyen rájuk kapcsolva, és utána a kapcsolandó jel, mert különben tönkremennek. (Lemerül az elem és pusztul minden a készülékben mert rajta maradt valami a bemenetén.) Én úgy tudom azoknál azt sem tehetem meg, hogy kap egy tápot és egy olyan áramkört kapcsol ami az IC-t leszámítva galvanikusan nem kötődik ahhoz a táphoz. Kis digitális zseb oszcilloszkóp kapcsolásában láttam a bemenetén olyan optócsatolót ahol a tranzisztor helyén FET volt és a jel amit kap lehet váltakozó feszültség is. Használnám arra, hogy egy műszer bemenetét nyissa-zárja a külvilág felé, vagy akár ampereket szeretnék kapcsolni hasonló módon mint egy relé, csak mozgó alkatrész nélkül. Egyenlőre elméleti szinten érdekel a dolog, nincs még konkrét feladat.
Utánanézek a dual-gate mosfetnek, még nem volt vele dolgom. A hozzászólás módosítva: Júl 29, 2020
Szia!
A fetek nyitott állapotban negatív irányban is vezetnek, ezért lehet szinkron egyenirányítót készíteni velük. Tehát a parazita diódán eső feszültség ilyen módon csökkenthető. Tudtommal minden gyártó MOSFET-je ilyen, vagy legalábbis én nem tudok olyanról, ami nem ilyen. Más teljesítményelektronikai elemekre azonban ez nem igaz (pl.: IGBT). Működhet, sőt gyakran használt megoldás. A későbbi hozzászólásodban említett opto eszközhöz hasonló mosfet relék kimenete is így van kötve, ha váltakozó áram kapcsolására is felkészítik.
Ez jó hír. Közben nézegettem a Hestore FET kínálatát, bővebben: Link és ott a szűrőben lehet választani egysarkú vagy unipoláris típusokat is. Mindkettőből belenéztem egy-két adatlapba, de nem jöttem rá, hogy azokban ez a paraméter milyen formában szerepel és vajon ezt jelenti amit kérdeztem, vagy valami mást? Vgs +/- -ba mehet mindegyiknél, a védő diódát is jelölték, tehát nem lehet az, hogy egy tokba két fetet egymásnak fordítva bepakoltak, mert akkor a dióda jelölésének nem lenne sok értelme, még ha abból is ott van kettő. Több ampereseket néztem, nem az egész piciket. Egysarkú, Unipoláris
A Vgs ± irányú feszültségtűrése csak mint határadat szerepel az adatlapban, nyitni, N csatornás esetén, csak akkor fog, ha a G láb pozitív feszültséget kap az S kivezetéshez képest.
Elméletileg AC feszültség kapcsolására lehet úgy használni a MOSFET-et, mint egy relét, gyakorlatilag azért nem, mert a záróirányú védődióda vezetni fog az egyik irányban. Mindkét linkelt adatlap MOSFET-et tartalmaz. Igazábol olyan alakatrész, hogy "FET" nem is létezik. Van JFET, MOSFET. A gyakorlatban azonaban a FET alatt inkább a MOSFET-eket értik.
Igen, mind a kettő MOSFET, csak a bolt valamiért máshova sorolja a kettőt az unipoláris és egysarkú alapján. Pont arra lennék kíváncsi, hogy mi alapján teszik? (Az nem ér, ha az adatlapból nem látszik.
) Lehet, hogy őket kellene megkérdeznem, hogy mit értenek alatta?
Nem tudom, hogy mi alapján egysarkú vagy unipoláris a fet a HESTORE-ban.
Csak hogy egyértelmű legyen; én az alábbi linken lévő 2. és 3. ábrán lévő kapcsolásról beszélek: Bővebben: Link A viszonylag kis teljesítményű opto-mosfet reléken kívül nem tudok róla, hogy ilyen belső elkötésű dual fet kapható lenne egy tokban.
Valószínűleg összekeverték az adatokat, gondolom ott is emberek dolgoznak.
A gyakorlatban már régóta szokás a source pontjuknál közösített soros feteket AC jel kapcsolására használni.
Tudom, ez nem is kérdés. Az eredeti felvetés az volt, hogy folyhat-e mindkét irányban áram, ha nyitva a MOSFET. Vannak direkt ilyenre fejelsztett IC-k is. A "probléma" a záróirányú dióda.
Ha megnézed a mosfetek nyitóüzemű karakterisztikáját, akkor az a negatív tartományban is folytatódik, azaz negatív áram is folyhat rajta. Miért lenne probléma a parazita dióda? Mint korábban írtam, a szinkronegyenirányítás során pont ezt a lehetőséget használják ki. Alapból a parazita dióda vezet, de a veszteségek csökkentése érdekében bekapcsolják a fetet, és már a fet ellenállása és az átfolyó áram határozza meg a feszültségesést.
Félreérted. Akkor probléma a parazita dióda, amikor AC feszültséget akarnak kapcsolni egy darabbal.
Ha a parazita diódát kihagyjuk a számításból, akkor az eredeti kérdésre, miszerint mindegy-e, hogy merre folyik az áram a nyitott MOSFET-en, igen a válasz. Az is igaz, hogy a parazita dióda többnyire bírja azt az áramot, mint maga MOSFET, csak jóval nagyobb feszültséget ejt a körben.
Én is ilyen megoldáson törtem a fejem. A rajzjelen is feltüntetett diódát nevezik parazita diódának?
Igen. A fet belső struktúrája miatt gyártásakor "magától" rákerül a chip-re, nem lehet nélküle gyártani.
Értem. Köszönöm mindenkinek a segítséget!
Sziasztok!
Van egy javítandó csiszoló kézimotornak a tápja. A kézi motornál a 9 eres vezeték megtört, mozgatásra a táp letiltott. Újra indítva ismét ment addig, amig nem mozgattam ismét csuklóból. Egyszer végleg megadta magát, állandóan letilt 2 másodperc múlva, és hallatszik, hogy addig sem simán megy a motor. Elsőre a FET-eket néztem meg, kivettem mind a nyolcat, hibátlanok, a panelen Tr1-Tr8-al vannak jelölve. Eddig minden jó. Viszont van 2db, a panelen D11-D117 jelölésű, ugyan úgy TO220 tokozású akármi, amit nem tudok beazonosítani. A FET-ek jelölése: CEP85N75, míg az azonosítatlanok felirata UGI ODCT, alatta I743A látható. Ezt az utóbbit nem tudom beazonosítani, semmi adatot nem találok sehol sem róla. A 8db FET bevizsgálva, hibátlanok. Viszont a 2db azonosítatlan DS kivezetése nyitóirányba csak 350mV. A GD ellenállása végtelen helyett 43kOhm (+G), GS ellenállása 2,5MOhm (+G). GD ellenállása pedig 2,5MOhm (-G), GS ellenállása 2,62MOhm (-G). Dióda állásban a DS feszültség 378 mV (-D), DS feszültség végtelent mutat (+D). Mi lehet ez az alkatrész?
Ja, és a DS között egyik irányba az ellenálás 3,1MOhm, a másik irányból 47kOhm. JFET lehet? De ott ez az érték egyforma, nem?
|
Bejelentkezés
Hirdetés |








) Lehet, hogy őket kellene megkérdeznem, hogy mit értenek alatta? 




