Fórum témák
» Több friss téma |
Fórum » Csöves erősítő készítése
Ne feledd betartani a fórum viselkedési szabályait, és a topik megmaradásának feltételeit. [link]
A téma átmenetileg fagyasztva lett, hozzászólni nem tudsz!
Hát én kétszer is átnéztem a topikot, de sajnos nem találom az általad említett "ARC SP8"-as rajzot. A képeket megtaláltam róla, de a rajzot azt nem. Ha megkérhetlek belinkelhetnéd nekem újra.
Csak a phono részét próbáltam , vonali rész nélkül .
http://www.arcdb.ws/SP8/ARC_SP8MKII_Rev5_schematic1.gif
Tetszik az erősítő rajza, meg a leírásaid id jók! Az okés, hogy 500V-ról kijön belőle 120W, de ehhez mit kell módosítani? Vagy csak egyszerűen 400V helyett 500V-ot kapcsolsz rá? Nekem ez így túl egyszerűnek tűnik.
Korábbi hsz-ban láttam, hogy két csévetestet összehegesztettél. Ezek műanyagok voltak. Akövetkező mondat mindenkihez szól! Valaki nem tud megoldást arra, hogy bakelit alapú csévetestet miként tudnék összefogatni? Milyen jellegű ragasztóval? Uverapid20, ferrobond? Más nem jutott eszembe. Ami azt illeti, most szeretném magam megkímélni a csévetest készítéstől, elég lesz majd megtekerni!
Akkor ezek szerint tudod hogy a csevetestet nem osszeragasztani szoktak, hanem szepen precizen kireszelni es akkor ontarto...
Igen, tudom hogyan készítik a csévetestet, mert már jómagam is készítettem. Bent az iskolában, ahol minden megvolt hozzá! Anyag is, meg megfelelő szerszám! Nos ebből nem minden van meg nekem otthon sajnos, és ha megoldható lenne két csévetest összefogatása, akkor nagyon boldog lennék! :yes:
Azthiszem megvan a megoldás, csak kissé macerás. Szóval nekem a csévetest a vasmag keresztmetszetének növelése miatt kell. Namost ezt két azonos csévetestből meg tudom oldani. Kiszámolom, mekkora lesz a belső helyszükséglet és ezalapján rakom össze a két csévetestet megfelelő csonkítás mellett. De hogy ne a ragasztónak kelljen összetartani a két csévét, a belső oldalakat a puzzle-hoz hasonlóan összevágom, majd így ragasztom össze. Már csak az a kérdés, van-e itthon elég vékony fűrészem?! Szerintetek ez jó megoldás?
Kimentem a műhelybe, mondom megnézem mik a lehetőségeim, erre kiderült, hogy oltári nagy baromságot írtam az előbb! Milyen szép lett volna, ha a keresztemetszetet "hosszanti" irányba lehetne növelni?! Bocsi a hülyeségem miatt!
El84-gyel 300voltra ki tudnád nekem számolni a menetszámokat. Ha esetleg többet is ki lehetne venni a vasból más csövekkel akkor attól sem zárkózom el. Köszi.
Hans, arról volt szó hogy EL84, 10-12 Watt! Nel égy telhetetlen!
Jól van
Csak ha többet is tud a vas akkor nem akarom elpazarolni. Van itthon 4 darab PL508 Is 2 olyannal lehetne 20 wattot csak nem tudom mire képes a vas.
Egyébként jól kiszámolta, de a tápegység rajzon oda is van írva
Bozó Balázs Magyarország! Kipróbáltad már a fotoelektrosokszorozó "lószerszámot" amit adtam?
Itt a hiperszil mag rajza. Kicsit kezdetleges rajz de a lényeg ott van.
Sziasztok! Ma keresgéltem a neten olyan táblázatot, amiben benne vannak a transzformátorlemezek adatai. Nekem a lemezek méreteire lett volna szükségem, de emelett sok hasznos info van az oldalon, többek között csöves felhasználású dologk. Nem tudom, ez fent van-e az oldalon, keresővel nem találtam itt ilyet. Remélem megérte a másfél órás keresgélés!
Lemezek adatai
Na jó , nem csak annyi, hogy 500v anód, hanem.:
500v anód, 250v g2, max -70v g1, a trafó maradhat, de azért a keresztmetszete feleljen meg a 20Hz 120w-nak, az 50Hz-es trafóból kb. 250VA-os(ez a kimenő) A tápnak is kell egy 450VA-es/én egy hiperszil magosat fogok belerakni az EI helyett/ mert így 400v-ról, ha csak egy oldal szól, akkor 70-75w jön ki. Ha mindkettő, akkor már csak 50w! A mostani táptrafója, olyan 300w-ot tudhat, és ez kevés! A bakelit csévetestekhez pedig tudom ajánlani az EpoRapid-ot, ez egy kétkomponensű erősragasztó, kék-piros tubus, 900Ft egy-az egyhez arányban kevered, odakened, egy nap és már forgácsolható is, mert ez ha megszilárdul, még faragni is lehet!
Nekem uverapid20-am van itthon. Ez is ilyen kétkomponensű valami, dettó pirso-kék verzió, csak nem tudom ez mennyire erős erre a célra?! Úgy döntöttem, hogy maradok az SE kapcsolásnaál 6P45C-vel kapcsolatban, mert még ahhoz is éppen elég lesz a trafólemezem!
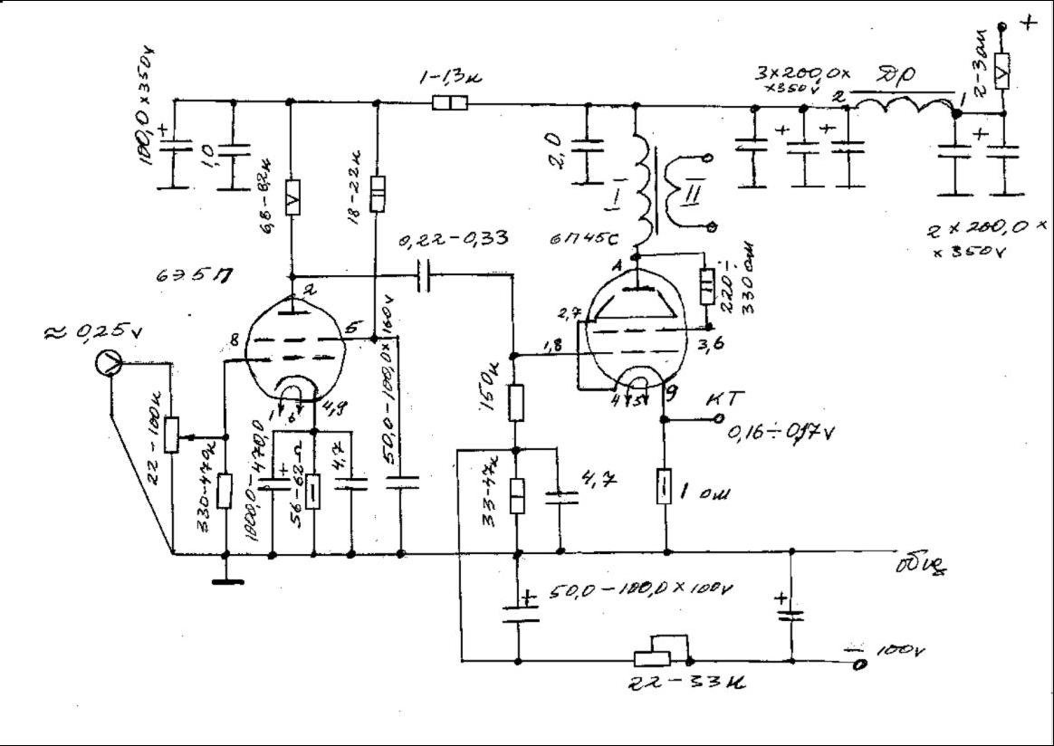
Amit egyik hsz-emben mellékeltem orosz SE kapcsolást ezzel a csővel, ránéznél kérlek!A kimenőtrafó valóban 16cm2 nagyságú kell hogy legyen, illetve van több feszültségadat megadva a kimenőcsőre. Ezek közül melyik lehet a helyes? Az előerősítő csőnek mi lehet a megfelelője? Illetve mekkora tápegység szükségeltetne egy sztereo rendszerhez? Fűtés, meg minden egyéb...
Ma már csak ezt tudom mutatni ebből :
Köszi de megtaláltam pdf-ben ezt az évkönyvet. Akkor ez jó az SM74-ekre. A magtrafókra meg kitalálunk valamit.
Szerintem is jó választás lesz , a magra meg gondold át mit is szeretnél .
Lenne egy kérdésem: Van ez a kimenőtrafó terv. Ezen a szekunderek 0.9-es huzalból vannak és párhuzamosan 3 tekercs. Más kimenőkön sorban vannak a tekercsek, és azok is 0.7-0.9 -es huzalból. A kérdés az, hogy ha párhuzamosan kötöm a tekercseket akkor nem lenne elég 0.3-as huzal? Hiszen azon a teljes kimenő áram harmada folyik csak. Vagy mindenképp kel a 0.7-0.9-es huzal? Ennyi menet nem fér fel a csévére, tehát vagy 0.3-al tekerem a szekundereket, vagy sorba kötöm őket és akkor marad a 0.7-0.9 átmérő.
Üdv mindenkinek! Kitaláltam, hogy PP-t építek, persze csak az El84 SE után, de már most elkezdem gyűjteni az alkatrészeket
A 16 db Pl500-am adta az ötletet, meg hogy ez elvileg bárhol,bármikor beszerezhető cső.És ha márr PP, akkor mindjárt párhuzamos végcsövekkel Szóval csatornánként 4 PL500-ra gondoltam trioda módban, ez így saccra olyan 30-40 watt lehet, de inkább 30. Trafó kérdésem lenne! Hálózatinak egy SM102a-t gondoltam, ez sztem elég lesz a maga 206 Wa-jével, ha jól tévedek. A kimenő az dilemma. Egyik lehetőség, M102/35, 15 cm2, a másik lehetőség EI84/45 olyan 12 cm2-rel ( ezt még nem mértem, csak láttam). Én az M-re szavaznék, csak nem nagy "pocsékolás" az PL500-hoz? Nos?
Lehet, hogy elírás van a trafó rajzon (ilyesmi gyakran előfordul). Reális érték lenne a szekundernek 3*33 menet 0,9-1-es huzallal sorosan, vagy 3*100 menet 0,45-0,5-ös huzallal párhuzamosan. Gondolom a szekunder áramhoz kikalkulálták a 0,9-1 mm-es drótot, aztán elfelejtették csökkenteni az átmérőt a három párhuzamos tekrenchez, van ilyen.
Primernek 0,2-0,25 jó. :yes:
Nos elkezdtem a csévetesteket aprítani, illetve összeragasztani. A cséve oldalsó falai már készen vannak, ezekkel mértem be a külső palástot. Jelenleg szárad rajta az Uverapid20. Holnap már össze tudom próbálni őket, hogy mennyire illeszkednek jól. (remélem elég jól :yes: ). Ha valakit érdekel, mit is alkottam, akkor teszek fel egy-két képet.
Ezek szerint van rá igény, de majd egy kalap alatt mindent! Az holnapra esik már...
Továbbra is én!
Tudnátok segíteni a rajzon lévő ellenállások teljesítményének meghatározásában?
Nos, ahogy ígértem, megvannak a képek!
Az első három képen a csévetest látható, hogy miképp van összeragasztva. A negyedik képen pedig lemezekkel együtt, hogy körülbelül hogyan is néz ki a 16cm2-vel, bár tudom, hogy itt szinte már mindenki látott transzformátort ilyen- olyan állapotban! A méretek összehasonlítása végett a trafó mellé tettem egy öngyújtót, illetve az áhított 6P45C csövemet!
Íme, remélem érthető.
Köszönöm szépen, nem tudtam milyen néven keressem! Így már sokkal könnyebb lesz! :yes:
|
Bejelentkezés
Hirdetés |


Korábbi hsz-ban láttam, hogy két csévetestet összehegesztettél. Ezek műanyagok voltak. Akövetkező mondat mindenkihez szól! Valaki nem tud megoldást arra, hogy bakelit alapú csévetestet miként tudnék összefogatni? Milyen jellegű ragasztóval? Uverapid20, ferrobond? Más nem jutott eszembe. Ami azt illeti, most szeretném magam megkímélni a csévetest készítéstől, elég lesz majd megtekerni!

Amit egyik hsz-emben mellékeltem orosz SE kapcsolást ezzel a csővel, ránéznél kérlek!












