Fórum témák
» Több friss téma |
Az ablakos téma, amiben természetesen egyetértek Veled szerintem nem ide való téma. Mindössze azért reagáltam a hőátadásra mert az A osztályú erősítők nem langyi típusúak. És most nem vitatnám a kondenzátorok réteges hővezetését sem, mert ehhez sem értek, és erre nem nagyon szánnék időt sem. Az viszont, talán előnyös egy erősítő építése esetében, ha megfelelő légáramlás lehetséges úgy a belsejében, mint a hűtőbordái körül. Ehhez a megfelelő kivitelezés, telepítés előnyös lehet. Vagy marad a mesterséges levegő áramoltatás (ventllátor).
Nem idevaló, mert nincs benne tranyó. De minden, mindennel összefügg. A dolgok megértéséhez más aspektusokat is figyelembe kell venni és egész más dolgokra is lehet asszociálni és ezek is a megértést segítik. Absztrahálás és ezek viszik előre a dolgok működésének megértését.
A "Mi ez? MKII " kérdést tartalmazó sematikus ábrát másképpen rajzoltam le, arra gondolván, hogy talán ez közelebb visz a párhuzamosan kapcsolt NPN/PNP follower elvéhez.
TJ.
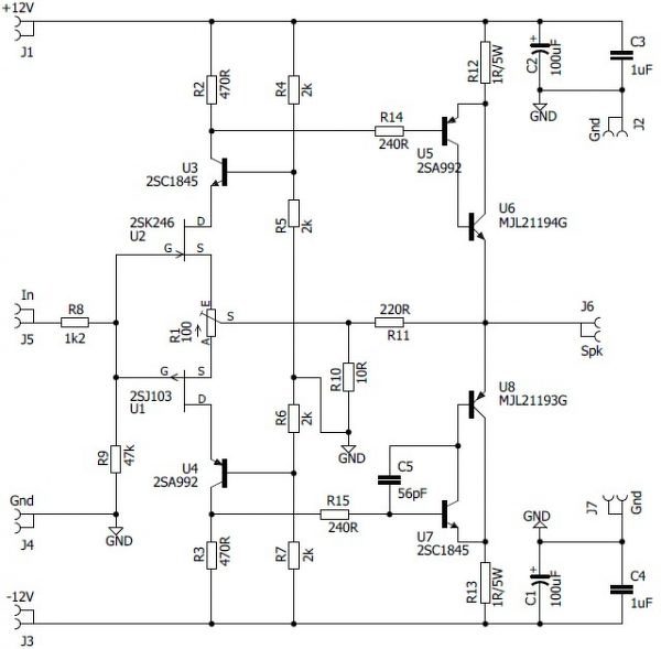
A készülő új 20W/8R V-FET SE verzió tápegységén dolgoztam, elkészitettem a diódák+fojtó kereszttartóját. Majd kipróbáltam a kinézetét egy ideiglenesen odarakott fojtóval, mivel a megrendelt Hammond 155B-k csak 2 hét múlva érkeznek meg.
TJ.
Kedves Mindenki!
Aki ezeket a sorokat olvassa, azoknak röviden annyit magamról, hogy több mint 4 évtizede elektronikus készülékek javításával, szervizelésével foglalkozom. Ez idő alatt jól megtanultam a hibáik felismerését, amit nem csak a gyártásnál, hanem tervezés/kivitelezésnél is elkövethettek. Én vagyok az az ember aki a világ egyik legjobb és kortalan referenciának tekintett FM tunerjében tervezési és sorozatgyártási hibát talált...ez a Sequerra model 1. https://db.audioasylum.com/mhtml/m.html ... 3Dsequerra Miért írtam mindezt ide, az A osztályú erősítők topikba? Mert ezen a mellékelt elvi, összehasonlító rajzon látható két ábra a működésük szempontjából sehol sem azonos. Viszont felfedeztem egy hibát - mivel az előforduló vitáim során mindenki mást lát a betett rajzban mint én... A lényeg az, hogy kb. hét évtizede elkövettek egy hibát az oktatásban és ez a hiba generációról generációra száll, mindenki ezt tanulja. A hiba lényege, hogy push pull-nak állítanak be egy alapkapcsolást, ami valójában egy single end - komplementer emitterkövetővel a kimenetén! Természetesen a push pull elvet a betett magyarázó rajz jobb oldali ábrája teljesítí kifogástalanul. Tehát mindenki aki ezeket a sorokat olvassa, abban a szent meggyőződésben teszi, hogy igaza van, a bal oldali single end ábra is push pull. De nem. TJ.
Akit mélyebben érdekel ez a single end vs. Push pull téma, annak információ itt:
https://audiodiyers.hu/viewtopic.php?f=52&t=4368 A hozzászólás módosítva: Feb 8, 2021
Szia! Azt az erősítőt tekintem single end-nek, melynek a kimeneti pontján az egyik félperiódus legnagyobb árama nem haladja meg a kimeneti fokozat nyugalmi áramát. A push-pull esetén nem tartom peremfeltételnek a két félperiódus csúcsáramának egyezőségét.
Az iménti ábrádon két fokozatú kapcsolásokat látok, a baloldali SE+PP, a jobboldali pedig PP+PP. Nem gondolom, hogy ezzel sokat segítettem volna, csak jelezném, van olvasója az írásaidnak.
Helló!
A felfedezések már csak ilyenek, valami nem volt és most már van. ![]() A bal oldali ábrán egy bemeneti jel van, egy vezérlő driver és egy follower, ami le/fel követi a jelet = SE A jobb oldali ábrán két bemeneti jel van, két vezérlő driver és két 180°-ban, ellenütemben mozgó follower = PP A két rajz sehol és semmilyen elv szerint nem egyezik meg - ezért van közöttük a NEM EGYENLŐSÉG jele. TJ. A hozzászólás módosítva: Feb 8, 2021
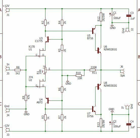
Az általam kifejlesztett V-MOSPOWER FET SE erősítő "A" osztályban működik.
TJ.
Egymás mellé teszem az NPN/PNP followeres kimenet rajzát, a kb. 70 éve oktatott rajzolatot, a másik az én átrendezett rajzomat mutatja.
A kettő teljesen azonos, de alaposan átgondolva az elvi műkődésüket, rájöhetünk, hogy ez a komplementer PP-nek tanitott kapcsolás nem igazi push pull. (Az igazi PP két, 180°-os vezérjeles, a húzom/nyomom egyidejűségének megfelelően.) TJ. A hozzászólás módosítva: Feb 9, 2021
Sziasztok!
Ne haragudjatok az amatőr kérdésért, de szeretném tisztázni a Hiraga bemenetén lévő FET-ek lábkiosztásátBővebben: Link
Szia! A source lábakat kösd a P1-re!
Itt lenne az elvi magyarázat arra, hogy mit tanitanak kb. 70 éve szerintem hibásan az oktatás területén a komplementer kimenetű PP followerekről.
Egy korábban is beírt egyszerű műkődési magyarázat az "N" és "P" eszközökkel megvalósított kapcsolásra - Idézet: hogy az N és P csatornás eszköz azonos vezérlőjelet kap, mert a kimenet szempontjából, amikor az egyiknek csökken a másiknak nő az árama, vagyis a kimenetet ellenütemben mozgatják! Én feltettem azt a kérdést, hogy ha a "P" eszköz helyett beteszünk egy ellenállást, és akkor az "N" eszköz növekvő áramával pontosan azonos arányban csökken majd az ellenálláson folyó áram - akkor az is PP? Nem válaszolt senki a feltett kérdésre, mert az oktatásban leírt magyarázat a komplementer PP kimenetre ebben a formában már nem állja meg a helyét. Ugyanis az "N" eszköz növekvő kimenő áramával pontosan azonos mértékben csökken az ellenálláson átfolyó áram. Tehát ugyanazt az áramváltozásokat látjuk mint a PP-nek nevezett komplementer kimenet esetén - de ez itt csak az áramkörbe betett ellenállás. Ez az indirekt bizonyítása, hogy a komplementer kimenet az áramváltozással leírtak szerint nem igazán PP! Mindaddig érvényes ez a definició, amíg a beállított munkaponti áramot meg nem haladja a kimenőáram. Amikor ez bekövetkezik, akkor megszünik a másik eszköz szerepe, mert rajta semmilyen áram nem folyik. Egy egyszerű rajzot mellékelek, ahol a két ábrán bemutatom az eddig leírtakat. A két JFET gate és source elektródája össze van kötve, ha az egyetlen bemenet pl. + 1 voltot emelkedik, akkor a kimenet a terhelő ellenálláson elvben + 1 voltot hozhat létre. Az "N" eszköz növekvő kimenőáramával pontosan megegyezően csökken a "P" eszköz árama, de nem azért mert lezárt volna! Csak a hiányzó kimenő áram miatt most kevesebb folyik rajta. A vezérlés előtt és utána is ugyanaz a GS feszültsége, nem változik a másik "N" eszköz GS feszültségéhez képest sem! Csak mint egy ellenállás a funkciója, az ellenkező polaritású vezérlésnél a másik eszköz szerepel mint ellenállás. Kimondhatjuk, hogy a leírt komplementer follower tehát nem PP, hanem egyik, vagy másik irányú vezérlés esetén SE fokozatként funkcionál - egy aktív eszköz egy ellenállással. Mivel két eszközt használunk, ezért Parallel Single End kapcsolással állunk szemben, az "N" és "P" eszközök miatt ez Complement PSE kapcsolásnak nevezhető. Itt csak hol az egyik, hol a másik eszközön folyik az áram a vezérlés és az eszköz polaritásának megfelelően. Az igazi PP esetén mindkettő eszköz egyídejű(!), de egymáshoz képest 180°-os vezérlése a feltétel. Újra felhívom a figyelmet arra a definicióra; hogy a beállított munkaponti áram mindig nagyobb értékű legyen mint a kimenő áram! TJ. A hozzászólás módosítva: Feb 10, 2021
Szerintem sem PP ami nem az, de nem teljesen mindegy ki minek hívja? Engedd el szerintem, kár ebbe szikrányi energiát is fektetni, másba kellene inkább. Pl. mikor lesz kész a félvezetős, de nem félvezetős hangú A osztályú végfokod? Amitől nem fájdul meg az ember feje 20 perc után, nem hallani belőle hogy teszi a félvezető reszelőssé a hangszerek hangját stb., hanem pl. úgy szól ahogy egy triódás SE. Csak azért kérdem, mert egy ilyen engem is nagyon érdekelne, nekem vagy 25 éven keresztül nem sikerült ilyet építenem, ezért van most csövesem. Hétfő délután kezdtem neki 2db kimenőt tekerni, és még van vissza 3 réteg az egyikből, és undorító, azaz kicsit sem a kedvenc időtöltésem, ennél csak a dobozkészítési munkákat utálom jobban. Félvezetőshöz nem kellene kimenő.
A reszelős, szőrös hang zenétől függ. Egy Mahler szimfónia magas felharmonikusok nélkül élettelen. Ugyan azon az erősítőn egy Rammstein meg kásás sziszegés.
Már a másik fórumon is javasolták neked, hogy ideje lenne megtanulni az alapokat.
Kezdésként ajánlom ezt a könyvet, ebben magyarul is megtalálhatsz olyan szakkifejezéseket, mint pl. emitterkövető, ellenütemű, utáhúzás, stb... Ha sikerült megértened az alapösszefüggéseket (ebben nagy segítségedre lehetne egy áramkör szimulátor program) azután bátrabban rajzolgathatnál olyan egy-két tranzisztoros alapkapcsolásokat is amelyeknek értenéd a működését.
Itt már bonyolultabb kapcsolásokkal folytatódik, javaslom többször figyelmesen elolvasni és megjegyezni. A könnyebb megértés végett számítási példákat is találsz.
A Szabó Zoltán által feltett szakmai kérdésre válaszoltam, itt is elvárom ezeket.
https://audiodiyers.hu/viewtopic.php?f=52&t=4368&start=50 TJ.
Biztos vagy benne?
Felső JFET Drainje, az alsónak a Source megy a potira A hozzászólás módosítva: Feb 10, 2021
Bár a JFET a drain és a source felcserélést jól viseli, ez egy földelt source-ös kapcsolás. Eleve a szimmetrikus felépítést kell követni.
A Szabó Zoli által feltett "szakmai kérdést" én inkább iróniának látom.
Még egyszer javaslom, olvasd el a fenti 9 oldalt és megtalálod bennük a választ mindazokra a kérdésekre amiket nem értesz (vagy nem akarsz megérteni). Befejeztem.
Egyértelműen JFET kell bele és a lehető legközelebbi paraméterű a terven szereplőhöz képest. Vgs=0 V-hoz 2 mA körüli drain áram tartozzon.
A típus kiválasztásában és a beszerzési lehetőségekben majd olyan kolléga segítsen, aki mostanában vásárolt.
Szia!
Nem is az a gond hogy mos, hanem hogy növekményesek. A lényeg, hogy az eredeti kapcsolással nem nyitnak ki ezek a fetek, ezért nem tud beállni a munkapont. Sajnos nagyon nehezen szerezhető be az eredeti komplementer jfet pár.
Szia!
Köszönöm a válaszodat! Esetleg lenne ötleted, hogy mivel lehetne helyettesíteni? BF245-öt néztem, de annak nem találok párt.
A p csatornás beszerzése a legnehezebb. De még nagyobb probléma, hogy a jfetek jóval nagyobb szórással készülnek, minthogy simán be tudjuk tenni egy áramkörbe. Bolti beszerzésről ne igen álmodj. Ebay vélhetően hamis, vagy arany árban árulja, ha mégis eredeti. Én bontásból tudtam beszerezni. Egy üzemképtelen Marantz CD játszó HDAM moduljaiban találtam összemért, válogatott párokat.
Ne add fel ,keress fet et ,sosem lehet tudni mikor bukkan fel egy -egy igazi példány.
Nézd csak a képet. Bővebben: Link A hozzászólás módosítva: Feb 10, 2021
|
Bejelentkezés
Hirdetés |
































