Fórum témák
» Több friss téma |
Fórum » Autó-generátor nem tölt rendesen
Üdv!
Köszönöm a hozzászólásokat, de szerintem vakvágány lesz a generátor, de még nem dobtam teljesen. Mértem alapjáraton hideg motornál (Mert ugye beindult hidegen a "lemerült" akkuval... Töltő szerint 50%-os volt (12,42V) ) világítás nélkül 14,37V, világítással 14,37V. Akkusarun mértem. Feltöltöttem az akkut (az akku új, 2 hetes) Indult, minden flottul ment. Mentem vele egy nagy kört. Üzem meleg motornál leállás után közvetlen indítva nem indul csak nyekereg, (visszajelzők, utastér világítás villog) mintha megint le lenne merülve. Néha meg úgy teker mintha semmi baja se lenne. Le merem fogadni hogy kihűl és meg fog javulni teljesen, kíváncsi leszek... Új az önindító is, pontosabban felújított. Az önindító testkábelét a kocsiszekrényen lecsiszoltam újra raktam rézszprével de semmi javulás. Eszem nincs hogy ez mi lehet. A hozzászólás módosítva: Dec 1, 2020
Akármit is tettél eddig, kevés. Ez kötéshiba, csak meg kell találni.
Szia!
Én nem ismerem a Tranzitokat, csak egy tapasztalat amit leírok, mert kísértetiesen hasonlít a szitud az enyémre. Igaz az nem ford hanem egy Alfa 33 boxer volt, de rájöttem a nyűgjére. Legelőször is. Van e relé a gyújtáskapcsoló és az indítómotor behúzótekercse (vezérlőszála) között? Érdemes ott kezdeni a dolgot. Nekem el volt kopva a gyújtáskapcsolómban az az érintkező ami az indítómotor vezérlőkábelét kapcsolta. Néha ment mint a zsírzott villám, és néha meg csak úgy szenvedett, szinte alig forgatta meg a főtengelyt.puszta véletlenül mértem rá erre a vezetékre miközben meg cimborám indítózni próbált. Ott volt az a pont ami megvilágosított. Éppen csak hogy nem egész 6 voltot mértem rajta. Próbálgattuk sokszor, de sosem volt 7 voltnál több és nem is forgott rendesen. Aztám jött az ötlet adok neki direktben az akkuról egy bikakábelen vezérlőjelet. a itt jött a meglepi. Pörgette a főtengelyt mint a fene. Szóval érdemes megnézni hogy az indítómotoron meg van e rendesen a vezérlőjel. A nincs meg akkor meg kell keresni a reléjét, csere vagy pucolás. Ha nincsen relé,akkor meg kell tenni egy relét oda és valószínű hogy el fog múlni a gond. Nekem ez megoldotta és még sok másik alfás cimbi indítási gondját. A régi boxermotorosoknál. Nem tudom hogy miért nem tettek oda relét, de kellett volna. Nem biztos hogy ez a bajod, csak egy tipp, mert nagyon ismerős a jelenség amit leírtál.
Ha az ünindító behúzóra a mellette lévő vastagról áthidalsz, zárod egy csavarhúzóval, akkor okés?
Ha igen, akkor nem a főáramkörrel van a baj hanem a biztitáblára-gyújtáskapcsolóra bejövővel, a behúzótekercs árma sok, valami kontakthiba miatt elveszik a delej. Nem tudom a konkrét autónál honnan megy a fő betáp a, generátoról, önindítóról, akkusaruról, ez általában egy vastagabb vezeték. Újabb kiviteleknél ez még bonyolítva van elágazásokkal, külön nagyáramú biztikkel stb. Ezt is vizsgáld felül alaposan. Találkoztam ilyen vezetékkel aminek a szigetelése kívül hibátlan volt, belül meg kirohadt nyakba a rézvezeték. A hozzászólás módosítva: Dec 1, 2020
Megpróbáltam lemérni az indító behúzó tekercsénél a feszt indításkor, de olyan gyorsan lezajlik az indítás hogy nem tudok leolvasni semmi értelmeset a műszeren, és ráadásul most esze ágába nem volt nyekeregni pedig vagy tízszer próbáltam indítani. Egyébként fülre most is érezhető volt hogy nehezebben teker melegen. A generátort is újra mértem 14,55V fogyasztók nélkül, ha mindent felkapcsolok, világítás, fűtés, klíma akkor 14,44V van az akku kapcsain. Az akkut délután addig töltöttem töltővel, míg le nem kapcsol róla a töltő.
A csavarhúzós megoldást még hétvégén megpróbálom világosban, most csak este tudom nézni, ami azért nem a legjobb. A hozzászólás módosítva: Dec 2, 2020
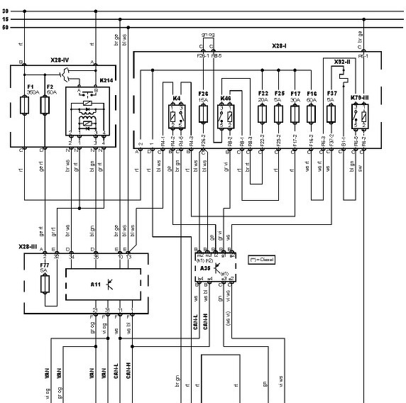
Szia! Megnéztem a rajzon, hogy hogyan alakulnak ki a kapcsolatok pl. generátor és önindító között. Találtam olyat, hogy hőbiztosíték van a generátor pozitív és az önindító pozitív ága között. A generátorról piros/sárga csíkos vezetékben van az összeköttetés az önindítóval, abban keresendő. Kettő darab van párhuzamosan kötve de az értékekről semmi információ nincs. Szerintem a piros/sárga csíkos vezeték két végét kell óhmikusan kimérni, nem-e kimelegedett valamelyik vagy mindkettő biztosíték és ezért nem tölt "rendesen" a generátor. Ezt egy "ABFA" motorkódú rajzról néztem de a "QWFA" az már teljesen más CAN-bus-os. Ez utóbbiban az ECU és a komfort elektronika szól közbe és engedélyez vagy nem.
Teli találat. Az enyém QWFA.
![]() Közben azon gondolkodtam, hogy van kézi oszcilloszkópom, lehet azzal kellene megpróbálni mérni valamit (az ugye rajzolja a változást és elvileg ki lehet merevíteni a képet). Vagy teljesen tévút? A hozzászólás módosítva: Dec 3, 2020
Amikor szarul vagy sehogyse teker és villog a műdszerfal, akkor kéne ráméri az akkusarukra.
Nem nagy összegérrt vehető szivrgyújtóba dugható dgitális voltmérő, egy ilyennel azonnal be lehet határolni ha menet közben leesik a töltőfeszültség. Nagyon hasznos, nekem 1 éve van fixre beépítve egy kis voltmérő modul, nincs egy ezres és mentett meg már akkumulátort, a fesz.szabályzó tönkrement és 18V lett a töltés. Még mindig fenntartom a gyanúmat hogy a töltés és a főáramkör jó, amikor nem akar indulni, az említett önindító áthidalós módszerel kéne próbálni. Ez rögtön megmondja hogy a fúáramkör vagy a az onnan elmenőbe van a kontakthiba. Ha ezek megvannak, akkor a tesztek alapján lehet tovább lépni. Addig nem mert nem tudjuk mi a hiba oka, addig a helyét se lehet meghatározni.
Ehhez a motorkódhoz ezek a rajzok tartoznak.
-a K214 az akku kiegészítő reléje
-a K4 az önindító reléje -a K46 a motorvezérlő reléje -a K79-III a gyújtás fő áramköri reléje -az A11 multifunkciós kontroll modul -az A35 maga a motorvezérlő -az A77 a kijelző (műszerfalban) -az X1 DLC ...egyszer még ezért szétrúgják a hátsó felemet .... de majd csak nem. A hozzászólás módosítva: Dec 3, 2020
Akkor szénkefés az önindítód.
Ez egyébként tipikus jele a hibának. Vagy vedd ki és szedd szét, vagy előtte ha ilyen hibát mutat és hozzáférsz valamennyire, ütögesd meg és próbálj utána indítani. Mert az van, hogy a szénkefe elkopott, fent ragad és nincs kontakt. Idézet: „Új az önindító is, pontosabban felújított.” Ez ne tévesszen meg.
Szevasz!
Azért ha semmi műszer sincs, azért akad egy "saccoszkóp", gyújtsd fel a kabinlámpát, azért az már jelez valamit: vagy teljesen elalszik, vagy erősen elhalványul, vagy "hunyorog", feltéve, hogy indítózáskor rajta marad a feszültség. Valami támpontot azért már tud adni. Oszcilloszkóp? Használható.. Nálam be van építve a test ágba egy 160A/60mV árammérő sönt. Autó: 45Ah, 1250cm3 motor, nagyjából +5 Celsius, hidegindítás. Ott a feszültséglefutás, és ott az áramfelvétel: max 440A!. (Nem hittem volna) Látni a félfordulatokat, kiszámítható a félfordulatokhoz tartozó fordulatszám (gyorsul természetesen) és látható a félfordulatonként csökkenő áramcsúcs. A motor 0,6 másodpercen belül jár és még az is látható, ahogy a forgórész kollektorán "lépkednek" a kefék. Szkóp: DSO 138. Sok mindent elárul egy ilyen "diagram"... Üdv: StMiklos A hozzászólás módosítva: Dec 3, 2020
Ahogy lejjebb irják is elsősorban a behúzómágneshez menő kapcsolo szálat ellenőrizd, meg van e a 12v rajta.A tranzitoknál gyakori hiba az elektromos káosz.Csináltam már ilyen hibával tranzitot.Ott 7 volt jutott csak a behuzómágnesre.Adtam külön 12v neki próbából és azonnal jó lett.Utána ujra vezetékelés jött,a gyújtás kapcsolótól.
Meg ne haragudj de ilyen zöldséget ne írjál, még tanácsként sem.
Ha kefés az önindító akkor csak a TARTÓótekercs árama tud rajta átfolyni, az kb. 5-10A. A nagyáramú BEHÚZÓtekercs árama (ami 30-40A) az nem tud kialakulni mivel az a keféken záródna, ha épp nem lenne kefés az önindítómotor. Ilyenkor vagy halkan kattog, amikor indítóznak mert az áram és a mágneses erő nem elég nemhogy behúzni de épphogy csak meg tudja moccantani a behúzó mechanikát, vagy tök csendbe van mert még erre sem elég. Ilyenkor ha oldalba verik a motort egy erősebb ütéssel, a rövid kefe meg tud moccanni 1 tized mm-t és ilyenkor elkezd forgatni. Ez kb. 1-2 napig tart, 5-10 ilyen mutatvány után végképp elfogy a kefe és fixen felakad, ilyenkor a püfölés sem segít már csak a csere. .
Üdv! Köszi a sok infókat. Szombatra tervezem a tesztelést, remélem elő tudom idézni a hibát megint és nem szívat meg... De az is lehet, ha bírom leszedem az önindítót.
StMiklos Nekem DSO150-em van. Hogy tudtad feltenni a képernyőre az értékeket? És hogy állítottad be hogy folyamatosan rajzoljon?
De bizony annyi, jól mérted, és ez egy nagyobbacska dízelmotornál, télen ledermedve elérheti az induló csúcsnál az 500-550 ampert is.
Sokan nem tudják ezt, köszönjük a képeket, tanulságos.
"Saccszkóp": Mikor be bolondul mind a kabin és a visszajelző lámpák is kialszanak egy pillanatra és időnként valami relés is kattan, lehet hallani. Ha a relé kattan utána már nem lehet forgattatni (nyekeregtetni), csak gyújtás ki gyújtás be után.
Ma délután sikerült tesztelni az önindító behúzó mágnesét. A fent leírtakat többszöri próbálkozásra sem sikerült elérni. Egyszerűen csak gyengébben teker melegen. A két mérés a behúzó tekercs csatlakotási pontján készült. A két teszt két külön indításról készült.
Nekem ezek a szkópképen jónak tűnnek. Az önindító is rajta volt, nem? Azért esett le így a feszültség.
Az első képen nem 2V a függőleges osztás?
Igen, ahol már teljesen visszaesett ott már járt a motor. Közvetlen indítás után azért megjelenik egy 7V körüli érték. Nálam mindkettőnél 2V.
A hozzászólás módosítva: Dec 4, 2020
Szevasz!
Nem, ott van a bal alsó sarokban, 1V és DC. Viszont a DC 0 vonal el (le) van tolva rendesen, 8 V-al lefele, ernyőn is ott van -8V. Viszont gondolkozom, hogy kiveszem a söntöt, mert csúcsban 2 tized voltot vesztek (400A-nél). De nincs, nem is volt indítási gondom.. 2 éve, 6 éves korában cseréltem az eredeti akkut, nem akartam "megállni",fagyos kezekkel szerelni, kényelmesen kerestem neten 1-et, meghozták. Bosch S3-as, sajnos 1 centivel se fér bele nagyobb, pedig mindig szerettem autóimba "1-el" nagyobbat rakni. A régi aksi ma is megvan, tavaly kölcsön adtam (én raktam be a ház előtt a szomszéd autójába), azonnal indított, velem volt, hogy meleg helyről húztam elő. Épp egy hete töltöttem fel,ha kell, legyen mit előhúzni. Üdv: StMiklos Üdv: StMiklos
Szevasz!
Nem túl részletes a kezelési leírás, nem is tartalmaz mindent ami hozzáférhető, van amire úgy kellett rájönni akár véletlenül, vagy fórumtársaktól olvastam. Lehet megtalálom a leírást. Nem folyamatosan rajzolt, hiszen az indítózás nem ismétlődik, csak egy lefutás volt. Nem volt egyszerű, felfutó élre indított automatikus módban (bár van egyszeri lefutás is, azt nem próbáltam), az indítózás kezdetén, és amint ott volt minden az ernyőn kimerevítettem. Kb. 3 ilyen (mint amit a képernyőn látsz) lefutás fér a tároló memóriába, a memória tartalmát lehet időben tologatni, hogy az legyen az ernyőn, amit szeretnél, aztán már fényképezés. Közben találtam anyagot (mellékletben), ebben emlékezetem szerint minden benne van. Üdv: StMiklos A hozzászólás módosítva: Dec 5, 2020
Szevasz!
Nem hagyott nyugodni, nyomkodtam rendesen, azaz: Mért értékek, információk a kijelzőn: mód választó időalap módban (1ms>10ms>stb.), ekkor nálam SW4-OK gomb hosszabb megnyomásra rákerül/lekerül az ernyőre(ről), közben HOLDra is vált, de az ok gomb nyomásra visszavált RUNra, de a kijelzés marad. Üdv: StMiklos
A behúzómágnes (bendix) meg az önindító forgásának annyi köze van egymáshoz, hogy amíg a bendix nincs elöl, addig az önindító nem teker.
Az, hogy az önindító motor mennyire forgat, az az önindító motortól függ egyedül. Idézet: „lámpák is kialszanak egy pillanatra és időnként valami relés is kattan, lehet hallani. Ha a relé kattan utána már nem lehet forgattatni” Amit relének hallasz, az a behúzó amikor előre megy, a lámpák meg azért hunyják be a szemüket mert szénkefés az önindító motorja. Szét kellene szedetni azzal aki ért hozzá, hogy csréljen keféket. Ennyi, további jó szórakozást, CO-t ne mérj, az sem segít. A hozzászólás módosítva: Dec 6, 2020
Sziasztok!
Egy szgk. generátort szeretnék beépíteni egy traktorba, de a gerjesztőre nem szeretnék izzót kötni (mivel van áram és feszültségmérőm), ha ezt direktbe kötöm a gyújtáskapcsolótól az hibát nem okozhat neki? Szükség van az izzóra mindenképp?
Szerintem ne kösd direktbe. Akkor a segéddiódákat is rákötöd a pozitívra, ott is tölteni fog, esetleg nagyobb áram is folyhat, mint amit a segéddiódák kibírnak. Akkor inkább helyettesítsd az izzót egy ellenállással a generátor közelében a motortérben. Kb. 47ohm 2-5W jó lehet.
Direktbe semmiképpen se kösd! Megöli a fesszabályozót.
Én javasolnám a rávalót, ill egy orosz direkt traktorra valót. Még mindig 20.000 és alatta a HABI-nál. Kell rá egy eredeti orosz szabályozó és hosszú évekig azt sem tudod, hogy van benne generátor. Alapból nem kell gerjesztés, egy kicsit mágneses a forgórész. Nincs benne szénkefe! És az autóshoz képest sokkal kisebb fordulaton dolgozik. A traktoron nehéz megoldani a megfelelő fordulatszám előállítását... Én ezért javaslom a gyárilag ide kitalált megoldást.
Kérjél kölcsön valakitől egy biztosan jól működő akksit és próbáld ki vele.
Ha jó a tiéd és tölt is, akkor még lehet önindító hiba. Sajnos az áttételes önindítók hajlamosak megszorulni így, főleg melegen amikor kopott a persely a fogaskerékhajtás közepén. Cseréltem már párat. És a zsírt is eléggé elfogy és kiszárad az idő múlásával. Ja és lehet teljesen máshol lévő kötéshiba. Nekem az (F) astrán volt egy hasonló, de az még menet közben is le tudta fullasztani a motort, pedig automata! Az első lámpánál lévő kasztni testelés kábele törött el. Még lesz egy-két köröd ezzel a kocsival. A felújításnak nevezett munkákkal sokszor ez a bajom, hogy nem csinálnak meg mindent ami kell a megfelelő működéshez. |
Bejelentkezés
Hirdetés |


















