Fórum témák
» Több friss téma |
Fórum » Labortápegység készítése
A C1 és C2 puffer negatív lábra(DCN) gondoltál, ha jól értem, a C3 pedig elhagyható?
Mutatom a rajzon. Ha a C1 a nyákon van, és nincs túl messze a FET-től akkor a C2 és a C3 akár el is hagyható.
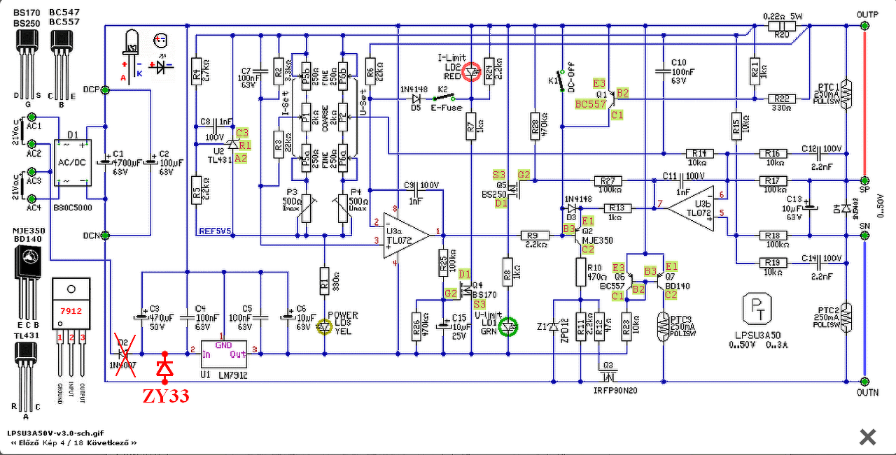
Rendszeresen visszatérő kérdés az épített labortápok kimeneti áramának és feszültségének kombinált mérőegységgel való mérése.
Voltak fenntartásaim ezzel kapcsolatban, de szó szerint fillérekért lehet már vásárolni 4 digites kijelzéső feszültség + áram mérőket, ami elvileg 1 mV és 1 mA kijelzési pontosságot tenne lehetővé. https://www.ebay.com/itm/Digital-LED-Voltmeter-DC-0-100V-10A-Ampere....l2648 https://www.ebay.com/itm/Digital-DC-0-100V-10A-4-Bit-LED-Voltmeter-....l2648 A második linken lévő egységgel végeztem egy mérést, amit persze csak a saját körülményeim és mérőeszközöm korlátainak fényében szabad értékelni. Mellékeltem a mérési feljegyzéseimet (lusta voltam kicicomázni). Elsődleges célom a sönt nagyságának meghatározása volt, de adódott a többi feszültség megmérése is. 2 terheléssel is mértem, a szélesebb rálátás érdekében. Mivel nem csökkent a bemeneti feszültség 8 V alá, ezért nem kellett külön táplálás a mérőegységnek, simán felkötöttem a bejövő szálra a tápvezetékét. Labortápba építve ez nem járható út, ott független külön DC feszültségről kell táplálni a műszert. A sönt és bekötő vezeték együtt jó közelítéssel 0,03 Ω. Szerintem ez egy kedvezően alacsony érték, a rajta eső feszültség valahol hibaként jelentkezik, de ennek mértéke általában tolerálható. Felfigyeltem arra, hogy az Ujelzett és U2 feszültség különbsége kisebb mint a söntön eső feszültség. Kb. csak a fele. Ezért felmerült bennem, hogy a műszer esetleg igyekszik a söntön eső feszültséggel kompenzálni a kijelzett értéket. Ha ez valóban így van, akkor miért nem pontos a kompenzálás, ha viszont nem így van, akkor mi magyarázza a méréseimet? Ha úgy kötjük be a mérőegységet hogy annak söntje utánról csatolunk vissza, akkor a kimeneti pontokon a feszültség stabil lesz. Ha van a műszernek ilyen kompenzálása, akkor ezt a kimeneti feszültséget stabilnak is fogjuk mérni. Ha nincs neki, akkor is stabil lesz a kimeneti feszültség, de a kijelzett érték az nagyjából a söntön eső feszültséggel több lesz (érdekes helyzet, hogy a feszültség stabil a kimeneti pontokon, de a kijelzett érték mégis imbolyog). Végül, számomra meglepő volt -mert még sosem gondoltam bele- mennyire meghatározó a labortápegység vezetéke. A mostani mérésnél, a közel 4,5 A terhelés mellett négyszer (!!!) akkora feszültség esik a vezetéken mint a söntön. Pedig ez egy átlagos, talán 1,5 mm2 keresztmetszetű sodrott vezeték, tehát nem hajszálvékony. Ezt tudva elbizonytalanodtam mennyire van értelme hajszolni a mérések pontosságának kihegyezését. Persze az sosem baj ha valami pontosabb mint kellene, de hiába mindez, ha csak a kimeneti csatlakozón racionális az érték, majd onnan valamilyen távolságra már egészen más a valóság. Szívesen olvasnék egyéb véleményeket és ajánlásokat kombinált mérőegységek kapcsán, mert ezek racionális bekötésére a jövőben ajánlást fogok adni a labortápok kapcsán (engedve a nyomásnak).
Van kettő ilyenem itthon, fogok velük szórakozn, majd meglátjuk mit mutatnak?
Köszönöm a paneleket ez úton is, az alkatrészeket összeszedtem nagyrészt a fiókból ... Folytatás következik! A hozzászólás módosítva: Jan 22, 2021
Moderátor által szerkesztve
Idézet: „Üzemi feszültség: 4.5-30V DC (mért feszültségtől független)” Erre figyelj majd, mert gyártófüggő, hogy mőködik-e a panelmérő abban az esetben, ha a tápfesz a mért fesztől elvan vagy nincs galvanikusan elválasztva. Az Alkotó féle megoldásnál ez működött, de engem már tréfált meg ...
Igen ez olyan!
Nekem is van többfajta ilyen mérőkém, de még nem találkoztam olyannal, ahol a mért feszültség ne lehetne a tápfeszültség is egyben.
Itt inkább a korlátokat látom fontosnak. A mérőegységnek saját stabilizátora van, de akármilyen kicsi is az áramfelvétel (20-30 mA körülieket mértem), mégsem mindegy, 10 V-ból, vagy 30V-ból kell stabilizálni. A másik irányból pedig az elfogyás a probléma, mert ha a mérendő feszültség túl kicsi (labortápnál ez üzemszerűen lehet akár 0 V-is), akkor nincs miből táplálkozni az egységnek. Tehát a végeredmény ugyanaz, kell egy külön feszültségforrás. Ehhez korábban igyekeztem a fő-trafóra eleve kérni a szükséges segédtekercseket, de mostanában racionálisabb döntésnek tűnik egy apró nyáktrafó. Pl. a 2x12V-os 5W-os típus bő 1000 Ft, ahol ez egyik tekercs lehet a segédtáp, a másik meg a mérőegység tápja.
Nem kompenzál az semmit, egyszerűen ha jobb lenne a topológiája, és ideálisabb(rail to rail) a mérő bemenet, akkor nem látnál különbséget! Látható, hogy áram függvénye a hiba elsősorban, tehát gyanítom mindössze topológiai kérdés ez jelen esetben.
Igen, a labortápnál mindenképp külön táp kell a panelmérőnek. Ha a mért fesz alámegy a működéshez szükséges feszültségnek "kihúnynak a fények" és nem használható. Ha a főtrafó toroid könnyebb, de E-I vasmagosnál is megoldható (általában), hogy a panelmérőhöz szükséges feszültséget biztosító meneteket utólag "ráteketjük". Így nem foglal külön helyet ...
Kifejtenéd jobban mire gondolsz?
Mit értesz jobb topológia alatt? (Nekem itt még a topológia szó értelmezése is gondot okoz.) A söntön mindenképpen esnie kell feszültségnek, hiszen ez a funkciója. Ez nem hiba, hanem egy alapvető sajátosság. És mivel a mérőegység eleve méri ezt az értéket az áram kijelzés miatt, ezért számomra racionális lehetőség lenne a kijelzett értékhez való hozzáadása. (De azt is jól látom, hogy ennek akkor, és csak akkor van jelentősége, ha olyan bekötést használunk ahol a sönt be van vonva a szabályozó körbe, ami kis túlzással csak a labortápok esetében valósítható meg. Minden más esetben ez a kompenzálás akár még zavaró is lehet.)
A belső nyák topológiájáról beszélek itt! Egy olyan szakaszon is folyik az áram és feszültséget ejt, ahol nem kellene.
Sehol nem említettem a söntön eső feszültséget! Azt felesleges idekeverni...
Álj-álj-álj! Kizárólag a söntön eső feszültségből eredhet hiba (amit a mérés igazolt is).
Én tanulmányoztam a panelt -ugyan nem mindenre kiterjedően- és nem találtam benne semmilyen kivetnivalót.
Nem tudom hogy ez mindegyik panelmérővel megcsinálható-e, de itt a srácnak sikerült szétválasztani az áram és feszülség mérés földjét, így a söntön eső feszültség problémja megoldódik.
Én nem látom át, hogy a mérésedből hol következne bármi sönt-fesz beleszólás a történetbe!
Van 3db vezetéked. A sönt fekete, praktikusan közös lehet, amihez képest a sönt piros, és fesz sárga is pozitív értéket ad, jól mérhető egy ADC-vel. Ezt lehet bonyolítani, de minek?!! Akkor kellene külön közös a fesz méréshez(amit ha jól látom nem is kötöttél be. Miért?), ha az árammérő bemenet lebegő mérést tudna kezelni. Abból a rajzból, amin reklámozzák, nekem nem az jött le, hogy ilyen lenne ez az eszköz, így eléggé feleslegesnek tűnik, inkább csak praktikussági szempontból lehet külön kivezetve...
Azt sajnálom ha nem sikerült kellően átláthatóra a mérésem.
Én abban látom a lényeget, hogy U1 nem azonos U2-vel, és köztük kb. a söntön eső feszültség fele a különbség.
U2 feszültsége már hogy lenne azonos U1-el?! Nyilván az áramtól függően kevesebb lesz az előbbi! Miért mérné ezt a feszmérő rész, amikor mérheti a az U1-et is! Sőt, ha nem azt méri, akkor negatív lesz az árammérés feszültsége..., tehát teljesen értelmetlen az egész feltételezés is...
Én a mérésedből inkább egyfajta nonlinearitást vélek kilátni, aminek az oka bármi lehet..., akár szoftveres eredetű is... A hozzászólás módosítva: Jan 22, 2021
A sönthöz menő vezetéken is esik feszültség, ami akár a söntön eső feszültséggel összemérhető nagyságú is lehet. Ha a mérés a vezeték végén, de a sönt előtt van, akkor a vezetéken esővel kevesebbet mér. Az is lehet, hogy a szoftver próbál kompenzálni, de csak a söntön esőt tudja mert az fix, a vezetéken eső meg hossz, vastagság, és hőmérséklet függő, és ez utóbbiak esetleg minden gyártott széria esetén változhatnak.
De valószínűleg nem érdemes ebbe túl sok energiát fektetni. Ezek a műszerek, igen jó ár/teljesítmény viszonnyal rendelkeznek, de nem precíz mérőeszközök. Valószínűleg ha párhuzamosan kötsz 5db ilyen feszültségmérőt és mérsz vele, akkor az 5db műszer 5 féle értéket fog mutatni, és ez a szórás esetleg még nagyobb is lesz mint amekkora hibát a sönt bevisz. A hozzászólás módosítva: Jan 22, 2021
Egy párszor már leírtam, de leírom ujra: 1.500 Ft -ért ne várjatok csodát ! Egy hobbistának viszont tökéletes, ár/érték arányban verhetetlen. Az "agysebészek" meg használjanak pontosabbat ...
Erre én is gondoltam. Ezért írtam "Rsönt+vezeték"-et, ami nem csak a sönt és a gyári vezeték együttese, hanem még a csatlakozó átmeneti ellenállása is benne van (csak nem akartam ennyit írni).
Viszont arra nem gondoltam, hogy ebből csak a közvetlenül a söntön esőt látja a mérőegység, tehát csak azzal tud kompenzálni. Ha a sönt ellenállása kb. azonos a vezeték+ csatlakozó ellenállásával (tehát a meghatározott érték fele), akkor ez nagyjából éppen meg is magyarázza amit mértem. Skori, Egri Frédi. Nincsenek illúzióim a mérési pontosság kapcsán. De "ez" nem "az" a mérőegység amit sok helyen látni. Ez 4 teljes értékű digit, és a leírásában 1% mérési pontosságot ígérnek (drága multiméterekre sem adnak meg ettől jobb értékeket). Természetesen ez "vagy igaz - vagy nem", de mégis csak 1 nagyságrenddel beljebb vagyok. A most mért változást a 3 digites mérőkén éppen nem is érzékeltem volna. A hozzászólás módosítva: Jan 22, 2021
Az 1%-ot a legolcsóbb panelműszerekre is ráírják, pl. ennél is: Bővebben: Link
A hozzászólás módosítva: Jan 22, 2021
Mihez képest vagy beljebb? A pontosabb mérés illúzióját adja csak neked, mert 0,01% -ot sejtet a kijelzés, de valójában csak egy 1%-os mérőmű akkor, ha kalibrálták! Egészen addig ez csak egy látványosság, semmi más...
Valóban nem lesz pontosabb a mérés attól, hogy 4 számjegy van, mert az utolsó számjegy kb. bármit mutathatna, de mégis van a látványosságon kívül más előnye is a 3 számjegyhez képest.
Mondjuk a példa kedvéért mutat 10,00V-ot (és ez lehet, hogy valójában 10,21) de ha finoman akarom szabályozni a tápot, (pl. mondjuk egy helipottal) és mondjuk 30mV-al akarok feljebb menni, az aktuálishoz képest, abban pl. segíthet, hogy van egy plusz számjegy. Amúgy gondolom senki sem vár csodát egy ilyen műszertől, de egy tápon vagy egy akkutöltőben azért kb. megmutatja a feszültséget és az áramot, és az árához képest teljesen elfogadható.
Valamint, ha rálehel a korai dér, akkor is mutathat annyi eltérést, még ha nem is érsz hozzá..., holott a paraméter valójában semmit se változott, amit mért... Vagy fordítva, változott, csak épp erről maradtál le, mert más irányú hatás kompenzálta azt...
Ha mérésre akarjuk használni, akkor nem árt, ha alkalmas is rá, és ne csak higgyük azt, hogy köze van annak ahhoz, amit elhitetnek velünk! Ha ezt nem teljesíti, akkor inkább csak látványos játékszer nem több... A hozzászólás módosítva: Jan 22, 2021
Én már tettem ilyen műszereket labortápba is meg töltőbe is de a tapasztalat az hogy ezek csak saccográfnak jók. Ha egy bizonyos feszültségen be állítjuk a pontos kijelzést az biztos ha változik a feszültség 8-10V-ot ott már nem mutat jó értéket.
Igen ezt már felfedeztem ,némi kis tesztelést végeztem ezekkel , csalás nem vészesen sok ,max 0,2 volt amit tapasztaltam .
Labortápba nem szánom ,ha netán igen akkor azt meg még meggondolom , én special maradok a jól bevált ICL7107 nél.
Valahol itt tettem említést egy ilyen mérőről. Valóban jó és pontos is - a maga módján a 200 mV -os mérési tartományban, ahová nem kell ellenállás osztó - ellenőrizve a Mérésügyi Hivatal által hitelesített ( céges: Fluke (típusát fejből nem tudom)) műszerrel.
Nekem más célokra ( alkalmasint teszek fel képeket róla ) kellett, így "játszadoztam" egy kicsit a szerkezettel … A gondok akkor kezdődtek, amikor a feszültség osztóra - panelon egyébként rajta lévő ellenállás helyekre - próbáltam ellenállásokat beforrasztani. Nem a forrasztással volt a gond . Könnyű belátni, hogy a mérés annyira lesz pontos, mint amit az ellenállások tényleges egymáshoz viszonyított aránya ad. Következtetés: Vagy olyan helyen használod, ahol a 200 mV -os méréshatárhoz van tervezve a tápegység, vagy "varázsolsz" valahonnan igen pontos ellenállásokat az osztóba. Ha valaki tudja, hol lehet ilyen ellenállásokat beszerezni - elfogadható áron - kérem ossza meg velem a tudását !
Amennyiben jó a 0,1% akkor azt lehet kapni , attól pontosabb biztos nem kell.
Bővebben: Link
A legolcsóbb forrás: kimustrált multiméterből lehet kitermelni.
A pontos ellenállás önmagában nem lesz elég az 1% pontossághoz. Nagy impedanciáknál panel tervezésénél a felületi vezetés hatására is gondolni kell. Ha a pontosságot keressük: Vishay vastagréteg ellenállásosztóit is érdemes megnézni. A hozzászólás módosítva: Jan 22, 2021
A 4 digites kijelzésben én még látok egy fontos előnyt. Lehetőséget ad arra, hogy a kijelzett érték változási mértékét irányát pontosabban érzékelje a kezelő. Esetenként nem az hordozza a hasznos információt, hogy 11 vagy 14 mA a nyugalmi áram, hanem, hogy ez mennyit és milyen irányban mozdul el az éppen vizsgált körülmény hatására.
|
Bejelentkezés
Hirdetés |










. Könnyű belátni, hogy a mérés annyira lesz pontos, mint amit az ellenállások tényleges egymáshoz viszonyított aránya ad. 




