Fórum témák
» Több friss téma |
Fórum » Autóelektronika
Témaindító: sufni-tunning, idő: Ápr 19, 2008
Témakörök:
Szia !
A hibakódok néha bevisznek az erdőbe. Nekem commonrailes autónál magasnyomású szivattyú hibát írt, pedig a résveszteség volt óriási, annyira, hogy a vége injektor csere lett. Utána magasnyomású hiba automatikusan megszűnt. Tehát gondolkodj, menj olyan szerelőhöz aki nem csak az elektronikában hisz, ismeri a motort gépészetileg, azaz mechanikusan, motorszerelőként is.
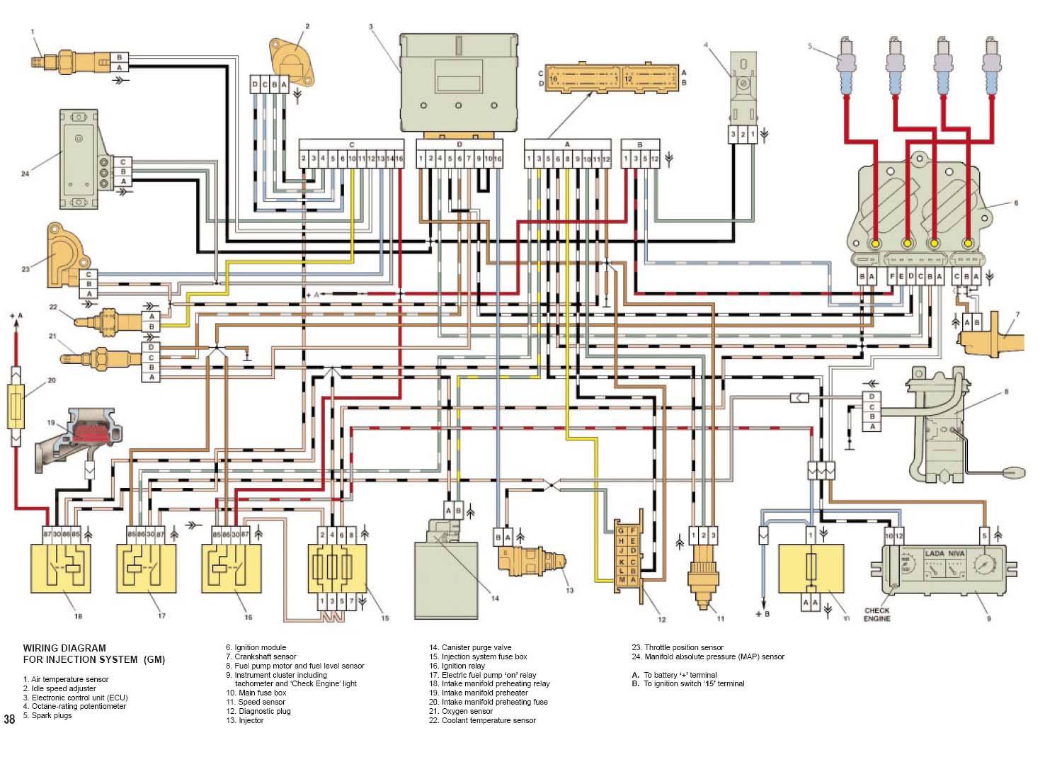
Köszönöm válaszod de sehol sem találtam hozzá használható rajzot.Esetleg tudnál benne segíteni?
Google ből nem tudok eredeti linket kimásolni. Rákeresel: corsa b schaltplan, másokdik találat: Stromlaufplan Corsa B, Tigra Modelljahr 1999 - Vectra16V.com egy pdf, ennek 80-81 oldala kell neked, meg persze ami kapcsolódik.
A hozzászólás módosítva: Jan 4, 2021
Erre gondoltál? Az utolsó oldal és az M79 motor a kórmányszervóé.
Ez lesz az.Csak egy szál vezetéket nem találok hogy hová is megy.715 számú.
Amúgy valaki mondta hogy elvileg ezeknek elég lenne egy táp egy +12v és a 1112 pontra /zöld/ vezeték egy generátor jel.Ez valós lehet?
A kijelző panelra, mert az a 715 mező lenne nem a vezeték száma (BKGN05).
A hozzászólás módosítva: Jan 4, 2021
743 sebességjel, 1112 fordulatjel, 715 hibajelző lámpa meghajtás.
Szia!
Ma végre sikerült mérni. Létezhet, hogy alapjáraton ~33Hz-es négyszögjel van a modul kimenetén? A kapcsolóállások: 0,5V/div és 5ms/div. A mérőfej 10-el oszt. A fordulatszámot emelve, szépen változik a jel frekvenciája is.
Szia! Nincs véletlenül tárolt hibakód?
Szia!
Csak villogtatni tudom, de üres a tároló. Csak a 12-es kód van benne. Az viszont elméletileg nem hiba. Ezzel a kóddal kezdi a diagot.
4 henger 4 ütem, egy fordulatra két gyújtásjel. 33Hz-33 jel per sec, az 1980 jel per min. Ezt osztva kettővel 990rpm alapjárati fordulatszám ami simán reális. A szkópon szép a jelalak, ha ez el is jut odáig én az óracsoportban keresném a hibát. Bár az amplitúdó kevésnek tűnik, lehet megkívánná a műszer a nullától tizenkét voltot (vagy az aktuális akkufeszt).
A hozzászólás módosítva: Jan 11, 2021
A rajzot belinkelhetted volna így is, legalább látszik az egész. A szöveges része pedig ezen az oldalon található kicsit lejjebb. Ha megnézed azt a videót az oldalon akkor látható, hogy a műszerfal az eléggé laza illesztésű, majdnem szétesik magától. Nem lehetséges, hogy az kontakthibás ott valahol valamelyik stekkernél?
Gyújtómodul csere előtt működött a fordulatszám mérő. Ez jó hír, hogy megfelelő lehet a jel, megnézem, eljut-e a műszeregységig.
Szia!
Sajnos újabb falba ütköztem. Nem telt el 100km a gyútómodul cseréje óta, de újra előjött ugyanaz a hiba. Az autó nem indul, az 1-es és 4-es hengerhez tartozó gyertyákon nincs szikra (2-3 hengernél van). Gyertyák újak, kábelek újak. Trafókat mérve hozzák a gyári értéket. Primer 1Ohm, szekunder 5kOhm. A felfogatási pontok a motoron tiszták, tehát nem gyanakodnék test hibára sem. Volna ötleted a hiba elhárítására?
Átmértem a gyújtómodulra csatlakozó vezetékeket (ECU és a modul között) rövidzárra és szakadásra is. Minden jónak mutatkozik, egy dolgot kivéve.
A modul két B pontja csatlakozik egymással, ami gyújtásra akku pozitívot kap a befecskendező rendszer biztosíték dobozán keresztül a gyújtás reléjétől. Gyújtás nélkül viszont összesípol a karosszériával. Ez normális?
Sziasztok.
Remélem maradhat a kérdésem. Suzuki 1.5 navigator 2005-ös A hűtőventillátort az ecu vezérli, vagy van benne hőbimetál?? Köszönöm előre is.
Hali!
Van egy ilyen 24/12V os feszültség átalakítóm. Nincs semmi leírásom/rajzom a bekötésről. A BE 24V, és a KI 12V lábakat szeretném tudni.
Sziasztok!
Chrysler Voyager 2004 2.5dízel jószág pár furcsaságot követett el mostanában, amit valószínűleg valamilyen furcsa kombinációk együttesével sikerült elérnie a tulajnak, de szeretné a "normál" állapotot visszahozni. 1) amikor bezárja/kinyitja távirányítóval, akkor az irányjelzők nem villannak egyet se, korábban ez működött 2) ha kinyitja az autót a távirányítóval, akkor először csak a vezető oldalt nyitja, majd második nyitásra a többi ajtót, ez korábban úgy működött, hogy elsőre nyitott mindent (itt valami olyasmit mondott, mintha egyszerre nyitotta volna kézzel belülről, meg a távirányítót nyomva, s utána kezdett el így viselkedni, de nem emlékszik pontosan) Ezekre valaki meg tudná mondani a "véletlen aktiválástól bonyolítással védett" trükköket, ahogy ezeket az állapotokat lehet módosítani diagnosztika nélkül (jobb könyökkel bal váll felett átnyúlva ragadd meg a jobb füled és nyald meg a szemöldököd háromszor, miközben kétszer rátaposol a fékpedálra féle módszerekre gondolok)?
Sziasztok!
Nagyon jó volna ha tudna valaki segiteni----előre is óriási köszönet érte! Uj sebességszenzort ceréltünk.,egy müködő müszeregységet átprobáltunk., de Km óra most sem mutat semmit. Minden egység müködik a müszerfalon. Kilométerjeladót kiszerelt állapotban., földugott csatival ,furógéppel meghajtva.., szintén semmi.., tápok a a szenzoron megvannak!!! Erre volna szükségünk IN Számozás-- kábelszin vagy kábelszámozás a müszerfalcsatin.., esetleg kábelezési út.Renault Espace. Mk3. 1999.JEO.G8T . 2.2DTi köszi és üdv
Egy picit jobb helyesírással, légy szíves!
Sziasztok.
Van egy suzuki swiftem, amibe a vízhőfok jeladó egy NTK. Lehet olyan meghibásodása neki, hogy reggel mikor ránéztem a diagnosztikával, -5Cfokot mutatott, majd délután ránézve 15 Fokos vizet mutatott, most este viszont8 fokot mutat. Beindítottam az autót és 1-2 másodperc után a 8 fokról felment 25 fokra. Tönkremehet így egy jeladó, ami így méreget? Hozzá teszem 15 éve benne van.
Hello! 855 hozzászólás alatt nem volt elég idő, hogy tudd, hogy egy kérdést csak egy helyen tegyél fel?
Mivel senki sem válaszol, mert hagyják a döglött fórumokat, én meg igen is a kérdésre akarok választ kapni, így itt is megkérdeztem. De ha annyira zavar, töröld.
Mi az hogy döglött fórum?
![]() Ha topicra gondolsz, amint van kérdés, előre kerül... Proli007 szerintem nem moderátor, igy hozzászólásodat sem tudja törölni. De például Te kérheted a törlését. Persze akkor nem is fogsz választ kapni. Legalábbis itt nem. A hozzászólás módosítva: Jan 31, 2021
Ha nem moderátor, akkor moderálást még kérhet...
|
Bejelentkezés
Hirdetés |









IN Számozás-- kábelszin vagy kábelszámozás a müszerfalcsatin.., esetleg kábelezési út.
