Fórum témák
» Több friss téma |
Fórum » Autóelektronika
Témaindító: sufni-tunning, idő: Ápr 19, 2008
Témakörök:
Profi vagy! Hát hiába, akinek helyismerete van ....
Ezt nem értem, hova kellene beférnie?
A Suzuki Ignis és WR+ FB csoportból van , oda töltötték fel , hála nekik is!
Nekem amúgy pont ez a Dióda kéne csak Sumitomiban és foglalattal, na azért majdnem a fél vesém oda adnám. Ittend van is, csak a posta... a legfelső az és a hozzá való házikü...egen..
Amúgy szerintem 2db 3A-es dióda böven jó is lenne. Bár, ha most a Suzuki Ignisről van szó, beférni tuti befér mert a kábelkötegen van s rá van szigetelőszalagozva...
Baráti kézfogás.., A G16- G17 csati- ig ( ha jól emlékszem a csati számra) jutottam el én is..., abból helyileg valahol a km mögötti területre saccoltam a Vil. Vezérlőt...
Vágd le a tok vékony részét, ha hosszú, a lábait is. Amit javasoltam az dupladióda, 2x10A 120V
A hozzászólás módosítva: Feb 13, 2021
Hello Kedves Patric 97!
Óriási öröm egy ilyen profi feltünése..,kivált mivel nagy megakadtam..elözményként : Az Ignisen totáll elment minden létező világitás, kivéve fénykürtöt, egyidejüleg kiment a motortéri két db 15A-s fényszoró/dióda biztositék és elcsöppentek a mini diódák a kábelkötegben., utólag sikerült rekonstruálni., hogy ez egy durva hátsó világitás zárlat miatt történt. A zárlat meglett szüntetve ...,Most volnál kedves szakvéleményezni a rajzon ábrázolt - végrehajtott javitást: Maradhat -e a jelenlegi 5A-s biztositék vagy kissebbet tegyek bele? Jelenleg kb 1.3A folyik át szálanként..,.A rajzodon ugy néz ki ,hogy a két FEHÉR/ZÖLD vezeték a diódák után közösitve van., én eddig nem közösitettem, mert igy is müködik.., kellene közösitenem ennek ellenére? A jövöre nézve egy esetleges zárlat következményeire olvasgatva bukkantam egy elég raiasztó történetre : Kb ebbe 2005 körüli Ignisekben volt egy állitólagos visszahivás, mert kiderült hogy a 22. 10A-s Tail-helyzetjelző biztositék gyári bekötése helytelen : Az adott áramkört nem védi: ennek próbája hogy ha bekapcsolt helyzetjelzőnél kiveszem a gyári helyzetjelző biztositékját, akkor a helyzetjelzők továbbra is világitanak!!! Ezt kipróbáltam ezen az autón. ,kivettem a városi biztijét és nem aludt el a városi továbbra sem...,állitólag egy PIROS vezetéket kellene elvágni a forgó világitáskapcsolon.., sajnos Piros vezeték nálam egyáltalán nincs ott.., arra gondoltam hogy a kapcsolónál teszek egy 10A-s bizti a kimenő városi vezetékébe... Köszi válaszod és üdv A hozzászólás módosítva: Feb 13, 2021
Sziasztok. Matiz ban kérném ki tanácsotokat, első ecu-s autónk eddig tico-k volt. Na most a kető motorja ugyan az nagyából kivéve a ecu vezérlés. Jelenleg az autó nem észlelhető semmi motorikus probléma , melegen egyenletes alapjárat, nem dadog, vagy torpan meg, stb. De hidegen az alapjárat ingadozott, néha lefuladt. Eredmény pár nap után , hibakódot dobb fel p1403 egr szelep. Ezt a hibakódott töröltem ,és orvoslásként autópályán meghajtottam az autót hát ha segít , ezután ismét lekértem a hibakódokat , p1403 kód nem jött vissza , de kaptam helyette p0420 elégtelen katalizátor kódott. Ezt a hibát a p1403 egr terhére könyveltem el mivel ha nem tudott nyitni a szelep akkor a lambda dúsab gázokat érzékel, igy töröltem a hibakódott. Jellenleg 3-4 nap teltel azóta és nincs hibakód, hidegen az alapjárat is sokkal jobb lett, nem fulad le nem ingadozik.
Kérdésem delphi diagnosztikám van nem igazán vagyok jártas benne még . Egr szelep - valósadatoknál megjeleníti de állapota (ki) vagy is kikapcsolva jelzi alapjáraton. Tesztelhető az egr nyitása zárása? Másik kérdésem első ablaktőrlő 1 fokozatban folyamatosan megy , nincs szünett törlések között. Ez normális , vagy minden autónál 1 fokozatnál szünetekkel töröl a lapát? Ha ez igy van relé van beragadva valószínüleg. Köszönöm
Hello!
Ha jól rémlik volt nekem egy Ignis műszerfal k.köteg felboncolva, és abból valahol a dobozok mélyén megvan az a fehér/zöld vezetékecske , azt tudom hogy "U" kapoccssal van egyesítve. Amúgy nem értem miért nem 3 lábú diódát használtak, ugyan ott lennénk, és még nekem is lenne alkatrészem. Minden esetre, ha működik akkor szerintem nem kell foglalkoznod vele, valahol a kábelköteg rejtelmeiben össze kell legyen kapcsolva, de hogy pontosan hol, azt nem tudom, ezek elvileg kézzel készültek úgy tudom... Tehát az emberen múlik hogy ő hol egyesítette a vezetékeket...
A csomagtéri átvezető gumi környékén volt a zárlat egy piros/sárga vezetéken? Akkor az a helyzetjelző vezetéke, típushiba hogy a csomagtérajtó átvezető gumiban megtörnek az AVS Japán szabványú kábelek, ezek elvileg amúgy bírják a hajlítást, a savakat ,meg úgy általában azt amire a járműiparnak szüksége van, azonban elég feszes a kábelköteg ott ahol a gumi van , ezért idővel elfáradnak a vezetékek. Ha ott vagy akkor javaslom hogy kicsit huzogassad
fel a vezetékeket, a csatlakozónál enged annyit hogy pont jó legyen és ne feszüljön, azért hogy éles szöget ne kelljen a kábelnak elviselnie hajlításügyileg... legalábbis elméletileg. Az elektronika amúgy szinte 100%-ban az Opeltől származik, a kapcsolókon a GM felirat is rajta van, azok a Suzuki/Opel gyári alkatrészek.
Én személy szerint az elsőre nem nagyon tudok mit mondani, de az ablaktörlőnél, az első állás mindig szakaszos, még az ős Swiftnél is, a Matiz nincs elöttem, de lehet a reléd is a ludas, ha van, illetve lehet hogy maga a kapcsoló hibás, nem azt mondom hogy rögtön vegyél másikat csupán azt hogy ha van rá indítattásod és módod akkor célszerű szétszedni és alaposan kontakt javítóval vagy WD-40 el megtisztítani az értinkezőket, minden olyan részt ahol réz vagy egyébfémes rész van a kapcsolón belül, majd egy kis lehelletnyi Lithiumos (litiumos) zsirral megkínálni, a grafitos nem jó mert vezetheti az áramot ami itt most nem túl szerencsés. A zsírzás előtt célszerű tisztára és szárazra törölni a belső részt.
Szia!
Csomagtartó., piros/sárga és még kb 5-6vezeték sérült volt.., érdekes hogy a 22 10A - s gyári helyzetjelző/ Tail biztositék teljesen inaktiv volt.., bekapcsolt városi tovább égett, ha kivetted a biztosittékát.,..., állitólag volt visszahivás erre annó.., Megtaláltam a világitás modult.., rejtélyes hogy mire való.., kikötve is mükődött minden.., abszolult fapados felszereltségű Ignis volt.., talán ezért...??? 3A-s diódákat raktam be a móricka rajzom szerint.., gyenge kb 1,3A folyik szálanként . Üdv L.
Sziasztok!
Mi lehet az oka hogy a klíma kompresszor leveri a biztosítékát egy pár perc működés után? Az autó egy Ford Focus MK2 Előre is köszönöm a segítséget.
Szia! Talán zárlatos lett a mágnes kuplungja.
Közben kísérletezgetem vele, hogy ugyan megmérem hány ampert fogyaszt, és hát 20+A biztos hogy többet, akkor betettem egy 15-ös biztosítékot 10-gyár rögtön kiéget még előte a 10-es birta pár percig, úgyhogy holnap majd alá fekszem.
Van a mágnes kuplungnak egy diódája ami záró irányba van vele párhuzamosan kötve. Lehet, hogy ez lett zárlatos és ezért mint egy rövidzárként kiolvasztja a biztosítékot (F58).
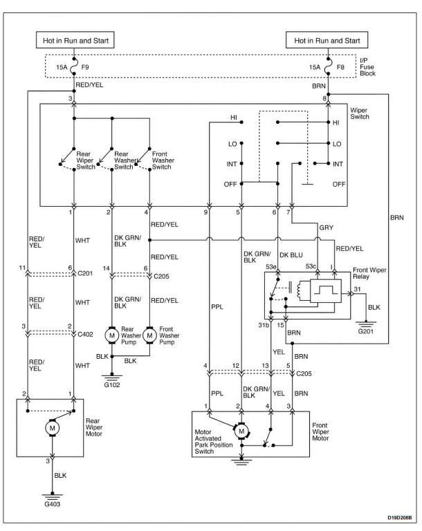
Ablaktörlő hiba még mindig fenn áll! Probléma 1 állás folyamatosan megy a lapát, nincs szakaszos ablaktörlés . Ilyenkor nincs relé kattanás sem. De első ablak mosás sem tökéletes spricolás van lapát mozgás nincs ! Szerintetek kapcsoló vagy relé hiba? Kapcsolási rajz csatolva. Köszönöm
Szia!
Ütemvezérlőt kiveszed? Meg kellene álljon alaphelyzetben a lapát. (Asszem relének nevezted,) A hozzászólás módosítva: Márc 3, 2021
Sziasztok
1.5 suzuki swift navigátor 2005-ös modelt vezetek. Egy világítás figyelmeztető csipogót akarnék beletenni. Az lenne a kérdésem, hogy van-e a csoportban, aki csinált már ilyet. A kapcsolónál melyik vezetékről kell leálni? Ilettve a burkolatot hol kell lebontani? Az ajtó nyitás gombjára tenném a testet, kell azért ott diódázni? Köszi a segítséget. A hozzászólás módosítva: Márc 3, 2021
Kiszedtem a relét , de ugyan úgy működik relé nélkül is! Észtevétel csak van lehet valami turpiság van a dologban. Szóval 2 matizom van 2003 2004 évi de a kapcsoló nem egy forma csatolok képet. Jelen problémásnál csak 2 fokozatú a kapcsoló, de ha ez gyárilag igy van minek a relé bele?
Sziasztok
Bocs hogy régi topichoz szólok, de ha már nyitottak ilyet. Tud valaki ilyen áramkört vagy a kapcsolási rajzát? Megvenném
Hello! Kapsz már készen ilyen áramkört. Ezt kiegészítve táppal, egy meghajtó tranyóval, meg egy relével arra használod amire szeretnéd.
Két A lápátok a helyükön állnak meg gondolom. Az ütem kapcsolóban nincs zárlat a full és Lo között? Vagy utána?
A hozzászólás módosítva: Márc 4, 2021
A ütemkapcsoló csak a Lo állásban megy. A full ban tápot adnak a szünet szakasznak. mivel kivetted a relét valószínűleg zárlat van a Lo és a Full közt. Ha kiveszed az ütemadót nem szabad elindulnia a lapátnak. Ha széthúzod a kormányoszlopon a stekkerét szerintem ha visszadugod a relét, + adva a Lo elmenő vezetékének (a színét megtalálod rajz alapján), el kell indulnia rendben. Ez esetben a kormányoszlop kapcsoló a rossz.
A hozzászólás módosítva: Márc 4, 2021
Szerintem nem, csak ponty Te kérdezted.
Szia
Köszönöm szépen az infot, megrendeltem az áramkört. Azt megmondanád, milyen áramkör alapján kellene megépíteni? köszönöm |
Bejelentkezés
Hirdetés |






fel a vezetékeket, a csatlakozónál enged annyit hogy pont jó legyen és ne feszüljön, azért hogy éles szöget ne kelljen a kábelnak elviselnie hajlításügyileg... legalábbis elméletileg.








