Fórum témák
» Több friss téma |
Fórum » Autóelektronika
Témaindító: sufni-tunning, idő: Ápr 19, 2008
Témakörök:
Hello! Nekem ugyan nincs ilyen áramköröm, viszont nem írtad le milyen célra használnád és mit/hogyan működtetnél vele.
Az adatlap szerint 3..5V körüli tápfeszültséggel tud üzemelni. Ezt kell számára előállítani. Adatlap szerint, három bekötési pontja van. GND ide kell bekötni a táp negatív pontját VCC itt kapja meg a 3..5V tápfeszültségét I/O ez a kimeneti pontja, ami majd működtethet egy tranyót. Mivel a tápáramfelvétele ha nincs terhelve a kimenet, max 3uA. Így akár egy fehér Led-ről is lehetne táplálni, ami egy ellenálláson keresztül kaphatja meg a +12V feszültséget. És akkor kész a táp. Tranyónak pld. egy IRLR024-et tennék. Ez egy Fet, ami képes bekapcsolni a 3V-ról és működtetni egy 12V-os relét. A Fet Source megy a GND-re. A Gate-t az I/O pontra kell kötni. A Fet Drain mehet a relére, a relé másik fele a +12V-ra. Még egy dióda kell a relére záró irányban, hogy az indukált feszültséget kikapcsoláskor letörje. A panelen lesz két Jumper átkötő. Ezzel az IC üzemmódja választható ki. A TOGLE azt állítja, hogy megérintéskor kapcsoljon be a relé, vagy minden megérintésre váltakozzon a ki-be kapcsolás. Az AHLB pedig, hogy megérintéskor magas, vagy alacsony szintű legyen az I/O kimenet. Azaza hogy most húzzon vagy ejtsen el a relé. Remélem érthető.
Szia
Ismét köszönöm a kimerítő választ! Innen jött az ötlet önindító Azt írja sufni-tuning, Szebence előző hozzászólására, "egy elektroikának ad negatívot, és onnan már lehet indítózni."
Hello! De ha csak "egy elektronikának kell negatívot adni", akkor ezen az alapon akár Te is szétnézhetnél a polcon, nincs-e ott egy ilyen kész áramkör..
Sziasztok!
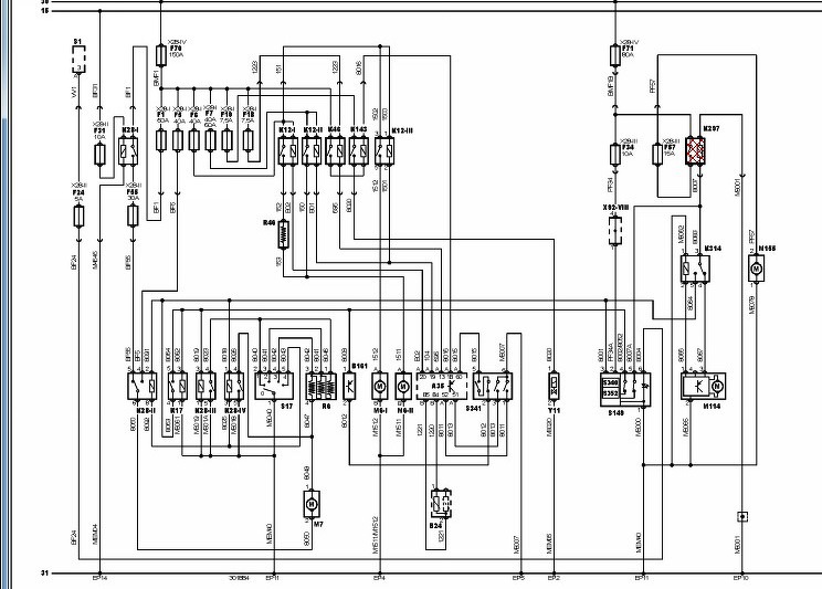
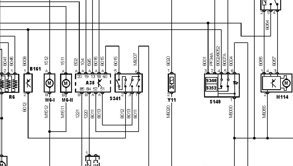
Citroen Jumper.III. U9. 2008.3.0 Hdi.116Kw. F1CE0481D. Hütőventillátorok nem kapcsolnak be. HIBAKOD: P0481 : 2- s Ventillátorhiba. Egyik ventillátor sem mükődik , és motorcheklámpa is állandóan világit !!! Motorok direktben meghajtva jók., szabályzóellenállások jók., egyikben rossz volt a "hődióda "., kicseréltük, de semmi változást nem hozott a csere. Motorok a ventillátorházra szerelt két reléröl kivezerelhetők., két nagy biztositék jó.., motorhömérsékletszenzor jó, innét kb 120 C - t szimulàlva sem indulnak el a motorok, Egy kapcsolási rajz nélkül megvagyunk süllyedve keményen.., Hütómotorok-- motortéri biztositéktábla-- motorvezérlő ECU vonatkozásàban kellene egy okos kis rajz. Segitségteket előre is köszönjük!!!
Szia!
OBD olvasóról vezérelhetőek a ventilátorok? Tesztelhetőek? A motorhőmérséklet érzékelőt a Can szintén látja, de több is lehet előle, pl csak a ventilátornak. Ezek ha vannak a hűtőn kell lennük. Ezeken állandó 12V van, ha utólag kellene a hűtés, gyújtás nélkül. Ha a gombát rövidrezárod a venti elindul óvatosan! A "hődióda" beforrasztása érdekes lehet, mert hőbiztosíték olyan 110-130 °C körül. Az enyémbe víztől csicsigó papírzsebkendőbe csavarva forrasztottam be. Utólag is megmértem, bár ha reléről elindul... A hozzászólás módosítva: Ápr 12, 2021
Szia egy próbát meg ér!
Igaz olaszul de érthető úgy gondolom: https://www.youtube.com/watch?v=skHyEPmnro8
Sziasztok Mindketten
Joo1..,Eobd- s diagból nincs végrehajtóteszt -kivezérlések..., csak --- általában környezetvédelemmel összefúggésbe hozható motor paraméterek figyelése van..nem az a fajta ahol a hütøben lévö , általaban bimetálos höpatronok inditják a motorokat.., valóban a blokkon lehet nemcsak egy höszenzor., jó hogy eszembejuttatad!!! A video jó .., capisco..., olvastam ., hogy a fényszóró mögötti vidék a gyerekbetegségük., korroziós gyengeségek miatt , mint a videon is látni..., sajnos nem derül ki az ECU melyik PIN - jére megy a reléket vezérlö két szál.., és a höszenzor két vezetéke is fekete ló.., Üdv
Elvileg egy nem ELM kategóriájú az tud ilyet. Nekem egy Autel 808 van, az nagyon sok autót tud, nem 20€-ért igaz. Szerintem a két hűtőn lévő gomba kapcsol, a motoron lévő az csak figyel, és jó mert az ECU látja a motor hőmérsékletét.. A relékhez az ECU-ból jön vezérlés a teszthez. Az1997es tervezésű 156-os Alfámban is így volt.
A hozzászólás módosítva: Ápr 13, 2021
Köszi---de nem-nem nem..., illetve csak részben nem....,mert az Okés., hogy az ECU kapcsolt negativvokkal vezérli a két ventillátor teljesitmény relét .,ha bizonyos hőfokot elér a viz..., de ezen az auton a hütőben vagy ezen a vidéken nincs semmi érzékelő vagy valami kapcsolószerüség. Megfelelően müködő rendszernél diagnosztikából végrehajtótesztmóduszból ki lehetne vezérelni mindkét motort.., nekem is van erre alkalmas diagom..., de nem tudom kivezérelni diagból ....,persze az autó valamilyen hibája miatt...
Szia! Nem ismerem a francia kocsikat, erről a három literesről is nagyon kevés infó lelhető fel nálam de a motorhűtés és légkondinak négy reléje van. Van egy fő relé és a két ventilátornak külön-külön. Az egyik ventilátornak az egyik (1)relé előtét ellenállást kapcsol és annak van egy "rövidre zárása" egy másik(2) fő áramú relével (alacsony az előtét ellenállásos és a magas fordulatú a másik amelyik ezt direktre kapcsolja) A harmadik(3) relé az a másik ventilátort kapcsolja direktbe. Azt ne kérdezd, hogy ez a "fő" reléje hol van de mind a négy az ECU-ba fut be és a "fő relé" engedélyezi (kapcsolja) az AC kuplungmágnes reléjét. Szóval ez már így öt relé ami a motorhűtéshez tartozik (három a két motornak + a "fő relé" és az AC kuplungmágnes reléje. A hibakódhoz tartozó "megoldásként" a 3. relét említi, hogy cserélni kell de, hogy az melyik a relé táblán az nem derül ki, mert ugye ezekből kettő a motorokon ül.
Sziasztok!
Tudna valaki segíteni nekem Lag I. ph1-be hogyan kell bekötni motorizált, memóriás vezető oldali ülést? Mindkét első ülést cserélni szeretném simáról motorizáltra. Az új ülések már megvannak, csak ki kellene találnom, hogy hogyan kössem be nekik a tápot. Az anyós oldalon nincs vezérlő elektronika és memória, csak az ülésen lévő kapcsoló konzol kapcsolgatja a motorokat és váltogatja a polaritást. Így pár perc alatt rájöttem, hova kell neki adni a 12V két pólusát és ez működik is tökéletesen külső akksiról még beszerelés előtt tesztelgetve. A vezető oldalon viszont a fotókon látható elektronika vezérli a motorokat. Minden jel szerint a 6+9 pólusú fekete csatlakozón kellene, hogy 12 V-ot kapjon. A NYÁK-ot elemezgetve addig eljutottam, hogy az alsó sorban a 4. vastag tüske lesz a GND, ez tuti. Viszont a +12V kérdéses. Gyanakszom a alsó sorban a 3. illetve a 6. tüskére. Esetleg mindkettőre kellene a pozitív táp. De nem merem kipróbálni, mert ha tévedek, akkor vége a dalnak, elfüstölöm az egészet. Valaki tudna nekem segetni? Hogyan lehetne kinyomozni, hogy hova kell itt kötni a tápot?
Szia! Nem sok de talán a segítségedre lehet. Bővebben: Link
Köszönöm, ez már nagyon nagy segítség!
Akkor gondolom a vastagabb fekete és piros vezeték lesz a 12V. Vajon a többi vékonyabb vezeték mi célt szolgálhat? Elvileg a motorok vezérlését elvégzi ez a doboz, mi kellhet még neki a tápon kívül?
Azt sajnos nem tudom de ha mondasz motorkódot és találok róla valamit azt megírom.
Megköszönném, ha tudnál segíteni!
Elég az első pár karakter a motorkódból? F3RE722C
Talán ez segít:
Bővebben: Link
Sajnos egyik modellhez sincs meg ez a komfort szintű rajzrészlet. Valahol a tükörfűtés és AC magasságában vége van.
Nagyon köszönöm az eddigi segítséget!
Egy másik fórumon is rákérdeztem és ott már kaptam is pontos lábkiosztást.
Ez a leirt hütőmotor bloksémád mily nacióju autón alapul??? JUMPER- BOXER- DUCATÓ Vonal érintett??? Vannak hasonlóságok.., ugy tünik messziröl...
Köszi és üdv
Csak a nagy Jumpereket néztem a korábbiakból mert azokról van rajz.
Évjárat stb??? esetleg a legutólsó meglévévődből legalább a hütőmotor kört nem lehet kimenteni??? Manuális klimás is jó!
köszi
Ezt a részletet néztem ebből a dízel típusból ami tartalmazza az AC-t is. Ha valamit be kellene neveznem, mert nem világos, hogy melyik relé hová tartozik de majd szólsz.
Szia!
Most ugrott be, a klíma is ezt a két ventilátort használja a motorhűtő előtti kondenzátorának a hűtésére. Tehát a klíma is kapcsolhatja a két ventilátort. Az meg vagy az ECU, vagy van rá külön klímakomputer. A hozzászólás módosítva: Ápr 16, 2021
Reagálok régebbi problémára. Opel Meriva 2004 Z17DTH
P1243 P1235 problémára az OP-Com azt mondta hogy turbo nyomás nem megleleö. Elsö átnézésre találtam rossz bilincset a flexibilis csörendszerben. Most 1.2 bar -ig betölt hiba nélkül. Valoszinüleg még mindig van valahol rossz tömittetség ezért nem tud nagyobb nyomást megtartani. Ugy tudom 2,2 bar lenne a maximum. Kérdésem lenne hogy a képen jelölt szelep micsoda és mit csinál?
Szia! Ha a turbó mechanikus részével van kapcsolata (mert az éppen nem látszik) akkor a geometriát fogj állítani a vákuumon keresztül.
Nem hiszem hogy ez állitaná a geometriát.
Sziasztok Urak!
Benzines G Asztra befecskendezőit szeretném tisztítani, nitrohígító, vagy aceton jó lesz a feladatra?
Sziasztok! Remélem valaki tud nekem segíteni. Lenne egy Ford eskort 1.3 1995 évjáratú autó menet közben megállt. Szikra nincs, gyujtótrafó jó gyujtásvezérlő jó jeladó új motorvezérlő jó. Nem tudom mi lehet a hiba. Ha tudtok segíteni vagy valami ötlet azt nagyon megköszönném!
Szia! Ha abból az évjáratból való a kocsi amelyiket már volt szerencsém javítani a relé tábláját tekintve, akkor tele van forrasztási hibával ami kontakthibákat okozva leálláshoz vezet. Főleg a főrelé és környéke. Ha jól emlékszem akkor ezek egy összehajtott panelen vannak elhelyezve és szemben össze vannak forrasztva az átkötésekkel együtt. Körülbelül 50-60 forrasztás volt (vagy több) nagyító alatt nézve, hogy hol van körbe repedve a forrpont. Ha mutatsz képet a relétábláról vagy hasonlót a netről szedve akkor többet tudok mondani.
|
Bejelentkezés
Hirdetés |


















