Fórum témák
» Több friss téma |
Mekkora feszültség mérhető a puffereden?
"Ami az 51 - 55V -os méréstartományt illeti: miért indul a műszer 0 V -ról?"
Mert standard műszert építettek bele. Így látszik, ha valami hiba miatt nincs meg a kellő- min. 51V feszültség. A tirisztoros egyenirányításról pedig a RUS szovjet akkutöltő ugrik be. Lehet hasonló a működési elvük? Szedd szét és alakítsd át egy labortápegységnek. A trafó, műszerek ,doboz és sok alkatrész már adott. A hozzászólás módosítva: Ápr 25, 2020
Üdv. Kapcsolót cseréltem egy svéd kettős tápban. 1 Ampermérő van csak és a jobb bal oldalt lehet kapcsolóval kiválasztani melyiket mérje. Kapcsolóról leforrasztottam a vezetékeket , gondolván nem bonyolult, de mégis.
A lényeg nem lehet közös sem a 2 táp negatív , sem a kimenet. 1 es állásban méri mondjuk a bal oldali áramerősséget, de a jobb oldal is összekapcsolva van az ampermérőn kívül. 2es állás ugye jobb ampermérő , bal összezár negatív be ki menet. Hogy kéne összekötnöm a kapcsolót a táppal és ampermérővel? köszönöm előre is.
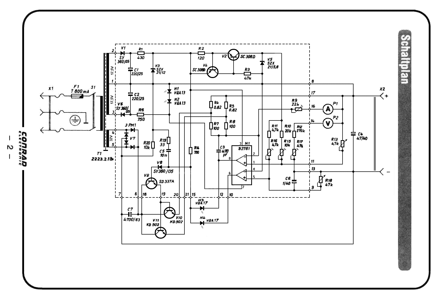
TR-9193A labortápegység IV. Oldala nem reagál a feszültség potm. állítására. Kimeneten 0 Volt. A III. oldal kiválóan üzemel. Mi mehetett benne tönkre? Van egy olyan érzésem, hogy párhuzamosan volt kapcsolva a III. Az kicsutkázva, a IV. pedig 0 Volton. Pol. Helyesen És felkapcsolva mind a kettő. Ez tönkrevághatta. Hosszú történet hogy sikerült a manőver...nézegettem égés szag nincs minden szépen egyben, egy biztosítékot kimértem az hibátlan. Továbbá a CV visszajelző kicsit vibrálva világít, a másik oldalhoz képest. (Olyan mint amikor határon van és váltana át CC-re)
Ez a FOK-Gyem MC1466 utáni "gyermeke", ahol az áramkorlátot is jelzi LED. LM324-es IC-re épül, működése alapvetően megegyezik a 9158, ill. a 9175 elvével. Az IC feszültség (és áram) szabályzása a LED-eken keresztül hat. Az R20, 1k Ohm -os ellenálláson a + feszültség a T2-es, az a T3-as, és az a T5 áteresztő tranzisztort nyitásba vezérli. Az LM324-es feszültség (vagy áram) erősítője a CV (vagy CC) LED-en keresztül "elszívja" a felesleges áramot a T2 bázisáról, így az áteresztő csak annyira van nyitva, hogy a kimeneti feszültség (vagy áram) beálljon. Az, hogy a kimeneten nincs feszültség (annak ellenére, hogy a LED-ek egyike sem szívja el a T2 bázisáról az áramot) arra enged következtetni, hogy az áteresztő, és/vagy a kisjelű tranzisztorok (T2, T3) hibásodtak meg. Ezek ellenőrzése, cseréje javasolt.
Nagyon szépen köszönöm, becsületesen leírtad!!! Meg is fogom nézni, rámérek, van benne egy BC241 vagy BC242 szemet szúrt (nem volt időm nagyon bogarászni), hogy a középső láb fel van hajtva az égbe. Milyen megoldás ez, ilyennel még nem találkoztam? Addig nem akartam belenyúlni, mert szerintem igencsak érintetlen példány ez. Nem akartam összevissza kiforrasztgatni mindent.
küldöm!Továbbá az LMIc-t nem üthettem ki ezzel a manőverrel? A hozzászólás módosítva: Máj 15, 2020
A BD 241 elvileg a 0,5A-os 5V-os részben van, mint áteresztő, ill. az 5V 4A-os részben, mint meghajtó, és azért lehet felhajtva a lába, mert ezeknél a hűtőfelület szintén a C kivezetés, így a bordán keresztül is kaphat + feszültséget.
AZ IC is elpukkanhat, ez félvezetős DC csatolt áramköröknél nem kizárt. Az IC 4 különálló műveleti erősítője 4 funkciót lát el. Ebből 2 hibajel-erősítő feladatát látja el (egyik a feszültséget szabályozza a CV LED-en keresztül, míg a másik a CC LED-en keresztül az áramhatárolást végzi, mindig az, amelyiknek a kimenete negatívabb, mint a másiké.), míg a másik két fokozat a feszültségszabályozáshoz, ill. az áramszabályozáshoz állít elő pontos referenciát. Az 5V-os részek felépítése csaknem azonos, ott azonban a T1-es tranzisztor be van kötve a visszahajló karakterisztika létrehozásához (ez a 30V-os részeknél is lehetőség, de gyárilag ez nincs "beélesítve"). A külső feszültség rákapcsolása letekert fesz szab potencióméternél leégetheti (nem feltétlenül látványosan) az R11-es 100 Ohm -os ellenállást, ill. magát a potmétert is, találkoztam már vele többször. A hozzászólás módosítva: Máj 16, 2020
Első körben ellenőrzöm T1 és T2-t. Ezek azok, ha jól gondolom?
Igen, ezek. A + kivezetéshez van minden segéd-tápfeszültség rögzítve, így ahhoz képest egyszerű feszültségméréssel lehet ellenőrizni a tranzisztorok állapotát. Az áteresztő bázisán + 0,6V, és így a meghajtó, és a kis fémtokos BC 107A bázisán is 0,6V-al emelkedik üzemszerűen a feszültség, tehát ott 1,8V körül kéne lennie. Ha terhelés is van rajta, A-onként 0,5V (max. 2A-nál 1V) rájön még, ami az áramfigyelő ellenálláson esik. Ha bármelyik tranzisztoron nagyobb feszültség esik a B-E között, az biztos hibás.
Győzelem, az R11 égett el. Nagyon jól leírtad. Így már jobban értem a működését. Nem kell úgy bogarászni, meg lesni a rajzot! Ezer köszönet!
Üdv!
Tr-9178 labortáp mérőműszerének pótlására tud valaki megoldást? Szétrepedezett a belsejében a spiáter.
Ilyesmi hirdetéseket figyelve tudsz venni bele. Nem feltétlenül baj, ha mondjuk nem 100 uA-es, hanem 1mA-es, valószínű, hogy a megfelelő előtétek cseréjével beállítható a mérés. A skálát meg át kell építeni a régiből.
Sziasztok!
Matrix MPS6003D Labortáppal van olyan gondom, hogy sorba teszi zárlatba a Tip3055 tranzisztorokat ha kontakthiba lép fel a kimeneten és a feszültség jóval nagyobbra van állítva mint az áramkorlát miatt kiadott feszültség. Tapasztaltatok már ilyen hibát?
Sziasztok!
Tegnap este elműködött a Voltcraft TNG30 labortápom toroidja.Ha valamelyikőtöknek van ilyen készülék a bírtokában ,és megtenné,hogy rámér a trafó szekunder feszültségeire,roppant hálás lennék!!!!
A rajz TNG35, ami 30V-ios a max kimenő feszültség. Talán hasonló és segít...
Üdv! Van egy többé-kevésbé működőképes Fok Gyem TR-9158/A típusú lineáris labortápegységem, de egy kellemetlen hibájával együtt. A feszültség instabil, amikor nyit a tirisztor, megugrik a feszültség és lassan elkezd megint csökkenni. 6 volt alatt válik nagyon instabillá, itt már a feszültség a minimum is 6-7 volt közt nagy hirtelenséggel változik, abnormális módon. Illetve, ha egy nagyobb feszültségtartományról egy kisebbre állítom, akkor meglehetősen sok idő kell neki, míg beáll. Ezen a problémán túl, jól működik, a 10 A-t adja 39-41 volton. Tehát kevésbé érzékeny áramkörök táplálására még alkalmas.
A válaszokat előre is köszönöm!
Gondolom terhelés nélkül állítgatod a tápot. Ilyenkor a kimeneti kondi miatt lassabb a változás. Ha ez zavar, rakj a kimenetre (akár a dobozon belül) egy fix terhelést, lehet már 1mA is rengeteget javít, ami viszont az áram mérésben nem okoz nagy hibát. Nálam kb. 5mA-es áramgenerátor és LED van a kimeneten, így elég gyors a változás, plusz van egy visszajelzésem, ha a kimenete aktív.
Az instabilitás alacsony feszültségnél, terheléssel is jelen van sajnos
Mekkora terheléssel, milyen instabilitást tapasztalsz?
Sziasztok!
Kicsit elakadtam a Pioneer-féle Proli007-es Alkotó-s 2.7.4-v2 LM324 Labortáp javításával. A képen láthatóak a mért értékek (lila) ezek alapján kéne valahogy elindulni. A probléma szerintem az IC1/1 nél lehet mert valamiért nem akar felépülni a 9.9V (referencia?) A negatív táp is gyanús mert nem egészen jön össze a -5V. Tudnátok segíteni, hogy merre érdemes indulni. Az IC-t cseréltem már. A hozzászólás módosítva: Júl 28, 2021
Az IC 4. és 5. lába között nem folyt össze a forrasztóón?
Hibásak a mérések mert nemjó GND-t vettem alapul. Én a sönt előttihez mértem. Javított méréseket feltöltöm hamarosan.
És az egészet az tetőzte, hogy a söntök régóta tolták az ipart, és annyi áram folyt már át rajtuk hogy egyre ellenállóbbak lettek, szó szerint
Az eredő 0.23Ohm helyett összehoztak egy 42kOhm-os értéket. Ettől persze lehalt a szabályzás, meg összezavarta a mérésem.
Sziasztok. Van egy régi voltcraft tng 35ös labortápom. Sokáig jó volt, de már évekkel ezelőtt jártam úgy vele hogy a nyáklapon összefolyt a cín, de ezt akkor orvosoltam. (nem emlékszem már a hibajelenségre) Annyit hozzá kell tennem hogy nagyon ritkán használom(évi 1-2szer). Kb 2-3 éve elkezdte azt hogy a manuális voltmutató nem mutatta helyesen az értéket de ettől függetlenül jó működött.
Tegnap szerettem volna használni, min. 1 éve nem ment, de most 47 volt-ot ad szinte konstans. Potira nem reagál de ugye max 30 voltot adhatna. Kíváncsi voltam terhelve is leadja e, de leadta a 47 voltot (12 voltos autórelé). Forrasztás most nincs megfolyva. Kívülről nem látható semmi rendellenesség (kondipuffadás stb). Vajon miért csinálhatja meg mi lehet valószínűleges a baja, hol érdemes kezdni mérést?
Hello! Nem ismerem ezt a tápot, de ha valami a nyers pufferfeszültséget (mert vélhetően a 30V kimeneti feszültséghez tartozik a 47V bemeneti feszültség) akkor elsőként a végtranzisztor zárlatára kell gyanakodni.
Hogy legyen miről beszélni...
A hozzászólás módosítva: Szept 11, 2021
Köszönjük az egyházközösség nevében!..
Üdv, újra és elnézést hogy ilyen sokára értem ide. (húzós hetem volt)
Mértem az előbb a kd 502-ket. Lecsatlakoztatva: B-E: végtelen E-B: 136 k.ohm C-B: 91 k.ohm B-C: végtelen E-C és a C-E végtelen Mindkettő egyforma értéket produkál. Sajnos lehet tovább keresni a baját |
Bejelentkezés
Hirdetés |











küldöm!





Az eredő 0.23Ohm helyett összehoztak egy 42kOhm-os értéket. Ettől persze lehalt a szabályzás, meg összezavarta a mérésem. 





