Fórum témák
» Több friss téma |
Szépen mutatja azt, amiről már beszéltünk itt... Nekem egy valami azért szemet szúrt. Ha ugyanazt a rendszert mutatja más és más termosztáttal üzemelni (másképpen értelmetlen lenne összehasonlítani a grafikonokat), akkor hogyan lehetséges az, hogy ugyanúgy max 8x°C-ra felfűtött vízzel a csodatermosztát vezérlete mellett rövidebb idő alatt felfűti elsőre a helységet a beállított hőmérsékletre?
Hello! Ha a csodatermosztáttal 40% energia megtakarítás lenne, holnap kapnának Nobel díjat..
Sziasztok!
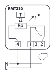
A Danfoss RMT 230-as szobatermosztát helyes működését próbálom megerősíteni. Tudnátok segíteni? A termosztát feltekerésekor ugyan hallani a kis kattanó hangot huszoniksz foknál, mégis szeretném biztosan látni, hogy valóban kapcsol is ez valamit, nem csak a termosztát kattog. Ha jól látom a kapcsolási rajzot, a fázist a termosztát a 3-asról a 2-esre húzza be, mikor feltekerem a fűtést. Ezt félig ki is tudom mérni: a termosztátot letekerve (10 fok), a 4-es és 3-as között hálózati feszültséget mérek. Feltekerve (30 fok), 0V van itt. De a 4-es és a 2-es között feltekert állapotban, nem látom a 230V-ot. Vagy rosszul értek valamit? Előre is köszi a segítséget! UI: Fűtés az nincs, azért szórakozok ezzel
Hello! Vagy nem jó a termosztát kontaktus záró érintkezője, vagy a számozás más mint a rajzon van. De mivel ez egy mechanikus termosztát (én annak látom), feszültség nélkül ellenállás méréssel is megállapítható, hogy le és fel tekerve a termosztátot, ki kihez záródik.
A termosztát kapcsolója:
1. com - közös, ide jön a fázis. 3. zárva a beállított hőfok alatt, felette bontva. -> fázis a vezérlés felé, ha fűteni kell. 2. zárva a beállított hőfok felett, alatta bontva. 4. hiszterézis növelő fűtőellenállás-> fix nulla. A másik lehetőség: 1-3 kazánkör engedélyezés, ekkor nincs az ellenállás bekötve. Az 1-3 közé lehet visszajelzést kötni pl. glimmlámpa + soros ellenállás, ha a vezérlés belsőellenállása elég alacsony a glimmlámpa begyújtásához. -->Remélem jól értelmeztem a kapcsoló működését, nem fordítva.
Helló! Köszi, az ellenállás mérés jó ötlet, kimérem, amint tudok áramtalanítani!
Helló! Köszi a magyarázatot, azt az "RP"-t nem tudtam azonosítani! Szerintem a kazánkört az 1-es a 2-essel zárja, az a kis síp szerű jel szerintem a szivattyú/kazán akar lenni. A csatolt kis ábrát is erre a működésre utal nekem, de mindegy, vegülis nem is ez a lényeg, hanem hogy kapcsol-e vagy nem. Sajnos se glimmlámpám, se ellenállásom :/
Az az RP egy ellenállás, ami akkor kerül feszültség alá, amikor az 1-2 érintkező záródik és a kazán is kapja az áramot. Ahogy feszültség kerül rá, áram is folyik és melegedni kezd. A hő éri a termosztát pogácsáját, így hamarabb fog kikapcsolni, mint ha nem lenne fűtve, kisebb lesz a hiszterézis, komfortosabb lesz a házban a hőmérséklet. Egyébként képesek 4-5 fok különbséggel kapcsolni ki és be.
Idézet: „a termosztátot letekerve (10 fok), a 4-es és 3-as között hálózati feszültséget mérek. Feltekerve (30 fok), 0V van itt. De a 4-es és a 2-es között feltekert állapotban, nem látom a 230V-ot.” Ha ez igaz, akkor pont úgy működik ahogyan kell. A 4-es és a 2-es között letekert állapotban látnod kell a 230 V-ot. Ha nincsen fűtés, akkor az szerintem nem a termosztát miatt van...
Helló!
Köszi a hozzászólást! Sajnos a 4-es és 2-es között soha nem látok háózati feszültséget. Se fel-, se letekert állapotában a termosztátnak. De lassan már tudok áramszünetet csinálni és kimérem azt a fránya kapcsolót.
Helló! Köszi, nagyon hasznos akkor az RP megléte!
Esetleg elárulnád milyen készülékre van kötve ez a termosztát? Lehet nem a bekötés a hiba...
Köszönöm mindenkinek a segítséget, sajnos a kapcsoló elpusztult a termosztátban.
Az 1-3-as között szépen mérhető szakadás/rövidzár, annak megfelelően, ahogy tekerem a kapcsolót. De az 1-2 között csak szakadás mérhető, akármilyen állásban van a termosztát kapcsolója. (UI: Hogy mi van a termosztát mögött, nem tudom, valamilyen ház központi fűtés)
Szia! Szerintem addig szorongattad vagy leheltél rá a gőztenziós szelencére amíg az nem kapcsolt. Vidd ki egy kicsit levegőzni vagy várd meg míg lehűlik. Szerintem az 1 és 2 pontokra kell kötni a kazánt működtető szálakat ha azok is potenciál mentesek és csak egy záró kontaktusra van szükség a működéshez. Ekkor nem lehet az éjszakai hőfokcsökkentést bekötni.
Előfordul, hogy úgy telemegy porral... e-miatt nem kapcsol még a kattanás ellenére sem. Többnyire menthető a helyzet, mert nem nagy áramot kapcsol.
Üdv. mindenkinek! Segítséget szeretnék kérni tőletek! VAn egy régi c18-as fég kazánom. és hozzá egy mmg pt102-es szobatermosztát. a vezérlődobozban van egy folyadékérzékelős kazántermosztát. Ez elég pontatlan, ezért beszereztem egy noname kínai digitális hőfokszabályzót. Ez 0.1 pontossággal állítható 5v-os táp, és 230v-ot is tud nyitni vagy zárni. ezzel szeretném kiváltani a kazántermosztátot, hogy pontosabban tudjam szabályozni a vízhőfokot a rendszerben. leginkább a csökkentett fordulatú keringetés miatt. A lényeg, hogy a szobatermosztáton beállított hőmérséklet (pl. 20C) ha nem éri el a kazántermosztát lekapcsol ha azon a beállított hőfok van megadva és csökkentett fordulaton cirkuláltatja a vizet a rendszerben. Ez most így megy!!! viszont ez a folyadékérzékelős termosztát (nincs rajta skála), mint már említettem pontatlan, és ezzel a digitálissal pontosabban tudnám szabályozni. a léghőmérséklet nem arányos a vízhőmérséklettel!
mmg pt102 termosztátban vezérlődobozban 1.kék 7.kék 2.fekete 8.zöld/sárga 4.zöld/sárga 9.fekete Összegezve: a szobatermosztát max. fokon van, megy a keringető(max.fordulaton) és a főégő is. a digitális kazántermosztáton egy max. hőfokot elér, lekapcsol a főégő, majd lassú fordulaton keringet tovább addig még egy minimum(beállított) értéket elér. utána a szobatermosztát érintkezője zárva van megy tovább előröl a folyamat addig még a termosztát le nem kapcsol. fordítva, ha a szobatermosztát nem kapcsol (nyitva az érintkező) akkor nem menjen csökkentett fordulaton se, egészen addig még az mmg pt102 érintkezője újra zár és bekapcsol a kazán. Szerintem nem megoldható így mert a panelról 3vezeték jön le, ezen a digitális ter.mon. csak 2lehet. Jól sejtem??? Nem vagyok benne biztos ezért kérdezem?!!?
ha a szobatermosztát nem kapcsol (nyitva az érintkező) akkor nem menjen csökkentett fordulaton se
Ezt azért csinálja, hogy a kazán ne károsodjon. Ezt kikerülni felelőtlenség...
Szerintem teljesen feleslegesen vetted meg, mert a rendszer nem ezen a logika mentén működik. Kicsit olvass vissza, hosszan ki lett tárgyalva pár napja.
Nem akarom kikerülni. Csupán arról van szó, hogy a kazántermosztáton nincs skála és így nehéz belőni azt a hőmérséklettartományt ami között menne a lassú cirkuláltatás. De az egészet felülvezérli a mmgpt102
a mechanikus vízhőfokmutatónál azért jobb és pontosabb.
A hozzászólás módosítva: Nov 17, 2021
Ha jól értem neked az a bajod, hogy állandóan megy csökkentett fordulaton a keringtető, amikor a szobatermosztát ki állásban van, akkor is? Ez ennek a nagyon egyszerű kondenzátoros panelnek a velejárója, valamilyen fordulaton mindig megy a szivattyú. Kell bele egy elektronikus panel, ami csak fél percig utánkeringtet fél fordulaton.
Szia! Ezzel a kondenzátoros panellal a hosszú idejű bármelyik termosztát (kazán vagy szoba) kikapcsolása csökkentett fordulaton járatja a szivattyút. A kazán termosztát esetében ez az idő rövidebb kell legyen, mert az intervalluma 12 fok és ezt hamar eléri a visszahűléssel a csökkentett fordulaton járó szivattyúval. Ha időzített utánkeringetésre gondotál azt egy SZMV2 panel oldaná meg. Ehhez is beköthető az új termosztátod kettő szállal.
Erre gondoltam. Köszönöm a választ! mind2.-öknek
Még egy kérdés? az mmg pt102-es termosztát glimm lámpája folyamatosan világít. Jó ez így, mert a régi mmg-nél nem így volt!!!??? A hozzászólás módosítva: Nov 17, 2021
Szia!
Rosszul van bekötve. A glimm lámpa vezetékét kösd át a kapcsoló másik oldalára.
Nálunk is ilyesmi kazán (c24) van, de szerintem olyan jól, és faék egyszerűséggel van kitalálva, hogy kár piszkálni.
Az utókeringetés azért van benne, hogy az előírt vízhőfok túllépése esetén (égett a láng, de a szobatermosztát leállította a szivattyút) a folyamatos vízáramlás biztosítva legyen az égőfej vezérlése nélkül. Ha ezt a szobatermosztáttal felülírod, akkor magadra vess. (egyébként a bejövő 230V-al sorba kötöd, akkor ő az úr ) A vízhőfok ha nem pontos mi van? 50-80-ig szinte bárhol jó. A láng erősségével beállítottam hogy nagyon hideg, és jobb idő esetén is nagyjából folyamatosan menjen a kazán (amíg a termosztát kéri) , a vízhőfokot meg 50 fölé annyival, hogy a kazán alapesetben ne tudja túlmelegíteni, így az utókeringetés szinte csak a szobatermosztát lekapcsolása!! után működött, míg kihűtötte a kazánt ( Mondjuk volt hozzá víztömeg, mert régi radiátorok vannak) Csak csodálkozom mikor a takarékosság fényében mindenféle elektronikákat akarnak rám beszélni. Ezzel a beállítással a kazánban nem nagyon marad meleg. A hozzászólás módosítva: Nov 17, 2021
Kondenzátoros panel esetén az utókeringetés csak addig megy, míg a vizet le nem hűti. Persze ha másképp van bekötve....
Valójában a kazán test hőtehetetlenségéből fakadó, utólagos víz forralást kell elkerülnie az utó keringetéssel. Van ott jelentős fémtömeg, és ha megáll a víz keringés megszűnik a folyamatos hűtése az égéstérnek.
Egy ismerősöm régebben nem hitt nekem. Felfűtötte a rendszert rendesen ahogy üzem közben van , és nem kikapcsolta a termosztátot hanem csak kihúzta a kazánt a konnektorból. Némi sistergés után megrepedt a hőcserélőnél. (Zárt rendszere volt, nem nyílt tágulási tartályos) A hozzászólás módosítva: Nov 17, 2021
szerintem rosszul van bekötve!??
A vezérlőnél 7 kék 8 zöld/sárga 9 fekete mmg pt 102 1 kék (itt N van feltüntetve) 2 fekete ( itt L feltüntetve) 4 zöld/sárga a glimm folyamatosan világít. ha nem megy a kazán akkor is. Idézet: „Kondenzátoros panel esetén az utókeringetés csak addig megy, míg a vizet le nem hűti. Persze ha másképp van bekötve....” Ezt hogy oldja meg ez a panel? Minek van az elektronikus panelen időzítő, ha egy kondenzátor is elég? A hozzászólás módosítva: Nov 17, 2021
|
Bejelentkezés
Hirdetés |














