Fórum témák

» Több friss téma
Fórum » Feszültségszabályzó motorba
Lapozás: OK   53 / 58
(#) Mukee hozzászólása Márc 20, 2021 /
 
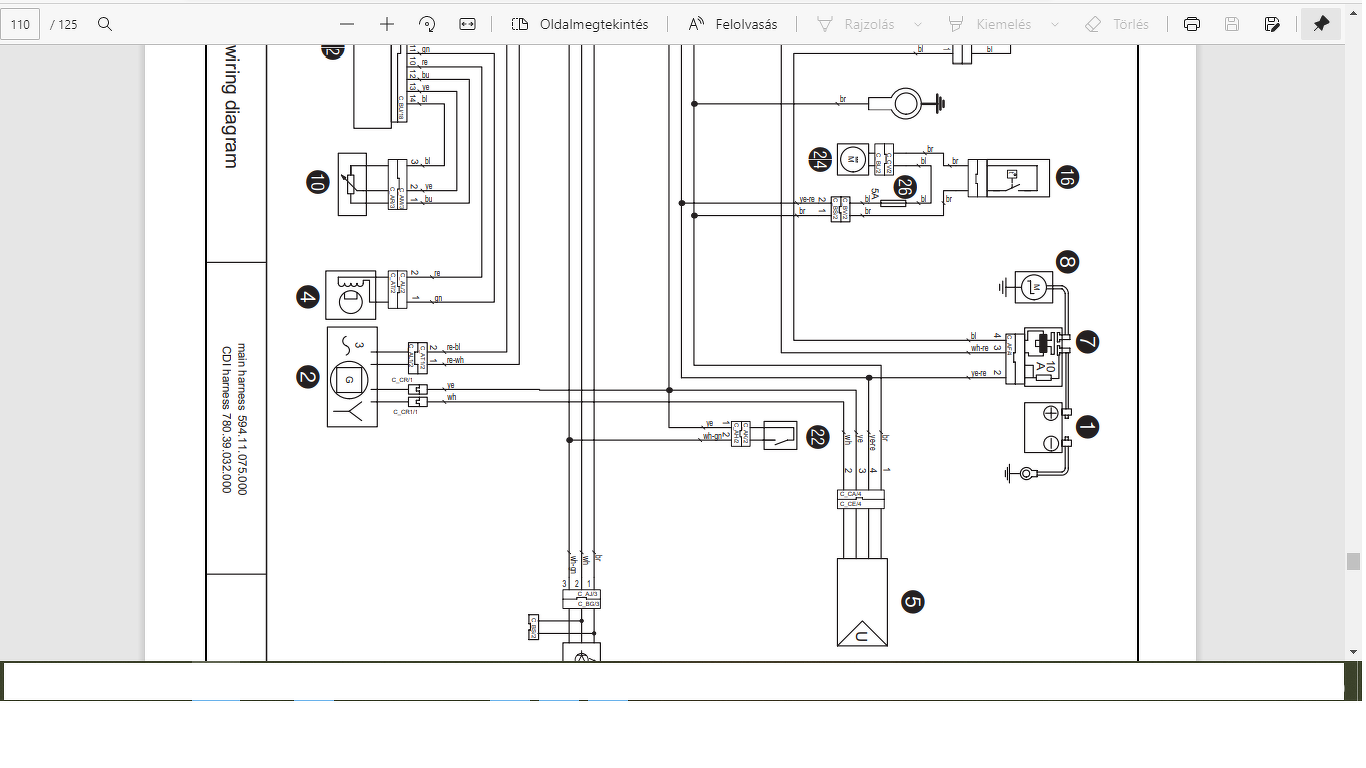
Sziasztok! A motoromon a hűtőventilátor bekapcsolása miatt lassabban tölti az akksit a generátor, emiatt sokszori inditás után nem teker az önindító. Az akksi új és minőségi. Próbáltam keresni megoldást hogyan lehetne megoldalni még egy fesszabályzó nélkül a dolgot. Akinek van ötlete légyszi segítsen. A kapcsolási rajzot melléklem. 24 a ventilátor.

exc.png
    
(#) szikorapéter válasza Mukee hozzászólására (») Márc 21, 2021 /
 
Szia, ezek szerint vizes hűtésű a motor. Azt kellene megnézni hogy a hőgomba ami a ventilátort indítja (vagy a blokkban, vagy a hűtőborda aljában lesz) megfelelően működik-e , tehát x hőnél be illetve kikapcsolja-e a ventilátort.
Elméletileg nem szívhatná le az akkut, főlg mivel ezek kis teljesítményű (30W-50W) körüli motorral vannak szerelve.
(#) Mukee válasza szikorapéter hozzászólására (») Ápr 1, 2021 /
 
Szia! Amit irtál teljesen egészében Így van. Ha motor leáll a ventilátor megy még. Önidító viszont alig teker. Az akksi új.
Ezért szeretném kikerülni az akkumulátort. Nem találok semmi lehetőséget hogyan köthetném be függetlenül az akksi nélkül, sztem egy másik fesszabályzó+egyéb egyenirányítás megoldható lenne.
Az elöbbit viszont nem szivesen alkalmaznám. Remélem tud valaki segíteni egyszerübb megoldásban.
(#) szikorapéter válasza Mukee hozzászólására (») Ápr 1, 2021 /
 
Nézz először is egy akku feszt.
Aztán ha az rendben van az akkutól az önindítóig nézz át mindent, nekem volt hogy az önindító relé szívatott (1994-es VT1100), nem érintkezett normálisan, nem volt hajlandó indítani. Az önindító gombbal is jártam így (kormányon Start gomb), el volt koszolódva (LS650), tud azért szívatni ott ahol tud.
(#) ITI47 válasza Mukee hozzászólására (») Ápr 1, 2021 /
 
Szia!
" Ha motor leáll a ventilátor megy még." Miért? A ventilátornak a legritkább esetben kell mennie. Normál körülmények között sosem megy. Azt derítsd ki hogy miért megy, mikor nem kellene.
(#) kissattila88 hozzászólása Ápr 14, 2021 /
 
Tudna valaki segíteni hogy honda cbf 600 2006 motor feszültségszabályzóról holtalalok kapcsolási rajzot.
(#) XND hozzászólása Szept 11, 2021 /
 
Sziasztok.
Egy veterán simson starban sérült volt a töltőtekercs. Újat tekercseltünk,de már 12 Voltra. Ehhez kérnék feszültségszabályzó rajzot,ha tudna valaki. Köszönöm.
(#) ITI47 válasza XND hozzászólására (») Szept 12, 2021 /
 
Szia!
Nem érdemes bütykölni, mikor készen is lehet kapni. Ezt az egyenirányító-feszültségszabályzót 1500 Ft-ból meg lehet csinálni. 3A-ig terhelhető, a feszültséget a kék potméterrel lehet beállítani. A motoromon is ilyen van, a ledes világítás megy róla:

P1080679.JPG
    
(#) XND válasza ITI47 hozzászólására (») Szept 14, 2021 /
 
Köszönöm.Hol lehet megvenni,vagy megrendelni? Gondolom az akku töltést is elvégzi.
(#) sznyeg válasza ITI47 hozzászólására (») Szept 14, 2021 /
 
Azért megy a hűtő ventillátor, mert az a dolga, hogy a forró motort lehűtse és ne főjenek meg a tojásaid a nadrágban, amikor visszaülsz a hiányában örömlánymód átforrósodott ülésre.
Igen, főleg a Hondákban, határra van méretezve a töltés is illetve minden kötés anyaga egyre silányabb, emiatt előfordulhat az említett hibajelenség. Nem tudsz vele igazán mit csinálni azon kívül, hogy amikor tudod, külső töltővel töltöd az akkut, amíg a hibát megtalálod.
Lehet egy leoxidálódott kötés akár bárhol a motoron a töltés útjában, vagy egy oxidált testpont, akkusaru....
(#) ITI47 válasza XND hozzászólására (») Szept 14, 2021 /
 
Én a barátom boltjában vettem 1000 Ft-ér az LM2596 DC-DC konvertert. Ott vettem meg a diódát és a kondenzátort is, ami még kell az egyenirányításhoz. A neten itt találtam meg:
Cégnév: Caxtool Kft.

Székhely: H-6791 Szeged, Dorozsmai út 157.
Sajnos itt van szállítási költség, ami több, mint a konverter.
Ha savas akkut akarsz vele tölteni, akkor a kimenő feszültséget 14,4V-ra kell beállítani.
(#) Norbi7997 hozzászólása Okt 1, 2021 /
 
Sziasztok

Olyan problémám állt elő hogy nincs töltés. Jobban mondva túltöltés van… Rendeltem egy feszültségszabályzót de azt amikor beraktam akkor meg egyáltalán nem volt töltés valószínű hogy rossz feszültségszabályzót küldtek nem tudom… Esetleg ötlet? Rá mértem a váltó áram ami közvetlenül a blogból jön ki (alaplapról) ott fordulaton ~55v van gondolom abból kellene 14 V-os egyenáramot előállítania…?
Azóta megjött egy új feszültségszabályzó azzal is ugyanez a problémám.
Derbi Senda 50.
Válaszokat előre is köszönöm
(#) mex válasza Norbi7997 hozzászólására (») Okt 1, 2021 /
 
Ha típusazonos az új szabályzó, és az első perctől kezdve nem működik,akkor bekötési hibára kell gondolni. Szükség lenne a szabályzó fotójára, típusára, és a Senda évjáratára, elktromos rajzára is a hiba behatárolásához. Ezek nélkük csak találgatni lehet, ami ritkábban vezet eredményre.
(#) mhatalyak hozzászólása Jan 5, 2022 /
 
Sziasztok! Boldog újévet mindenkinek!

A problémám a következő lenne: Kinéztem egy ILYEN akkumulátort a motoromba.
A motor kapcsolási rajza: ITT található.

Ezzel még nagy gond nem is lenne, viszont én az akkut nem is önindítóra szeretném használni, leginkább azért, mert nincs is rajta, hanem pufferként. Illetve ha nem jár a motor, akkor a helyzetjelzők és a műszerfal üzemelne róla, ami nagyjából 500mA-t vesz fel összesen.

Sajnos a gyári feszültségszabályzó tudtommal nem úgy van kitalálva, hogy a szabályzott, akkura menő szál terhelhető legyen. Az "izzóvédelem" van jelenleg csak bekötve, tettem rá próbaképp soros diódával egy 30.000µF 16Vkondit, ami gyönyörűen kisimítja a feszültséget, viszont ha lekapcsolom a lámpát, akkor azonnal elkezd felszökni a feszültség, nem terheli annyira a helyzetjelző.

A motoron minden világtás LED-es.

Létezik erre valami megoldás? Ha szükséges akkor esetleg egy teljes terhelés alatti áramfelvételt megpróbálok mérni, ami a tekercsből jön egyből, bár nem lehet túl sok, tekintve a tekercs teljesítményét.
(#) szikorapéter válasza mhatalyak hozzászólására (») Jan 5, 2022 /
 
Szia, én méreteznék oda egy teljesítmény ellenállást hacsak nem akarod a helyzetjelződ (aminek amúgy is mindig világítani kell) hagyományos izzósra lecserélni.
(#) ITI47 válasza mhatalyak hozzászólására (») Jan 5, 2022 /
 
Én savas akku helyett 3 db. LI-Ion akkut ajánlanék (18650). Feltöltve 12,6V 2,6 Ah-s. Töltés nélkül 5,2 órán át bírná az 500 mA-t. Az én motoromban is olyan van. Lomis piacon vettem használt laptop akkupakkot 500 Ft-ér, amiben a 8 akkuból 6 db teljesen jó volt.
Töltőnek vettem egy DC/DC konvertert, amire egy diódán keresztül 1000 mikrós 40V-os elkóval simítva adtam egyenáramot a generátorból. Fontos hogy az egyenirányított feszültség 40V alatt maradjon, mert többet nem bír el a konverter. Képet az összeállításról láthatsz, ha visszalapozol (Szept 12, 2021). A konverter 3A-t tud, a kimenő feszültségét 12,6 V-ra kell állítani a Li-Ion akkukhoz. Nálam az összes led fogyasztása 1A alatt van, a konverter csak kicsit langyos.
(#) mhatalyak válasza ITI47 hozzászólására (») Jan 5, 2022 /
 
Gondolkodtam még RC dolgok akkuján is, ami ugye ugyanúgy Li-ion, leginkább a minimális helyigény lenne a cél.(Vannak is itthon celláim) Viszont ez a DC-DC konverteres dolog még eddig eszembe sem jutott. Viszont itt nem lehet gond az, hogy mondjuk az akkupakk töltőárama akár a többszöröse is lehet, mint amit a cellák tolerálnak?
(#) ITI47 válasza mhatalyak hozzászólására (») Jan 6, 2022 /
 
Ha a cellánkénti max töltőfeszt (4,2V) nem lépi túl az össz töltőfeszültség (12,6V), akkor semmi baja nem lehet az akkuknak. A DC/DC konverter kapcsolóüzemű, ezért alig melegszik, a 3A max töltőáram bőven elegendő mind a világításra, mind az akkuk töltésére, ha jár a motor. A töltőfeszt a kis kék potméterrel lehet beállítani, fontos hogy semmilyen körülmények között ne menjen a feszültség 12,6V fölé. Ezt terhelés nélkül kell beállítani.
(#) Diwi hozzászólása Feb 16, 2022 /
 
Sziasztok!

Robi 155 kerti traktorra szeretnék led világítást kialakítani, ha megoldható akksi nélkül. Előre egy nagyobb lámpa, utánfutón helyzetjelzők. Világítótekercs: 6V 17W.
Milyen eszközökre van szükség? Esetleg létezik kapcsolási rajz?

Köszi! Üdv.
(#) ITI47 válasza Diwi hozzászólására (») Feb 16, 2022 /
 
Korábbi Hsz-emben írtam erről, meg képet is tettem fel ( Szept 12, 2021). A motoromon ilyen van, elöl 6W-os, hátul 2W-os ledek. Nagyon jól világítanak. A motorom gyárilag szintén 6V 17W-os.
(#) ITI47 válasza Diwi hozzászólására (») Feb 23, 2022 /
 
Szia!
Sokkal egyszerűbb, mint gondolnád. Tudok segíteni.
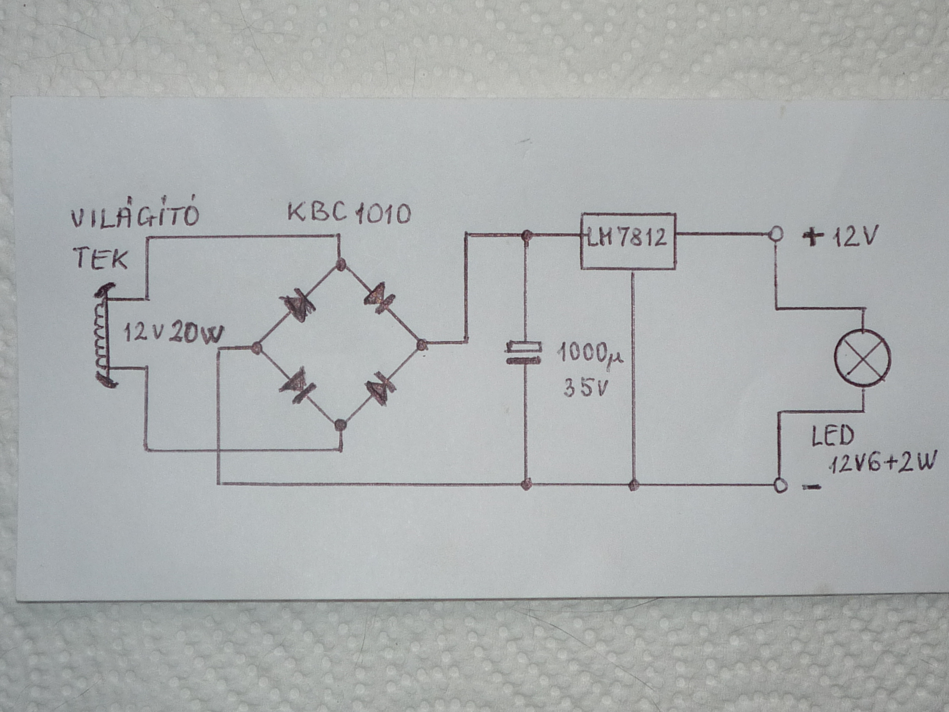
(#) ITI47 válasza ITI47 hozzászólására (») Márc 17, 2022 /
 
Kiegészítés a Hsz-emhez: Kapcsolási rajz, valamint az egyenirányító-konverter kapcsolási rajza, és végül ezek kellenek a világításhoz. Valamint a világítás kapcsoló, más nem. Annyit tudni kell hogy akku nélkül alapjáraton a ledek kissé villognak, de kis gázadásra már fényesen világítanak.
A hozzászólás módosítva: Márc 17, 2022
(#) SteveBrownJr válasza ITI47 hozzászólására (») Júl 6, 2022 /
 
Szia!

Megihletett a kapcsolásod. Én a Simson Starom generátorát szeretném átalakítani így, két töltőtekercs párhuzamba kapcsolásával de a normál izzók meghagyásával. Szerinted ez működőképes lehet? A tekercsek nincsenek a vasmagra testelve, két kivezetésük van.
A hozzászólás módosítva: Júl 6, 2022
(#) ITI47 válasza SteveBrownJr hozzászólására (») Júl 6, 2022 /
 
Szia!

A rajz alapján elvileg jó lehet. Csak azt nem értem miért ragaszkodsz a hagyományos izzókhoz. A ledes világításnak pont az a lényege hogy sokkal kisebb teljesítménnyel lényegesen erősebb fényt lehet elérni és akku sem kell hozzá. Az előző képen látható 6W-os bilux lednek erősebb a fénye, mint egy hagyományos 35/35W-os halogén izzónak. Ráadásul fehér fényt ad, amit észrevesznek az autósok.
Csináltam ledes indexet is, több éve működik a motoromon. Mindössze 2 db. Li-Ion akkuval működik, amit fél évenként kell tölteni, a kis fogyasztás miatt.
(#) SteveBrownJr válasza ITI47 hozzászólására (») Júl 6, 2022 /
 
Ennek az az oka, hogy biztosra akarok menni, nehogy elszálljon a primer oldali feszültség. Ezek a LED izzók E jelesek egyáltalán?

Ha van tapasztalat valamilyen túlfeszvédelmi elektronikával akkor azt meghallgatom szívesen.
(#) szikorapéter válasza SteveBrownJr hozzászólására (») Júl 6, 2022 /
 
Ezt a multkor letárgyaltuk.
Az "E" jeles izzók az első lámpatestbe, esetleg féklámpa/helyzetjelzőnél fontosak mind szín mind típusra, irányjelzőnél lehet eltérő + ha esetleg szerelsz fel egyéni helyzetjelzőt.
Sajnos általánosságban az a tapasztalat hogy ha az irányjelződben nem "E" jeles az izzó (márpedig oda nem kötelező csak a színmegkötés), akkor is rossz szemmel néz a hatóság.
(#) SteveBrownJr válasza szikorapéter hozzászólására (») Júl 6, 2022 /
 
De irányjelzőnél könnyebb a mofakeres bimetálos relét használni és rendes izzót mint szórakozni a ledes megvalósítással.

Feszültségvédelemre mit ajánlotok?
(#) szikorapéter válasza SteveBrownJr hozzászólására (») Júl 6, 2022 /
 
Az a baj hogy túlfesz védelem itt nehézkes, inkább a szabályozón múlik az egész, sajnos ma is a komolyabb gépeknél is örök dilemma a fesszabályozó kérdése...
Gyártanak már magyarban mos-fetes fesszabályozót az állítólag nagyon jó, nekem mindkét nagy gépben még a gyári van , és néha borzasztóan melegszenek.
(#) SteveBrownJr válasza szikorapéter hozzászólására (») Júl 6, 2022 /
 
Nagymotoroknál is ilyen "tirisztoros" feszültségszabályzók vannak?

Azt hittem ott már rendes generátor van és a gerjesztést szabályozzak.
(#) ITI47 válasza SteveBrownJr hozzászólására (») Júl 6, 2022 /
 
Sokkal egyszerűbb a megoldás, mint gondolnád. Nem kell semmilyen elektronika, hanem a generátor teljesítményét kell illeszteni a fogyasztáshoz. Ledes világítás esetén az össz fogyasztás 8W, ehhez kell a generátor teljesítményét csökkenteni max 15W-ra. Ezt úgy lehet egyszerűen megoldani hogy a vasmagos tekercs lemezeiből ki kell fűrészelni annyit hogy egy 12V 15W-os izzó világítson, de ne égjen ki max fordulaton. Az E jelöléssel ne foglalkozz, a Te motorodon semmi sem E jelölésű.
A tekercs ilyen a motoromban, az egyenirányító fesszabályzó rajza meg ez:
Következő: »»   53 / 58
Bejelentkezés

Belépés

Hirdetés
XDT.hu
Az oldalon sütiket használunk a helyes működéshez. Bővebb információt az adatvédelmi szabályzatban olvashatsz. Megértettem