Fórum témák
» Több friss téma |
Az elv tetszik, csak olyat szeretnék aminek a kijelzőjét egy esztétikus dobozba bele tudom rakni a mondjuk a kapcsoló fölé.
Mondjuk egy ilyen kijelzővel: https://www.hestore.hu/prod_10031076.html
Sziasztok!
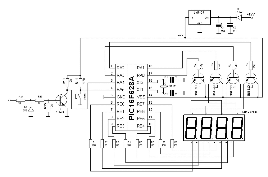
Megépítettem ezt a kapcsolást, ráköthetem a bemenetét a gyújtó trafóra? Köszönöm
Ha a primerre gondolod, akkor szerintem igen.
Ha annyi hengeres a motor, amire a PIC SW meg van írva, akkor az érték is jó lehet, amit mutatni fog.
Arra gondoltam, köszi. Lehet a nyomógombal állítani.
Simsonra kell!
Még annyi, hogy a rajzon a 7805 be és a kimenet fel van cserélve, remélhetőleg a nyák nem ennek megfelelően van kialakítva. Valamint a +5 V-ra is illik legalább egy 100 nF.
Kész van, működik mindkét változat!
Nem szeretem a multiplex meghajtást, ha valami járműbe szánják az eszközt!! Meg egyébként se... Remegéstől vagyon vacak lesz a "kép" pl. egy motoron!
A hozzászólás módosítva: Jún 12, 2022
Sziasztok!
Egy kézi fordulatszámmérő építésén gondolkodom. Láttam gyári kivitelt ahol egy állítható frekvenciájú stroboszkóp villogott és mikor a tengelyen a jel megállni látszott akkor a villogás szinkronban volt a fordulatszámmal. Nagyfényű ledeket villogtatnék, és visszajelezném a frekvenciát amiből már tudható is a fordulatszám vagy épp egyből átszámítható lenne RPM be. Pic programozásban nem vagyok valami erős maximum kész programot tudok beégetni. 3000rpm és az alatti frekvenciákat mérnék vele, pl leolvashatatlan adattáblájú villanymotor fordulata stb. Valaki épített már hasonlót? A hozzászólás módosítva: Nov 4, 2022
Ha megelégszel a szemrevételezés pontosságával, (az is elég pontos) akkor másold le a gyárit.
Állítható frekvenciájú astabil multivibrátor (555) + nagy fényerejű LED megfelelő meghajtóval. A tengely palástjára húzol filctollal egy csíkot, és kész. A frekvencia állító potmétert közvetlenül fordulatszámban kalibrálhatod. A váltószám 60. 3000 rpm (1/perc) --> 50 Hz (1/sec). Bonyolíthatod a dolgot, ha a LED helyett egy reflex optót használsz, és a fényérzékeló oldalra készítesz egy frekvencia mérőt, amelyet számláló üzemmódban használsz. Ha a kapu idő 1 perc, akkor pont az rpm fordulatszámot mutatja. Természetesen a tengelyre húzott csíkot folyamatosan kell megvilágítani. Egy mikrovezérlővel persze lehet olyan szerkezetet is építeni, ahol az eredményre nem kell egy percet várni, de ezzel a pontosság is csökken. A hozzászólás módosítva: Nov 5, 2022
Lajos 1969 fordulatszámmérője akár jó is lehetne az érték kijelzésére. Csak akkor nem a gyujtotraforol veszem a jelet hanem a led driverről. Szerintem a szemrevételezés pontossága elegendő lehet.
Sajnos ezt a lay filet nem tudom megnyitni Sprint Layout 5.0 val. Valaki tudna nekem ebben segíteni?
PDF-ben megfelel.
Köszönöm! Épp megoldódott. Beszereztem a 6.0 verziót az már megnyitja
Elkészítettem a Lajos 1969 fordulatszámmérőjét, működik is de nemigazán vagyok vele megelégedve. Ez inkább csak egy saccoló. 50 et ugrik egyszerre. Nincs esetleg valakinek valami precízebb szoftvere ehhez?
Vagy esetleg valaki aki tudna írni egy normális szoftvert hozzá?
Szia! Cikkek között ( MCU - PIC ) van egy fordulatszámmérő esztergára amit én követtem el.
Annak is a korábbi fordulatszámmérőm az alapja. Abból is el lehet indulni, de ennek az elődje jobban megfelelhet Neked. A régi program itt van.
Köszönöm!
|
Bejelentkezés
Hirdetés |










