Fórum témák
» Több friss téma |
Idézet: Ezzel van még itt baj szerintem. Tökéletesen ismerős a dolog, akkor zúg az ember feje hosszútávon ha valami még nem oké az erősítővel. „Tegnap kétszer kikapcsoltam mert már zúgott a fejem” Idézet: És akkor ehhez vedd hozzá még azt, hogy ellenállásban a Vishay csak kb. belépő szint, a "nagy" nevek közt meg sem említik, a hificollective nem is árulja.„ezek a Vishay-ok úgy tűnik jobb hanúak, mint a Yageo-k” Farnell. Csak a brexit előtt vásároltam tőlük, de bizonyos tekintetben az egyik legjobb cég volt, leszámítva azt, hogy némely dolog ott aranyárban van. Megrendeltem mondjuk kedd délelőtt amit akartam, és szerda délután itt volt vele a futár a ház előtt. Mindezt 1400Ft-os díjért. Akkoriban egyetlen hazai webshop sem tudta ezt utánuk csinálni! Manapság meg ne tőlük rendelj közvetlenül hanem az fdh-tól, nyilván rajta van az ő hasznuk is, de nem lesz rajta vám. Egyszer kérdeztem tőlük, úgy hetente de inkább két hetente rendelnek a farnelltől, szóval ha olyat veszel ami épp nincs náluk akkor arra várni kell, vagy ha sürgős fizeted a felárat.
Az alábbiakat próbáltam, egy visszacsatoló hálózat tagjaiként ( tehát az osztó mindkét tagja ):
MELF preciziós ellenállások ( 1206 méretű ): Vishay Beyschlag MMA0204 ± 0.1% ± 15ppm/°C Vishay Draloric SMM0204 ± 0.1% ± 25ppm/K Welwyn WRM0204 TCR ± 15ppm/°C preciziós SMD ellenállás ( 1206 méretű ): Panasonic ERA8A ± 0.1% ± 10ppm/°K Ezek között is jelentős hangzásbeli különbséget tapasztaltam. Valamint ugyanitt furatszereltet bepróbáltam: Audio Note Tantalum 1W Yageo MF0207 0,6W Más pozíciókban pl.: Allen Bradley carbon composite, Takman carbon composite, Takman fémréteg, Vishay VAR, Vishay Beyschlag, R534, stb Sokféle hifista-diyerek számára gyártott mitikus alkatrész létezik, mindenféle csodás hangi tulajdonsággal....többnyire valamilyen sajátos, ilyen-olyan hangkarakterrel Ha a - talán konszenzusosan - "legjobb" furatszerelt ellenállást keressük, akkor az egyik - műszaki szempontból is extrém jó - a Vishay VAR lehet: https://foilresistors.com/docs/63140/var.pdf A hozzászólás módosítva: Nov 26, 2023
Azért ha feszült is vagy kicsit, meg koncentrálni is kell arra, hogy mit hallasz, abba el lehet fáradni úgy 4-5 óra elteltével. Ezzel nem azt akarom mondani, hogy ez az erősítő tökéletes, mert nyilván nem az, de valamilyen irányban fejlődik. Legalábbis változik : )
Tisztában vagyok vele, hogy bármit teszek bele, az neked sose lesz elég jó. Nekem ez megfelel és nem vagyok hajlandó többet költeni ellenállásokra a továbbiakban. A Yageo-val sem szól rosszul egyáltalán, mondjuk úgy 1-2 orto lett a javulás... ezt mással is elő tudtam idézni. Arról nem beszélve, hogy ez most gondosabban megtervezett "gyári" nyákon van, rövidebb jelutakkal. A Yageo-k is jobban szóltak volna ezzel a nyákkal. A Farnell-től most rendeltem először és utoljára, akinek kedve van hozzá próbálkozzon velük. A Mouser ingyen szállít és vám sincs.
Itt mV nagyságrendű jelszintek vannak, a teljesítményt felesleges növelni szerintem.
Majd ha a végfokra kerül a sor, szeretném kikérni ez ügyben a véleményedet.
Az interneten megtalálható a releváns információ, érdemes megkeresni....
Az ellenállások torzításában szerepet játszik: Temperature coefficient of resistance (TCR), Voltage Coefficient of Resistance (VCR), Thermal EMF, stb mérések pl: https://convexoptimization.com/TOOLS/SimonVishay.pdf https://pub.dega-akustik.de/ICA2019/data/articles/001261.pdf stb
Már megint félreértesz, de már hozzászoktam hogy azokat az írásaimat is kötekedésnek veszed amik nem azok. Csak ugye, mezei olvasónak nehezen megy át az, hogy az hogy is van akkor, hogy ha folyton műszaki oldalról próbálunk valamit magyarázni, jobbítani, stb, akkor pl. ellenállásoknál meg ez simán figyelmen kívül van hagyva. Nézd meg a Vishay melf adatlapját, az ajánlásoknál ilyenek vannak hogy: automotive, telecommunication, industrial, medical equipment, az audio sehol még csak meg sincs említve. A nevezett oldalon meg olyan ellenállások vannak amiket évtizedek óta csak audio felhasználásra terveznek és gyártanak. Végül is, figyelmen kívül lehet ezt hagyni, csak hát akkor ennyiből bármi mást is.
És akkor a végén tényleg eljutunk oda, hogy az LM3886 a világ legjobb erősítője.
Shany listáján is rajta vannak ezek a Melf-ek. Azért választottam ezt, mert ezekből kaptam kb. 3000 db-ot ajándékba mateatektől. A hiányzó értékeket vettem meg egy kisebb vagyonért.
A véletlen úgy hozta, hogy mzperx is megmérte ezeket és a harmadik legjobban szereplő ellenállás a grafikonján... (amit már kétszer kitettem és "shany" is valamelyik nap). De ha újra megnézed shany listáját, ott van a legfelső sorban az MM széria. A hozzászólás módosítva: Nov 26, 2023
Idézet: „A Farnell-től most rendeltem először és utoljára, akinek kedve van hozzá próbálkozzon velük. A Mouser ingyen szállít és vám sincs.” Gyors ( < 1hét ),értékhatár nélküli rendelés, eredeti árakon plusz ~ 2500Ft szállítási költség: Farnell: http://fdh.hu/open Mouser: https://www.mausel.eu
Reggel írtam, hogy nem érkezett meg a Farnell-től rendelt csomagom. Azt írták rendeljem meg újra, fizessem ki még egyszer és várjak, hogy megérkezzen. A pénzem kértem vissza, mire azt a választ kaptam, hogy 15 napon belül visszautalják. Ez az idő már letelt. Újra (közvetett) kapcsolatba léptem velük (mivel nem beszélek angolul). Újra azt írták emailben, hogy másik 15 napon belül visszautálják. Most erre várok.
Nem az a "pár forint" hanem ez a magatartás bosszant. Az UPS-nál először azt mondta a hölgy (magyarul), hogy kikézbesítették csak nem voltunk itthon - ami nem igaz. A csomagkövetés szerint a csomag eltűntnek lett nyilvánítva. Tehát nekem ez elegendő tanulópénz volt a Farnell-t és az UPS-ot illetően. Más futár céget nem lehet választani a Farnell-nél. Ezen a PC-n, ami nekem van, itt nem.
Azért manapság nem túlságosan nagy erőfeszítés elérni a nettó 15000Ft-ot egy rendelésnél, azt hiszem...
Idézet: „...Tehát nekem ez elegendő tanulópénz volt a Farnell-t és az UPS-ot illetően. Más futár céget nem lehet választani a Farnell-nél. Ezen a PC-n, ami nekem van, itt nem.” Az említettek nem futárcégek, hanem kereskedők, viszonteladók....de hagyjuk. A hozzászólás módosítva: Nov 26, 2023
A farnelles rendelést ha lesz még úgy érdemes csinálni, hogy kiválasztod farnell oldalán amit akarsz, ott annak van egy rendelési kódja, azt a kódot bemásolod az fdh keresőjébe és ott már látod a többit. Pl. a 3975578RL kód.
Ami a Farnell-nél van, az a Mouser-nél is. ECE SSR egyiknél sincs.
Az összes létező bolttal (kereskedővel, viszonteladóval, futárral) elégedett voltam és soha senkinél nem fordult még elő, hogy előre kifizetek valamit és nem kapom meg a rendelésem. Szerintem eléggé kiveséztük ezt a kérdést.
Ezek között is jelentős hangzásbeli különbséget tapasztaltam.
Sokféle hifista-diyerek számára gyártott mitikus alkatrész létezik, mindenféle csodás hangi tulajdonsággal....többnyire valamilyen sajátos, ilyen-olyan hangkarakterrel. Könyörgöm: A lényeg? 42
Újabb hobbi nyák a hobbi erősítőbe ...
Újra HEC. Aludtam rá még néhányat, hogy tovább ülepedjenek a dolgok. Sokat hallgatom újabban a láncom, minden este 2-3-4 lemezt beteszek háttérzeneként... figyelek is rá meg nem is. Néha leülök elé, de inkább csak akkor ha tesztelek valamit. Összességében elégedett vagyok a hangjával, de hallom a hibáit is. Nem a világ legjobb erősítője, de most jól együtt van benne minden. A "Burgum" több, mint egy éve szól módosítás nélkül. Egyszerűen nem merek belepiszkálni, mert félek, hogy elrontom. Újra építem, de mindent meghagyok benne amiről úgy érzem, hogy jó ahogy most van.
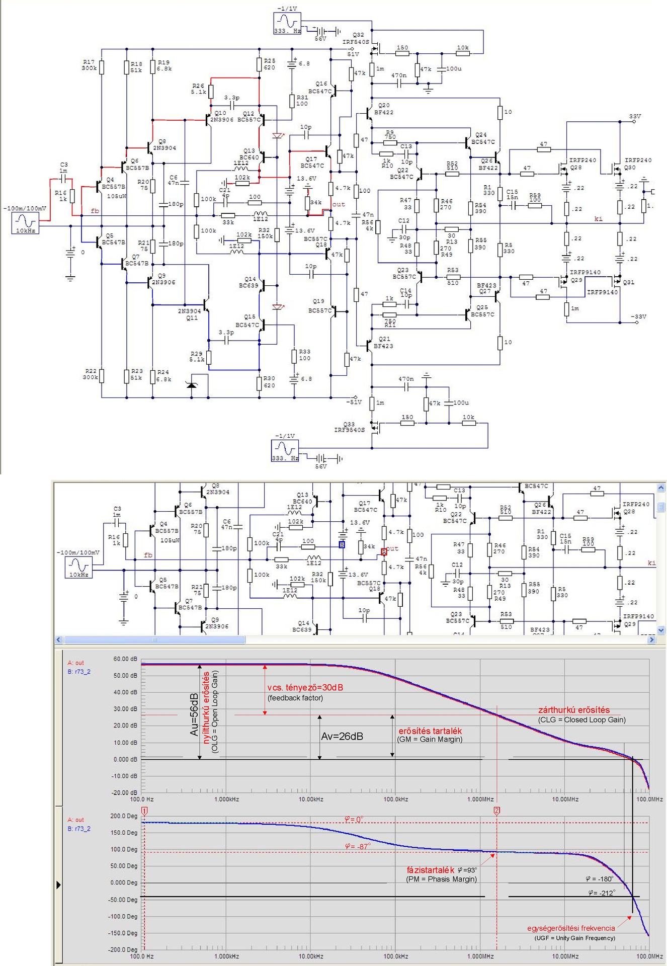
Tehát marad a HEC apró "finomításokkal" és majd jobb alkatrészekből lesz. Marad a feszültségerősítő fokozat alapkapcsolása, de beleteszem a Hawskford kaszkódot a VAS-ba és kiegészül a HEC bemenete (illetve a VAS kimenete) egy emitterkövetővel. Ezzel a két módosítással kb. 40dB-lel csökken a feszültség erősítő fokozat torzítása. Az előerősítővel játszadozva azt tapasztaltam, hogy a bemenettől a kimenet felé haladva egyre kevésbé vannak hatással a hangzásra a jobb alkatrészek. Tehát a bementi impedanciaillesztőben minden apró módosítástól drasztikusan változik a hangkép, míg a második fokozattal, vagy a kimeneti fázisfordítóval már akármit csinálhatok, ugyan úgy szól (persze ez így most le van sarkítva kicsit, de érdemes figyelni rá). Ezt szem előtt tartva, a végfok legfontosabb fokozatának is a bemeneti impedanciaillesztőt gondolom. Most lehet, hogy hülyeséget írtam, de így érzem. Megérzés. De lehet, hogy tévedek. Minden esetre ezt a 3 tranzisztoros jFET bemenetű fokozatot egyáltalán nem fogom elpiszkálni. Vagy csak kicsit : ) Most egy kis szimulációval egybekötött tudálékoskodás. Volt néhány fogalomzavar a fejemben, de már kezd kitisztulni a kép. Azért nem annyira egyszerű dolgok ám ezek, eléggé bele kell ásnia magát az ember gyerekének, aztán már hót egyszerű... de ez mindennel így van. Talán attól lesz első látásra bonyolult egy visszacsatolókör analízise, hogy háromféle megközelítésben szemlélhetjük. Nyílthurokban, zárthurokban és önmagában csak a hurokerősítést. A nyílthurkú erősítés Bode-jában nem látjuk a zárthurkú erősítést. Ezt oda kell képzelni. A valóságban/gyakorlatban tudjuk mekkora, mert meghatározzák a visszacsatolókör ellenállásainak arányai. Tehát be lehet rajzolni utólag a Bode-ba. Ez a legáttekinthetőbb és egyben a legáttekinthetetlenebb Bode, de mindent (is) jól megmutat. A hurokerősítés Bode-ja a legegyszerűbb. Ez csak a visszacsatolási tényezőt mutatja és a fázis- illetve erősítéstartalékot. Ennyi a legtöbb esetben elég a stabilitás vizsgálatához. A visszacsatolt (zárthurkú) erősítés Bode-ja (mondhatni) teljesen haszontalan. Akkor van jelentősége, ha "bele akarunk nézni az erősítő belsejébe". Ekkor látjuk, hogy a frekvencia és a kivezérlés függvényében mekkora feszültségszinten, mekkora relatív áramváltozással dolgoznak az egyes fokozatok. Ez persze nagyon fontos torzítás- és minden egyéb szempontból. Régebben felmerült ezzel kapcsolatban egy kérdés - egy dilemma -, hogy zárthurokban meghaladhatja-e egységerősítési frekvencián a fázistolás a -180 fokot. Meg. Minden további nélkül. A hurokerősítés Bode-je a mérvadó a stabilitás-vizsgálathoz. Idézet: Amikor az erősítő stabilitására a közvetlen ( kimeneti szűrőtag előtt ) kimeneten vizsgált négyszögjel túllövéséből következtetünk, akkor valójában a visszacsatolt erősítő zárthurkú frekvenciamenetének a legfelső tartományát, a zárósáv karakterisztikáját, mint egy alulátersztő szűrőt vizsgáljuk. Ha pl. kiemelés van itt, az túllövést okoz a négyszögjelben. „...A visszacsatolt (zárthurkú) erősítés Bode-ja (mondhatni) teljesen haszontalan....”
Igen, ez alap. Régebben próbáltam visszaszámolni a zárthurkú erősítésből a fázistartalékot, de csak olyan "sacc/kb" eredményt ad, nem mindig pontos.
Durván meg lehet becsülni szemre is a négyszögjel átvitelből, hogy kb. mekkora a fázistartalék, de ha nagyon szőrözni akarunk akkor csak a nyílthurkú- vagy a hurokerősítésből lehet fokra pontosan megmondani. A nyílthurkú erősítést mérni is tudjuk, bár néha sokat kell "trükközni" hozzá, de a hurokerősítést csak a szimulátorral lehet kiszámoltatni. Ha a következtetéseim helyesek (ami nálam sosem biztos).
Köszi, érdekesnek tűnik, letöltöttem. Már nagyon felszaporodtak az olvasnivalók... hangulat kell hozzá, de majd lesz az is.
Azt gondolom a másodfokú rendszer transzfer függvényeit már rég kiszámolták/felrajzolták, aztán ennek különböző variánsait újra kitalálják. A végfokoknál szerintem annyit kell még figyelembe venni, hogy a komplex terhelés egy pólust visz be és a rendszernek ennek ellenére is stabilnak kell maradnia. Persze rengeteg az "egyéb" változó amit még figyelembe kell venni. Aztán itt vannak a kedvenceid, a kompozitok és mzperx kedvencei a többpólus kompenzációk. Ezek már nem annyira egyszerű szerkezetek, de még ebben az életemben szeretnék foglalkozni velük (ha ezen a HEC-en túl leszek). Lehet, hogy meg fogják haladni szerény képességeimet, de próbálkozni ettől még lehet. A hozzászólás módosítva: Dec 12, 2023
Azért még néhány villámszimulációt kiteszek a torzításról, ha már belekezdetem ebbe az egészbe, de ezt inkább csak játszásiból.
Azzal a "kettős-tüskével" továbbra sem tudok mit kezdeni és kicsit el is vagyok bizonytalanodva, hogy vajon füllel érzékelhető-e 10 kHz ötödik felharmonikusa, ha az -80dB-lel van a jelszint alatt. Ha maradok az eddigi álláspontomnál - és tartom magam ahhoz a kijelentésemhez, hogy minden "apró" tranziensre érzékeny az ember füle - akkor igen. Tehát valahogy tovább kellene csökkenteni, ha eltűntet nem is lehet. A hozzászólás módosítva: Dec 13, 2023
Nem tudom kinek mi a tapasztalata, de a szimuláció nagyon sok mindenre jó, pl. ha jó a modell, akkor ugyanazt látom a megépített panel esetében az oszcilloszkópon mint a szimulációban.
Viszont a THD mérésre ez nem igazán teljesül, lehet sokkal jobbat, és sokkal rosszabb értéket is kapni, a valódi, gyakorlatban megépített áramkörön mért értékhez képest. Erős a gyanúm, hogy a berakott szimulációs eredményeket valóságban esetleg meg sem közelítené az áramkör... A hozzászólás módosítva: Dec 13, 2023
Idézet: Igen, ez könnyen előfordulhat, már csak azért is, mert maga a megmérése is eleve problematikus.„Erős a gyanúm, hogy a berakott szimulációs eredményeket valóságban esetleg meg sem közelítené az áramkör...” Az áramkör valós kivitelezése újabb parazita elemet hoz be, és újabb parazita mechanizmusokat. Minél nagyobb teljesítményű és fizikai kiterjedésű egy ilyen áramkör, annál többet és erőteljesebbet. pl. ekkora áramoknál már csak pusztán a vezetősávokban, vezetékezésben folyó áramok indukciója okozta becsatolódás növelheti torzítást x10...x100 vagy még nagyobb értékkel. A szimuláció - és nyilván igyekszünk a legjobb modelleket használni - arra lenne jó, hogy az alapvető működés hibáit minél inkább ki tudjuk küszöbölni, az adott áramkört optimalizálni, áramkörökben rejlő potenciált megismerni, stb. Nyilván, ha jók a modellek, jó a szimuláció, akkor a legalacsonyabb torzítású, legstabilabb áramkörrel érdemes belefogni a megépítésbe, avagy folytatni a szimulációt várható parazita elemek hozzáadásával. A hozzászólás módosítva: Dec 13, 2023
És ez, hogy tetszik? : )
Klassz, bár kérdés, hogy mi a cél?
Ha esetleg az én szimulációm akarnád reprodukálni a saját programoddal, akkor ugyanazokat a félvezető modelleket ( típusokat ), munkapontokat kellene használni. Az én szimulációm (Tina) szinte mindegyik tranzisztora Cordell féle spice model ( https://www.cordellaudio.com/book/spice_models.shtml ). Ezek mellesleg elég jól hasonlítanak a fizikailag is nálam levő példányokra, legalábbis erősítés, Ube tekintetében. Amit BF422/423-nak vettél 5mA-rel, azok nálam BC547C/557C tranzisztorok 500 fölötti erősítéssel 8-9mA körüli Ic árammal. Itt is lényeges - a majdani megépítés miatt - hogy minél inkább hasonlítson a modell és a valós alkatrész. És nyilván, az én szimulációm erősen a használt modellekhez optimalizált, "kimaxolt", paraméterek szempontjából. ( ez már szimuláció témakör ) A hozzászólás módosítva: Dec 13, 2023
Szerintem kisebb az eltérés a két szimuláció között, mint amekkora különbség lesz a TINA és a gyakorlatban megépített végfok között.
Nem reprodukálni akartam a kapcsolásod, csak megnéztem nálam mit mutat CM-ben szedett-vedett tranzisztorokkal.
Szerintem a Föld lapos.
Vannak egyébként bátor állítások, pl. a lenti - egyébként is extrém - kompozit erősítő esetében: "...Az utolsó prototípus (D7.12.86 változat) ténylegesen mért harmonikus torzítása 10 kHz-en 50W 4 Ohm-on kb. 0.0001%...." Ebben az esetben is a tényleges mért paraméter a hozzá tervezett 4 rétegű nyák(ok)kal plusz adott vezetékezéssel együttesen, tehát egy adott-, és igen jól megtervezett fizikai kivitelezéssel érvényes. https://github.com/diyaudioby/amp-lm3886-zd-50 A hozzászólás módosítva: Dec 14, 2023
Sajnos nem tudom értelmezni mit takar az alacsony THD. Mindketten olvastunk több (sok) olyan készülékről (pl. végfokokról) melyeknél sok nulla sorakozott a tizedespont után. Ha valamiből az jön ki ami belemegy, vagyis a milliomod százalékos torzítási adatokból erre a következtetésre jutna az ember, hogy ez így van és ennek így kell lennie, - hogy egy ilyen minőségű erősítő nem tesz hozzá és nem vesz el semmit a zenéből - akkor ebből kiindulva ezeknek (mindegyiknek) teljesen egyformán és egymástól megkülönböztethetetlenül kellene szólniuk. De tudjuk, hogy ez nem így van. Tehát mit takar az extrém alacsony THD? Semmit. Divat. Jól el lehet adni. Reklámadat. Szerintem.
Most ezzel nem a tüskéimet akarom védeni, vagy mentséget keresni rá, mert az nekem is ellenszenves : ) |
Bejelentkezés
Hirdetés |




És akkor a végén tényleg eljutunk oda, hogy az 




















