Fórum témák

» Több friss téma
Fórum » Kombikazán működési hiba
 
Témaindító: gpepe79, idő: Nov 29, 2009
Témakörök:
Lapozás: OK   565 / 616
(#) VIM válasza AristonGENUS24FF hozzászólására (») Jan 3, 2024 /
 
Szia! Letöltöd a használatiját és abban megtalálod a mikéntjét.
(#) gregb válasza gregb hozzászólására (») Jan 3, 2024 /
 
Sziasztok ismét, időközben folytatódik a csak melegítés hatására működő Junkers Euroline kombi kazánom története, méghozzá fordulattal, ugyanis természetesen mikor máskor, mint Dec 31-én azt vettem észre, hogy már nem hajlandó a melegítéses módszerrel sem elindulni, ellenben ég a hibakód LED, 2mp-enként egyszer villan, illetve a 90-es LED másodpercenként (ha nem csinálom a melegítést, akkor a hibakód led nem ég viszont "működésnél" a 90-es LED ugyanúgy megvillan párszor). A keringetőszivattyú megy, viszont gyújtás már nincs, valószínűleg gázt sem kapcsol. A Junkers kézikönyv szerint a hibakód ezekre utal: Lekapcsolt a füstgáz figyelő szenzor / túl alacsony feszültség - de egyelőre nem tudom ez hogy történhetett, hiszen semmit nem csináltam vele, a hajszárítós melegítésen kívül hogy néhanapján működjön és legyen fűtés meg meleg zuhany. A hozzászólásokban láttam a jófogásos Varga Jánost, akire rá is írtam még aznap, de nyilván ünnepek alatt/után vagyunk, nem várok csodát. Elképzelhető hogy valamit "túlmelegítettem" a panelen és ez okozhatja ezt a mostani hibát? Csatoltam a nyílásról képet amin keresztül melegítettem eddig.
(#) Elektro.on válasza gregb hozzászólására (») Jan 3, 2024 /
 
(#) Jenzen01 hozzászólása Jan 3, 2024 /
 
Üdv!Olyan gondom ,hogy van egy Westend Quasar D turbós kazánom! A tünet az volt ,hogy egyszer csak nem kapcsolt be! Se fűtésre se mellgegvíz-re! Arra rájöttem szemrevételezéssel, hogy a modulációs tekercs (a 4 kábeles 2 magos mágnestekercs, ha jól írtam az alkatrész nevét???)Össze van égve! Alig bírtam lehúzni a vasmagról!(Roncsolódott) A lényeg az, hogy találtam hozzá kompletten gázszabályzót csak nem olyan a bekötése! Az enyémnek a max. tekercs (MDMAX 9V DC) Amit találtam hozzá, annak 17v olt! Átraktam kompletten ,de ha van meleg víz, akkor a fűtés túlmelegszik (80fok)! Ha tekerek a kék piros közepű gáz szabályzón,hogy ne melegedjen túl akkor meg nem elég a meleg víz nem fűti fel! De !!! Az én 845sigma 0063as831-es szabályzómon fehér a gázszabályzó! 9B23-as! (másiknak nem tudom a számát a kéknek) Lehet köze ahhoz ,hogy a kék szabályzó és fehér másképp működik? Vagy a voltal van a baj?
(#) szisti1959 válasza gregb hozzászólására (») Jan 4, 2024 /
 
Szia
István vagyok Erdélyből
köldök egy szerelési utmutatot
probáld beazonositani A HIBAKODOT hátha segit
gykran szokott vacakoni a hálozati trafó de kéményhuzat érzéke sem kivétel
UDV és BUEK
(#) szisti1959 válasza Skillet hozzászólására (») Jan 4, 2024 / 1
 
Szia
István vagyok Erdélyből
a nyomás jeladót azt ki kell cseréni( piros kupakos cucc ) amit kapsz az alabbi cimeken is https://www.fokabt.hu/saunier-duval-Nyomaskapcsolo-TC-Isomax-Isotwi...720500 vagy
https://produkttherm.hu/termek/nyomaskapcsolo/ cimen vagy keresd a S5720500 kod után, tágulási tartatályt nem érdemes ereditit tenni, a regi helyét bedugni egy 3/8-as dugoval és a fütési redserre rákotni egy 10-12 literes tágulási tartatályt(bármilyent ,barhova).A nyomást beálitani 6 vonalra) a kazánon
Saunier Duval Renova Star F24E iker testvére Protherm Lynx 23BTVE
Udv BUEK
(#) szisti1959 válasza Bakman hozzászólására (») Jan 4, 2024 /
 
én enyit válltoszttam

Puffer.png
    
(#) JZoli válasza szisti1959 hozzászólására (») Jan 4, 2024 /
 
Ez elég nagy változtatás!
(#) Bakman válasza szisti1959 hozzászólására (») Jan 4, 2024 /
 
Így pont nem lehet kikerülni a puffert, ami az egész lényege lenne.
(#) Ventos válasza szisti1959 hozzászólására (») Jan 4, 2024 /
 
Szia! Nem tudod véletlenül hogyan lehet átverni ezt a nyomás érzékelőt? Nyitott rendszerre került a kazánom és nincs elegendő nyomás.
(#) VIM válasza Ventos hozzászólására (») Jan 4, 2024 /
 
Szia! Ha olyan nyyomásérzékelő van a kazánban azt elég érdekes módon lehet átverni, mert az az érzékelő egy piezorezisztív nyomásmérő. A belseje ITT szemlélhető meg. Amit most mondok azért lehet, hogy meg fognak inteni a hozzáértők. Ha kiveszed az érzékelőt és feltöltöd vízzel a belsejét majd bedugod a furatát egy szoros dugóval és figyeled a nyomásmérőt, hogy mikor van a jó tartományban a kialakított nyomás. Persze elzárt fűtővízrendszer mellett (a kazán alatti szervízcsapokat el kell zárni és leereszteni a kazánból a leeresztőjén keresztül a vizet) és meleg termosztát mellett (ne kérjen fűtést) de bekapcsolt állapotban legyen a készülék, hogy a nyomásmérő értéke leolvasható legyen. Persze jobb lenne ha zárt lenne a rendszer, mert úgy hatékonyabb és nem kerül a rendszerbe mindannyiszor oxigén és korrodálja a vas alkatrészeket aminek iszapjának hosszú távon csak káros hatása ismert.
(#) Ventos válasza VIM hozzászólására (») Jan 4, 2024 /
 
Szia, köszönöm a választ. Nem teljesen értem, hogy hogyan nő a nyomás az alapján amit írtál. A zárt rendszer sajnos a másik kazán miatt nem kivitelezhető, mert lehet az nem bírna akkora nyomást 1-1,5 bar.
(#) nagyra hozzászólása Jan 5, 2024 /
 
Sziasztok!
Van egy Bosch Condens 3000 W ZWB28 kombi gázkazánom, és küzdök egy problémával, kb. 2019 óta (kicsit korábban vettem a házat, a kazán 2012-ben vagy 2013-ben lett beszerelve).
Akkoriban azt vettem észre, hogy néha, éjszaka "leáll a fűtés". Gázkazán ki-be kapcsolgatás után egyszer csak elindul a keringés. Kihívtam Szakember 1.-et, mormogott, nézett, adott egy másik termosztátot. Nem oldotta meg a gondot, azt mondta, hogy akkor vezérlő panel csere kellene, soktízezerért... Kihívtam Szakember 2.-t, hogy nézze meg a helyzetet. Volt vagy 2 hét mire kijött, addigra beleástam magamat a kazán lelki világába, gyanítottam, hogy a váltószeleppel lesz a gond (éjszakai pisi-kézmosás után nem vált vissza). Kijött Szakember 2., szerinte is a váltószelep a gond, szétszedte, bezsírozta a mechanikát. 3 hétig jó is volt a rendszer, de megint előjött a probléma. Megbeszéltük, hogy akkor kicseréli a váltószelepet, megrendeli. Ekkortájt valami gondja volt a beszállítójával, mondta, hogy majd hív, hogy mikorra van nála a csere váltószelep. 1 hónappal később rákérdeztem, de csak "nemsokára" lett a válasz (azóta sem keresett). Webshopokban sem volt raktáron akkortájt, szóval "mibaj lehet" alapon kijjebb húztam kicsit a váltást végző motort a váltószelep házából (kb. 1,2mm-rel), így jól működött tavaly, tehát 2023 novemberig. Ekkor megint elkezdte a már említett hibát. Plusz infó, hogy 2022-ig úgy volt beállítva a kazán, hogy 1 perc után visszavált HMV-ről a fűtésre. Szóval elég sűrűn kapcsolgatott, ezt 2022-ben visszavettem a gyári 5 percre. 2023 november végén lerendeltem egy vadiúj váltószelepet, beszereltem. Minden jó volt, egészen 2 nappal ezelőttig, ekkor megint arra ébredtem, hogy hideg van a házban. És ma újra... Hajnalban jó pár kérdés-választ elolvastam ebben a topikban, most már csak két dologra tudok gondolni:
- kosz van a rendszerben, és ezért szorul meg a váltószelep
- hibás a vezérlőelektronika, nem mindig vezérli a szelep motorját

Van valakinek kapcsolási rajza a vezérlőelektronikához?

Illetve a topikban lévő korábbi tanácsokból kiindulva ellenőriztem a fűtéskörben lévő vizet, az iszapleválasztóban lévő víz teljesen tiszta volt (minden éven ezt is ellenőrzöm), mértem pH-t: 1 értékkel magasabb, mint a csapvizem (nincs bekalibrálva a műszer, szóval nem pontos értékeket mértem), a TDS pedig 319ppm, a csapvizem (ebben a pillanatban) 925ppm. Ezek mennyire rossz értékek? Lenne értelme egy fűtéskör tisztításnak Fernox F3 Express-szel?

Vagy van esetleg más ötletetek, hogy mi lehet a hiba? (A keringetőszivattyút, a termosztátot és tágulási tartályt már ellenőriztem.)

Köszönöm!
(#) VIM válasza nagyra hozzászólására (») Jan 5, 2024 /
 
Szia! Ahogy néztem ezt a váltószelepet a hat pines csatlakozójával, szerintem nem mechanikus problémája lehet hanem csatlakozó vagy forrasztási hiba okozhat ilyen véletlenszerű működésképtelenséget. A motor nem szerelhető szét tehát ha az hibás lenne nem javítható. A rajta feltüntetett ellenállás érték nem tudom mire vonatkozik de ha megvan az előző "hibás darab" azon lehetne méricskélni de itt beszélgetnek erről a motorról és a rajta lévő kivezetések közötti értékekről. A szakember nem tartja valószínűnek a szelep motorjának a meghibásodását hanem a hidraulika nem megfelelő nyomáseloszlása okozhatja a váltási problémát.
(#) VIM válasza Ventos hozzászólására (») Jan 5, 2024 / 1
 
Ha ez a nyomásérzékelő van benne akkor egyel fentebb a linken szétszedve is látható, hogy a belseje hogyan néz ki. Ha ezt kiveszed a helyéről és a leírtak szerint cselekszel vele, majd visszateszed a helyére és használod a készüléket. Azt tudnod kell, hogy ez volna a kazán vízhiány kapcsolója úgy, hogy ezt kiiktatva nem lesz ami figyelmeztessen ha valóságos a vízhiány. Ennek fényében kell ezt értelmezni ha ki akarod kerülni a nyomás ellenőrzését. Ha sikerül bezárni az érzékelőbe az elérni kívánt nyomást az érzékelő bemeneti furatában lévő "dugó"-ra a rendszer ejtőtartályos nyomása is rá fog tartani (ellentart). A dugót csinálhatod ragasztórúd olvadékával is de legyen kissé kúpos, hogy beszorítható legyen az érzékelő furatába.
(#) nagyra válasza VIM hozzászólására (») Jan 5, 2024 /
 
Köszi a választ! A motorra nem gyanakodnék, mert a vadiúj is elkezdte a hülyeséget 1 hónap után, de addig kifogástalan volt. A régi is a Szakember 2. zsírozása után jó volt 3 hétig. Mindenesetre a vezetékezést leellenőrzöm, és kimérem a motort is. A lengyel fórumon említik a víznyomást is, ez nálam 1,3 bar körül van, ha csökkentenék rajta, az vajon segítene a szelep mechanikai mozgásán?
(#) VIM válasza nagyra hozzászólására (») Jan 5, 2024 /
 
Engem csak érdekelnek ezek a kazános prolémák és szeretek utánanézni dolgoknak és amit találok azt leközlöm. Ezt a fajta szelepmozgató motort nem ismerem a maga hat pinjével de ITT a 144. oldalon van róla bekötési rajz. Már csak egy szaki kellene aki tudná is, hogy a vezérlő hogyan működteti és mi okozhat átállási nehézséget a motornak. A hibatárolót meg lehetne nézni, hogy nincs e benne a hibára utalási bejezés. A szervíz intervallum az nullás vagy korlátos beállítás van megadva?
(#) Ventos válasza VIM hozzászólására (») Jan 6, 2024 /
 
Egy ötletem van még, nem tudom működne-e. 1 potit bekötni ah alábbiak szerint. Jó lehet szerinted?
(#) Ventos válasza VIM hozzászólására (») Jan 6, 2024 /
 
Megnéztem a képeket, őszinte leszek, nem teljesen egyértelmű mi nyomja.... Mármint, ha jól értelmezem akkor a rugó tart ellent? (Mármint a víz nyomásának) ha igen, ha azt gyengítem, kívágok belőle, úgy is jó lehet és akkor még mindig van esély arra, ha esetleg kiürül a víz azt is jelzi valamennyire.
(#) VIM válasza Ventos hozzászólására (») Jan 6, 2024 /
 
Az a rugó az egész érzékelőt nyomja az "O" gyűrűre ami tömítésként szolgál a folyadék felől. A folyadék a kerámia lapka másik oldalán hat arra a felületre. A működéséről ITT olvashatsz. A méréstechnikában jártas ember tudna erre válaszolni, hogy mivel lenne lehetséges helyettesíteni azt az értéket amit az a nyomásmérő szolgáltat. Tudni kellene, hogy milyen erősítő fogadja ezt a jelet és abba hogyan lehet belenyúlni, mert különben több kárt lehet csinálni, mint ha mechanikusan próbálkozna valaki. Ha van kedved méricskélni akkor méricskélhetsz a nyomásmérőn ha ki tudod szakaszolni a gázkazánt a másik kazántól és megemeled a nyomást az adott értékre, hogy akkor az milyen értékeket szolgáltat a vezérlőnek. Szerintem nem egyszerű, mert a lapkán már lenni szokott egy erősítő áramkör is aminek kell egy működtető feszültség ami általában öt volt szokott lenni.
(#) Ventos válasza VIM hozzászólására (») Jan 6, 2024 /
 
Lehet megpróbálok a vezetéken mérni valamit. 0.4 bart tudok csinálni, az kiindulásnak jó lehet, mármint a nulla felé.
(#) nagyra válasza VIM hozzászólására (») Jan 6, 2024 /
 
Kimértem mindkét váltószelep motort, a régi tekercsei 168Ohm körül voltak, most 171Ohm körül, de szakadás, vagy "furcsaság" nincs. Kimértem a vezetékeket is, nincs szakadás, vagy csatlakozóhiba.

Leszedtem a vezérlőelektronika burkolatát is, tisztán látszik, hogy egy ULQ2003A tranzisztormező hajtja meg közvetlenül a motort, szerintem ez nem csinál olyat, hogy általában működik, de néha nem.

Széthúztam a régi váltószelepet, a fém tengely matt fekete. Ez vajon normális?
(#) VIM válasza nagyra hozzászólására (») Jan 6, 2024 /
 
Hát nem valami tiszta lehet a víz amit a szivattyú keringet. Mi az a lerakódás a műanyagon is? Nekem úgy tűnik, hogy rozsdás a víz, mert a tömítések mögött vörös színű a lerakódás színe. Nem kellet volna bezsírozni ennyire, mert ez így csak összeszedi a koszt.
(#) nagyra válasza VIM hozzászólására (») Jan 6, 2024 /
 
A műanyagot jól bezsírozam még anno, hogy könnyebben becsússzon a szelepházba. Az iszapleválaszóból kiengedett víz alapján nem nagyon koszos (teljesen átlátszó víz jött ki, törmelékból is abszolút minimális). De ezért gondoltam arra, hogy Fernox F3 Express-szel átmosom a rendszert, utána pedig Fernox F1 Express védőszert adagolok a rendszerbe.
(#) VIM válasza nagyra hozzászólására (») Jan 6, 2024 /
 
A váltószelepről válaszd le a motort és úgy nézd meg, hogy mi lehet az akadálya a szabad mozgásnak, vagy a szeleprúd az kézzel milyen nehezen mozgatható és annak mi lehet az akadálya vagy mi okozhat nehézséget? Az inhibítort azt ne most töltsd be, ráérsz tavasszal is de nem ez okoz problémát (szerintem).
A hozzászólás módosítva: Jan 6, 2024
(#) Ventos válasza VIM hozzászólására (») Jan 6, 2024 /
 
Kiszedtem a szelepet, nem olyan, mint ami feljebb látható. Próbáltam kint mérni a lábait, de semmit sem lehetett rajta. Igaz csak a kíváncsiság hajtott. Végül bele tekertem 1 4-es lemez csavart és beállítottam 1.4-re, ha elindul a szivattyú akkor felmegy 1.7-ig, úgy hogy tökéletes.
Köszönöm a segítséget!
(#) VIM válasza Ventos hozzászólására (») Jan 6, 2024 /
 
Akkor szerencséd volt ebben az esetben. Remélem nem hegyes véggel tekerted be hanem letompítottad a csavar végét. Ilyen lehet a felépítése. Az értékek pedig így alakulnak ehhez az érzékelőhöz: "1. és 2. mérési pont = 5 V DC Tesztértékek: 1. és 3. mérési pont 1 bar / 1,7 V DC esetén 1,5 bar / 2 V DC 2 bar / 2,3 V DC" Az a jó, hogy ennek a nyomásőrnek ilyen a felépítése, hogy nincs közvetlen kapcsolata a folyadékkal a szenzornak és nem is piezóelektromos hanem hallos amit egy mágnes fog működtetni ha a nyomás miatt közelebb kerül hozzá.
(#) Ventos válasza VIM hozzászólására (») Jan 6, 2024 /
 
Persze lecsiszoltam laposra. A leírásod alapján akkor nem is lehetne átverni?
(#) VIM válasza Ventos hozzászólására (») Jan 6, 2024 /
 
Úgy nem kellene bele folyadék ami közvetítse a nyomást, mert a másiknál ott 90°-ban van elhelyezve az a felület amire a nyomásnak kellene hatnia itt pedig egyenesen az adott felületre ható nyomás (közelíti) nyomja közelebb a mágnest a hall elemhez. Bővebben: Link
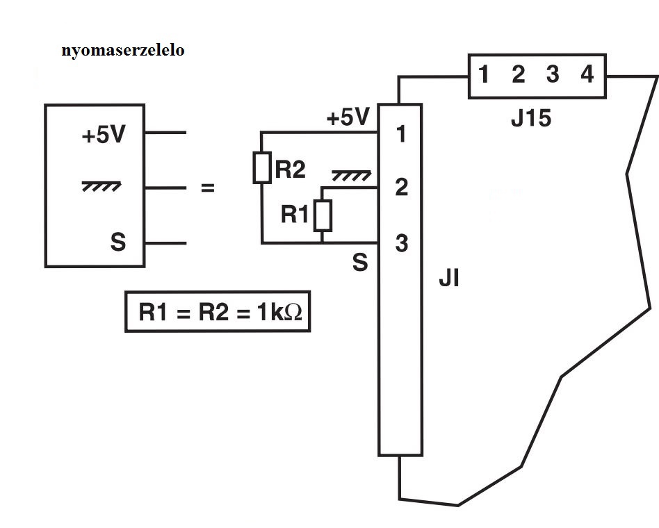
(#) szisti1959 válasza Ventos hozzászólására (») Jan 7, 2024 /
 
ket 1kohmos megoldja kb.1.5-2 Bart mutat a kazan
Következő: »»   565 / 616
Bejelentkezés

Belépés

Hirdetés
XDT.hu
Az oldalon sütiket használunk a helyes működéshez. Bővebb információt az adatvédelmi szabályzatban olvashatsz. Megértettem