Fórum témák
» Több friss téma |
Nem szabad keverni a hitet a vallással. Ég és föld.
Idézet: „látni fogod, hogy mindenkivel szembe mész” Nem. Eleknek saját fizikai világképe van, saját elméletekkel, amit nem zavar meg a fizika tudományok jelen állása.
Ez nem is rugaszkodik el nagyon a valóságtól.
Sok évvel ezelőtt jártam egy kisebb számítógép múzeumban és ott láttam a korai gépek alkatrészeit bemutató vitrinben hasonló kialakítású kocka alakú modulokat. Azok ehhez hasonlóan, több egyforma kis négyzetes panelt tartalmaztak emeletesen elhelyezve. Pár tranzisztor, ellenállások, diódák, kis logikai építőelem blokkokként funkcionáltak.
Sziasztok!
Kicsit más téma.Lenne pár apróság amiket nyáron hazavinnék magammal,ha valaki igényt tartana rá.Cirka 10éve pihennek nálam,száraz körülmények között tárolva ,működőképesek-e nem tudom.Pénzt nem kérek érte,postázni nem szeretném.Részleteket privátban.
Én csak olvastam róla és fotókat is láttam, hogy volt időszak, amikor csövekkel raktak össze dolgokat ilyen modulszerűen. Akkor úgy gondolták, hogy ez a jövő útja.
Aztán jöttek a TL sorozatú IC -k és nagyot változott a világ.
Közte még elég nagy szeletet kaptak a tranzisztoros áramkörök, a diódás logikai blokkok, a TTL, és a DTL is eleinte diszkrét alkatrészekből álló logikák voltak. Aztán az integrálással lépett új szintre a dolog.
Hogy a témánál maradjak...
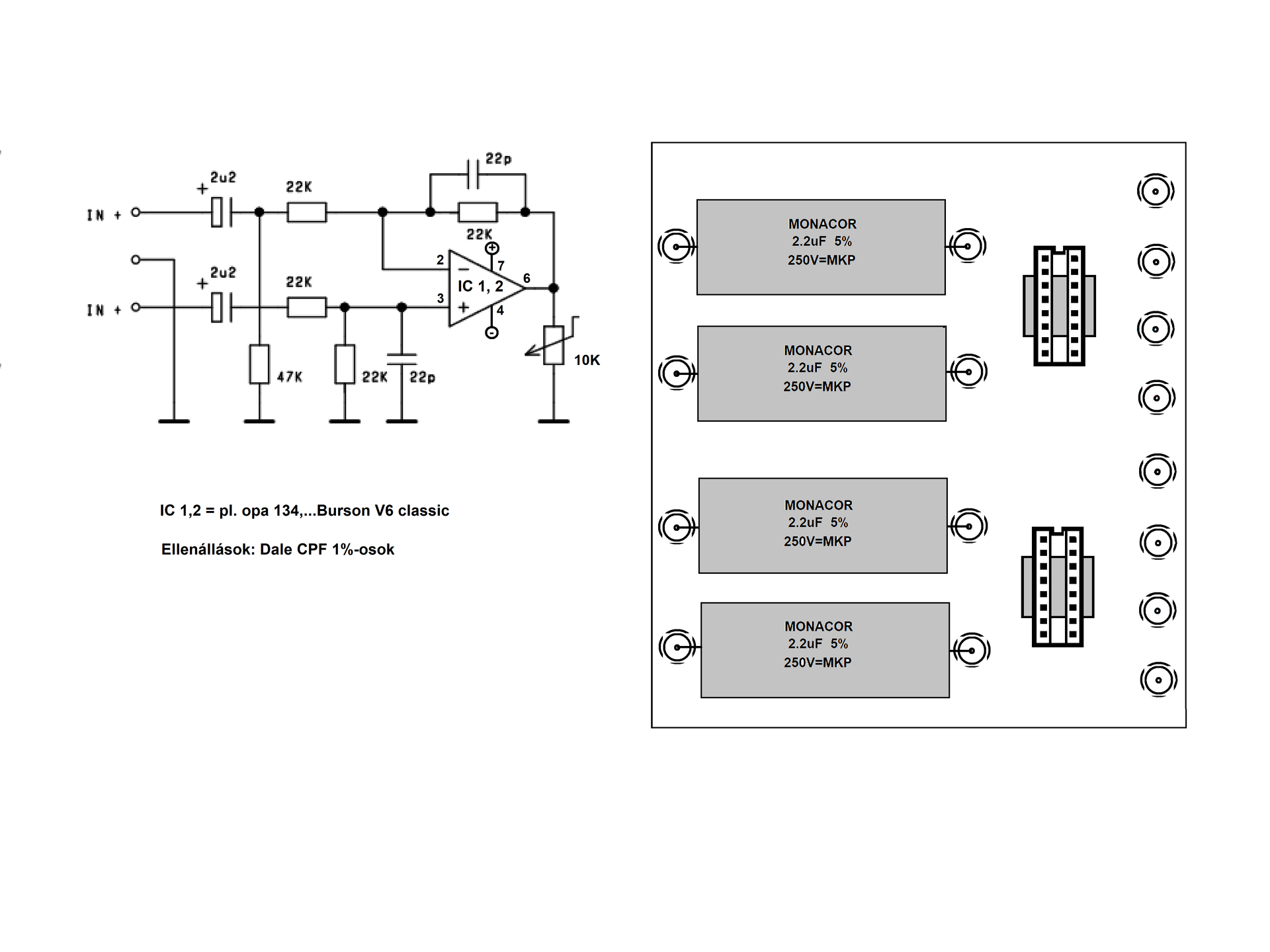
Most, hogy átépítés alatt van az EVAmp (EVAmp-TB-ME-re), úgy éreztem, hogy a szimmetrizálóját is hasonlóan kellene átépítenem. Annál is inkább, mivel alkatrész gondok miatt pillanatnyilag áll a munka. Nálam nem volt vele melegedési probléma (1. Melléklet), legalábbis én elnéztem a Burson V6 classic-oknak, amennyire melegedtek. Duál monóban építettem meg, külön táppal (a trafók egyenként 2x6V), Schottky diódákkal, 4x1000µF pufferral. ui.: a lábkiosztást befolyásolta az eredetileg hozzáépített tápok vezetékezése. A hozzászólás módosítva: Márc 8, 2024
Babrás dolgok…
Néhány kép az árnyékolók készítéséről.
Ma beüzemeltem. A végfok még nincs meg, így csak a HC-TB-ME van rajta. De az egész a paneltől elszigetelt rendszernek mondható. A hangja majd két hónap múlva lehet mérvadó az ezüst bekötő vezetékek miatt. Ami viszont most is lejön, hallható az a tér áttetszőségének javulása. A csatornák (stúdió) további elkülönülése. Ez utóbbi komoly zenei élményeket ígér jó felvételek esetén. Hát valami ilyesmit reméltem a készítése idején...
Megtörtént az EVAmp-TB-ME összeszerelése
A korom és a körülmények ellenére jó érzés volt a pöcc röff. Ezután, még az eredeti tápokkal is meg kellett szenvednem. Az eredeti méret kevés lett az új bordák nagyobb méretei miatt. Hát úgy kazánkovácsosan rácsavaroztam egy fadarabot, hogy a jobboldali tápnak legyen helye. Időm másra nemigen, mert más munkák már nem tűrnek halasztást, és el akartam kezdeni a bejáratást, meg azért a hangjára is kíváncsi voltam. Ami eltérés mutatkozott az a KT által javasolt 0,05V kimeneti feszültség helyett a 0,15V. Beszéltem is vele, hogy van e ennek káros hatása a fülesre. Mivel megnyugtatott, hát a folytatás a K701-el. Majd, ha ráérek megejtek pár tájékozódó mérést azért tájékozódásul, mert ugye van benne pár eltérő kialakítás az eredeti rajzhoz képest. Azonban a kimeneten egy esetleges rövidzár elleni védelem oly kedves számomra, hogy elnézzem ezt a kis affért. Amit pluszban ráfordítottam egyenlőre a pozitív oldalát mutatja. Érdekes még a PC-ről érkező brumm az árnyékolásról. Kedves mentorom elszomorított, hogy ez nekem pénzbe fog kerülni. A hálózati leválasztó trafó válási ok lehetne, így maradt az usb isolátor. A tapasztalatokról röviden… Meglepetés volt, hogy az említett Mouskouri CD hallgathatóvá vált. Nyolcvan százalékot teszek a Jantzen Silve Gold kondi hatására, de lehet része ebben az SFR9610-nek is?! Ki tudja. A lényeg, ami hallható. Ez nem azt jelenti számomra, hogy a hibridről lemondanék, mivel is tapasztalatokat jelent majd. Az viszont visszaigazolást jelent ahhoz, hogy nem volt rossz gondolat, hogy majd az ECC82 kicsatoló kondija két darab legyen. Egy-egy Jantzen Superior Z, és Jantzen Silver Z-cap oldalanként átkapcsolhatóan. A szimmetrizáló fokozatba bekerülhetett a Burson V6 classic. Ez ízlés kérdése. Én szeretem, ha közel van hozzám a színpad.
Lemaradt, az ötös képen a cinpaca a visszacsatolás kondijának a paneljára menne. Mivel nincs minden alkatrészem még meg hozzá, egyenlőre a "kondi" fix rövidzárban van. Vagyis a fekete szigetelésű vezeték a fölcsillagpontból jön. Így ha a kötés a bordához érne az pólusazonos, mert a borda is földelt.
No meg...
A szimmetrikus fokozat beépítését kényszerűen megelőzte a pufferpaneljeinek tápvezetékeinek cseréje hosszabbra. Ugyanis az új panelre nem ért oda mindegyik. A szimmetrikus bemeneti fokozat egy blokkban (emeletes kivitelezés) készült az oldalankénti táp pufferpaneljével, és magával DAC-panellel. A két csatorna pufferpanelja egymáson áthuzalozva jut a szimmetrikus fokozat paneljére. Mivel cserélni kellett a tápvezetékeket, hát kitágítottam reszelővel az addigi furatokat, ami a meztelen 2mm-es tömör ezüstözött vezetéknek lett fúrva, hogy a most már, a (teflonszalag+zsugorcső) vezetéknek is elég legyen. Azonban a panelek rögzítésére szolgáló távtartók még kapcsolatba voltak a pufferpanelekkel fémesen. Esztergám nem lévén azon töprengtem, hogy oldjam meg ezt házilagosan? És szerencsém volt, mivel volt a fiókban kétfajta leszorító szigetelő alátétet is találtam. A kisebbet magában a nagyobbat átalakítva értem el az elképzelésem megvalósítását. A nagyobbat két újjal fogva befűrészeltem, hogy a csípőfogó átérje a falat egy helyen, majd körbe csipkedtem, hogy leváljon a kisebb átmérőjű része. Ezután a megmaradt részét simára csiszoltam egy csiszolóvászonnal. És máris meg volt a szigetelőalátét. Megjegyzem a kisebbel is meglehet ezt csinálni, akár fűrészelés nélkül is. A képeken az említett kötés szerelvényezése.
Jelenleg, 550 óránál (NEI1001) a "rondaság" csodálatos teret rajzol. Nehéz volt kivárni, de megérte. Szerintem, az eddigi legjobb hangú építésem. A kinézete a feltételek miatt ugyan nem valami mutatós, de az építési eljárásokat csak ajánlani tudom audiofil zenehallgatóknak. Az alkalmazott eljárásokat a most készülő hibridem is tartalmazni fogja.
Jelenleg
A minap a következőket írtam az EVAmp-TB-ME bejáratási naplójába 610 óránál: akármennyire szeretném, az erősítő nem tud a K701 (Osztrák)-ből Sony Qualia 010-et csinálni. Azaz szerintem elértem a határt, ahol előrébb egy felső-kategóriás hallgatóval lehet jutni. További érdekességek... Eljött a kicsapongások ideje, azaz a tesztelések eltérő háttérrel. Hallható módon a kábelek (koaxiális rca) nem az igazi. De az vitán felül, hogy a beépített DAC-al az EVAmp-TB-ME veri a Popcorn A410 analóg hangját. Pedig már egy ideje az is analóg tápról jár. Szelektívebb, nagyobb teret produkál. A végső célom, hogy a HDMI-ről egy HDMI-USB digitális adapterről menne, de még mindig nem találtam hozzá ilyet. Majd a melegebb időben tervezek hőpróbát, és lehet dobozolni.
Hali!
Elkészültem a lehmannal. Kicsit vegyesek a benyomások. Az opa(lm833 az opa2134 helyett) a két nagy pufferkondi (4700µF Vishay helyett 10000µF hitano vagy valami más nevesincs kínai), és a vishay ellenállsok helyett 1% yageok nem az ami a gyáriba, illetve a 470µF chemi-con-ok helyett panasonic fr-ek vannak. A két bd 160-170 hfe válogatva, a bc-k jobb bal oldalt párba vállogatva. Én a becsatolóból elhagytam a 22nF (külföldi fórumokon olvastam, hogy kiveszik, illetve maga a lehmann is elhagyta egy idő után). Nekem a panelen 2-2,2µF volt feltüntetve, de remixből csak 1µF volt (a gyári epcost nem találtam egyik boltba se). Kérdésem, hogy ez min változtat? Mármint, hogy 2,2 µF helyett 1µF van? Megjegyzem én próbáltam párhuzamosan rá az összes itthon fellelhető 1µF kondit, de nem hallottam változást. Illetve a helyi boltban vettem 2,2µF remixet, de helyette valami hasonló sárga st márkájut kaptam. Azzal mintha dúsabb lenne a mély, de nem tenném rá a kisujjam körmét se. Most a szintén frissen összerakott b100 előerősítőjeként jártom napi 8 órába.
Szia! Az 50k poti elé kötött csatoló kondenzátortól azt várjuk el, hogy ne vágja a mélyet 5 Hz felett. Ezt a minimális igényt már 680 nF kielégíti. Az 1 µF bőven jó.
A Lehmann-t szerintem nem a válogatott alkatrészek teszik különlegessé, hanem az átfogó visszacsatolás mellőzése.
Köszönöm.
Próbáltam ragaszkodni a gyári alkatrészekhez. A BD-kre meg te írtad régebben, hogy 100 felett legyen a hfe. Egyébként nem tudom, hogy sírjak vagy nevessek. Más emberek -ahogy olvasgatok- kihallják a másik fajta kábelt, a fordítva bedugott 230V dugót, stb. Én nem igazán. Azért ezzel is és b100-zal is elég sokat elt.költem, cserélgettem a kondikat, tranyókat. Én nem hallottam különbséget. Már a lányomat hívtam segítségül -8éves, csak jobban hall-, de ő sem hallott változást. Na most vagy süket vagyok ilyen téren, vagy tényleg nincs változás.
Az alkatrészek hangja tekintetében az az álláspontom, hogy mindenki hagyatkozzon a saját tapasztalatára és ne rontsa el azok szórakozását akik más véleményen vannak.
Nem nagyon csináltam. A panel az aliról van. Az alkatrészek itthoni boltokból, doboz az sk. Most dobtam bele egy 4558at. Nagyobb lenne a tere.
Felváltva hallgatom a canamppal, hasonlóak, picit talán tompább a canamp (abba meg 2068van), de forma-forma a kettő. Illetve ez a lehmann klón jobban kihajtja a fülesem. 15ezer körül állt meg... Nem mondom, hogy rossz, de a canamp abból van amit a fiókba találtam. Nem igazán érzek különbséget.
Ne is rágódj ezen. Ha neked megfelelően jól szól, esetleg műszerrel mérve tökéletes a jelalak, nincsenek benne számodra is hallható hibák, torzítások, zajok, zavarok, akkor élvezd vele a jó zenét, és ne törődj a denevér hallású emberek frusztráló, és számodra nehezen bizonyítható véleményével.
Én rosszabbul viselem a meleget a lakásban az EVAmp-TB-ME. A sorrend, mondjuk én utcahosszal, második az erősítő trafói, lemaradva a kiegészítő trafók, és a végén az erősítő bordái. Nem érzek rajtuk hőtorlódást. Hozzátartozik, hogy a helye a szobában huzatos hely. És ha szellő adódik azt érezni a bordahőmérsékleten szinte azonnal. Ez arra utal, hogy egyenletes, és arányos a keletkező hő elvezetése. És érdekességnek, a két bordalamella hőérzet nem egyforma. És mivel nem érzékelhető visszafelé hőmérséklet eltérés, így szerintem a szellőzési helyzetből adódik, hogy az egyik oldalon több levegő áramlás éri a lamellákat. De ez persze a dobozban majd változni fog.
Összegzésül, bevált a lamellák repülőszárny kiképzése, és a leendő dobozt figyelembe véve, kötelező a két trafót hűtőbordázni. Ezért preferálom a Makrai lapostrafókat, mert könnyű a tetejére bordát szerelni.
Minden kezdet nehézkes (hibrid építése)
Az embernek vannak elképzelései és szembejön a valóság. A hűtőbordákat a panel lábaival fogom rögzíteni. Igenám, de nem kaptam olyan távtartót, aminek a külső menetes része 10mm-nél hosszabb. Megoldást a menetes szárban találtam, amivel tetszőleges hosszú lehet az említett távtartórész. A leszabott darabok végét viszont 45fok táján körbe kell reszelni, hogy be lehessen csavarni (kezdőknek). Előnye még ennek a megoldásnak, hogy esetleges túlhúzás esetén nem törik le a menetes rész, mivel nincs a fal tövénél beszúrás. Mikor voltam a BOLTBAN „drótért” vettem 4db RCA aljat is, hogy ne bántsa Karesz szemét az ezerforint alatti megoldás. A vásárolt darabok darabonként közel 1700 (1699) volt, állítólag teflon szigeteléssel. Az ember előrelátó… Megkérdeztem őket, hogy a szigetelőgyűrűk is teflonból vannak e, mivel hasonló színűek a belső elválasztóval. Hát azt mondták, hogy nem. Kipróbálva igazuk volt. Gondoltam, hogy kipróbálom, hogy az RCA belseje teflon e, de nincs elég hozzáférés hozzáférés hátulról. Megjegyzem az aranyozása mélyebb színű, így bizalomgerjesztőbb. Következtetés? Biztonsági okokból, ha forrasztom az RCA külső részét, mint eddig, beledugok egy RCA dugót, hogy tartsa a közepét. Szigetelő alátétnek meg kaptak teflongyűrűket, amiket nem fog a páka. Csőfoglalat Még nem volt dolgom csövekkel. A hibrid szerelési tervezéséhez vásároltam egy pár egyszerűbb darabot, a tervezett 500 órás bejáratáshoz aranyozott párost, és ha elégedett leszek az eredménnyel, akkor a hibrid kap egy pár profi csövet. Kondenzátorok A kapcsolásban 2 pár 220nF-os csatolókondi van, és egy pár kicsatoló egyenként 470µF-os. Ezzel bajom is van, mivel még fogalmam sincs, hogy milyen fajta legyen. Ezt még ki kell majd kísérleteznem. Az első becsatoló kondinál megoldás a megmaradt Jantzen Silver Gold páros, azonban a cső és a FET csatoló kondijának már csak a Jantzen Silver Z-cap lehetősége maradt. Gondoltam egyet, és ezt a csatolót kiegészítem egy Jantzen Superior Z-vel, és egy kapcsolóval oldom meg az átkapcsolásukat. Ennek oka, hogy bizonyos felvételek esetén használható lenne a a két kondenzátor fajta egyedi hangzásvilágának lehetősége. Mivel ezúttal sem dúskálok a hellyel, és ebből adódóan véleményem szerint ezek a kondik közel lesznek számomra nem színpatikus dolgokhoz, ezért, mint eddig is, árnyékolni fogom őket. És most már lassan megrendelhetem a Dale CPF ellenállásokat hozzá. Táptrafók Jobban örültem volna a Makrai lapostrafónak, de azt nem kaptam. A beszerelést a Canampéhoz hasonlóan tervezem, azaz fektetve. Alul az L idom alján fekszik, némi hűtést feltételezve, azonban ez szerintem kevés lesz, így valószínű, hogy bordát is kapni fog, ezáltal a trafó három oldalán lesz hűtve. Amilyen L idomot kaptam, ahhoz alkalmazkodtam. Ahogy a Canampnál a hálózati kábeleket egy szinttel lejjebb szerelem majd.
És még
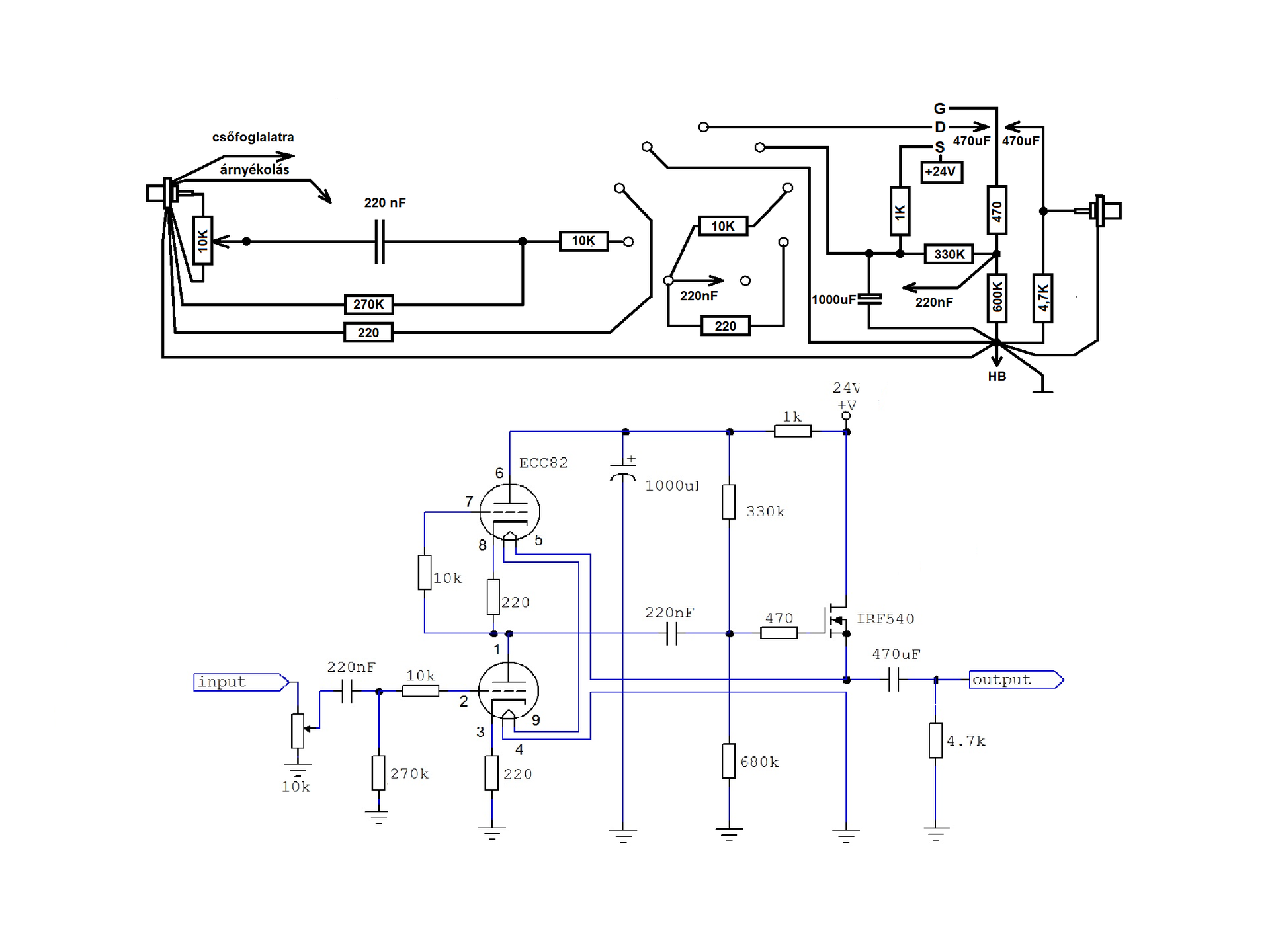
Hónapokkal ezelőtt megemlítettem, hogy egy hibrid építésére adom fejem egy bizonyos CD kapcsán. Mivel ilyen készülékkel eddig nem foglalkoztam, valahogy konkretizálni kellett a dolgot. Hát megkértem kedves mentoromat, hogy segítsen abban, hogy lehet egy ECC82-es egyik felét "hibernálni", mivel én duál-monóban szoktam építeni, azaz a két csatorna egymástól teljesen független. Ő meg - mivel ért hozzá, - küldött egy rajzot, ahol a cső mindkét félteke aktív szerephez jut. Nagyon megörültem neki, és annak ellenére, hogy akkor még nem is tudtam vele foglalkozni, mégis leskicceltem magamnak egy elvi bekötési rajzot.
Mint minden új építésnél, adódhatnak meglepetések. Az ember próbálja megbecsülni az előre nem mindig látható problémák kezelésének lehetőségét. Az egyik ilyen a várható, elvezetendő hőmennyiség nagysága. Elsőre volt bennem egy kis aggódás az eredményt illetően, hogy a Drain ellenállás nem Dale CPF lesz, de aztán a másik oldalról nagyon szimpi volt, hogy a hűtőbordát nem terheli terheli a Drain ellenállás hűtése, és nem kell külön tápegységet csinálni a fűtésnek. No meg nem kell majd drabális hűtőborda bele. Most is a paneltől teljes elszigeteléssel építek, mert bevált. Próbálom a készülék méreteit kordában tartani, mivel az előző építésem hajókoffernyi dobozt fog igényelni. Mentorom javaslatára a cső kb. 45 bakra lesz szerelve. Ennek oka az esetleges csőzajosodási idő kitolása. Hátha így jobb esélyek adódnak. A légszerelés is adott, így egy kicsit szokatlan lesz a kinézete, ám az a legrövidebb saját lábhosszat eredményezi. Ami meghatározó egy erősítő működésben, a tápja, az is külön figyelmet kap. Tapasztalataim alapján nem célszerű a puffereken spórolni, ezért az értéke egyenként 24.000µF lesz. A stabilizátor szintén mentorom okossága. Egyelőre az első verzió van napirenden, de ez változhat még. A képeken az is látható, hogy a fűtés 12,6V-os feszültségét a stabnál lehet majd beállítani. Ahová nem ér el az alkatrészek saját lába, ott a szokásos NEI 1001 vezetékeket használom majd.
Azt megírhatnád, miért kell egy ilyen szerkezetbe egy böhöm nagy FET?
Stimmel. Egy IRF610 vagy 710 lényegesen jobb lenne a kisebb belső kapacitásaival.
|
Bejelentkezés
Hirdetés |






























































