Fórum témák
» Több friss téma |
Kedves Gafly, az említett "normalitás" rendszerfüggő dolog. Azaz minden rendszernek megvan a maga normalitása. Ezzel csak egy probléma van, hogy éppen milyen rendszerben gondolkodunk...
És amit rendszerfüggetlennek érzek, ha valaki komolyan veszi a trimmelést, akkor véglegesen egygyártású ellenállás mátrixszal véglegesíti.
Kollégának nagyívű szakmai pályafutása van már itten
és mégvan még bőven fejlődési potenciálja.
Ha már szóba hoztad -gondolom némi iróniával-, akkor jó tisztázni a számokat. Az ezüst csak egy nagyon parányi mértékben jobb vezető mint a réz, és ha ez valóban számít, akkor a keresztmetszet növelésével már könnyedén előnybe kerülhet a réz.
És szintén ide kapcsolódik a sok esetben minőségi paraméterként említett aranyozás is, aminek lényegesen nagyobb az ellenállása mint a rézé. És végül pusztán egy kis gondolati fricska erejéig, átvillan néha bennem van-e értelme hajszolni minden esetben a nagyon kicsi ellenállású összekötéseket, amikor egyébként 10-100-1000-stb. ohm nagyságrendű ellenállásokat kötünk össze. Ha viszont tényleg számít az a kis ellenállás is, akkor érdemes eleve "beleképzelni" az áramkörbe/szabályozásba.
Szerintem az aranyozást elsősorban azért alkalmazzák, mert semmiféle oxidációs, vagy korrozív réteg nem rontja hosszú távon sem a csatlakozási kontaktusokat.
Kérjük, a személyeskedő hozzászólásokat a továbbiakban szíveskedjetek mellőzni! Karácsony közeleg, legyünk egymással szemben toleránsak! Nem csak most, az év többi napján is...
Kicsit elkeveredtél a témától... Ha a dalból indulok ki, örülök, hogy egy darabban vagy! Szóval, ahogy írtad nem nagy jelentősége van a 3 ohmodnak. De akkor minek a témában az előzmény?
Ami az ezüstvezetékeket illeti, sokfajta van. És amikor az occ silver felmerül, ott nem téma a réz vezetőképessége. Hiszen ez a kábelfajta másról nevezetes, mint az áramvezetési képessége. És egy jó fejhallgató erősítőnél ez már előnyt jelenthet. Persze akkor, ha erre igény van. És innentől a dolog beletorkollik egy másik témába, az audiofil építésbe. Vagyis itt még szürkében is csak felesleges vitákba torkollana beszélni róla.
Majdnem lemaradt, minden fórumtársnak KKÜ, és sikerekben, gazdag, boldog új esztendőt kívánok!
Én is kaptam a Jézuskától egy kis ajándékot…
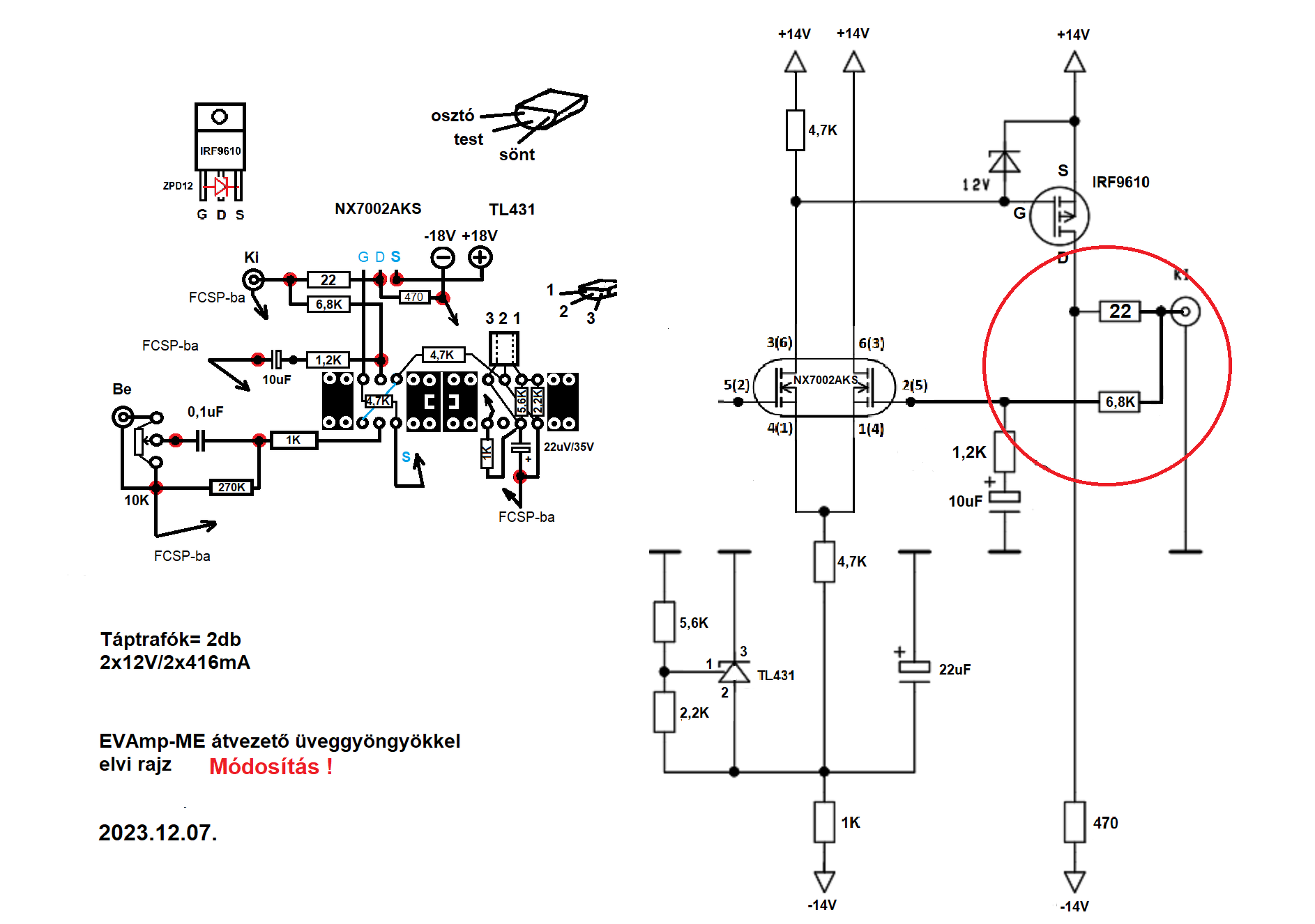
Ha nem is sokat, de fő a szerénység, hát egy kis megvilágosodás lett számomra e napokban. És ha így, hát elnézést a közölt hibás rajzokért! Matatás közben vettem észre, hogy elszámoztam a TL341 lábait, így lett sok probléma. Alant a helyes verzió!
Nagyobb költő vagy, mint Petőfi
Nem kell mindent átnevezni. A TL431-nek van: anódja, katódja és referencia feszültsége. Örömmel látom, hogy előbb rajzolsz, gondolkodsz és csak azután cselekszel. Kapsz tőlem egy csillagos pirospontot : )
Kedves a biztatásod…
Régen mindent fejben tudtam tartani. Most azonban könnyen elröppen, amit elgondolok, pláne, ha, még valami közbe is jön. Bezzeg az első szerelmem az könnyen eszembe jut, de mihaszna… Szóval a rajzok kényszerűségből lettek, mert nehezen láttam át a tennivalókat. Először papíron próbálkoztam, lásd a mellékletet, - aztán hamar rájöttem, hogy a változtatások miatt túl sok a papíron a tennivaló. Nem beszélve annak külleméről. Hát géphez ültem, és a többi ment magától. A számozással nem lett volna baj, ha nem rontom el. Túl sok a pepecs az építés milyensége miatt, de hát valamit valamiért.
Sziasztok,
Nincs meg valakinek véletlenül a 187BodyGuard által közétett Hibrid sztereó fejhallgató erősítő 12V-ról panel terve és beültetési rajza? Köszönöm szépen.
Én a szerzőhöz fordultam volna e kéréssel. És kéretlenül egy két aggály a kivitelezéssel kapcsolatban. A dobozolásról sajnos nincs kép. Én látok egy-két érdekes dolgot a meglévő képeken. Nem tudom, hogy a cső, vagy a vég FET, vagy a 22 ohm mennyire melegszik, de túl közelinek érzem az elektrolit kondikat a közelükben. Ezért is érdekelne az ajánlott dobozterv hozzájuk. A többi az adott elvárás kérdése.
Jobban megnézve a képeket, és ha panelrajz is akad, segíthetne az említett dolgokon, ha a megszokottól eltérően. a kondik a panel aljára lennének szerelve. A nagyobb doboz csak előnyös a légáramlás tekintetében.
Szia,
Igen fordultam hozzá, de sajnos az adatlapján már 8 hónapja nem jelentkezett be és e-mail cím sem elérhető.
Véleményem szerint ez egy teljesen hibás kapcsolás, több szinten is...
Ecc83 hajt 1µF-on keresztül egy 9kOhm-os bemenetet??? A FET bemenő kapacitása csaknem 1nF??? A katódellenállás is túl nagy. Hibák egymás után... Szerintem jobbat is lehet találni a neten és egy részéhez még NYÁK sem kellene. A hozzászólás módosítva: Jan 5, 2024
Valóban lehetne jobbat is csinálni, de nem nagyon akad aki foglalkozzon vele.
De számszerűen mit is jelent az ECC83-nak a 9kOhm terhelés? Az adatlapot bogarászva az ECC83 kimeneti ellenállása 60kOhm, vagy egy kicsivel több ebben a munkapontban végtelen munkaellenállást, vagy áramgenerátoros üzemet feltételezve. Erre kapcsolódik párhuzamosan a 100kOhmos munkaellenállás. Most már 35-40kOhm kimeneti ellenállásról van szó. Ezt terheli a 9kOhm, vagyis összesen már 7,3kOhm az eredő kimenő ellenállás. 1,6mA/V meredekséggel számolva 12X-es erősítést jelent. A Source követő fokozat erősítése közel 1X-es, a trióda bemenetén pedig van egy 0,6X-szoros csillapítás. Ez összesen 7,2X-es erősítést jelent a teljes láncra, ami kb 17dB. Ez nem olyan vészes. Ha visszatérünk a fethez, az földelt drain kapcsolású. Itt most nem a CGS kapacitás terheli az előző fokozatot, hanem a CGD és a CGS kis töredékének összege. A töredék úgy kalkulálható, hogy a fet ebben a munkapontban kb 0,9X-es erősítésű legalább, azaz a Source kivezetésen a gate kivezetésen lévő hangfrekis jel 90%-a jelen van. Azaz a bemeneti jel 10%-a van a gate és a Source között, vagyis a GND-hez képest ugyanekkora hányada látszik a fet CGS kapacitásának. Ez 770pF 10%-a, ami 77pF. Erre még jön a CGD ami az adatlap szerint 48pF, vagyis összesen 118pF terheli a trióda kimenetét. Ez sem olyan rossz. De azért valóban lehetne másként csinálni. A fordított tápfesz elleni védelemre alacsony nyitófeszültségű schottky diódát, vagy aktív mosfetes kapcsolást tennék, amin még kevesebb feszültség esik. A kimeneti mosfet munkaellenállását részben vagy egészben kiváltanám a cső fűtőszálával, ami miatt kicsit módosítani kellene a gate osztó értékeit, hogy a Source lábon 6,3V legyen. Az invertert sem tenném a közelbe, sőt sehova. Az ECC82 simán eljár 6V-ról is, itt van a cikkek között egy ilyesmi kapcsolás. De hogy írjak rosszat is, volt ilyen füles erősítőm. Nagyon szép és hangulatos, meg olyan lelket melengető érzés, valamint a szolíd torzításával amolyan old scool érzést vált ki. Aki csendes estéken egy kis borocska mellett egyedül hallgat régi zenéket fülessel annak mindenképpen ajánlom megépíteni, és hallgatni. Aki viszont hifire vágyik, az ne erőltesse.
A zavarórepülés alatt váltottunk pár szót Bubu54 fórumtárssal. Ebből kiderült, hogy szeretne csövest építeni, és hogy milyen hallgatóval rendelkezik. Érdekességek a mellékletben.
Talán lassan múlik a gyengeségem. Egyre többet foglalkoztat a folytatás. A borda szigetelő szalagja már megvan. Jönne az árnyékoló hüvelyek elkészítése, és az első bak forr-lapjaival. Még a nyavalyám előtt volt egy kalandom az SFP9610-el. Gondoltam kipróbálom a Fairchild 9610-et. Hát majdnem átvágtak vele… Az SH és SFP9610 külseje sem egyforma. Az SH-nál a borda felől befért a 470ohm mivel a lábai a hátához viszonyítva magasabban vannak. Az SFP-nél ez nem megy, így csak a zdióda lesz felülről rajta.
A mechanikai problémák is undokok. Nincs a horganyzott lemez hajlításához való megfelelő rudacskám. Így az egész kínlódássá fajult. Azonban már szeretnék túl lenni az egészen, és emiatt nyelhettem a kompromisszumokat egyfolytában. Az első tehermentesítő bak is elkészült. Maratás, fűrész, csípőfogó, reszelő. A hozzászólás módosítva: Feb 13, 2024
Ez meg lemaradt...
Annyira, de annyira ronda, hogy ez már szót érdemel.
Biztosan minden műszaki megoldás indokolható, de nekem akkor sem tetszik. Ha ilyen építéssel lehet csak elérni egy elvárt minőséget, akkor nekem az nem kell. A hozzászólás módosítva: Feb 13, 2024
Megértelek! Ezzel én is így vagyok csak fordítva. Viszont én megtartom a véleményemet magamnak.
Sokadszor hallottam mar ezt toled es bevallom egyszeruen nem ertelek. Ha nem vagy kivancsi masok velemenyere akkor miert osztod meg az alkotasaidat?
Ez egy forum, tudod: akcio-reakcio...
Hogy kicsit produktívabb irányba tereljem a beszélgetést, esetleg tudnál mesélni arról, hogy például az üvegszálas NYÁK miért csak afféle szerkezeti elem az amúgy lengőszerelésű minden alatt? Mik azok az IC foglalatnak tűnő alkatrészek és miért van teljesen átlyukasztva a panel ott is meg a hangerő potméternél is?
Köszönöm kérdésed, mivel a lényeg benne van. Az előzményekben írtam az átépítésem lényegét, tervét. Ezek mozgatója pedig a zeneszeretetem, és az ebből fakadó részletérzékenységem. Szerencsémre a fórumon akadt segítségem, társam a jobb eléréséhez. Az utóbbi építéseim idáig a legjobbnak mondhatóak, mivel rendkívül szelektív térhatást produkáltak. Ezt úgy tudnám leírni, hogy a térben jelentkező hangoknak erős aurájuk van, vagyis nem kenődnek el, és más egyidejű hangok nem zavarják érthetőségüket, annak folyamatát. Persze ehhez megfelelő felvétel is szükséges. Az ebből fakadó kamara hatás fantasztikusan kellemes. Egy jobb hangszer hangjának érzékelése nem kérdés. Nem rég volt szerencsém egy Stradivarival, egy Paganini darabot meghallgatni a rádióban, hát a kiváló előadóval nagy élmény volt adott hangszer hangzásképessége. De más műfajban is jól produkálja magát az e-féle építés hatása.
A jelenlegi, említett építés meghatározója az elbontott készülékben alkalmazott ezüstvezetékek (NEI1001) hossza. Eléggé sarokba szorított az új szerelvényezés helyigénye miatt. De más megoldások is nehézkessé tették az egészet. Ránézésre én is rondának mondanám az egészet. Azonban a hangja valószínűleg az eddigieket is felülmúlja a Jantzen silver gold kondik miatt. Ezt a felvételek milyensége miatt gondolom. Már megtapasztaltam képességeiket. Sajnos már nem gyártják őket. Így, hogy a szétszerelés során kicsit itt ott megolvadt a felirat rajta mit sem számít a képességeikhez viszonyítva. Az általad feltett kérdésre válaszolva, valóban a panelnek, csak mechanikai szerepe van. Egy elem sincs elektromos kapcsolatba vele, azaz el van szigetelve tőle. Ez vagy üveggyöngyökkel, vagy a levegőbe lógó IC foglalattal van megoldva. Az összekötések vagy az alkatrészek saját lábával, vagy a jelutakba ezüstvezetékkel (NEI1001) van kivitelezve. És ez az egész produkálja azt, amit az előzőekben vázoltam. Kinézetre arra sem vagyok büszke amivel nagy nehezen épp most lettem meg. De meg van! Nagyon izgalmas volt összehozni a térben. Talán a folytatás nem lesz ilyen rázós... És persze szeretném már végre megtapasztalni az eredményt. Idézet: „valóban a panelnek, csak mechanikai szerepe van. Egy elem sincs elektromos kapcsolatba vele, azaz el van szigetelve tőle.” Megnyugodtam és köszönöm a megerősítést. Én is pont ez miatt szoktam NYÁK-ot használni.
Helyükre kerültek a borda-panel teflon szigetelő szalagok. Mint írtam, e szalagokat 5-ös lyukasztóval készítettem elő. Az 5-ös lyuk elégségesnek mondható az M3-as, és M4-es csavaroknak. Ugyanis az M4-es csavar szigetelő alátét vállméretének hossza 1-1,3mm hosszú míg a panel vastagsága jó 1,5mm, azaz a szigetelő alátét nem ér el a panel aljáig. Ezáltal csak a 4-es menet ami a bordába köt, halad át a szigetelő teflon szalagon. A képen az is látható, hogy a két M4-es csavaron a 4mm-es füles alátét, két 4-es alátét között kerül felhasználásra. Ezek biztosítják majd a bordák földelését. (1. Kép)
Sikerült a kimeneti illesztő kapcsolót is elkészíteni anélkül, hogy a tehermentesítő teflonlappal meg kellett volna küzdenem (a kapcsoló lábainak helyének kifúrása). Ugyanis a beszerzett kapcsolót hosszú lábakkal kaptam kézhez. Az új páka is segített ebben, mivel kis helyen, kellő hőt (290C°), rövid idő alatt tudott biztosítani, ugyanis az ezüsttartalmú ónnak ennyi a munkahőmérséklete. (2. Kép) Jöhetett a kimeneti RCA csatlakozók rögzítő forrasztása. Ezt 100W-os pákával szoktam kivitelezni, ilyenkor azonban egy bumszli RCA dugóval rögzítem az aljzat középső pólusát, hogy a keletkező hőhatás miatt nehogy elmozduljon a helyéről. (3. Kép) Összeszerelés… Ilyenkor derül ki a tervezés milyensége. Esetemben nem láttam át az egész átjárhatóságát. Nem akaródzott a kimenet testvezetéket az egész szerelésen átvezetni. Egy darab 12 cm-es 0,8mm-es vezetékem ugyan maradt, de párja az nem, vagyis csak ponttól pontig közel egyenes kötést engedett volna meg. Maradt a megállj, és a vásárlás.
Csak félve kérdezem meg, hogy ez a világ leggagyibb Jaxley kapcsolója és 20 Ft-os RCA aljzatok nem rontják a hangminőséget?
Ha egy kis élcelődés belefér, akkor az említett fogyatékosságokat kompenzálni fogja a "csoki-csatlakozó", a nyomtatott áramkör hiánya, és a bántóan visszataszító megjelenésben rejlő előnyök sokasága.
A látszólag kókányolás gondolom csak a magamfajta pancsereket hivatott megtéveszteni, mert valójában bonyolult számítógépes tervezés van mögötte.
Az is lehet, hogy a mesterséges intelligencia vitte a főszerepet. Ezért nem tudtam átlátni a dolgokat teljes mélységükben. |
Bejelentkezés
Hirdetés |












Nem kell mindent átnevezni. 




















