Fórum témák
» Több friss téma |
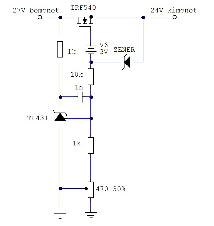
Kedves mentorom jelezte, hogy nem jó a stab FET bekötése! Ezt korrigálnám!
Az a helyzet, hogy a stabilizátor sem az én termékem. De arra emlékszem, hogy Béla azt mondta, hogy válasszak az 530, és az 540 között. Az előbbi többet tud magasban, de nagyobb a torzítása az analizátor szerint, még a második valamivel kevesebb magasban, de kisebb a torzítása. Ezért választottam azt. Az elképzelésed szerinti FET-nek milyen lenne ebben a visszacsatolás nélküli áramkörben a viselkedése a modellezés szerint, azt nem tudom. De nem zárkózom el, hogy utána nézel és azután teszel javaslatot...
Csöves szakikat kérdezem. Megszokott dolog a cső fűtőszálát ellenállásnak használni?
Itt az IRF540 SOURCE követő kapcsolásban a FET SOURCE ellenállása a fűtőszál. Ami ugye vörös izzásig van hevítve általában. Mi a helyzet a zajjal? A zaj a hőmérséklet növelésével erősen nő, itt meg a vörös izzásig hevített fűtőszál a munka ellenállás. Jólvanezígy?
Az elektroncsövek fűtőszálait nem új dolog felhasználni nagyteljesítményű huzalellenállás helyett.
Az '50-'60-as években amerikában gyártott olcsóbb, kisebb teljesítményű végcsöveket használó integrált erősítőkben ez a megoldás sűrűn előfordult. A phono fokozat 2 db 12AX7 csövének a fűtését sorbakötve (2x12,6v) használták a 2 pár végcső közös katódellenállásának. Ez ugye 150ma-es nyugalmi áramot jelentett a 2 pár végcsőnek, a katódhídegítő meg egy 100µF-os elkó volt. Járulékos haszon itt az volt, hogy a phono fokozatnak így "DC" fűtése lett, nem kellett vacakolni külön fűtéstáppal ![]() TJ.
Én csak megütköztem a FET méretén. Nem értek egyet a koncepcióddal, de nem én építem. Ezért aztán nem is érdekel a dolog.
Ezt értem, de ott, ahogy mondod katód ellenállásként alkalmazták, amit aztán kapacitással hidegítettek, gyakorlatilag munkapont beállító szerepe volt.
De itt ez a munkaellenállás. A rajta keletkezett tetemes termikus zaj direktben kijut a kimenetre. Ez nem szempont?
A kiindulási alapom az, hogy ez fűtéskör beiktatás ugyanolyan elvű "occó " megoldás, mint fél évszázados elődje.
Itt hangfrekvenciás jelek lesznek a fűtéskörben, a szivárgás és kapacitív áthatás jelenthet észlelhető hangzásminőség csökkenést. Megjegyzés: az ugye mindenkinek megvan, hogy a fűtéskőr tápjának minősége elsőrangú kérdés a HiFi készülékek esetén? ![]() TJ.
Értettem! Ami jó, az a jó. E szerint készítem majd el.
Dehogy jó. Kell nekem munkából hszaérve rögtön rajzolni. Mindjárt javítom.
A hozzászólás módosítva: Júl 28, 2024
Nem maradtál le semmiről, még a bordamechanika sincs meg egészen.
Tisztázandó a kis kavalkád tápügyben... Az történt, hogy véletlen (vagy direkt?), szóval felcseréltem a D, és az S FET lábakat. Aztán meg kedves mentorom jónak látta a zener diódát a lithium pozitív kivezetéséről a mínuszba tenni, hogy kisebb legyen a szivárgás esélye.
Én meg átrajzoltam magamnak az eredeti rajzolmányom alakjába, mivel az jobban követhető számomra. Hogy a korom, vagy a két stroke-om, de nekem így fekszik jobban.
Compozit fórumtársunk javaslata kapcsán, mindenkinek, információnak...
Kedves mentorom vette a fáradságot, és leszimulált pár FET-et. Ezt írta: 300 Ohmos fülessel bármelyik fet megfelelne, de 32 Ohmos esetén jönnek a gondok. 0 dB (775mV) kimeneti feszültségre vonatkoztatom az adatokat Az első szám a -3dB-es töréspontot jelzi, a másik pedig a torzítást %-ban. IRF540: 40kHz 0,03% IRF530: 70kHz 0,03% IRF520: 95kHz 0,08% IRF510: 110kHz 0,1% IRF610: 120kHz 0,12% Akit érdekel eldöntheti, hogy neki melyik felelne meg jobban.
Nem tudjuk ki a mentorod, de ha Bálának ezt a rajzát akartad átrajzolni, akkor ott látok eltéréseket.
Bocs, hogy ezt mondom, de én nem javasoltam semmit... csak kérdeztem.
Kedves Alkotó, köszi a segítségedet!
Hiába, ez van... Javítottam a buta hibámat.
Hát akkor, remélem Béla válasza kielégít.
Voltam a HQ-ban egy kis ezért-azért. Készültem rá, hogy az elemeknek kell valami tasak a hazaszállításra. Nem szoktam miden gyógyszeres dobozt rögtön kidobni, és ez most jól jött. Azonban elcsodálkoztam, amikor a két elemet egy fémtávtartós zacskóban kaptam meg...
Azzal kezdem, hogy rámértem az elemre, és 0 voltot mutatott. Hát feltettem a nagyítót a fejemre és döbbenten láttam, hogy átlátszó szigetelő cső van rajta. Így én úgy láttam, hogy jó vastag kivezetései vannak. Így jár az aki először vesz a kezébe ilyet. Picit blankolva valamivel több mint 3,6 voltot mértem. Visszavágva felhasználásig majdnem elszégyeltem magam az eladó véleményezése miatt. A V-Cap-nál ilyen probléma nincs, mivel színesek a szigetelők rajta.
El is kezdtem a vásárolt anyagok alkalmazását. A hűtőborda témában már jeleztem a stabilizátor hűtőbordájának felszerelési módját. Most sor került a panel felszerelésére. A mechanika nagyja így megvan. Ugyan a két 2mm-es tömör vezeték tehermentesítője még nincs felszerelve, de a borda méretének megfelelőségének (hőelvezetés) vizsgálatához erre még nincs szükség.
Volt egy pár dolog az elmúlt időben, ami az építésem elé tolakodott. Most azonban végre folytathattam…
Kialakult a stabilizátor panel, és hiba is adódott. Már nem látok eléggé előre, és a 3D is tartogat meglepetéseket. Például feleslegesen került a panelra Gatenek üveggyöngy, mivel csak a 2mm-es tömör ezüstözött vezeték útjában lenne. Közben alul a telep ráköthető stabilan a Gate-re direktben. A tükrözésből fakadóan először próbáltam szimmetriát tartani, de aztán meggondoltam magam, mert a lényeg a rövidebb kábelezés, nem az, hogy mit látni. (Rajz 1, 2) Jöhet az alkatrészek felrakása. Azonban egyelőre csak az egyik panelt zsírozom fel (bordakötés, FET), mert az elég a bordafelület megfelelőségének vizsgálatához. A teflonszigetelők még gyártás alatt.
Régen magam is „gombócban” készítettem a próbaverziókat. Elég volt egy rossz mozdulat a szikrázáshoz. Utóbb már ezt nem szeretem, mivel nem akarom, hogy a véletlen szerepet kapjon, ha nem stimmel valami.
Így történt ez a stabilizátor esetében is. Némi ókumlálódás után lefűrészeltem egy falapból a feltételezett alapméretét a hibridnek. Majd előkotortam egy kapcsolót, meg a vett hálózati csatlakozó aljat és biztifoglalatot, és reszeltem hozzájuk konzolokat. A falap aljára kerültek, mint eredetileg is szeretném. Egyelőre csatornákban szállásolom el a huzalozásukat. Mégse lógjon az alján alkalmilag sem. Változtattam a bizti pozícióján, mivel nem tartottam célszerűnek a megszokott hátfal megoldást. Hiszen, ha elől van, egy csere esetén nem kell semmit megbontani e művelethez. A végleges verzióban az alaplap 3 rétegből áll majd. Az első, ami felül látható majd 10-12mm vastag lesz, a lapszabászat készlete alapján. A második 8mm-es. Ő lesz, mint a vezetéknek a véset a falban a kiárkolt réteg. Ebben haladnak majd a 230 voltos huzalok. A harmadik az alsó szemfedő, ami 6-8mm-es rétegelt lemez lenne. A készülék magas lábakat kap majd, hogy a levegő alulról kellőképpen elérhesse a vertikális folyósókat a belső bordák hűtéséhez. Sok készüléket forgalmaznak ennek hiányával, így könnyen túlmelegszenek. Visszatérve a hibridhez, mivel ez az alaplap az első ötszáz órában kap szerepet, emiatt nem kell foglalkozni a furatok áthelyezésével küllemi okokból. E teszt a borda méretének megfelelőségéről, illetve a táptrafó adott melegedéséről szólna, egy esetleges eltérő kimenőfeszültség esetére. ui.: a vezetékek tömör 1, 1,2, 2mm-es ezüstözött rézhuzalokból készültek teflon és zsugorcső szigeteléssel.
Az ember azt hinné, hogy bemegy egy boltba, és ott mindent meg tud venni, amire gondolt...
Belefáradtam a keresgélésbe… Elkészült az alaplap, azaz a betáp. Ideiglenes puffernek megtette egy bontott 8800uF. Rögzítésre elégségesnek volt mondható a 2mm-es tömör rézhuzal (stabil). A bekötő huzalokat nem szabtam el e kísérlet kedvéért. És jöhet a stab-panel szerelése… ui.. ma kaptam 4mm-es ezüstözött forr-fület, szerencsémre!
Tegnap folytattam volna a munkálatokat, de gyógyszer után kellett futkosnom, mivel időre kell szedni. Így nem aludtam ki magam. Meg még házi munkák, és jöhetett a páka. Türelmesen, nem kapkodva csináltam. Délután bekapcs, és amit nem vártam: 17 volt jött ki belőle, és nem volt állítható. Azt hittem, ezt befejeztem. Így mára maradt az elégtétel. Mindig készítek fotókat a munkáimról, , mivel jó jegyzőkönyvnek, mert már a memóriám nemigen táról szívesen. Mivel elég akkutátus volt az összeszerelés, így szemmel kezdtem a hibát keresni. Ehhez készítettem összefésült képeket. Nem tartott sokáig a hibám megkeresése. Egy 1K-s ellenállás került rossz helyre.
Hibaelhárítás rendben.
Beállítottam kb 24 voltra, és jöhetett a próbaüzem. A borda bőven elégséges. Nem is melegedett, csak a lamellák lamellák között feláramló melegecske levegő volt érezhető. Szóval lehet reszelni a kicsikét. A trafó, ami melegedni fog, de a hűtésével elég a dobozba záráskor foglalkoznom. Ha tetszett, ha nem, hozzáfogtam a pufferszerelvény megtervezéshez. A régi osztott-tápos egyszerűbb volt. Most elég strapás volt a pólusok távolsága miatt a dolog. De megvan, lehet a paneleket elkészíteni, és telepakolni. Szigetelve csak a tartóktól lesz.
Bal oldal
Alkatrész ügyben egy régi kapcsolatom a mesterem. Mindketten a MOM-ban kezdtük anno.
Azonban megbetegedett, kórházban is „lopta a napot”, így igen elmaradt a megrendelésem nála. 100 db körüli alkatrészről van szó. No nem unatkoztam eddig sem, meg én sem vagyok már fiatal. Főleg mechanikai munkákat végeztem a készüléken, és így lett az érintésvédelmi fedél a trafókra. A hálózati trafók általam alkalmazott szerelési megoldása az erősítőkbe menet közben adódott. Lényege, mivel csak prímér oldalon használok biztosítékot, a trafópanelen csak a trafó, és az egyenirányító híd trónolt. Gondoltam egyet, és elhagytam a panelt, ami pénzbe is kerül, a szabdalása lakásban undok, és a maratása meg környezetszennyező. Az ilyen paneltrafókat, ha az oldalára fordítja az ember, akkor a rögzítése ellenére mindenhez hozzáfér, és némi hűtést is kap a trafó az alsó oldalán. A híd gond nélkül felforrasztható felül a szekunder kivezetésekre, a prímér bekötő huzalokat meg a Canamp óta nem szívesen látom szem előtt. Azonban a Canampnál szűkössége miatt nehezen hozzáférhető volt a prímér oldal. Most mivel tágasabb, nyitottabb a próbafalap, és a kivezetések oldalt vannak, jobbnak láttam kizárni a véletlenszerű hozzáférést a prímér kivezetéshez (unokám). Így a trafók kaptak egy-egy érintésvédelmi fedelet. Ez kifejezetten 3D-s nyomtató téma. Esetemben a méretek a mellékletben. ui: sajnos én üreges nyomtatást kaptam. A tömör változatot ajánlom mindenképp. Erre a változtatásra a bejáratási idő alatt nekem is alkalmam lesz.
Általában sem értem mit miért úgy csinálsz ahogy, de most még inkább nem értem. A trafót miért jobb élére állítva felfogatni? Ehhez így kell egy csomó cafrang, maflán néz ki, nem látom benne az előnyös sajátosságokat.
Lefirkantottam (szó szerint egy ácsceruzával a műhelyben) ahogy én jobbnak látnám. Milyen hátrányt látsz ebben a megoldásban, és milyen előnyt remélsz a saját elgondolásodtól?
A Hestore-nál amúgy rogyásig kapható oldalra fektetett típusú Makrai trafó. Pl: Link Persze lehet épp ilyen volt neki a fiókban.
Nem azt látom most itt a fő kérdésnek, hogy élére vagy lapjára, hanem miért jó az eleve adott felfogási irányt elfordítani.
|
Bejelentkezés
Hirdetés |

























































