Fórum témák
» Több friss téma |
Fórum » Theremin
Témaindító: Nils_Europa, idő: Okt 4, 2007
Témakörök:
Természetesen,nagyrészt a katódellenállások intézik. A PCL 82 azért jó mert a trióda Ug : 0.0 V
De még itt is lehet PCL 802, csak akkor feszültségnégyszerező kell a szabályzófeszültséghez. Ennek a szűrését meg egyensúlyba kell hozni a (játék a kondenzátorokkal ) . Az RT Évkönyvben 3x PCL 84-ekkel van megépítve, mert ennek a csőnek ők ( HAM-bazár ) bővében vannak. Készült már ECC,ECH,ECL csövekkel is. A hálózati trafót legjobb,ha maga tekeri az ember. Kellemes Ünnepet : K.L.
THEREMINIAD
Tudtam én, hogy valahonnan ismerős a név, és a készülék ! ![]() Köszönöm az elismerést, remélem a videók is tetszettek! Nálam még nem járt Najmányi László , de gratulált az RCA-hoz. (Katica eljöhetne, igazán...) A hozzászólás módosítva: Ápr 14, 2020
Hátha lehet ebből is némi ötletet meriteni.
Össze pakoltam ,légszerelve ,jöhet a szórakozás ,beüzemelés ,tesztelés ,próba ,stb
AZ RT évkönyvben megjelent cikk /Kóczián László/ tervei alapján pluszz némi más . PCL84, ECL82, PCL84 , Az első próba csövei . A hozzászólás módosítva: Ápr 23, 2020
Indultak az oszcillátorok szépen kicsit korrekcióztam a fix részét ,sipol ,fütyül rendesen
A hangerő oszcillátorom is szépen megy de egyenlőre nem szabályozza a hangerőt ? Jó lenne tudni a lászló hogyan oldotta meg ?
Siketült feléleszteni ,finomitom ,hangolom ,stb
Köszönet Lászlónak a kapcsolásért a segitségért!
Finomitottam amit tudtam ,hangoltam ,stb
A frekvencia a László ajánlása szerinti tartományba lett tekerve. Sajnos semmi zenei hallásom igy csak nyikorogni tudok vele, szerzek valakit aki netán tudna vele játszani némi zenei akármit. Aztán elgondolkom hogy megmarad e dobozolásra vagy megy a többi halott kacatok közé
Sziasztok!
Nagyjából átolvastam a topicot, és kedvem lenne megépíteni egy ilyet. ![]() Kedvem az van, viszont szaktudásom nincs. Van olyan kapcsolási rajz, amit egy abszolút amatőr is meg tud építeni? BOM? Több kérdés is felmerült bennem. Egyrészt, a videókon is látható themerinek egy személyes hangszerek, csak a kézfej mozgatására adnak hangot. Vajon lehet olyat csinálni, hogy egy mozgó/táncoló ember legyen a kapacitív forrás? Másrészt, a csöves thereminek -EcoPityué mindenképp-, rettentően sugároznak. Vajon a hatóságok nem ugranak rá? NMHH?
Sziasztok! Tudom kérdezté már, de rendes választ még senki nem adott. A csatolt képen van egy A egy B egy C és egy K1 kimeneti pont. Arra mit kell kötni, mik lesznek azok? Kérlek egyszerű, és értelmes választ adjatok, mivel eddig még egyetlen erre rákérdező sem kapott választ. Mindenkinek köszönök mindent, hasznosak
Ennél a képnél azért kicsit jobb kellene.
Az első oldalon levő kapcsolási rajz az. Bocsi mindenkitől! fazksg 3 darab rajza volt.
Szia!
Van egy pár kérdésem.... Mekkora a mozgási tartomány? Milyen frekvencián működik? Egy beültetési rajzot is tudsz mutatni?
Sziasztok!!
Ezt a szépséget az "Everyday Practical Electronics 2008 májusi számában találtam... Mivel nyákot még sose terveztem, egy ideig eltarthat, de a nagyon közeljövőben szeretném megcsinálni teljesen. Ha esetleg érdekel valakit, profi munkát kívánok mindenkinek
Először is üdvözlöm az urakat ! Boldog újévet kívánok !
Valami történt (vagy itt vagy a gépemmel ) De 2021.06. 7-el véget érnek a hozzászólások nálam. Azóta sok minden változott, a hangszer is nagy átalakuláson ment át. Üdvözlettel : Kóczián László 2022.01.11. kedd
Akkor írd le ide mi változott és máris lesz friss bejegyzés.
Engem is érdekel...
Szervusztok
zolika60 és Rober_4 Kipróbáltam a vezetéknélküli változatot. Egy URH kisadót csatlakoztattam a hangkimenetre. Ha a rádiót szépen ,hosszasan behangoltam akkor jó volt néhány m távolságig. A hangminőség nem változott,csak ha a rádió elhangolódott. Nem javaslom,nem igazán stabil. Ámde ezt is kipróbáltam.A másik egy aktív hangfal amit készítettem, ezzel szépen szól a hangszer. Ez azért jó, mert ha bemutatót kell tartani csak összedugom és kész. Nem kell a nagyon változó erősítőkhöz alkalmazkodni.A hangszer alakulása : öt tranzisztorral stabil theremin készült. Fogadásból,hogy mennyi a minimális alkatrész - amiből még kijön - a minőségből nem engedve. Megjelent a RT. novemberi számában. Üdvözlettel : Kóczián László 2022.02.18.péntek
Nem tudod ide feldobni a rajzát? Már régóta szeretnék egy ilyen hangszert...
Sziasztok!
Egy kicsit elhanyagoltam a dolgot, viszont alkatrészek megvannak, csak a rajzolvasás nem halad. Nem tudom értelmezni a ⬆️ (ilyen található a VR5/8/9 poti anód kivezetésén (talán +9V menne mindegyik nyílra?
Szóval minden egyes nyilat +9V-ra kellene tenni?
És mi a helyzet a kis karikával(Ami pl található az IC1nek az 1. számú kivezetésén....)?? Még ötletem sincs rá
Azok mérőpontok.
Habár a D2 környékét én se tudom hova tenni. A hozzászólás módosítva: Ápr 20, 2022
Lett eszem és átolvastam a magazint megint, és kiderült, hogy a Júniusi számban egészen szépen végigviszi a májusi részt. Alkatrészrajzzal együtt, van NYÁK-terv is, szóval minden pacek, meg kell rendelni - vagy csinálni - és össze kell rakni
Bár én itt nem látom, remélem kaptatok hozzá linkeket....
Sziasztok!
Kíváncsiságból építettem én is egy ilyet. Működik, de se doboza nincs és még biztos foglalkozni kell még vele. ( 0antenna csatoló tekercs, hangolás). Ha valaki lát benne fantáziát felteszem az apróba.
Nekem olyan kellene, ahol le tudom a két vezérlőjel feszültségét szedni. (hangmagasság hangerő)
Itt csak az egyik jel feszültségének levételére látok esélyt. Ugye én feldolgoznám Arduinóval és Midi vezérlőjellé alakítanám...
Sziasztok! Nem nagy mozgás van ezen a fórumon, ezért is gondoltam, hogy megosztom az thereminnel kapcsolatos dolgaimat. Régóta nézegetem, hogy jó lenne építeni, de idő hiány miatt elmaradt. Most viszont nekifogtam, mert találtam egy jó oldalt, és az ott leírtak alapján építgetem. Elsőnek egy FET-es változatot kezdtem építeni, az éjjel eljutottam odáig, hogy már van hallható és kézkapacitással hangolható hang. Még dolgozni kell rajta, de egyelőre a hangerő szabályozót nem építem, mert ha nem tudok vele valami dalt lejátszani, /tanultam hegedülni, hátha a Boci-boci-t le tudom játszani./akkor nincs értelme tovább pazarolni az időt rá. Berakom a linkeket, és egy képet arról amit építek. Bővebben: Link Bővebben: Link Bővebben: Link Bővebben: Link Igaz, hogy német oldal, de a Google szépen lefordítja.
A FET-es rajz a 3.oldalon van. Remélem, hogy tudtam segíteni. Sok sikert az építéshez!
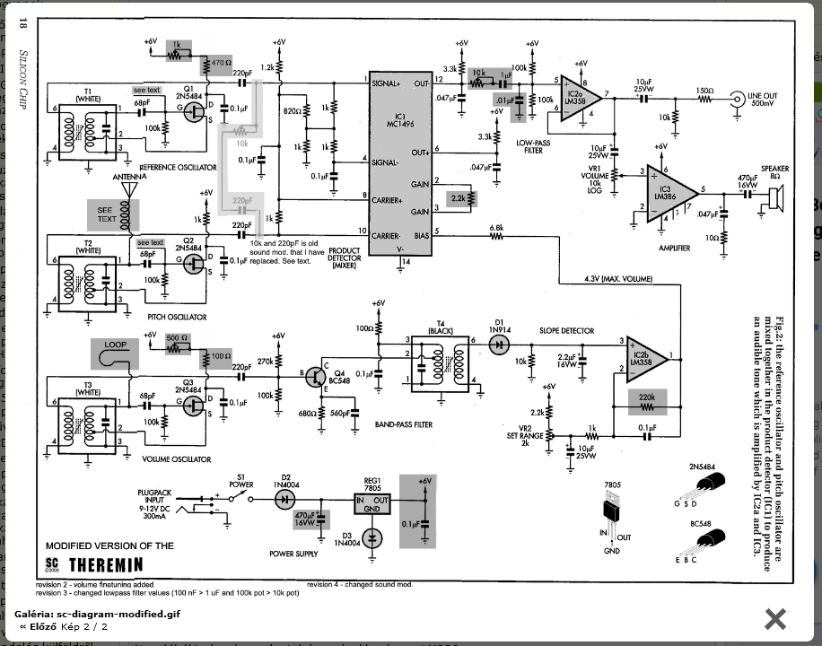
Sziasztok! Rég voltam már erre, de elég nehéz összeszedni pár dolgot. A NYÁK-lapot sikerült kimaratni egy kedves ismerős segítségével, és neki is indultam összerakni, mondván, mindjárt megérkezik minden kellő alkatrész. Ott bukott a dolog, hogy MC1496-ot, már csak SMD IC-ként árulnak, nem tudom, ti tudnátok szerezni valahonnan? A másik gond a VR13 nevezetű patkó potival van, amit nem tudok megtalálni..... Egy potinak 3 lába van. ennek viszont 4 kellene, és más elrendezéssel is, mint egy sima..... Szóval nem tudom miért meg hogyan..... azt sem tudom, hogy szerezhetnék?
Ezen az oldalon megtalálhatjátok a theremint, amin dolgozom, és a hiányzó alkatrész az idézettel jelölt darab..... (meg az MC1496) Idézet: „1 10kQ trimpot, horizontal (code 103) (VR13)” A Theremin weboldalai: https://archive.org/details/EPEMagazine/EPEnonlinear.ir2008-05/page...de/1up https://archive.org/details/EPEMagazine/EPEnonlinear.ir2008-06/page...de/1up |
Bejelentkezés
Hirdetés |
























