Fórum témák
» Több friss téma |
Mielőtt kérdezel, a következő két dolgot ellenőrizd!
I. A helyes tápfeszültségek megléte.
II. A kimeneten van-e egyenfeszültség.
Csak így működik benne az áramgenerátor.
Ja igen már látom hogy az eredeti kapcsoláson a katódra van kötve ennél pedig az anódra.
Szia! Lenne pár kérdésem. Mások által tervezett kapcsolásban ami egy STK0050 helyettesítője.
Az lenne a kérdésem hogy mi célt szolgál a kapcsoláson a két végtranzisztor collektorában az a dióda és hogy ezt miért is tették bele hiszen az eredeti kpcsolási rajzán nem szerepel. És az előfeszítő áramkörből is kihagyták a 2 diódát. Az én meglátásom szerint a collektorban levő dióda szerepet játszik a nyugalmi áramban de akkor annak a hűtőbordához kellene csatlakoznia. Vagy tévesen gondolom? Csatolok pár képet.
Szia! Hozzád irányúlt a kérdésem csak véletlen magamnak válaszoltam!
Bővebben: Link
Szia! Azért nem engedtem el teljesen a te problémádat az STK-val kapcsolatosan. Az lenne a kérdésem hogy még megvan-e az eredeti STK? Mert akkor még azon talán nincs minden veszve.
Szia! Úgy emlékeszem már korábban volt szó ezekről a diódákról és semmi szerepet nem találtunk neki. A nyugalmi áramhoz biztos nincs köze.
Ezért nem világos számomra sem a dolog. Sőt akkor a gyártó is használta volna őket. Lenne még egy kérdésem. Gyártották az STK0050 et és társait ami 0.1% THD a gyártó adatlapján és az STK1050 és társai 0.02% THD Az IC-k felépítése alkatrészekben ugyan az mármint a darabszámra és a belső kapcsolásra gondolok. Az STK1050 annyiban tér el hogy tartalmaz a tok emitter ellenállásokat amiket meg is lehet kerülni és még az 5. és 6. láb is ki van vezetve de sok esetben ezeket sem használták magyarul simán ki lehet váltani vele a 0050 et és fordítva is. Itt a felhasznált alkatrészek minősége határozza meg a THD értékét? Pl: jobb tranzisztorokat alkalmaztak?
Elképzelhetőnek tartom, hogy az emitter-ellenállásos packba a jobb tranzisztorokat válogatták.
Szia!Eddig dolgoztam a driever megépítésén. Első körben egy prototípúst raktam össze. A végleges kidolgozás egy alumíniumra legyártott nyák. Csak azt kicsit nehezebb forrasztani ezért még azzal nem foglalkoztam. Szóval teszteltem a drivert és a végfok modulokat is. Bemenet 50Hz színusz a kimeneten 20V AC és 5A körüli áram folyt 4 Ohm műterheléssel. Tápfeszültség +/- 47V Ez kb 100W volt ventillátorral hűtöttem közben a bordát de még így is forró volt. Kb 10 percet járattm így. A kimenetek DC egyensúlya is kielégítő. Jobb és bal oldal 37 és 17mV. Hangszóró próba még csak rövid volt de semmi zaj nem hallható a magasakon sem. És mindkét oldal fülre torzítás mentes. Be kell szerezzek egy scopot hogy meg tudjam mérni a jelelak torzítást is. De az majd odébb lesz. Egyenlőre ezzel is beérem.
Teszek fel képeket. A hozzászólás módosítva: Júl 13, 2024
Aztán elkészült az alumínium nyákra szerelt verzió. Így egyenletesebb a hőeloszlás az alkatrészek közt és a hővezetés is sokkal jobb. Látszott is a forrasztásnál ide már extra fűtést kellett használnom. A képeken látható egy szétszedett STK3062 is még működik de nem az igazi szerintem valamit kapott ez is amikor a végfok modulok tönkrementek. Szétszedés után már az egyik kimeneten 0.5V DC volt.
Éppen javítok egy Technics SU-C03 erősítőt. Ami még hajszál híján működött. Mindkét csatorna látszólag jó volt de az egyik oldal kicsit kissebb jellel reagált ugyan arra a hangerő beállításra. Tettem rá egy 4 ohm műterhelést és 100Hz bemenő jellel lassan emeltem a hangerőt és kb 5-6V kimeneti AC feszültség elérésénél az erősítő védelme elkeztdett ki be kapcsolgatni. Ezt pár x megcsinálta aztán a kimeneten 8-9V DC jelent meg, persze a védelem lekapcsolata a kimenetet. Az STK1050 megadta magát. Igazából nem lett zárlatos csak megszakad a PNP oldal Emitter és a meghajtójának az Emittere szintén. Ez legalább eredeti STK volt. Csináltam pár képet a belsejéről és kimértem az ellenállásokat is.
Üdv!
Valaha régen STK025-össel csináltam egy kb. 50W-os erősítőt, két különálló mono panelre, így lett sztereó a cucc. Sokáig nem használtam, most újra be akartam üzemelni - tulajdonképpen működik is, de csak külön-külön jó, ha mindkettőre ráadom a tápot, percek alatt forróra felmelegszik. Bemeneti jeltől függetlenül. Értelemszerűen egy közös trafóról kapják a tápot, és furcsa, hogy külön-külön mindkét oldal jól muzsikál. Tudnátok segíteni, hogy mi lehet a baj? Az is lehet, hogy valami evidens dolog, régóta nem foglalkoztam ilyesmivel (az STK025 nem mai cucc).
Üdv! Pár napig járasd külön-külön a csatornákat, hagy regenerálódjanak a tápszűrő kondenzátorok. Elképzelhető, kölcsönhatásba lép egymással a két erősítő és gerjed.
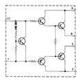
Dolgozom egy kompakt méretű STK1050 helyettesítőn. Ami méretben egyezik az eredetivel. De elakadtam a nyugalmiáram beállításánál. Ugyanis nem tudom szabályozni és a +/- ágban bekötött 230V/100W izzók világítanak. Már próbáltam 2 fajta nyugalmi beállító tranzisztort is.Mert arra gondoltam hátha a nagyobb erősítés miatt lehet a gond. De a kisebb erősítésűvel is ugyan az a hiba. Berakom a képet a kapcsolásról. Azon rajta van a kettő nyugalmi állítónak a típusa. Vagya az ellenálláshíd nem jó.
Szia! A plusz és mínusz IN mire van kapcsolva?
Ezt a modult az Onkyo A-44 ben akarom tesztelni. Abban egy STK3102 replika megy most. DE amit már fentebb írtam az STD sorozatú darlingtonokkal tökéletesen működik. És van egy eredeti még működő STK1050 azzal is tökéletesen működik a driver.
A hozzászólás módosítva: Aug 24, 2024
Úgy értsem bekötötted az Onkyoba a replika áramkört?
Igen! Ezzel a verzióval működik. Csak az utóbbival nem akar. A rajzon a R1 R2 0.22 Ohm akar lenni.
A hozzászólás módosítva: Aug 24, 2024
A rajz pedig jó, az építés valahol eltér tőle.
Melyik rajzra érted hogy jó? Az STD verzióra vagy az elöbbire? A meghajtó tranzisztorokat is kipróbáltam másik verzióval hátha az a gond de úgy sem megy. Az elöbbi meghajtók ezek voltak.
A hozzászólás módosítva: Aug 25, 2024
A replika nevű kapcsolásról beszélünk.
Fotózd le a panelt, ha nem sikerül a hibát megtalálnod! Az élesztéshez nem szerencsés a driver használata. A +IN és a pozitív táp, valamint a -IN és a negatív táp közé tégy olyan értékű ellenállást amin 10 mA áram fog folyni. Akár 12 V-ról is éleszthetsz. Régi vesszőparipám, hogy az élesztés első fázisában a végtranzisztorok ne legyenek beültetve, csak a B-E lábak helyét kössük át egy-egy 100 Ω-os ellenállással. Ha ezen az ellenálláson eső feszültséget 0,55-0,65 V tartományban tudjuk szabályozni a nyugalmi áram állítóval akkor mehet bele a végtranyó.
Beteszem az első verziót amiben a meghajtók, a PBHV tranzisztorok. A rajzon a D1,D2 át lett kötve. De ki lett próbálva dupla diódával is ami BAV99 volt. Az emitter ellenállások a 4. és 8. lábakra vannak kötve. A nyákon látszik hogy a végtranyók emitteréről vannak lehozva csak a rajz nem ábrázolja magukat az alkatrészeket.
A hozzászólás módosítva: Aug 25, 2024
Bekarikáztam egy bekötetlen kollektort.
Igen azt írtam hogy az átvan kötve a 9. lábra. Csak a rajz nem mutatja. És a korábbi írásomban látom hogy nem látszik amit írtam gondolom a szerkesztés miatt kifutottam az időből
A hozzászólás módosítva: Aug 25, 2024
A lényeg, készítsd el az ajánlott teszt áramkört és azon minden hiba ki fog mutatkozni.
Ha beépíted a diódákat akkor az R5-öt (3k9) át kell méretezned kisebb értékűre (1k5-1k8).
Igen mint ebben az eredeti STK ban is van. A diódák után levő ellenállások. Bővebben: Link Rendben összerakom úgy ahogy írtad. Kipróbálom a +/- 12V os táppal.
Szükségtelen a szimmetrikus táp. Lerajzoltam sima 12 V-ra. A rajzon látható R10 az 1k trimmer középállását helyettesíti.
Mikor berakod a végtranzisztorokat, köss sorba a táppal egy izzót védelemnek és egy 1-10 Ω ellenállást söntnek, az áramfelvétel méréséhez, ha nem rendelkeznél labortáppal. A hozzászólás módosítva: Aug 25, 2024
El is készítettem az áramkört. Van labortápom. 12V 100mA áramkorlátot állítottam be neki, az 1k poti a 2k. A 100 Ohm ellenálláson eső fesz minimum értéke 1.71V a maximum érték 2.05V Ezek szerint az ellenálláshídon kell változtatni. A feszosztó nem jó.
És amúgy miért választott a gyártó inkább dupla diódás megoldást mint csak sima ellenállást? Esetleg valami driver védelem?
Külön nem tértem ki rá, de érdemes megnézned a 100 Ω segédellenállások közös pontján a fél táp mérhető-e.
A várnál háromszor magasabb feszültség érték oka lehet a nyugalmi áram szabályzó tranzisztor szélsőségesen alacsony bétája (min. 100), vagy a 3k9 ellenállás értéke nagyobb a névlegesnél. A 2k poti helyére tegyél be 1k ellenállást és a 3k9 helyére tedd be a potit soros 1k ellenállással. Ezzel kikísérletezheted mekkora ellenállás kerüljön a 3k9 helyére. Az eredeti IC-ben a diódák valószínűleg a nyugalmi áram stabilitását növelték. A diódák melegedése csökkenti a nyugalmi áramot. A tranzisztorok közötti hővezetés és a tok belső hőmérsékletének alakulása így adhatta az optimális karakterisztikát. Neked is meg kell oldanod, hogy az öt tranzisztor között jó hővezetés legyen! A hozzászólás módosítva: Aug 25, 2024
|
Bejelentkezés
Hirdetés |





































