Fórum témák
» Több friss téma |
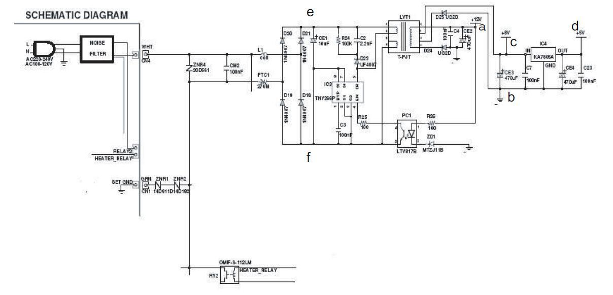
Electrolux EWT10111 E6H hibakódSziasztok!Electrolux EWT10111 mosógép E6H hibakóddal leáll. Találkoztatok ezzel a hibáva és esetleg a javitásával?
Szia Zaza!
Megméregettem az alkatrészeket semmi kiugrót nem találtam. Kicseréltem az LM7805 -öt meg a Tny- nt Kiszedtem a nagy kondit 10µF 500v. Az izzót amit ajánlottál tényleg bejött. Azt külön köszönöm. Tehát a kondi nélkül az izzó stabilan világít. Olvasgattam a netet és találtam egy régi külföldi oldalt ahol egy nagyon hasonló vezérlőt elemeztek. Ott a PTC1 ről beszéltek ami nem derült ki hogy sorba vagy párhuzamosan van kötve, de most hogy kivettem az izzó nem kapcsolódott fel. De már nem volt több időm tesztelgetni. Holnap folytatom. Addig is köszi a segítséget
Ez így zavaros. A kondi és a 7805 kell bele és úgy kell izzóval tesztelni. Mivel hiányzik a stabic így nem dolgozik a tny sem. Az izzónak halványan szabad csak világítani. /Teljes fénynél zárlat van/ A PTC sorba van kötve a bemenettel, áramkorlátozást csinál. Általába 6-10 ohm.
Szia Zaza99!
Ma se sokat tudtam foglalkozni a mosogépemmel. Lassan elönt a szenyyes ![]() Viszont keresgettem a neten és ezt találtam: A betáp része teljesen megegyezik az enyémmel így gondoltam közkincsé adom Szép estét. Mosógép kezelőszervek anyagaSziasztok!A háztartási mosógépek műszerfala (vagy hogy hívják) milyen műanyagból szokott lenni? Sajnos eltörtem egyik csavar helyét, így az most nem fog. Érződik is a hiánya. Lényeg, hogy szeretném megragasztani, csak nem tudom mivel érdemes próbálkozni. Ez már vagy egy éve történt, szóval nincs előttem most szétszedve a készülék, ezért nincs tippem milyen anyag lehet. LG WD-80302NUP a pontos típus.
Én is a kétkonponensűt mondanám, de előtte rossz pákaheggyel rücskösre melegítgetném mert úgy jobban hozzátapad (tart) a ragasztó.
Üdv. M.
A fórum teles felületen tilos az apróhirdetés!
siemens xs 440 vezerlö panelsziasztok.Adott egy Siemens siwamat xs 440 mosógép.Vezérlöben kifüstölt a táp része és ket db ellenállás erteket nem tudom.ha esetleg lenne valakinek kapcsolási rajza azt megköszönném. Vestel vezérlő hibaÜdv.Segítsséget kérnék mosógép elektronika javításban. Egy Vestel elektronikás gép ami ajtózár hibára állt ki. Ajtózár csere után egy adagot kimosott. Következő indításnál ismét ajtózár hiba. Nem zárta be az ajtót, majd mosás végére "End" re ugrik. Ezt követően kidobja a hibát. Alapos vezérlő mosás- tisztitást követően programkapcsoló elfordítása után rögtön zárja az ajtót, majd "End" és kiáll a hibára. Proci ajtózár vezérlő kimenetén ilyenkor váltakozva kapcsolgassa le-föl az 5 V ot. Átvizsgálva hideg forrasztást nem találtam. Szkóppal meglestem a tápokat és nem hullámosak tehát kondik rendben. Ajtózár triakk rendben. Mit javasoltok merre kutakodjak vagy lehet e működésre bírni ezt a vezérlőt.? Csatolok pár fotót. A hozzászólás módosítva: Okt 22, 2024
Köszönök mindenkinek minden tippet!
Főleg Zaza99-nek. Kiszedtem a D25-öt (leválasztottam a 8V ot) Így csak a 12v os rész maradt. Áram alá helyeztem egy 60 wattos izzón keresztül. És az izzó nem világított. HURRÁ a 8 Voltos rész a hibás! Megmértem és a CE1 en 300VDC, a CE2-n 12VDC volt. Kiszedtem CE3-at és visszatettem D25-öt És elindult a panel
Szia!
Nem tudom hogy mérted a triakot, de megérne egy cserét. Láttam már sok olyan esetet, hogy jót mutat a triak aztán mégsem működik rendesen. Üdv, Palkó.
Megerősítem, nekem is volt ilyen esetem, centrifugázáskor ki-ki hagyott a gép a triak miatt. Csere óta tökéletes.
Szia.
Triakot eltávolitva nem változik a helyzet. Érdekes hogy ajtozár hibát eröltet.
Ha csak kivetted a triakot az még nem jó, azért simán érthető a hibajelzés. Tegyél be egy tuti jót.
Motor szénkefék rendben vannak? A hozzászólás módosítva: Okt 23, 2024
Motor triak csere után egyenlőre megy a gép. Nem akarom elkiabálni de jónak tűnik. Hétfőig mosnak mert van mit
és jelentkezem. Köszönöm a tippet.
Szia , nem tudom lett e megoldás , idő hiány miatt ritkán járok erre . E6H Electrolux mosógépeknél az öndiagnosztika rendszere , fűtéssel kapcsolatos hibát észlelt . Leggyakoribb hibák a fűtőelem szakadás , vagy szivárgás (szigetelés vizsgálóval lehet kimérni ) kábelezési probléma vagy panel hiba . Hiba javítása után törlődik .
Samsung WF1602wsc mosógép indító áramkörÜdv mindenkinek! Új felhasználó vagyok. Samsung WF1602 mosógépem pár napja menet közben "eldobja" a betápot, majd dugaljból kihúzva-visszadugva tovább fut a program. Sajnos, mára már többször is újra kell indítani. Az indító relére gyanakszom, ha valakinek van tapasztalata a cseréjében, vagy esetleg áramköri rajza, megköszönöm a segítő szándékát!
mosógépben nincs indító relé, ajtó retesz van az viszont lehet hibás.
Valószínű, félreérthetően fogalmaztam, nyilván nem motorindítóra gondoltam. A betáp megjelenése után kap a kezelőlap tápot, hogy a "power" gombbal indítani lehessen, illetve fesz.kimaradás után nem kell a "power", fut a program. De ez nem mindig történik meg, hiába van rajt a 230 V, nincs vezérlő fesz. Én erre a standby( vagy "indító") áramkörre gondoltam, ami valószínű egy relével ad tápot a további áramkörök részére. Sajnos nincs rajzom, ahogy írtam, így nehezen bogozom ki, ehhez kérnék segítséget !
Ki kell csomagolni azt az elektronikát a kiöntő gyantát lekaparni és méregetni. Rajzot nem igen fogsz találni. A samsung híres a forrasztási hibákról. Még az is lehet, hogy csak el van repedve valahol. Általában a reléknél, táp IC nél, Motormeghajtó IC nél...... de lehet valami rossz érintkezés, kábeltörés is a vezetékekben.
Talán van ilyen panelom (kép nélkül nem tuti)... Talán inkább a táp lohad le, mikor több relé aktiválódik egyidőben. Kondi kapacitásvesztés/egyébb.
A hozzászólás módosítva: Nov 5, 2024
Tettem fel pár képet, talán megjelenik. A motorvezérlő panelon lévő segédtápból 12 V helyett csak 7,8 V jön ki, de az elsö képen lévő két relé 230 V-os, ők sem műkszenek. Az alkatrész csere ezen a panelon nem nyerő, vastagon műgyantában van, alul-felül, csak kitörni lehetne. Úgytünik, csak komplett panelcsere jöhet szóba
Nem olyan erős az a gyanta, inkább zselé. A panelt ketté lehed szedni hidd el. De amúgy mintha látszanának az égésnyomok.
A hozzászólás módosítva: Nov 5, 2024
"relé 230 V-os" Ez mi lenne?: A kapcsolt feszültség értéke, avagy a relé működtető tekercs feszültsége?
Meg van ott egy nagy kék 680 nF-os 275V-os kondenzátor... A hozzászólás módosítva: Nov 5, 2024
Jól látod, egy ic alaku valami és a környezete a gyanta alatt kormosnak tünik, jó lenne kiszabadítani. De ez s gyanta nem adja meg magát, nagyon ragaszkodó….
12V dc a relék tekercse! 230V AC a kapcsolt fesz.
|
Bejelentkezés
Hirdetés |














és jelentkezem. 




