Fórum témák

» Több friss téma
Fórum » STK erősítők javítások
Mielőtt kérdezel, a következő két dolgot ellenőrizd! I. A helyes tápfeszültségek megléte. II. A kimeneten van-e egyenfeszültség.
Lapozás: OK   45 / 46
(#) sylvanus67 hozzászólása Nov 29, 2024 /
 

STK459

Van egy Hitachi SR2010-es erősítőm.
STK459-es IC van benne
Az a gondja, hogy a hangja kis hangerőn is nagyon torzan szól.
A potenciométereket (hangerő, bass, treble) tekerve recseg.
Javítható gazdaságosan?
Mi okozhatja a torzítást?

(2x40 W-ot találok a neten róla, de az STK459 csak 2x15 W-ot tud, ugye?)
(#) btamas81 válasza sylvanus67 hozzászólására (») Nov 29, 2024 / 1
 
Legelőször a becsatoló kondikat nézd meg. Én cseréltem már feleslegesen emiatt stk-t, pedig csak a kondi volt rossz.
Ha mégsem kondi baja van , egy új stk sem veszett összeg 2500-4000 között vannak. Tehetsz bele 463 vagy 465öt is. Annyi, hogy ezek már nem eredetiek, utángyártottak, de ez van. Működni fog.
Potmétereket meg lehet tisztítani. Én féktisztítóval megfújom, tekergetem, ezt eljátszom párszor, utána egy csepp műszerolaj bele.
Ha pedig nagyon bele akarsz merülni, lehet az stk helyett valami más végfokot tenni bele. Én az egyikbe egy VF2-őt építettem be.
(#) sylvanus67 válasza btamas81 hozzászólására (») Nov 29, 2024 /
 
Kösz, csak minimálisan értek hozzá, meg eszközparkom is csak minimális.
A becsatoló kondik azok a nagy böhöm 4700 mikrósok? Azokat meg tudom nézni. Annyit áldozok rá.
(#) btamas81 válasza sylvanus67 hozzászólására (») Nov 29, 2024 / 1
 
Nem, a 4700esek a pufferkondik. Az stk környékén lesz oldalanként egy-egy kicsi 1-2,2µF körüli kondi. Fotózd már le a panelt, hogy látszon a stk és környéke.
(#) sylvanus67 válasza btamas81 hozzászólására (») Nov 29, 2024 /
 
Parancsolj
(#) btamas81 válasza sylvanus67 hozzászólására (») Nov 29, 2024 /
 
Ezeken a képeken nem látszik, de a C701/C702 keresd.
(#) sylvanus67 válasza btamas81 hozzászólására (») Dec 2, 2024 /
 
ilyenem van

a1.jpg
    
(#) sylvanus67 válasza sylvanus67 hozzászólására (») Dec 2, 2024 /
 
Közben rájöttem (?) a panelen kellene keresnem.

Na majd otthon.
(#) btamas81 válasza sylvanus67 hozzászólására (») Dec 2, 2024 /
 
A két becsatoló kondit keressük. Annak szerintem a C701/C702 a száma. A panelen lesz, az egyik az stk 1es a másik a 16os lábával van összekötve.
Ha mégis az stk rossz, 463 vagy 465 vegyél.
(#) sylvanus67 válasza btamas81 hozzászólására (») Dec 3, 2024 /
 
kerestem tegnap de nem találtam
van C701, C703, C704, C708, stb de C702-öt nem találok

na akkor majd ma az alapján amit írtál
(#) Laci66 válasza sylvanus67 hozzászólására (») Jan 20, 2025 /
 
Szia!
Pótoltad már a hiányzó biztosítékot?

Bizti.jpg
    
(#) Aldure válasza Aldure hozzászólására (») Feb 1, 2025 /
 
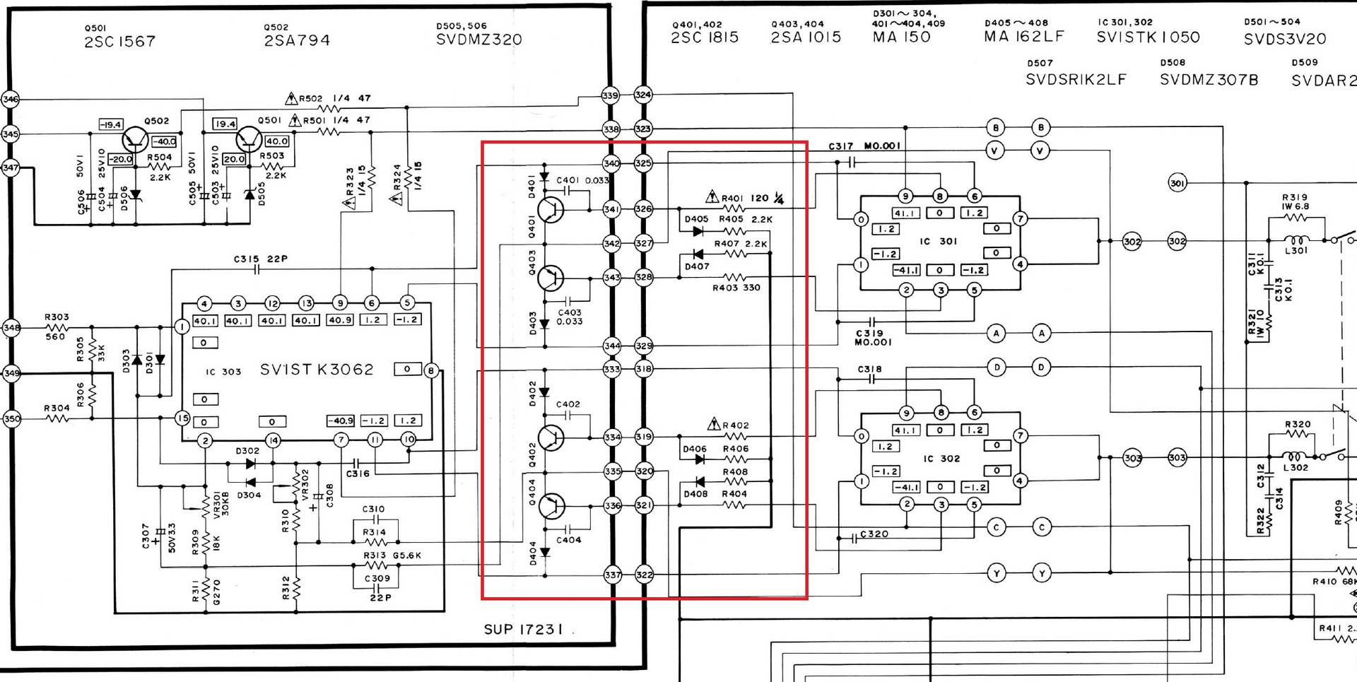
Sziasztok! Lenne egy kérdésem egy Technics SU-C03 erősítő kapcsolási rajzával kapcsolatban.
Van egy fokozat a diver és a végfok között amit nem igazán értek. Esetleg valaki elmagyarázná hogy ez mit is akar csinálni? Én kimeneti DC eltolás figyelésre gondolok, lehet hibás a feltevésem.
A végfok modulok STK1050. És a C317,18,19,20 szerepe?
A hozzászólás módosítva: Feb 1, 2025
(#) reloop válasza Aldure hozzászólására (») Feb 1, 2025 / 1
 
Szia! A piros vonalak által határolt mezőben található áramkör neve: visszahajló karakterisztikájú áramkorlát. Ha nem segít a gugli, akkor szívesen leírom a működését.
A kondenzátorok fáziskorrekciót végeznek.
Mindkettő elterjedt áramköri megoldás, csak a szokatlan rajzolat nehezíti a felismerésüket.
(#) Aldure válasza reloop hozzászólására (») Feb 1, 2025 /
 
És ezt az áramkorlátot és a fáziskorrekciót más gyártok, miért nem használták? Pl Onkyo az A-44 ben. Vagy ez csak egy extra?

Onkyo.jpg
    
(#) reloop válasza Aldure hozzászólására (») Feb 1, 2025 / 1
 
A fáziskorrekció a megfogalmazott igényeken és a többi korrekciós tag kölcsönhatásán múlik.
Az A-44-ben az F501 biztosíték korlátozza a kimenő áramot.
Úgy az elektronikus áramkorlátnak, mint a biztosítéknak vannak hátrányai is. Mérlegelés kérdése melyik ujjunkba harapjunk bele
(#) matyusz hozzászólása Márc 12, 2025 /
 

STK465

Sziasztok!
Valaki próbált már esetleg utángyártott STK465-öt módosítani, hogy lehessen nyugalmi áramot állítani? Alacsony hangerőn torz. A nyugalmi áram terhelés nélkül és nem rövidre zárt bemenettel 23mA. A válaszokat előre is köszönöm!
(#) reloop válasza matyusz hozzászólására (») Márc 12, 2025 /
 
Szia! Az STK465 4 illetve 13 lábakhoz kapcsolódó ellenállásokat mérd meg. Adatlap szerint 3k3+1k megy a pozitív táp felé.
(#) matyusz válasza reloop hozzászólására (») Márc 13, 2025 /
 
Köszönöm, megnéztem és ha már ott voltam az ellenállások nagy részét, mind rendben volt. Bár több eltérés is van a gyári ajánláshoz képest, értékek és magát a kapcsolást nézve is egészen addig, hogy a hangszínszabályzó potikhoz is van visszacsatolás az stk kimenetéről. Egy részét visszarajzolom hamarosan. Az elkókat még sok évvel ezelőtt cseréltem mindet, csak a kerámiákat nem és ami a kimenten van fóliakoni egy ellenállással a testre, azt nem. Egy Bayreuth Micro SV-281 az alany, de rajzot nem találtam hozzá.
(#) reloop válasza matyusz hozzászólására (») Márc 13, 2025 /
 
Járasd meg jól a hangszínpotikat, mert a rossz csúszka érintkezés is okozhat torztásra emlékeztető hibát.
Az STK utángyártás sajnos gyakran problémás. Mivel kis szériában készül, meg kell rabolni a technológiát, hogy beleférjen a piacképes árba.
(#) matyusz válasza reloop hozzászólására (») Márc 14, 2025 /
 
Azokkal nincs gond, nem kontaktosak. Gondoltam egyszerűbb lesz lekötni az stk bemenetéről a jelet és közvetlen, vagyis egy potin keresztül adni neki a jelet, úgy kizárható a hangszín és minden egyéb. Így is torzít kis hangerőn, de jóval kevésbé, mint az alap felállással, csak az tűnt fel, hogy sokkal több és erősebb a mély így. (Fel volt tekerve a mélyhang potija) :O Tehát tévedtem, mert a visszacsatolásból még így is megy a hangszínszabályzás. Szóval hamarosan visszarajzolom a katyvaszt.
A hozzászólás módosítva: Márc 14, 2025
(#) matyusz válasza reloop hozzászólására (») Márc 15, 2025 /
 
Az egyik oldalt vissza rajzoltam, remélem jól látható és olvasható.
Bár most látom a -Vcc nél rosszul jelöltem a dolgokat a kondi bekötéssel együtt.
A hozzászólás módosítva: Márc 15, 2025
(#) xxxyyy hozzászólása Márc 23, 2025 /
 

NOS STK

Sziasztok,

Ezeket egy olyan helyről vettem pár éve, ahol egy hatalmas NOS készlet van. Kínai hamisítvánnyal, vagy ebben az évezredben gyártott alkatrésszel még nem találkoztam náluk.
Meg lehet valamiről állapítani, hogy a 436-os és a 437-esek eredetiek-e?
(#) sylvanus67 válasza Laci66 hozzászólására (») Máj 14, 2025 /
 
Hú, régen voltam itt.
Közben műszerész kollégáim kézbe vették a dolgot.
Hozattam egy STK463-ast a hqelektronikától.
Kicserélték a fiúk, de a hangszórón megjelenik a tápfeszültség, úgy hogy ezt buktam.
(#) zsozso72 válasza xxxyyy hozzászólására (») Máj 15, 2025 /
 
Szia!

Ilyen készletből hogy lehet hozzájutni STK IC-hez?
(#) xxxyyy válasza zsozso72 hozzászólására (») Máj 15, 2025 /
 
Vaterán hirdetett mindenfélét, de már egy jó ideje eltűnt.
(#) metabo123 hozzászólása Nov 27, 2025 /
 

Mini hifi végfokának hasznosítása

Sziasztok.

Van egy Aiwa NSX-NS20 mini hifi-m aminek meghalt a mikrokontrollere, de a végfoka jó (STK 490-070 IC-vel).
Szeretném csak a végfokát működésre bírni azaz megszólaltatni. Mivel nem találtam az IC-hez adatlapot így nem tudom melyik láb mi.
(A service manual-t csatoltam.) A manual 13. oldalán van a végfok kapcsolási rajza ami alapján meg vannak a bemenetek kimenetek és a tápfeszültségek, de melyik lábára és milyen feszültséget kell adjak, hogy stand-by-ból illetve némításból kikerüljön.
Ebben kérném a segítségeteket!
Köszönöm.
(#) Gafly válasza metabo123 hozzászólására (») Nov 27, 2025 /
 
Ez esetleg, vagy környezetből kiokoskodni.
A hozzászólás módosítva: Nov 27, 2025

STK_ic.png
    
(#) metabo123 válasza Gafly hozzászólására (») Nov 27, 2025 /
 
Szia!
Sajna a linkeden nem találtam semmi hasznosat.
A problémám pont az, hogy én már kevés vagyok ahhoz, hogy a környezetéből ezt kibogozzam. Ezért kérek segítséget.
(#) majkimester válasza metabo123 hozzászólására (») Nov 27, 2025 /
 
14-es láb lesz az ami összeköttetésben van a -HOLD vezetékkel. Először érdemes elolvani a kontrollerről irt részt és a -HOLD vonalat kell megmérni, ha az alacsony, akkor a kontroller nem működik, ez normális. A -HOLD tiltja annak a működését és a kimenetet is.
(#) reloop válasza metabo123 hozzászólására (») Nov 27, 2025 / 2
 
Szia! Mellékelem az ajánlott kapcsolási rajzát.
Következő: »»   45 / 46
Bejelentkezés

Belépés

Hirdetés
XDT.hu
Az oldalon sütiket használunk a helyes működéshez. Bővebb információt az adatvédelmi szabályzatban olvashatsz. Megértettem