Fórum témák
» Több friss téma |
Tekercselt huzalellenállás. Ha olvasható fotót csinálnál róla akkor pontosabbat is lehetne mondani.
Jóslás, a gyenge pontom. De Lampológus hozzászólásában is lehet valami.
Ezek a tápok általában úgy indulnak, hogy a két nagy kondi 320V feszültségéből egy-két soros ellenálláson keresztül, feltöltik azt a 10µF/50V-os kondit. Aztán ha az elérte az indító feszültséget, elindul az Ic. Ha elindul, akkor a trafóról egy diódával már vissza tudják tölteni a 10µF-os kondit. Ekkor megy a táp. Ha eléri a kimeneti feszültsége az aksi töltésfeszültségét, akkor a 817-es optocsatolón keresztül leszabályozza az Ic-t. (Pontosabban szinten tartja.) Ha nem tud feltöltődni a kondi, mert mondjuk megyúlt/megszakadt az ellenállás akkor nem indul el. Ha zárlat van a kimeneten, akkor nem tudja visszatölteni a trafó a 10µF-ot, és így csak addig megy, míg le nem esik a kondi feszültsége. Ekkor leáll a táp és újra töltődik a kondi. Amúgy a panel másik oldalán kellene lenni még egy Ic-nek. Mert valami kapcsolja a kétszínű Led-et. Ha nincs, akkor nagy tudomány nincs benne és esetleg a sarokban álló tranyó, egy TL431-es és az szabályoz vissza. (A táp Ic típusát nem látni, de lehet hogy az is valami komplex dolog. Előfordul, hogy nincs is nagy értékű ellenállás a 10µF részére és már az is benne van az Ic-ben.)
Na, ezt jól benéztem!
Adjon valaki egy "mínuszt"!
A mínusz azért jó, mert abból még mindig lehet egy vonallal pluszt készíteni.
Igen, elírtam. De már nem tudtam javítani.
Ok. köszi a segítséget!
Láttam az NTC-t is, de alatta meg LC felirat van ezért kavart be! Ráadásul én csak hobby-s vagyok!
Szerintem nem kell az a mínusz. Gondold el, hogyha valaki azt a (fiktív) cégnevet olvassa egy szalon homlokzatán, hogy "Merdeces horgászfelszerelés" és bemegy csaliért, az mennyire hibás. Főleg, ha az mégcsak nem is az igazi nevük, hanem egy marketinges elmeszüleménye. : -) Bár el tudok rá képzelni indokot, de kinek van ideje ezen gondolkodni...
A hozzászólás módosítva: Ápr 30, 2025
Ezt most melyikre érted?? A kék színű alkatrészre?
Töltök fel fotót a másik oldaláról is, és talán sikerül egy másik táppal kicsit feltölteni az akkut,mert valóban nagyon lemerült.
Nem, a fekete R01-re, a bal alsó sarokban. Vagy nem arról volt szó?
A kék színű a hálózati csatlakozónál és semmilyen felirat nincs rajta
Az nekem zavarszűrő tekercsnek tűnik: közel rövidzárat kell mérned a lábai közt.
Na, itt aztán van egy kis ez meg az. Tehát jó lesz ha töltöd az akksit és úgy rápróbálod. Mert ez itt akármit is csinálhat a két Ic-vel.
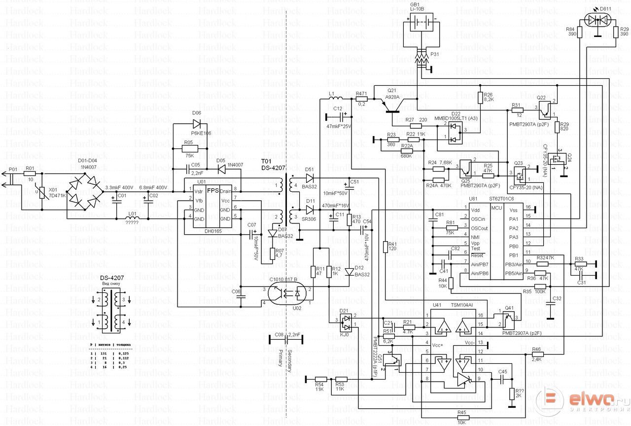
Google képkereső, pár másodperc - még kapcsolási rajz is van:
https://elwo.ru/publ/remont/remont_zarjadnykh_ustrojstv/3-1-0-240
Köszi!
Rendben, köszi! Ezt fogom tenni. üdv
Ezt meg mire?Ezt a fajta jaxley-t hol használhatták előtte? Vagy mire lehet jó? Mellékesen került hozzám. Teljesen körbe forog.
Bármire
![]() Lehet pl több tárcsás volt, ez az egyik közbenső... pl: https://static.licit.hu/img/8/2/d/490913/1399113324_765_039.jpg
Nem valószínű. A tengelyvége nincs levágva. Inkább a bakelit túloldalán lévő másik tárcsa mintázata tudná eldönteni, aminek az érintkezője látszik egy rövid sárga vezeték darabbal.
Ez egy speciális jaxley. A kőrforgásnál kb. 50% nyitva, 50% zárva. 1 pár érintkezős.
DiódaHello. Egy ablakemelő motorjában tönkrement egy dióda.Pontos kinézete ilyen. De mégis miféle dióda ez? Helyettesíthető valami hagyományos nagyobb A diódával? Mi a szerepe?
Neked sem tűnik fel a harmadik csőszegecs? És a túloldalon lévő tárcsa rögzítő karmai?
Hello! Az Alibaba oldalán ott van, hogy TVS. Tehát a motor kapcsain lévő túlfeszültségvédő dióda, ami megakadályozza a motor visszarúgását. De ha ez leköszönt, félő, hogy a motort meghajtó tranyó is belepusztult. Hogy hány Volt-os, az épp nem látszik. De ha 18V-ost teszel bele, sokat nem tévedtél. (Mert gondolom, 12V-os az autó.)
A hozzászólás módosítva: Máj 9, 2025
Motort meghajtó tranyó.. Mármint ezen kívül valahol a kamionba tranyó adja ide az áramot? Mert itt a motor nyákján tranyó nincs. Alibaba azt írja 78V, ezért is nemigen volt világos, miért bele egy 78V értékű TVS, ha a kamion 24V.
Kétirányú-egyirányú. Különbség? Nekem kétirányú kell? Ezáltal ha kamionba van, olyat vegyek ami legalább 28V?
Feltételezhetően a meghajtó tranyó, valami Ic-ben kucorog, ami a panel alatt lehet. Mert nem hinném hogy ez egy konditárolóhely..
![]() Egyébként pedig nyilvánvalóan kétirányúra van szükség, mert a motor ide-oda forog. De itt a gyártó honlapján megnézheted. Feszültségben, pedig kb. 50%-al van túlméretezve a táphoz viszonyítva és a kamionban, kb. 28V a maximális feszültség. Nem ismerem én ám ezeket, csak próbálok helyetted logikusan gondolkodni. De előtte én kipróbálnám valami terhelő ellenállással, a TVS nélkül (mert ugye ahhoz nem kell), hogy az áramkör működik-e még. Valamint azt is megnézni, hogy a motor működik-e rendesen, nem szikrázik-e a kommutátor. Mert valami kinyírta a TVS-t és az leginkább a túlterhelésre tudna felrobbanni, vagy is ha túl sok impulzust kellett lenyelnie. És ha átment zárlatba, akkor a meghajtónak is esetleg annyi. Igaz, hogy abban feltételezhetően van túláram védelem, mert gondolom a végállásban arra áll meg, nincs végálláskapcsoló.
Hali!
Idézet: „mert a motor ide-oda forog” Nincs szándékom belebeszélni, mert a mai modern technikában minden elképzelhető, de ezek a motorok körbe forgók. A motortengely végére egy excenter van felerősítve, ez tudja az oda-vissza mozgást.
Hello! Írtam, hogy nem értek hozzá. De ha így van, akkor hogyan tudja felhúzni az ablakot, ha pld. előtte félig leengedte?
Vagy ha zárni szeretnéd, előtte csutkára kinyílik? Mert az esőben vicces..Egyébként néztem egy videót, de ez a motoros rész ahhoz képest gyerekjáték kategória. Egy munkaeszközként manapság ilyen játékokat készítenek?
Az inkább az ablaktörlő motor, mert az mindig végállásban kapcsol ki, alsó holtponton.
Ablakemelésnél ez nem megoldható, ahogy Proli is említette. A hozzászólás módosítva: Máj 10, 2025
Ezer bocs! Ablaktörlő motorra gondoltam. Figyelmetlen voltam az olvasásban.
|
Bejelentkezés
Hirdetés |




Adjon valaki egy "mínuszt"!







Vagy ha zárni szeretnéd, előtte csutkára kinyílik? Mert az esőben vicces..




