Fórum témák
» Több friss téma |
Fórum » Csöves erősítő készítése
Ne feledd betartani a fórum viselkedési szabályait, és a topik megmaradásának feltételeit. [link]
A téma átmenetileg fagyasztva lett, hozzászólni nem tudsz!
Igazad van , ezt a csövet akkor pont erre találták ki , a trióda erősítési tényezőjét nézve , megleő 1,2 x, talán egyszerűsége miatt gyengébb minőségű rádiók tévék végfokának kivitelezésére jó lehetett ...
Köszi a választ!
Deszkamodellként egyenlőre egy pc-táp fedelére építettem, le van földelve de megpróbálom hidegíteni a tápkondikat, meg kicserélem a hangerő potit. Igazából azt nem értem egyáltalán hogy akármilyen fázisban csatolom vissza a jelet a kimenetről, gerjed. A gerjedés frekvenciája függ a visszacsatoló-ági 100 ohmos ellenállással párhuzamosan kötött kondenzátortól (alapból 220n). Igazából mintha egy soros rezgőkör alakulna ki a trafó szekunderével...
Az ECC83- ak nagy erősítése miatt visszacsatolás nélkül , lehet tetemes zaj .
Visszacsatolás bekötésénél lehet probléma az is , ha az NFB ellenállást nem közvetlenül a kimenő szek,. tekercsénél kötöd be , mivel a kimenőről már leosztott , az ellenállással csökkentett jelet érdemes visszavezetni. Mert ha a teljes feszültséget visszavezeted és az első cső közelébe és csak ott csökkented az ellenállással akkor kapacitíve a nagy jel megszórhatja a cső környezetét és gerjedhet . A visszacsatolás ellenállásával köthetsz párhuzamosan kondit , de az értékét szkóppal /generátorral kéne belőni , próbára 100p mehet Kimenő fázistolása miatt is lehet gerjedés ... Én jobb , egyszerűbb rajzot választanék !
Fogom magam és csinálok erőlködőt TBA810-zel. Abból is ki lehet venni 10-12 wattot és csal egy IC!
Lehet több sikerélményem lesz.
> Van neki ilyen csöve, és sztem nem hibás a rajz ...
Akkor fogalmazok maskeppen: Szolni fog, de mivel ez az eszkoz a minimalis alkatresz igenyre van optimalizalva a fazisforditas igenytelensege miatt boritekolhato a magas torzitas. Esetleg el lehet gondolkozni az adott cso adott allapotahoz a trioda anodellenallasanak beallitasaval. Valamint az is aggalyos hogy csak az egyik pentoda racsaban van csatolo kondi, ez az egyre kisebb frekvenciakon egyre nagyobb torzitast okoz (persze lehet novelni a csatolokondit...). Roviden: Arra van kitalalva hogy egyszeru legyen, nem pedig hogy jo minosegu... Egyebkent itt van az adatlapja, jo ha megvan neki a cso melle ![]() A katod hidegito kondinal elirtam a nullak szamat, de szamottevo jelentosege nincs...
Elnéztem a rajzod , látom , van kondi és csak 100 ohm a visszacsatoló ellenállás így az a kondi kb jó érték ami a rajzon van , bocs ....
A 100 ohm közvetlenül a kimenőre van kötve, fizikailag a trafó kapcsaira.
Most lehet hogy nagy marhaságot kérdezek, de miért van az hogy ha kiveszem az egyik EL84-et, nemigen változik a hang? Ilyenkor nagyon meg kellene nőni a torzításnak, nem? Gyakorlatilag csak az egyik félhullámot erősíti...
Akkor jó helyen van az ellenállás is .
Valóban torzabbnak kellene lenni ,mindegy melyik csövet veszed ki , egyformán reagál ?
Ha vége A osztályban van (nyugalmi áram 40 mA körül csövenként), és a kimenőnek van némi szerelési légrése, kis hangerőn nemigen nő a torzítás füllel hallhatóan.
A bemeneti közös katódos fázisfordító (diff. erősítő) körül lehet gond szerintem. Észre kell venni, hogy ez a fokozat nem automatikus rácselőfeszültségű, a 68 K csak megemeli a katód potenciált és a 1,5 M -500 K fesz osztó állítja be ehhez képest a rácslőfeszét a diff erősítőnek. Az osztási ponton 1-2 V-al kisebb fesznek kell lennie, mint a 68 K tetején (katódokon). Neked itt valószínűleg nincs meg a negatív rácselőfesz a katódokhoz képest, és ettől van a susogás, lehet hogy a gerjedés is. (pozitív rácselőfesze van a dif. erősítőnek). Ezt gyanítom, mérd meg hány volt van a testhez képest a 68 K tetején és hány volt van az 1,5 M-500 K találkozásánál.
Szerintem jobb megoldás lenne ha átépítenéd , 1db ECC83 (vagy más cső ) is eleghendő lenne az EL84 -ek PP meghajtására .
Nem kell ekkora erősítés és kisebb visszacsatolással jobb lehetne.Nagy visszacsatoláshoz jó kimenő kell és nem is fogja hozni amit vársz , csak a mérésekben.. , ha sikerül megfelelő kimenőt csinálni hozzá ... Ha nem nyákra szerelted , akkor könnyen változtathatnád , megérné ...
Hát igen, egy klasszikus, pl. AE782/A végfokkal igazából nehéz bukfencet vetni még kevés gyakorlattal is. Manapság nem kell 200 mV érzékenység egy végerősítőnek, elég lenne egy ECC83 két EL 84-el.
Mindazonáltal a linkelt kapcsolás elég jó hangú lehet, egy kicsit olyan "Williamsonos" a végcsövek meghajtása.
Van ötletetek hogyan lehet egyszerűen vagy bárhogy megoldani, hogy a tekercselő automatikusan menet, menet mellét tekerjen, vagy a huzal emelkedést beállítani? Gyárilag ezt hogyan csinálják?
Műszakilag, házilag nemigen lehet (nem könnyű)megoldani a precíz szálvezetést, azonban két mindenkinél fellelhető alkatrész alkalmazása megoldhatja a problémát, ezek a "fanatizmus" és a "türelem".
Csak az eredményre koncentrálva, "időtényező nélküli üzemmódban", kis tételben, biztosan megtekerhető az áhított kimenőtrafó.
Sturbi, CHZ köszi a válaszokat, átnézem a kapcsolást. Légszereléssel készítettem úgyhogy nem lesz nehéz módosítani
Amúgy mindegy hogy melyik EL84-et veszem ki, ugyanúgy alig változik a hangja. Megnézem az említett feszültségeket, valószínűleg ott lesz a bibi mert nem nagyon foglalkoztam vele. Csak most ismerkedem a technikával...
Feltekertem kézzel egy sor primert. Szerintem nagyon szépen egymás mellé mentek a menetek. 131 menet fért fel 1 sorra.
Végeztem néhány mérést (a visszacsatolás kikötve):
Az EL84-ek nyugalmi árama 28-29 mA. A bemeneti triódák katódja a földhöz képest 58.5V-on van. Az 1.5M-500k osztó közös pontja (az alsó cső rácsa) földhöz képest 42.7V. A két pont között 1.02V feszültségkülönbséget mérek.
Másfél óra tekerés után most a 3. sornál járok, 375 menetnél itt UL leágazás lesz. Ha jól számolom a két trafót vagy 20 óra alatt fogom megtekerni így. Bár eddig pont annyi menetre jött ki minden ahogy előzetesen reméltem.
Ezek az értékek jónak tűnnek (2 Mohm körüli belső ellenállású multiméterrel).
Ennek az erősítőnek szerintem visszacsatolás nélkül pár millivolt lehet az érzékenysége, ez indokolná a susogást. A kimenőtrafó fázistolása (ami a gyengébb frekvenciaátvitel miatt lehet) okozhatja, hogy 50 Khz-en pozitív lesz a visszacsatolás és begerjed. Azt javaslom, hagyd ki a második fokozatot az erősítőből (100 nF megy az első anódra), szerintem még úgy is elég érzékeny lesz, akkor valószínűleg sem a susogással sem a visszacsatolással nem lesz gond (ha kötsz visszacsatolást, az fordítva lesz mint eddig).
Van aki egy hétig is eltekergeti, a 20 óra már gyorstekerés, akkor készül el amikor elkészül, nem hajt a tatár, egy-két trafónál nem számít az idő, csak a végeredmény.
Sziasztok!
Kimenő transzformátort méreteztem az elektroncso.hu képletei szerint. A vas 6,25 cm2 keresztmetszetű, alsó határfreki 50 Hz. Primer induktivitás anódtól anódig 5500 ohm. Ami viszont fura nekem, a primer menetszámnak 403 jött ki. Nem kevés ez egy kicsit? Szekundernek 19, 8 ohmos hangszórónál. Valamit rosszul számoltam?
Valószínű. Az induktivitás mértékegysége a Henry, amit leírtál, az az Ra-a, vagyis az anódköri impedancia. A 403 primernek biztos, hogy rossz (borzasztó kevés), a szekunder meg már ez miatt rossz.
Gyanús hogy igen. Szerintem az elektroncső oldalon levőből nehéz kiszámolni, mert van ott olyan vasmagra jellemző érték, amit én például nem tudtam megtalálni sehol.
Így nem lehet megválaszolni , nem tudjuk , milyen teljesítményhez méretezted . Teljesítmény lényeges adat , mekkora igényed van ?
Ekkora menetszám kb . 0,5-0,8 W- ra lehet elegendő. De az áttétellel is gond van , mivel 5,5K-ra /8 ohm -ra kb. 26-os áttétel kellene , Te számításod szerint 403/19 =21 -es áttételt ad , ami 3,6K Raa -ra jó . Valamit nagyon elszámoltál .
Nagyon drukkolok neked , de félek , hogy nem lesz elegendő helyed így a csévén .Kézzel nem lehet annyira szorosra tekerni , hogy beférjen az össz . tekercs , méregesd közben a hely fogyását és számolj hogyan alakul ....
Nagy veszteség lenne ha le kellene hajtani .
Nem nagyon van mit tenni, mert 4 sort kell a primerekből tekernem egy osztáshoz. Ha 3-at tekerek és ráfér 400 menet 3 sorra, még az is kevés lenne.
A szekunder miatt viszont abból a vastag huzalból lehet hogy tényleg nem fog elférni. 0,8-as huzalt meg már nem szeretnék venni, mert elég drága lenne. Majd kiderül, még csak 1 réteg szekundert tettem fel 500 menettel. Egyébként szerintem elég szoros lett, nemnagyon hiszem hogy géppel ennél sokkal szorosabbra lehetne tekerni. Széltében simán elfér a 125 menet egy soron. Szigetelésnek 1 réteg papírt tettem csak. Majd teszek fel képet róla.
Igen, valoban az attetel szamitasanal a hatasfokot is beleszamoltam, amit 70%-nak vettem, ezert jott ki mas ertek. Akkor ujraszamolom...
Üdv!
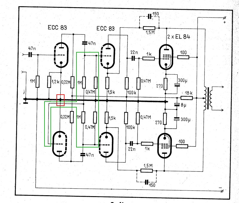
Tegnap újraépítettem az erősítőt, arra gondoltam hátha a szerelésből adódó szórt kapacitások, káros visszacsatolások miatt gerjed. Most még jobban figyeltem hogy elkerüljem a földhurkokat, távol legyenek egymástól a fokozatok bemeneti és kimeneti elemei stb. de még így is ugyanaz a helyzet. Lapozgattam a Rádiótechnikai zsebkönyvet, és találtam egy másik rajzot ami egy-két részletben gyanúsan hasonlít arra amit megépítettem. Mellékeltem mindkét rajzot, esetleg megnézhetnétek. Az megépített kapcsolás rajzán pirossal körberajzolt értelmetlennek tűnő két párhuzamos ellenálláshoz hasonló van a másik rajzon, kicsit más bekötéssel... Lehet hogy ez a hiba mert én kihagytam az 1 megás ellenállásokat. Persze nyomdai hiba van a másik rajzon is, érdekességképpen
Az elektroncso.hu oldalon található trafóméretzésnél találtam egy képletetet :
Lp=(1/ωa)ˇ(Ra⊗Rb); Mit jelent ez a négyzet? Vagy csak elírás? Mit kell helyette alkalmazni? Tud valaki másik módszert trafóméretezésre?
Ezt érdemes elolvasni Bővebben: Link
|
Bejelentkezés
Hirdetés |






