Fórum témák
» Több friss téma |
- Ez a felület kizárólag, az elektronikában kezdők kérdéseinek van fenntartva és nem elfelejtve, hogy hobbielektronika a fórumunk!
- Ami tehát azt jelenti, hogy a nagymama bevásárlását nem itt beszéljük meg, ill. ez nem üzenőfal! - Kerülendő az olyan kérdés, amit egy másik meglévő (több mint 17000 van), témában kellene kitárgyalni! - És végül büntetés terhe mellett kerülendő az MSN és egyéb szleng, a magyar helyesírás mellőzése, beleértve a mondateleji nagybetűket is!
Igez, ezek a transzformátorok pont erre lettek kitalálva.
Nem az oxidálódással van gond, hanem azzal, hogy a réz viszonylag puha. Könnyen kilazul ilyen körülmények között, melegedni fog és akkor fog úgy kinézni, mintha az oxid miatt ment volna tönkre, csak éppen a sorrend fordított.
Foszfor-bronz csúszósaruk kellenek vasalóba (és pl. bojlerbe is). A gond az, hogy sok boltban azt sem tudják, létezik ilyen.
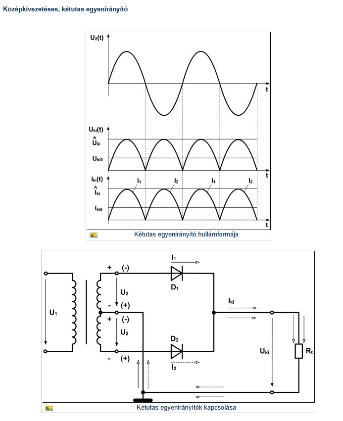
Két másik diódával, vagy egy graetz kapcsolással pedig a szimmetrikus negatív feszültség is előállítható ugyanazzal a trafóval.
De jó, mert Suba53 azt tette be, hogy lehet szimmetrikus egyenáramot csinálni.
Nekem persze nem jó, mert én nem szimmetrikusat szeretnék. Holnap lerajzolom hogy gondolom.
Gafly betette neked azt a megoldást, ( mellékelve ) amire kérdeztél. Én csak kibővítettem a lehetőséget.
A hozzászólás módosítva: Aug 20, 2025
Idézet: „Nekem mondtak olyat a boltban, hogy a réz lehet nem bírja annyira a hőt és elolvad majd.” Remélem aki mondta csak viccnek szánta. A sárgaréz olvadási pontja kb 1000 °C , a vasalóba meg 200 °C -nál több nemigen van. Ami ezüst színű az is nagy valószinűséggel sárgaréz, csak le van ónozva. Ha nem éri víz vagy pára akkor nem fog oxidálódni. A hozzászólás módosítva: Aug 21, 2025
Jogos.
Ezt szeretném. Mehet ez így?
0,75-ös vezeték vasalóhoz? Kicsit vékonynak gondolnám ...
Itt a GND nem a középső megcsapolás, az egy egészen más áramkör.
Ha a két GND-nek jelölt pontot nem kötöd össze sehol, akkor mehet. De szerencsésebb lenne azt nem GND-nek jelölni, mert egy készüléken belül csak egy GND potenciál van. Jelöld inkább "-" nak. Amúgy mit szeretnél ezzel táplálni? A tervezés logikája az, hogy előbb elgondolod a megépítendő áramkört, majd ahhoz kiválasztod a megfelelő táplálást. Amúgy sokat segít egy hasonló elgondolás esetén, ha kirajzolod a diódákat, és a terhelést is mondjuk egy ellenállással, és megnézed, hogy merre folynak az áramok. A hozzászólás módosítva: Aug 21, 2025
Szimpla tápos erősítőhöz kellene. De ugye a bemenetnél közös a gnd. Úgyhogy akkor marad a felső és a középső megcsapolás egy diódahiddal.
Köszi a segítséget!
Ha elég a trafó fele feszültsége is... De az egészet is ki lehet használni, mivel annak, hogy mit nevezel ki GND-nek, nincs köze a trafó megcsapolásához, és nem is muszáj a megcsapolást bekötni. Hirtelen ezt a rajzot találtam, úgyhogy a szöveg nem érdekes rajta - már ha jól értettem, hogy mi a cél:
Suba53 hozzászólásában lévő kétdiodás megoldás lenne neked a legjobb! Az pont egyoldalas tápot "csinál" belőle!
Igen, csak úgy 100V lenne, nekem meg 50V kell.
Úgyhogy marad amit én betettem, csak az alsó bekötés meg az alsó graetz nélkül.
Hány voltos a trafó? Ez a kapcsolás nem duplázza a feszültséget!
AC-ba 40-0-40.
De duplázza, ha a két végét kötöm be. A hozzászólás módosítva: Aug 21, 2025
LED villogLED -es spotlámpa villog. A LED et, vagy inkább a tápegységet kell cserélni? 220 V 35W a tápegységA hozzászólás módosítva: Aug 21, 2025
Szerintem nem jó rajzot nézel Az a két diódás simán két félhullában egyenirányítja, terheletlenül 54-57V-ot kapsz azzal, de ha Graetz hidat teszel azzal is az lesz!
Klasszikus esete a rosszul feltett kérdésnek.
Idézet: „Három kivezetéses trafót, szabad/lehet úgy egyenirányítani, hogy a középső megcsapolás a gnd a két szélső meg a pozitív?” A kérdés nem tartalmazza, hogy mihez készül a táp. Ugyanis építési elképzelés válogatja egy ilyen trafó használatát. Például hány végfokot tápolna? Ugyanis a kétdiódás szűrés fokozhatja a párhuzamosan rákötött végfokok egymásra hatását. Szóval ez nem ilyen egyszerű az eredmény szemszögéből nézve. Igénytelenebb áramkörök táplálására viszont teljesen megfelelő lehet. LED táplálása hangszóró kimenetrőlSziasztok!Egy passzív mélysugárzó hangszórójával párhuzamosan szeretnék úgy csatlakoztatni egy LED-et, hogy már kisebb hangerőn folyamatosan világítson, külön tápellátás nélkül. A legjobb egy 5 centis COB LED szalag darabka lenne, ami 12 voltról megy és egy hangszóró emblémát világítana meg. A LED minimális áramot fogyaszt, de először kellene neki egy diódás, kondenzátoros feszültség simítás, csak a probléma ott van, hogy már néhány voltra jó lenne, ha világítana, ugyanakkor 24V-ot is bírjon.. Létezik erre megoldás vagy inkább több párhuzamosan kapcsolt SMD LED lenne jó, amik kb 2-3 voltról világítanak ![]() A legnagyobb nehézség talán a tág feszültség tartomány kb 2 volt és 30 volt között Az ötleteket előre is köszönöm
Szembe (ellenpárhuzamosan, a SOROS TILOS!) kell őket kötni, és egy ellenállás.
Kicsit lüktetni fog a zenére, de az tök jó.
Ha a közepe a GND, ahogy eredetileg elképzelted, akkor a két fél felváltva működik, a pozitív félhullám alatt az egyik dióda nyit, a negatív félhullám alatt a másik.
Nem tanulmányoztad figyelmesen Gafly linkjét, pedig az szájbarágósan megmutatta a lényeget. Így is kétutas egyenirányítást kapsz végeredményül, nézegesd az ábrát, szerintem egyértelmű. Mi lehet ez ?Pár éve porosodik nálam ez a berendezés , be tudná valaki azonosítani és meghatározni , hogy mire jó ?
Központi házvezérlés talán.
Bővebben: Link
Szia! Az ARM-os nyákon vannak szövegek, az alapján lehetne keresni.
Egy kérdést csak egyszer, egy helyen teszünk fel!
Szia! Amatőrként én is úgy tudtam/tudom, hogy a réz elég jól vezeti a hőt és magas az olvadás pontja, de feltételezve, hogy a boltos a szakember, nem vitatkoztam és nem is mertem megvenni a sarut.
Azt nem tudom, hogy mennyi pára keletkezik a vasaló azon terében, ahol a vezetékelés van. Belerakom a sima rezet, maximum annyi lehet, hogy egy idő után nem működik majd az oxidációtól. Köszönöm a segítséget! G.
Szia! A címke és a leírás szerint 0.75-ös. Ilyet vettem:
https://www.mentavill.hu/termek/termek-202426 G. |
Bejelentkezés
Hirdetés |














