Fórum témák

» Több friss téma
Fórum » Vezetéknélküli termosztát
Lapozás: OK   11 / 12
(#) Inhouse válasza proli007 hozzászólására (») Feb 11, 2025 /
 
Jogos, az én hibám.
Mondjuk, hogy csak gondolatébresztőnek szántam, hiszen a készülék tulajdonosának meg kell legyen a leírás, ha meg nincs, akkor meg lehet találni.
Amúgy sem valószínű ez a hiba, gondolom a RESET ezt is törölte volna, bár lehet, hogy ez sem sikerült...
A hozzászólás módosítva: Feb 11, 2025
(#) uniman válasza Bakman hozzászólására (») Feb 11, 2025 /
 
Ez az újabb készülék leírása lehet...
A régin kipróbáltam...szinte lehetettlen egyszerre lenyomni a két gombot. Nekem nem sikerült.

Gombok.JPG
    
(#) angyalpc válasza Inhouse hozzászólására (») Feb 11, 2025 /
 
Köszönöm...Valóban ezt nem néztem meg.

És pedig azért nem, mert nincs kiírva, hogy lock vagy nincs ott a kulcs ikon.
Na ez a bajom.
Nem, ez nem a korábbi model, Ez nagy kijelzős.
De meg lehet nyomni egyszerre több gombot is (5+5 ujj, csak sikerül )

Lényeg az, hogy kipróbáltam SET Aztán 5 mp-ig nyomva tartva a + és - gomb
Semmi változás. És ami legérdekesebb, hogy szerintem a RESET gomb se megy mert nem dobta el a kazán kapcsolatot. Elem kivételre csak az időt veszti el. Nem vesztette el a kapcsolatot a vevővel(ki be tudja kapcsolni), szóval ha az alap 20 fok alá megy a mért érték bekapcsolja a kazánt.
Az összes alsó gomb működik egyébként.

https://www.youtube.com/watch?v=7UmyQVtq89M

ellenben találtam egy sötét színű vezető sávot.. mintha meg lenne égve
Rámértem, de vezet...

Mi az az F-Short? semmi feszültség rajta és rövidzre zárva sincs semmi.
(#) Inhouse válasza angyalpc hozzászólására (») Feb 11, 2025 /
 
Ha nem írja, akkor nem ez a baj, a kulcs piktogram ott van a tesztképernyőn.
Elemes készülék, ha rossz is az a vezetősáv, akkor nem valószínű, hogy zárlat okozta, de lehet oxidáció, aminek a régi elem is lehetett az oka. Mérd meg azt a sávot, hogy rendben van-e...
(#) angyalpc válasza angyalpc hozzászólására (») Feb 11, 2025 /
 
Meg van a hiba. Vagy 1 éve volt egy elem folyásom (megjegyzem duracell) És úszott minden a savban és az oxidban. Ki lett takarítva, de az a fekete sáv is jelzi, hogy aláfolyt a dolgoknak.
A gombok vezető sávját nézve az elem mögött megy el pont a PCB szélétől 0,5mm-re.. egy viába...alig láthatóan. Hát pont ott van megszakadva a furat tetején. Gondolom benne maradt egy kis sav és kimarta. Ajj de banális...
De, hogy tudott ez pont éjszaka kellős közepén tönkre menni, az rejtély.

Kár hogy ehhez ripityára kellett szedni.


Köszi a segítséget
(#) angyalpc válasza Inhouse hozzászólására (») Feb 11, 2025 /
 
Igen mielőtt írtad már megtaláltam a hibát...
Tanulság... ilyen fajta hiba is lehet, nagyon a szélén van a vezetősáv is, bármikor megsérülhet.. elrepedhet sb.
(#) KisKrapek hozzászólása Aug 25, 2025 /
 

Hajdú HGK 24 kazánba Computherm Q7RF termosztát bekötése

Üdv!
Ma próbáltam bekötni Hajdú HGK 24 típusú kazánba Computherm termosztátot (Q7RF)
(Eddig csak immergassal dolgoztam ott minden simán ment)
Itt bekötöttem ahova írták 24V x4 6-7 kapocsba és bizony mikor bekapcsoltam a kazánt levágta az áramot szépen. Aztán találtam egy másik leírást is ahol 9-10-be javasolták megpróbáltam azt is... fél siker nem verte le az áramot viszont a kis kattanás után nem indult el a fűtés... segítséget kérek ?
A termosztát jól van kötve szépen kap betápot is ahogy azt kell, lehet valami apróság az egésznek a baja de nagyon bosszant... előre is köszönöm a segítséget.
(#) Gafly válasza KisKrapek hozzászólására (») Aug 25, 2025 /
 
Másik (Q7RF termosztát oldalát) felét is mutasd meg.

Lehet halkan fütyürészve érdemes lenne elsétálni, hogy én nem is voltam itt, hanem a Töhötöm.
(#) VIM válasza KisKrapek hozzászólására (») Aug 25, 2025 /
 
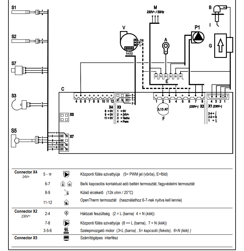
Szia! Valami nem jól lehet bekötve ha az említett módon azaz "X4" 6-7 pontjaiba lett bekötve a Q7RF vevőjének a relé 1 ill. 2 pontjai, mert azok potenciál mentesek. A zárlatnak valami más oka lehetett de nem jó előjel a továbbiakat tekintve ha a 6-7 pontok valamelyikére hálózati feszültség vagy a fázis oda került, mert az a rész 24 voltos. A kazán gépkönyve és a Q7RF leírása.
(#) VIM válasza Gafly hozzászólására (») Aug 25, 2025 /
 
Ha "jól" is lett bekötve de véletlenül a sodrott szálak valamelyike eltéved és átér az L-ről az 1-be akkor az nem lesz jó a 24 voltnak. Elég közel vannak a csatlakozási pontok. Én már temetem is a panelt ... persze lehet, hogy csak a 3.15-ös bizti ment ki.
A hozzászólás módosítva: Aug 25, 2025
(#) sany válasza VIM hozzászólására (») Aug 25, 2025 /
 
Nem írta, hogy 230 V-ot kötött rá. Ha igen, akkor kampec.
(#) Gafly válasza sany hozzászólására (») Aug 25, 2025 /
 
Idézet:
„Itt bekötöttem ahova írták 24V x4 6-7 kapocsba és bizony mikor bekapcsoltam a kazánt levágta az áramot szépen.”

Szerinted?
(#) sany válasza Gafly hozzászólására (») Aug 25, 2025 /
 
Szerintem, 24 V helyére nem köttünk 230 V-t. Végzetes hiba.
A hozzászólás módosítva: Aug 25, 2025
(#) uniman válasza sany hozzászólására (») Aug 26, 2025 /
 
Mennyire ismered azt a termosztátot?
A vevő résznek van egy 230V-os tápbemenete...meg egy mindentől független váltókapcsoló kimenete.
Igaz a kérdező nem írt semmit arról, hogy a vevőrészhez hogyan/honnan kötötötte be a hálózati megtáplálást. Ez a mondata, "ahol 9-10-be javasolták" nagyfokú hozzánemértésre utalhat...sajnos.
(Nálam pl. a kazán közelében van elhelyezve, és egy külön 230V-os konnetorba dugom be egy lapos, földeletlen tápdugóval...)
(#) sany válasza uniman hozzászólására (») Aug 26, 2025 /
 
Őszintén, ez a típust nem ismerem. De bizok benne mást kötött oda.
A képen piros és fekete vezeték van, azon a részen. Lehet elkötés van, nem a 230 V-ra
gondolok, vagy akár hibás valami. Nem tudni, hogy esetleg cserélni kellett valamit, stb.
Lehet naív vagyok, remélem a legjobbakat.
A hozzászólás módosítva: Aug 26, 2025
(#) VIM válasza sany hozzászólására (») Aug 26, 2025 /
 
A szóban forgó részbe nincs kötve semmi. Az a piros vezeték a szivattyú PWM jel vezetéke az 5-s ponton. A pdf 58. oldalán megtalálod a kiosztást. A segítségeket azért is próbáltam linkelni, hogy irányt mutasson ha eddig nem lett volna. Többet aligha tehetünk.
(#) Inhouse válasza KisKrapek hozzászólására (») Aug 26, 2025 /
 
A kérdés, hogy konkrétan mi és hogyan is lett bekötve, hogy zárlatot okozott és leoldott a kismegszakító...
A leírása alapján a kontaktust adó termosztát (mint a Q7RF is), a 6-7 közé kötendő. Persze úgy magában, minden átkötés nélkül.
(#) KisKrapek válasza Inhouse hozzászólására (») Aug 26, 2025 /
 
Üdv!

Így lett bekötve a termosztát, ahogy az ábra mutatja, a 6-7be a kazánon belül pedig a 1,2ből kiinduló vezeték. Ezek szerint az rendben van. Mire megérkeztem már próbálkoztak a bekötéssel és vagy 2-3szor leverték az áramot (gondoltam énis a panelhibára emiatt hogy kilőttek valamit de nem mertem ott mondani.). Melegvíz az megy viszont a fűtést mostmár áthidalással sem sikerült elindítani... fogom a fejem... mondtam hogy várjanak meg sietek és megyek? akkor elviekben a bekötés az teljesen rendben van viszont a kazánnal van baj így már... még szétnyitom a termosztátot hátha azt kötötték rosszul és összeér valami de arra nagyon kevés esélyt látok...
(#) VIM válasza KisKrapek hozzászólására (») Aug 26, 2025 / 1
 
Szia! A használati utasításban más van megadva a 230 voltos csatlakozáshoz (2-4).
(#) VIM válasza KisKrapek hozzászólására (») Aug 26, 2025 / 1
 
Az "X2" oldalon (nem az X4!) az 5 pontra nem lehet bekötve a zöld/sárga védővezető! Azt a többi z/s csatlakozási pontjára köthető.
(#) VIM válasza KisKrapek hozzászólására (») Aug 26, 2025 /
 
Nekem az a meglátásom, hogy a váltószelep motorjának a működtetése és az 5-s pontra bekötött z/s vezeték csinált zárlatot (ha szerencséd van). Ha az "X2" 1 pontjába is volt valami kötve az szintén nem lesz jó.
(#) KisKrapek válasza VIM hozzászólására (») Aug 26, 2025 /
 
Üdv!
Az a gázkazán tápellátását szolgálja nem a termosztátét, vagyis ez így volt bekötve mindig is az nem lett piszkálva.
(#) vision61 válasza KisKrapek hozzászólására (») Aug 26, 2025 / 1
 
Szia!

VIM-nek szerintem is jó az észrevétele.
Az X2/2, és X2/4 bekötés az rendben is van, de a védővezetőnek nem az X2/5-ös csatlakozóban lenne a helye. Függetlenül attól, hogy ez így működött. Így a készülékház nincs bekötve a védővezetőhöz, viszont a vezérlőpanelen nem tudni hová megy. Lehet egy relé, vagy félvezető, ami kapcsolja(ta) a háromutú szelepet. Az első bekapcsoláskor az öntesztnél ez a rész zárlatos lehetett emiatt, és tönkrement, vagy elégett egy vezetősáv a panelen. Később már ezért nem verte le a kismegszakítót, vagy a kazánban lévő biztosítékot.
(#) KisKrapek válasza vision61 hozzászólására (») Aug 26, 2025 /
 
Üdv!
Akkor azt hova kössem át? Nem tudom ez okozta e a termosztát hibáját de inkább átteszem akkor.
(#) VIM válasza KisKrapek hozzászólására (») Aug 26, 2025 /
 
Idézet:
„Így lett bekötve a termosztát, ahogy az ábra mutatja, a 6-7be a kazánon belül pedig a 1,2ből kiinduló vezeték.”
At 1-2 az mi lenne? Az 1-be sem lehet bekötve semmi az "X2" oldalon.
(#) uniman válasza KisKrapek hozzászólására (») Aug 26, 2025 /
 
A védőföld drótdarabkája ott van szigszalaggal leszigetelve...valószínűleg oda csatlakozott a betáp védőföldje.

fold.jpg
    
(#) KisKrapek válasza VIM hozzászólására (») Aug 27, 2025 /
 
Rosszul fogalmaztam a termosztátból kiinduló 1-2 (NO,COM) vezetékről beszéltem. Az ment a kazánba az X4 oldalon a 6-7be.
A hozzászólás módosítva: Aug 27, 2025
(#) uniman válasza KisKrapek hozzászólására (») Aug 27, 2025 /
 
Most sem fogalmazol jól... Az nem a termosztát, a termosztátba nem kötünk semmit! Ilyet ne írj, mert valaki még kipróbálja úgy! Az vezetéknélküli...
Az a termosztát rádiófrekis vevőegysége. De nem írtad abba hogyan/honnan került bele a 230V fázisa és nullája? A régi termosztát helyére került a vevő, vagy egy új helyre a gázkazán mellé?
A hozzászólás módosítva: Aug 27, 2025
(#) KisKrapek válasza uniman hozzászólására (») Aug 27, 2025 /
 
Egy új helyre a kazán mellé kapott egy dugaljt és onnan hoztuk oda neki (a vevőegységnek) a fázist és a nullát egy szerelhető dugvilla segítségével.
(#) VIM válasza KisKrapek hozzászólására (») Aug 27, 2025 /
 
Itt fentebb azt írtad, hogy a meleg víz ellátás az megy de a fűtés az a 6-7 áthidalással sem indul el. Nem tudom, hogy a Hajdú készülékeknél azonosak e a működések alapállapota de a többségnél a fűtésen van alap helyzetben a háromutú szelep és HMV vételezésnél vált a motor és a maradék hőt is a fűtés felé keringeti le. Tehát ha csak HMV állás van akkor a szelepmozgató motor az abban az állapotban maradt (főleg ezt igazolná ha nem is hallani, hogy vált(ana) és a fűtés kapcsolásakor jelentkezett a probléma amit a motor vagy a rajta lévő üzemállapot kapcsolói okozhattak. Tudnál mutatni képeket erről a részről?
Következő: »»   11 / 12
Bejelentkezés

Belépés

Hirdetés
XDT.hu
Az oldalon sütiket használunk a helyes működéshez. Bővebb információt az adatvédelmi szabályzatban olvashatsz. Megértettem