Fórum témák
» Több friss téma |
Van olyan zeném amiben énekelnek.
Akkor ez irányt tévesztett, mivel az én említett emberhang felvételeim analóg rendszerűek egy telisávos hajdani rádióban használt magyar profi készülékkel. No meg más a beszédhang, és más az énekhang átviteli követelménye.
Cseh Tamás: Frontátvonulás
- Analóg felvétel - A lemez fele beszédhang - Igazad van, mert neked mindig igazad. Ne beszélgessünk egymással többé!
Eddig is csodáltam a tudásodat, de most már az ízlésedet is kedvelem.
Cseh Tamás fura figura, a zenei produkció és az irodalmi előadás között billeg valahol (Bereményi Géza is egy zseni volt szerintem), és így mondja el Vizi és Ecsédi történetét (vagy annak egy részét). Volt szerencsém élőben látni, hallani, kis közönség előtt, ahol a pohár leeset és atomjaira tört a kövön, de mint tudod, Vizi pohara nem esett le, ott marad a levegőben lebegve mert Vizi ilyen volt. Nekem nagy kedvencem Cseh Tamás, de még sosem tekintetem rá úgy mint demonstrációs anyagra. Ennek oka lehet az is, hogy ifjú koromban Polimer kazettán hallgattam, ami Videoton rádiós magnóban próbált megszólalni. A hozzászólás módosítva: Okt 23, 2025
Hajdanában - amikor a Megyei Könyvtárban voltam technikus - évente hangosítottam a koncertjeit a könyvtárban, de Gyulára is átbicikliztem ha ott lépett fel ('90-es évek eleje). Egyszer koncert után kikapta a kezemből a Munkást (cigi), hogy ugye neki adom gyorsan a dekket mert nem bírja ki az öltözőig nikotin nélkül. És sugárzott az arcáról az őszinte öröm mikor mondtam neki, hogy nagy kedvencem és az összes LP-je meg van. Az összes általam kedvelt lemezét sikerült CD-n is megszereznem. Nem demónak használom, csak Eleknek írtam, hogy létezik beszédhang például ezen a lemezen (is).
Cseh Tamás ifjúságom, fiatal felnőtt korom meghatározó zenei élménye volt.
Megsirattam, amikor elment. A hozzászólás módosítva: Okt 24, 2025
És az utolsó koncertjének (fent van a neten) utolsó száma Másik Jánossal az volt, hogy ..."micsoda útjaim voltak nekem..." Ezt a számot nehéz meghallgatni azóta is....
Igazából a zenének nincs szüksége a történetre, a zenei gondolat másból táplálkozik, a költészet pedig maga csupa ritmus és zene, így annak meg a megzenésítés a halála - amikor két területet összeöntünk, valamelyik törvényszerűen alárendelt szerepbe kerül, általában valami kevésbé művészi lesz belőle, még figyelni sem lehet igazán egyszerre mindkettőre. Én az operát sem tudom elviselni, pedig az legalább komolyzene. : -)
Ezzel nem értek egyet. Nagyon sok vers megzenésítve sokkal többet ad, mint ha csak olvasná, vagy hallaná az ember.
Ezt például nagyon szeretem. Az opera nekem se jön be, de még az operett sem. A hozzászólás módosítva: Okt 25, 2025
"Ok nélküli káosznak nevezte Karl Kraus az operettet, mint ami pusztán szituációkat teremt a nosztalgikus daloláshoz, szerelmi álomkeringőkhöz és persze a boldog befejezéshez."
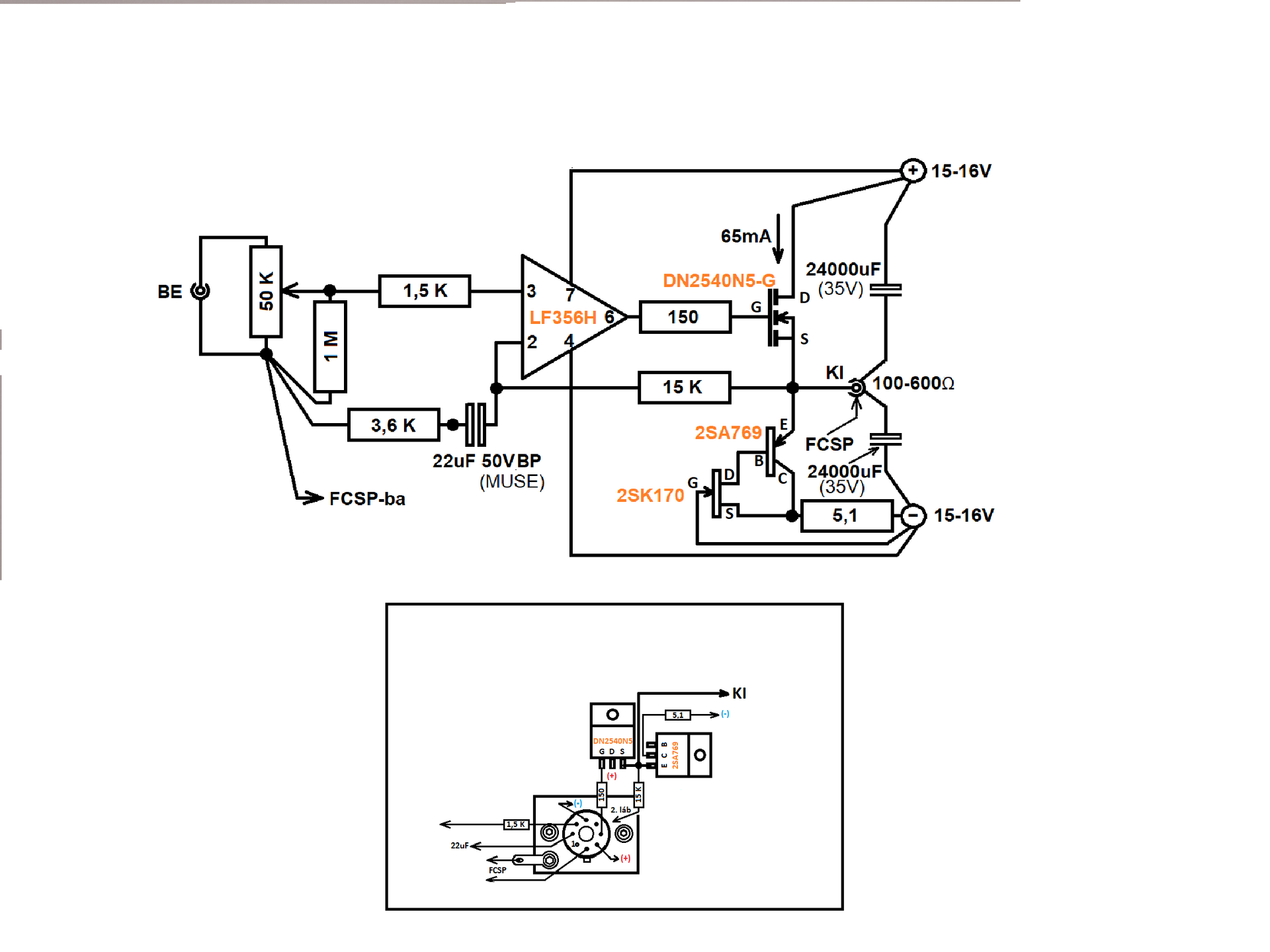
V-DMOS FET headphone amplifier története esetemben.
A nemrég elkészült hibridemet megfelelőnek tartom minőségi zenehallgatásra. Az igaz, hogy lehetne még előnyösebb is, ha mondjuk 2x2 csővel építettem volna meg, meg nagyobb tápfesszel, azonban ennek költségét nem tudom állni. És az sem biztos, hogyha erre lenne úgy közel 700 ezer forintom, nem lenne e szerencsésebb inkább egy felsőkategóriás füles vásárlása, hogy a rendszerem használhatóságát előtérbe helyezzem. Ha valakinek ez nem lenne érthető, a 6 db minőségi csatoló kondiknak durva ára van, négy minőségi cső alapból 120-150 ezer. És mivel nálam a szelekció súlyozott, négy fűtés négy táp, és stb… Ezt senki ne rongyrázásnak gondolja ezt, mert eddig is megtapasztaltam az ilyen dolgok súlyozásának pozitív eredményeit. A hibrid, elöl GGL ECC82, a végén IRF530. A cső képességei csodásak, de lehet, hogy a vége lehetne még előnyösebb. És ekkor egy érdekes dolgot olvastam tunerman fórumtársunk témájában. Bizonyos Aldure fórumtársunk a VFET működését elemezte, és a következő hangzott el: A VFET egy JFET, ami azt hiszi magáról, hogy egy trióda vákuumcső – más néven SIT És Jenő Úr még fel is rakott nekem egy fejhallgató erősítő kapcsolást is ehhez, ami az Ő fejlesztése. Ez a kapcsolás igen kedvező költséghátterű az említett elektroncsöves megoldáshoz képest. Ezért úgy vélem, hogy érdemes lenne meghallgatni e kapcsolás képességeit. Ezúton is köszönöm a rajzot alkotójának! A jövő év elejére tervezem a megépítését a szokásaim szerint. De az is lehet, hogy türelmetlenség miatt az idén csinálok egy fércmegoldást, hogy halljam a nagyjából a hangját. Távlatilag, amennyiben hallok valami bíztatót az említett megoldásban, akkor megkérem azokat a fórumtársakat, akik képesek nekem ebben segíteni, hogy dolgozzák ki e két kapcsolás házasítását. Azonban ez jelenleg még nem aktuális.
Nem egyértelmű a kérésed. Milyen két kapcsolást akarsz házasítani?
A hibridet ezzel a V-DMOS áramkörrel?
Először is ami megfogott, az alkatrészek választása.
Az opamp: LF356H. Miért kell katonai tokozású? Nekem van ilyen néhány darab, de meghallgatás alapján nem mondanám hogy audióra találták volna ki. Az áramgenerátor: 2SA769 PNP tranzisztor és egy és egy 2SK170 kisjelű JFET. A 2SA769 áramerősítési tényezője 1A kollektor áramnál 60 és 240 között van valahol, a 2SK170 úgynevezett cut-off feszültsége 0,2-1,5V között szór. Ebből hogyan lesz stabil 65mA-es áramgenerátor? A lényegi alkatrész: DN2540. Nos, ez egy kiürítéses módú N csatornás mosfet. A rajzon viszont növekményesnek a rajzjele van. De ez nem számít, mert a rajz csak rajz, attól még a DN2540 az N csatornás kiürítéses mosfet DNMOS. A VFET az a "V" alakú gate csatornájáról kapta a nevét, de a DN2540 az nem VFET. De mivel az is MOSFET, közös bennük, hogy mind szigetelt kapus térvezérlésű tranzisztor. A JFET az viszont nem szigetelt kapus, ahogy a SIT sem. Ezek vezérlése gyakorlatilag egy záróirányban előfeszített diódaként fogható fel. Tehát a DN2540 annyiban tér el egy növekményes N csatornás mosfettől mint például egy IRF510-től, hogy amíg az IRF510 akkor kezd el vezetni amikor a gate elektródján a feszültség a source elektródhoz képest +3V körül van, addig ez a feszültség a DN2540 esetében nagyjából -2V. Az IFR510 egy ENMOS fet ha pontosak akarunk lenni. E mint növekményes, N mint N csatornás. Sajnos mind a két típus erősen nemlineáris, ezért próbálkoztak a fejlesztők a VMOS fettel. Ennél a gate árok geometriája próbálja lineárisabbá tenni a transzver karakterisztikát, cserébe a meredeksége lett kicsi.
Ezek után...
Mivel én nem értek az elmélethez, így megbízok a hozzáértők tanácsában, Összegezve, akkor lőttek volna az említett csőhangutánzásnak? Már beleéltem magam, hogy milyen eredményre számíthatok. Kinéztem az alkatrészeket hozzá, és tervezgettem a magam módján a kivitelezést is. Persze ki lehet próbálni e kapcsolás hangját is, de nem szívesen költenék jó ötvenezret, ha a hibrid hangját sem érem el vele. És talán ezért Jenő Úr sem sértődik meg. Persze azért motoszkál a kíváncsiság is bennem... Nehéz így eldönteni, hogy a döntésem reális maradjon. Idézet: „Először is ami megfogott, az alkatrészek választása” 1. Az NS LF356H egy első generációs JFET bemenetű preciziós katonai opamp, ennek a dual változata az LF353H (az eredeti gyártásúak kiváló hangúak) 2. A saját fejlesztésű komplementer kaszkód áramgeneràtor pedig egyszerű és nagyon pontos 3. A Supertex DN2540N5-G egy nagysebességű " VERTICAL " DMOS eszköz 10nsec kapcsolásí idővel, és a triódákra! hasonlító karakterisztikával (datasheet mellékelve, ID=65mA környékén ajánlott nézegetni a transzfer karakterisztikáját) TJ.
A csöves erősítők szerelmesei úgy gondják, valami extrát kapnak a csövektől. Ebbe most nem mennék bele, mert mindig vita a vége.
A lényeg, hogy a visszacsatolatlan vagy kevésbé visszacsatolt erősítők zeneibben szólnak. Nos, ha a csöveket szeretnénk leváltani félvezetőkre, akkor keresnünk kell olyan tranzisztorokat, amelyeknek van elég nagy lineáris tartományuk, ahol képesek visszacsatolás nélkül is elfogadhatóan szólni. Persze lehet műveleti erősítőt rakni a visszacsatoló hurokba, az meg minden görbeséget jól kijavít, nem ettől szól majd jól. Ha csöves jellegű karakterisztikát keresünk, meg kell ismerkedni a félvezetőkkel közelebbről. Az nagyon egyszerű, hogy az ECC83 1mA körüli munkaponti áramnál és 100-400V közötti tápfesznél érzi jól magát. Az ECC82 pedig akár 5V tápfesznél is üzemel, bár ott már kezd rendesen torzítani. De hol van az optimális munkapontját egy olyan tranzisztornak, amit alapjában véve nem audióra terveztek? Meg kell nézni. Nagy valószínűsséggel lesz olyan tartomány, ahol éppen jó, csak az a kérdés, nekünk az megfelel e. Powerjfet alapú füleserősítőn gondolkodtam, de a számomra elérhető ilyen alkatrészek 10V alatti tápfeszültségen és 1-2 A munkaponti áramon lettek volna kedvezőek, de ez csak alacsony impedanciás (4 Ohm körüli) impedancián lett volna használható. A "V" fetnek nevezett félvezetőket sajnos nem ismerem emberközelből, ezért nem tudom megnézni. Ha majd valaki megszán és megajándékoz vagy 10 darabbal, ígérem megkeresem az optimális munkapontját.
Uraim, köszönöm a válaszokat!
Jöjjön a gyakorlat, ami választ adhat az említett dolgokra.
Tudod hogy részemről sosem a kötekedés, hanem az építő jellegű izé (nem találtam jobb kifejezést) a cél. Az alkatrészek választásában is csak azért piszkálódok, mert sajnos az egzotikus alkatrészeket sajnos hamisítják. Egyszer egy eredeti komplementer jfet párért vagyis két párért mert sztereóban gondolkodunk, elutaztam egy Marantz hibás CD játszóért.
Nekem van eredeti NS LF356H, fel is ajánlottam Eleknek egy párat, nem rossz, de az MC33078-at sokkal semlegesebb hangúnak találtam.
A DN2540 DMOS az rendben van, viszont az áramgenerátor elég szűk keresztmetszet. 2SK170 hol kapható? Én vettem az Aliról 100 darabot, nos mind hamis. Az eredetiket más forrásból kell beszerezni, hátmég ha kell a komplementer is a 2SJ74. Jfetes kapcsolásokat nem egyszerű utánépíteni, mert a jfetek szórás a elég nagy. Természetesen ha van műszerezettség, akkor semmi baj. Nemrégiben egy jfetes kapcsolás miatt saját kezűleg állítottam be a munkapontot, majd a feteket és a hozzájuk való ellenállásokat elküldtem a felhasználónak. Másként nem lehet egy akármilyen szériából származó nagy szórású alkatrészből utánépíteni. Én is csináltam 25 éve egy Randall RG 100 gitárerósítő klónt, ráadásul eredeti alkatrészékkel. Az előfok nem indult. Az Randall cég ugyanis egy nagyon szűk tartományon belüli szériát kért a jfetekből.
Még életemben nem halottam olyan félvezetős kapcsolást ami a csöves hangra hasonlít. Se tranyóval se fet-tel (még az a kapcsolás se szólt úgy, amit a neten kifejezetten úgy reklámoztak, hogy csöves hangú tranzisztoros). Egyedül ez a HK610 olyan, ennek is csak az SU csatolókondis változata, aminek a hangja hasonlít egy csövesre. Most nem tudok előadót mondani, mert nem a laptopom előtt ülök, de ilyen nagyon lágy jazz szerű izé egy az egyben úgy szól rajta mint egy csövesen, ember nem mondaná meg hogy tranyós erősítő szól. Csak valamivel élénkebb, harsányabb, nincs az a csövesekre jellemző lagymatag szétkent hangkép na meg nincs a nagy torzítás sem.
Az LF356-ból nekem csak mezei bóti volt, annak idején a Quad405-nek azzal volt a legjobb hangja a többi olcsó OPA-hoz képest. De ha csöves hangot akarsz akkor miért fetekkel vacakolsz, miért nem építesz csővel? Nem tudom mekkora erősítés kell, meg mekkora a fejhallgatód impedanciája, de lehet, hogy kisebb tápról egy mezei SRPP fokozat elég lenne, erősítésben is, meg tud kis impedanciára is dolgozni, sőt, elsősorban arra tud.
Bővebben,
Idézet: „Csak valamivel élénkebb, harsányabb, nincs az a csövesekre jellemző lagymatag szétkent hangkép na meg nincs a nagy torzítás sem.” Ebben a témában nem látom értelmét hangfalas tapasztalatokról elmélkedni. Nálam a füles viszonylatban nem értem e mondatot. Mitől lenne szétkent a hangkép? Az meg érdekes dolog, amit a GGL képessége produkál. És ötforintért senki ne várjon csodát. És jó tápok nélkül se. A többiben Neked is van tapasztalatod. Szóval, hogy kinél mi számít jó hangnak, csöves hangnak az rám nem vonatkozik mércének. Idézet: „ha csöves hangot akarsz akkor miért fetekkel vacakolsz,” Minden építés sok "vacakolás"-sal jár, ha az ember jó hangzásra törekszik. És meggyőződésem, ha manapság valaki jobb hangzásra vágyik, akkor több van a megépítés módjában, mint a kapcsolások "suszterelésében".
Vannak ilyenek fillérekért az alin. Ott a kapcsolás is a második képen de mutatom is, egyetlen srpp ahogy már írtam. Nem mértem még mit mutat kis impedancián, meg nem tudom hogy szól. Úgyis jön a tél, kint nem lehet csinálni semmit, majd összedobom és mérek rajta ezt azt.
Egyetlen cső, labortápról kap fűtést meg anódtápot és lehet méregetni. Meg vannak ilyenek is, itt a linkje meg a mérései, ez se sokkal bonyolultabb.
Ha nekem szántad...
Mit kezdjek én ezekkel? Ránézésre messze van a várható hangjuk a jelenleg használatban lévő hibridemnél. No ezeknek biztos hogy kifogásolható a sztereó hangképük. Persze ez is egyéni dolog.
Hát én ha kézen állok, akkor sem látok trióda karakterisztikát a DN2540 adatlapján. Pentódához hasonlót, azt igen.
SRPP kapcsolasod nem tud meghajtani meg 300R impedanciaju fejhallgatot sem!
White katodkovetovel, izmosabb csovel kellene probalkozni… A hozzászólás módosítva: Nov 11, 2025
2SK170 állítólag 2008 óta nem gyártják helyette van LSK170 Linear Systems-től. Ebayen néha fellelhető eredeti Toshiba de a 20k+szállítás/db egyáltalán nem éri meg, főleg, hogy kettő kell... Valahol láttam ISC /Inchange Semiconductor Company/ gyártóval 2SK170-et, gondolom nem tudja azt mint az elődje. Sőt találkoztam már hazai boltban olyan fettel, hogy gyártónak és adatlapra is Toshiba van közben meg ISC a valós...
Mint írtam én az elméleteben "Gyuri" vagyok. A zeneszeretetem a meghatározó az építéseimben.
Ez a pentóda dolog kérdéseket vetett fel bennem. Mondom magamban megkérdezek Tőled egy-két dolgot ennek kapcsán... Azonban az MI felvilágosított előzékenyen. Szóval: Rendkívül magas erősítés: A három rács (vezérlő, árnyékoló, fékező) optimális vezérlése révén a pentódák sokkal nagyobb feszültségerősítést értek el, mint elődeik. Alacsony bemeneti kapacitás: Az árnyékoló rács továbbra is hatékonyan csökkentette a vezérlőrács és az anód közötti kapacitást. Magas kimeneti impedancia: Az anódáram rendkívül független lett az anódfeszültségtől, ami rendkívül magas kimeneti impedanciát eredményezett, lehetővé téve a nagy feszültségingadozással járó erősítést. Jó linearitás: A dinatron-effektus kiküszöbölésével a pentódák sokkal lineárisabban erősítették a jelet, kevesebb torzítással. Nálam ez azt jelenti, hogy az említett másságnak csak előnye van! Persze az eredmény csak megépítés után lesz érzékelhető. Köszi a pontosítást! Biztatónak érzem. A hozzászólás módosítva: Nov 12, 2025
Idézet: „Magas kimeneti impedancia: Az anódáram rendkívül független lett az anódfeszültségtől, ami rendkívül magas kimeneti impedanciát eredményezett, lehetővé téve a nagy feszültségingadozással járó erősítést. Jó linearitás: A dinatron-effektus kiküszöbölésével a pentódák sokkal lineárisabban erősítették a jelet, kevesebb torzítással.” Zavart érzek az erőben... Az általam betett kapcsolásban a DN2540N5-G followerként (source követőként) funkcionál, itt az UDS változása nagyrészt nem hat az ID-re. Viszont annál lényegesebb dolog a transzfer karakterisztika (-UG/ID) használt szakasza, aminek a görbültsége a kapott hangzásra igencsak fontos tényező. TJ. Idézet: „Zavart érzek az erőben...” Megértelek. Tisztázandó, ezt az MI általános leírása volt. Azért annyira nem vagyok Dínó, hogy elfelejtettem volna, hogy csak hasonlóságról van szó. De azért nem mindegy, ha már hasonlóság, hogy Quasimodohoz hasonlít a dolog, vagy Mona Lisahoz. Köszi a részleteket, de már eltökélt vagyok. Megkap mindent, még a Dale ellenállásokat is. Persze az 5,1 ohm valós értékét majd az adott környezet 56mA-ja dönti el. |
Bejelentkezés
Hirdetés |















