Fórum témák
» Több friss téma |
Hello! Alapvetően a K1 kapcsolónak, míg a K2 nyomógombnak van jelölve.
Ha a K1-et átváltod, akkor nullázza és nullán tartja a számlálót és a léptetőimpulzusokat nem engedi a számlánc bemenetére. A K2 alaphelyzetben húzza a relét, az pedig az ÉS kapun keresztül. beengedi a léptető jeleket. Ha megnyomod/átkapcsolod, a relé elejtésével, letiltja a léptető jeleket, míg a kapcsoló záró érintkezője a Latch Strobe bemenetet vezérli. "Alacsony érték esetén a reteszekben lévő adatok követik a számlálóban lévő adatokat. Magas érték esetén a reteszekben lévő adatok állandóak, és a számláló függetlenül is működhet." Csak itt, megnyomott helyzetben magas-szintet ad a nyomógomb, megnyomva meg szakadást, ami TTL-nél azonosan H szintet jelent. Tehát mind két esetben követi a Latch a számlálók jelét. Tehát nem sok értelmét látom. (A belső Latch Pld. arra való, hogy a kijelzés ne fusson együtt a számlálóval. Pld. a freki mérés alatt.) A relénél a DIP tokot úgy számozzák, mint ha egy normál 14 lábú tok lenne. Az átkötések pedig azért vannak, hogy másik típushoz is alkalmas legyen a kapcsolás. Lásd a képet..
Szia!
A tokozást értem is, kösznöm. Arra lennék kíváncsi, hogy pl. az IC3 jelű 'ÉS' kapu IC 5-ös (B2) lába az a reed-relé '1'-es és '14'-es lábára lenne kötve? Tehát az '1' és '14' lábak közösítve vannak?
Szia! Köszi, így már érthetőbb a kapcsolók használata. Típusa szerint a 'K1' kapcsoló az DPDT 6 lábú kapcsoló lenne, ahol a '3' láb a levegőben van, nincs bekötve? A 'K2' pedig egy DPST 4 lábú nyomógomb, ahol az '1' és '3' lábak közösítve vannak?
A reed-relé esetén is vannak láb közösítések, pl. IC3-5 --> IC4-1,14?
A K1 helyére jó a DPDT (két áramkörös váltó érintkezős) kapcsoló, a 3 lába nincs bekötve egyértelmű.
A K2 helyére a nyomógombod nem jó, mert amit mutatsz, csak egy áramkörös, és négy kivezetéses. Oda két áramkörös váltó érintkezős nyomógomb kell, tehát NC + NO érintkezőkkel. Azaz nyugalomban a felső érintkező zárt, az alsó nyitott, ha megnyomod, akkor pedig a felső nyitott és az alsó zárt állapotba kerül. De az helyettesíthető egy áramkörös váltó érintkezős nyomógombbal is, mert mint látható a kapcsolási rajzon a bal oldali érintkezők közösítve vannak. Ui.: A láb számozással ne foglalkozz, mert a rajzolt bekötést kell megvalósítani. Ha nem az alkatrészlistában szereplő pontos alkatrészt teszed be, a számozás 95%-ban úgysem fog egyezni. A lábaknál pedig azért van két szám, mert egy egységen belül két kapcsoló található, lásd IC4: V4005. Az első szám az egyik, a második szám pedig a másik egység száma, és nincs közösítve. Adatlapot nem találtam hozzá, de nem is kerestem sokáig. Egyébként az R3 bal oldali lábáról hiányzik egy kötési csomópont. A hozzászólás módosítva: Nov 12, 2025
Közbe megnéztem a relé adatlapot, és valóban vannak belül közösített lábak pl az 1-14, 8-7.
De mint írtam, ne a számozás után menj, mert az gyártónként eltérhet. A rajzon lévő sémát kell megvalósítani. Hogy a közösített lábak közül melyiket kötöd be, az mindegy, kb az kell szem előtt tartani, hogy tudsz egyszerűbb rajzolatú panelt készíteni hozzá. Egyébként a megnevezés is megtévesztő, mert ez nem reed relé hanem sima DIP relé. A REED Relé-t mágneses térrel lehet vezérelni. TPS 107R2-7Sziasztok. Megint a kezem alá került egy elektronikai kis panel meg talán szenzor de fogalmam sincs valójában mi lenne ez. Öntapadós a szenzor vagy mi a csuda. Valószínűleg autós elektronika de "kugli"-s keresés semmi hasonlót nem dobott ki nekem. Valaki meg tudja mondani milyen alkatrész ill panel látható a képeken?
a DIP relé is (lehet) Reed.
Gyanúsan vastagok a kábelek. Esetleg valami apróbb fűtés?
A hozzászólás módosítva: Nov 12, 2025
Így van, illetve bátorkodtam a típusa alapján is rákeresni. A V23100_V4 a típust jelöli, a '0' azt, hogy DIP flar és NO, a '05' a relé 5V-os működtető feszültségét. A V4005 mi más lehet?
Szia! Értem a 'K2'-re irányuló észrevételed, de akkor a 'K2' DPDT az két áramkörös, de 6 lábú nyomógomb kell legyen. Így ezt a 6 lábat hogyan kötöm be?
Elfogadom, bár még olyat nem láttam, de a szóban forgó adatlapon szó sincs semmilyen mágneses vezérlésről, tehát az adott típus biztos nem az. Az csak egy egyszerű relé.
Visszapillantó tükör fűtés talán. Bár az öntapadós rész másik oldalát pont nem mutattad.
A négy vastag vezeték a fűtőellenállás tápja a két vékony meg a hőmérő szenzor. Nem látható rajta "fűtősáv" vagy hasonló?
Miért kéne hat lábú gomb? Létezik ebből 3 lábú is (de most ne várd, hogy én keressek helyetted)...
Ha a választott hat lábút akarod használni, akkor abból az SPDT elrendezésűt kell választanod.
Ui.: Bár jó lenne kideríteni pontosan mi a funkciója annak a "nyomógombnak" nem e véletlenül reteszelődő típus kell oda, mert nem mindegy. Elég e a pillanatnyi váltás, vagy hosszabb ideig fenn kell állnia, e feltétel szerint az áramkör egy pillanatra áll csak le, vagy hosszabb ideig is állnia kell.
Ez a rajzból nem derül ki.
Elvileg reteszelődő típus kell a 'K2'-re, mert ez a gomb "megállítja" a számlálót. Ez mindaddig tart, amíg a 'K1'-et meg nem nyomják. Bár azt nem értem, hogy a 'K1' nulláz is. Tehát akkor nulláz ha a számlálás "áll" és akkor indít, ha a számláló nullázva van. Éppen ezt akarom megérteni.
Valószínűleg igazad van. A másik oldalon vékony filc szerű anyag van és egy szenzor. Az öntapadós rész pedig sávosan van kialakítva. Köszönöm a hozzászólásod.
A K1 kapcsoló az 1 állásában az áramkör működik és számol amíg a K2 nyugalomban van.
A K1 kapcsoló a 2 állásában törli a számláló tartalmát minden esetben. A K2 kapcsoló leállítja a számlálást ha benyomják, és elengedés után folytatódik a számlálás. A K2 a számláló értékét nem törli, csak leállítja, ezzel kimerevíti az éppen aktuális értéket. Máshogy fogalmazva K1 szerepe a számláló futásának engedélyezése vagy törlése, K2 szerepe pedig PAUSE, azaz pillanat állj. A hozzászólás módosítva: Nov 13, 2025
Ui.: Ami feltűnt még, hogy a K2 nyugalomban az IC5-8 5-ös lábai nincsenek lehúzva testre, lebegnek.
Ugyanez érvényes ha a relé nincs vezérelve, az IC3 (ÉS kapu) 5-ös lábára is, szintén lebeg. Hiányoznak a lehúzó ellenállások.
Hello! Nem tudom, hogy építési szándékod van, vagy csak a megértés hajt. De én lerajzoltam, hogyan lehet megoldani egyszerű egy-áramkörös kapcsolóval és nyomógombbal ezt a dolgot.
- Ha bekapcsoljuk a kapcsolót, azzal a CLR törli a TIL számlálóját. - De hogy lássuk is az eredményt az LS lábat is le kell húzni, mert arra a belső tároló bemásolja a számlálók állapotát, ami ekkor még nulla. - Az ütemjelnek nem kell kapuáramkör, mert az LS jellel le lehet állítani az ütemadót. Tehát mikor az LS magas-szintű, akkor a TIL-ben nincs másolás, az ütemadó jár, a számlálók pedig számolnak. Amikor LS alacsony szintre vált, leáll az ütemadó, a tárolók pedig bemásolják a számláló pillanatnyi értékét. - Az áramkörben az U2a és b fokozat egy RS tároló. Ennek jelét törli a CLR kapcsoló, és beírja a Stop nyomógomb. A tároló ez után akkor fog törölni, ha a CLR kapcsolót ismét bekapcsoljuk. Az U2c és d fokozat tulajdonképpen egy "negatív logikás VAGY kapu. Vagy is akár a 12-es bemenet, akár a 13-as bemenet alacsony szintű az LS alacsony szintre vált. ütemadó leáll, belső tároló másolja a számlánc állapotát. - A Led-nek akkor kell világítani, mikor az RS tárpló le van törölve, de a CLR kapcsoló ki van kapcsolva. Ezt az ÉS kapcsolatot végzi a tranyó, meg tehermentesíti az R1 felhúzó ellenállást. Ennyi lenne a működés és a kapu szabványos szinttel hajtja meg a logikai bemeneteket. A téma viszont már rég nem ebbe a topikba való! A hozzászólás módosítva: Nov 13, 2025
Hello!
Ebbe én azért nem vagyok oly biztos. Bár nem ismerem a fent említett gyártmányt, de a Hamlin HE721A dip tokozású relé, pont ilyen Reed csővel működik. És bekapcsolható egy mágnessel, ugyan úgy mint a tekercsével. Mert van Reed cső, és van Reed relé, amiben Reed cső van. Mert sokkal egyszerűbb, mint mozgó kontaktusokat készíteni, mágnes-tekercsel.
A helyzet az, hogy az általad említett típus adatlapjában sincs utalás semmilyen mágneses vezérlésről. Sőt, abban még árnyékolt tokozású verzió is van, és ez gondolkodtatott el.
Végeztem egy kísérletet, elővettem egy normál PCB relét. Közel helyeztem hozzá egy mágnest, és az is hallhatóan kapcsol a mágneses térre reagálva. De ettől ez még nem egy reed relé. Mint ahogy szerintem a DIP relé sem az, legalább is a két bemutatott típus. Ez a feltételezésem szerint tulajdonképpen csak velejáró mellékhatás. Ugyanis a benne lévő vastest annyira kicsi, hogy a hozzá közel helyezett mágnes felmágnesezi azt, és átkapcsolást okoz. Ha tervezve lenne, hogy mágneses térrel valóban kapcsolható, akkor úgy gondolom annak az adatlapban szerepelnie kellene, legalább egy irányultság és térető formájában is, mint ahogy a HALL szenzoroknál szerepel. Mindenesetre szubjektív véleményem, hogy mivel a mágneses paraméterek mindkét említett típus adatlapjából hiányoznak, csak sima feszültség vezérelt relékről van szó. Mert ugye ha én mágneses térrel akarok vezérelni egy kapcsolót vagy relét, az lenne a minimum, hogy tudjam, hogy az eszközhöz képest milyen helyzetben kell állnia a mágnesnek, hogy biztos legyen a kapcsolás. Nem úgy tervezem az érzékelőt, hogy majd találgatok meg kísérletezgetek, hogyan helyezzem a mágnest a közelébe. És akkor a távolságról vagy erősségről még említést sem tettünk. Ui.: Ettől függetlenül nem tartom kőbe vésettnek, hogy nem létezik valóban mágneses térrel vezérelhető típus, de mint írtam, annak legalább az adatlapon nyomát kellene, hogy lássam. A hozzászólás módosítva: Nov 13, 2025
Ez a "mágneses vezérlés", nem üzemszerű, csak én így használtam. Egyébként ha Reed cső kapcsol valamiben, az fülre nagyon jól lehet hallani a Reed cső jellegzetes működési hangját.
(Azt hozzá kell tennem, hogy én "zaj és szag mániás" vagyok..)
Köszönöm az észrevételeket, kb. háromszor olvastam el, mire megértettem mindent. Még a másik oldalon látszik egy beültetési ábra azt is megpróbálom bekérni. A kapcsolás ezek szerint így nem igazán működik jól, mekkorák a lehúzó ellenállások, 1kOhm? Az R3 jobb oldali lába meg tényleg nincs bekötve.
Köszönöm! A megértés a cél, de lehet, hogy össze is rakom próbapanelen. Erre a kapcsolásra fogom cserélni a start-stop-nulláz megvalósítást. Ugyanis az eredeti kapcsolással kételyek vannak bennem, ami a működést illeti...
Nem állítom biztosra, hogy nem működne, csak felhívtam rá a figyelmet. A számláló IC adatlapjában szerepel, hogy a vezérlő lábakat ne hagyjuk lebegni, tehát abban nincs beépített le/fel húzó ellenállás. Az ÉS kapu adatlapját ugyan nem néztem, de attól függően milyet használnál, érdemes majd utána nézni. Az értéke inkább 6.8kΩ - 10kΩ között (jellemzően 10kΩ-s) szokott lenni.
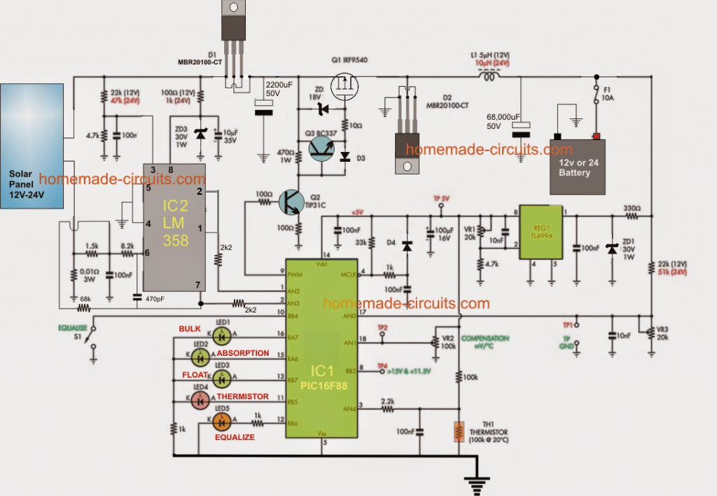
Az 1kΩ fölöslegesen okozna + fogyasztást. Napelemes töltèsvezèrlőSziasztok! Meg sulis vagyok es kaptunk egy projekt feladatot amit nekunk kell megtervezni megepiteni de mivel ilyenre meg nem tanitottak ezert kenytelenek voltunk netről nézni és nem vagyunk teljesen biztos benne hogy működik e, egy napelemes toltesvezerlot neztunk ki ami megtetszett nekunk, idecsatolom a linket hozza:https://www.homemade-circuits.com/mppt-circuit-using-pic16f88-with-3/ az elsot valasztottuk errol az oldalrol az lenne a kerdesem hogy mukodokepes lenne? Es ha nem mit kéne valtoztatni rajta? Annyit viszont észrevettük hogy a tekercs helyett masikat kell hasznalni es a TL499A 4 es lababol ellenallas utan kell foldelni, előre is koszi a segitseget!
Próbálj meg magyarul írni...ez így pocsék!
Mielőtt sok energiát fektettek bele... Nézzétek meg, hogy a forrásszöveget így nem lehet lefordítani, hiányoznak a sor eleji behúzások, több sor egybe van csúszva, amit nem tudni esetleg mi a szándékos, és mi a nyomda ördöge, szándékos komment/magyarázat... Szóval ezt kikalapálni nem kismisi
Ha rákeresel a cikk címére, akkor ezt az áramkört több helyen is megtalálod, van ahol a TO-220 tokos alkatrészeket tokrajzzal jelenítik meg, ezek átrajzolások, de itt van az eredeti rajz is:
Bővebben: Link Az kapcsolást megnézve ez a rajzolási mód az ausztrál Silicon chip magazinra jellemző, meg is találtam itt az ingyen letölthető programot hozzá, ami jól van formázva, és bizonyára fordítható: Bővebben: Link A magazinban megjelent cikk pedig elérhető az internet archive-ban: Erdeti: Bővebben: Link Átdolgozott: Bővebben: Link Ez az eredeti forrás, ezeket lenne érdemes átnézni, átolvasni először, meg esetleg a Microchip AN1521 Application Note-ot. |
Bejelentkezés
Hirdetés |


















