Fórum témák
» Több friss téma |
Jogos
Teljesen jogos. Elnézést. És köszönöm szépen a forrásanyagot!
Szia!
Ha 25°-os PWM-el hajtod meg a 21W-os izzót, egy kiégett szentjánosbogár fényét fogod megkapni. Ki kell kísérletezni a helyén, azaz az autód lámpájában, hogy mennyire veheted le a fényét, hogy egyforma legyen a helyzetjelzővel. A feladatra pedig elég egy PIC10-es egy logic Fet egy zéner meg pár ellenállás.
Szia! Köszönöm!
Igazából pontosan ez lenne a cél. Nem értek hozzá de gondolom a PWM kitoltest miután megvan minden már annyira nem lenne bonyolult utánkorrigálni. De igen. A kiégett Szentjánosbogár lenne a cél
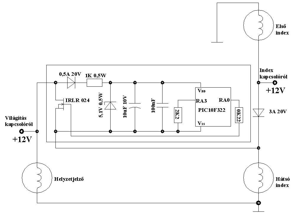
Itt egy egyszerű kapcsolás. A tápfesz egyből indítja a PWM-et, amit a trimmerrel be tudsz állítani, amikor pedig kap az indexkapcsolótól jelet, átvált a program az indexre.
Hello! Feltehetően P-Fet-re van szükség, mert az izzó egyik pontja a testen van.
Jogos, csak P FET-ben nincs logikai. De megkerülhető, csak akkor az áramkör negatívjának kell az izzóra csatlakoznia, a fetnek pedig a tápot kell rövidre zárnia, valamint a tápellenállás elé kell egy dióda, az elkó meg 100uF. A program az indexkapcsolót pedig csak a FET kikapcsolt állapotában vizsgálhatja.
Az nagy valószínűséggel zavart okozna a villamos rendszerben. Az első hátsó izzó együtt vannak kötve oldalanként . Akkor a hátsó izzót is at kellene kötni különben szerintem zárlat lenne. Esetleg erre van megoldás hogy minden maradjon a régiben? Illetve akkor ez a fajta pic ezt az alap programot tudja vagy azt meg kell írni?(ahogy adatlapot nézem kell rá program.)
A hozzászólás módosítva: Dec 16, 2025
Egyik PIC-ben sincs program, azt neked kell megírnod. Ugyanakkor javaslom, egy egyszerű LED villgotatással kezdj egy egyszerű kontrolleren (pl. PIC12F1840). Ha egyből nagyot akarsz harapni, beletörhet a fogad és elkedvetlenít az egésztől.
Mindegyikre kell program, anélkül nem csinál semmit.
Átrajzolom neked holnap. Egyébként az lényegesebb, hogy mennyire modern autóba szánod. Mert az ilyesmit csak régebbi autókon lehet megcsinálni.
Bakman! Bár a PIC12F1840 egy valóban jó kis kontroller, én is sokat használom, csak az a kérdés, miben szeretne programozni. Mert a bankváltókkal egy kezdőnek meg gyűlhet a baja, ha meg olyan nyelven programozna, ahol ezzel nem kell törődni, a kívánt program lehet, bele sem fér a kontrollerbe.
Szia.
Köszönöm az észre vételt. Fentebb a kérdés indításnál jeleztem hogy nem értek hozzá. A későbbiekben ha végre lesz időm (2 éves most aki lefoglal ) picit szeretnék alap szinten bele folyni de túl nagyot így 40 évesen már nem álmodok.A kérésem ugye úgy hangzott hogy valaki tud e segíteni a logikai tervezésben és a program írásban. Ahogy írtam is nem kérem én ingyen, mindenki ideje pénz. De sajnos akitől jó 8 éve vettem ilyen elektronikát már nem foglalkozik vele. Panelt készíteni tudok. Shematic alapján nyák tervezés talán menni fog még, de maga a kapcsolás megálmodása és a program szerkesztés nem fog menni. Az írást szerintem megoldom majd. Annyi tudást biztos be tudok kebelezni. Nagyon régen tini koromban pár egyszerű kapcsolást készítettem, próbálkoztam megérteni, működtek (led cube, poloska, fm rádió, meg a jó isten se emlékszik miket csináltam) de azért elhaladott felettem is picit az idő. Most legutóbb a villanypásztort2 építettem meg a bss oldalon, és nagyon jó érzés volt újra vasalni és újra forrasztani, éleszteni és látni h azóta is működik a dolog, de ennyire mélyen ugye sose merültem bele, amiket a fentebbi segítőom csípőből tudnak. Ha valaki segít azt megfizetem. Ha viszont zsákutcába futok sem haragszok meg nyilván. De azért örülnék ha a fejemben lévő útban segítségemre lennétek
Szia!
Egy 1994es Honda Civicbe menne a kütyü. Itt oldalanként (jobb és bal) közösen van az első a hátsó résszel. Ezért is gondolom hogy problémásanb lenne így. Egyelőre én nem terveztem a következő 3 évben a programozásba ennyire bele merülni, arra is segítséget várok. Utána viszont ha végre időm engedi majd akkor úgy is vissza olvasok picit, hogy merre induljak el. Köszönöm az eddigieket!
Viszonylag nagy memóriaterületekkel bír, ezért szoktam Flowcode-hoz javasolni, tűri azt is, ingyenes XC8 fordítóval is. A kérdező még nem programozott semmiben, ahogy nézem, az sincs eldöntve. Nulláról indulva meg kb. mindegy is, tanulni, tanulni és tanulni és az elejével kezdeni (pl. LED villogtatással). Sőt, a logikai alapfogalmak (bit, bájt, ÉS, VAGY stb.) is kérdésesek számomra.
Nem kell logikai szintű P-FET, lásd melléklet.
Ha nem félsz az assemblytől, akkor megírom neked rá a programot is, illetve kapsz egy egyszerű rajzot az áramkörről.
Idézet: Ahamm, így már világos a dolog.„Egyelőre én nem terveztem a következő 3 évben a programozásba ennyire bele merülni, arra is segítséget várok.” Remélhetőleg elnézőek lesznek a moderátorok, az ilyen kérés a hirdetési részlegre való.
Csináltam már ilyen FET bekötést. Nekem nem jött be. Ha nagyon muszály volt P FET-et használom, akkor vettem hozzá FET drivert.
Nincs azzal semmi gond, felhasználástól függően sokkal jobb megoldás lehet FET meghajtó (pl. viszonylag nagy PWM frekvencia), de egyszerűbb esetekben gazdaságosabb és nem kell trükközni az autóban.
Hello! Igaz nem ide való, de még megtanulsz programozni, kipróbálhatod.
Úgy gondolom ez is (már a saját magam) edukációs jellegű, és a topihoz talán erősen kapaszkodó kérdés. Így biztos hogy megmarad a dolog. Hisz ha kapok programot azt erősen át fogom tanulmányozni megérteni azt, hogy mi miért, alapot adva a közeljövőbeni tanulásomnak.
Illetve nem utolsó sorban elég régi a profilom szeritnem, nulla fake poszttal ahhoz hogy nyomjon a vizemre egy lapáttal. De majd látjuk. Nyilván ez rajtuk áll vagy bukik. Én továbbra is tartom magam a fentebbiekhez, hogy tanulási céllal mégis önhasznú projekttel rukkoltam elő. Nem a kéregetés a célom egyáltalán.
Nos ahogy ígértem, itt egy egyszerű kapcsolás, ami pont azt csinálja, amit te szeretnél.
Ha kérdésed van a rajzzal kapcsolatban, kérdezz privátban. A programot is mellékelem majd, de a pontos értékek beállításához össze kell rakjak egy deszkamodelt. Az áramkör működése: Amíg a PIC tápfeszültsége el nem ér egy szintet, blokkolódik a program. Amint indul, megvalósítja a 2 másodperces felfutást 25%-ig. A kb. 1KHz PWM frekvencia végett a PIC tápja elég stabil. Azonban, amikor az index működni kezd (világít teljes fényen az izzó), a PIC táp tápfeszültsége csökken, amit érzékel és leállítja a PWM-et. A villogás szüneteiben ugyan ismét elindítja a felfutást, de ennek az idő rövídsége (villogás szünetideje) miatt nincs látható jele. Csak az indexelés végén. Miért nem indul el a pic 16f887 külső kvartzról?Sziasztok!A problémám a következő : pic16f887 vagy pic 16f883 nem indul külső kvartz-ról. A próba panel egyszerű:vss és vdd 100uf 25v ,100 nf kondival összekötve. Az osc ra6 ..ra7 kötve 2db 15pf kondi a testre a kvartz mind két lábától . A mcl-t próbáltam +5v ra húzni ..nem. Ja az alkatrészek működnek kipróbáltam. A panelt pickit működteti. Ha olyan prg írok ami int oscal működik akkor megy,ha a configot át írom HS (18.432mhz) akkor meghalt. ??????
Tedd fel a kódot, mert így sötétben tapogatózás...
Akkor sem indul el, ha a 100 µF-os kondit kiveszed a rendszerből? Kell a kód, ahogy Pali79 is írta, lehet, hogy elnézel valamit.
Próbáltad úgy hogy kerek 18Mhz re van állítva a kvarc értéke ?
Állítva? Nem értem... Beállítod a CONFIG1-ben a HS opciót, aztán jónapot. A kvarc meg annyi amennyi...
Valószínűleg kaqkk kolléga a Flowcode-ban beállítandó frekvenciára gondol, ami az alatta lévő XC8-as fórdító számára a
A kód csak proba.
x=0 t1: wait 0,x 'a eepromot irja hogy lássam hogy megy waitms 1000 x=x+1 goto t1 a külső kvartz értéke nem érdekes. ha a configban átállítom ,int oscra ra akkor a belső alapbeállítás 4mhz-al fog működni ,és működik is . |
Bejelentkezés
Hirdetés |














