Fórum témák
» Több friss téma |
Nekem 24VAC-es trafóm van, az kb. 36V, de ezt csak 8ohm-on bírja...nekem 4ohm-os hangfalhoz kell. Hogyan varázsoljak ebből 27-et?
Hali-hali!!!
Vállalkozó kedvű TDA-sok figyelem! (akiknek van működő erősítője) Megint én. Kitaláltam egy tök jó tervet, hogyan lehetne rájönni, hogy mi a baja a TDA-mnak! Majd valaki, aki ráér - azaz lesz ideje a közeljövőben - az segíthetne nekem! Mondom a lényeget: Én elküldöm postán annak, akivel lefixáljuk az IC-t! Ő belerakja a már működő NYÁK-jába és bekapcsolja...Megnézi hogy működik-e?! Ha igen, akkor elkérem tőle a teljes doksit, ha nem, akkor meg nem. Na de komolyan! Egy megbízható emberre lenne szükségem, akit nem zavar az ilyesmi és hajlandó lenne segíteni nekem... Na akkor írjatok! Peti.
24V AC-ből kb. 33V DC lesz egyenirányítás és pufferelés után. Szerintem nem lesz nagy gond a nagyobb feszültséggel. Legfeljebb a potival kicsit óvatosabban kell bánni.
4 vagy 8 ohmos hangfallal?
120W TIP tranyósat!!
Az nem sok?
Vagy nincs valami butitott változata, mint például a 40W-os Quad is?
OFF:
Máma előkaptam a jó kis TDA7294-es végfokomat, amit csak ünnepnapokon használok, és elkezdtem terrorizálni a szomszédságot... Előbb csak hangos zene (rock+techno) majd aztán a basszus-test mp3-makat. Szépen szóltak a házi 80W-os SAL hangfalak, az egyik előrébb csúszott a parkettán vagy 30 centit, a másik meg enyhén égettszagot árasztott fél óra után Én nagyon meg vagyok elégedve vele, csak a hangfalba kéne valami erősebb hangszóró... ON: Ja a végfok 25V AC-ről, +- 35V-ról megy. 10000µF szűrés van csatornánként, a plusszos és minuszos tápfeszültségeken. Teljes terheléskor kb 33-ra esik vissza, ez 4 ohmon több mint 110W ( a konnektorban a feszültség is 1-2 V-tal csökken )
Na sziasztok!!!
Senki nem akar vállalkozni??? Én kapcsiból vennék egy új tda-t, de szerintem a posta költség sokkal kevesebb lenne... Írjatok!
Idézet: „a konnektorban a feszültség is 1-2 V-tal csökken” Fejed a paksi atomerőművet, mi? :wow3: Ejnye-bejnye...eztet nem szabad :vigyor2:
Most csinálok egy "bulidobozt" egy barátomnak, 8ohm 3 utas hangfal, 30cm mély, 13cm közép, dóm magas, mind M.N.C. TDA7294 erősítő torroid trafós táppal, 2*27VAC, JVC autórádiómagnó PC táppal hajtva, egy olcsó asztali DVD, és egy külső bemenet, mindez egy dobozban. 3 állású bemenetválasztó+hangerő+ki/bekapcs és kész. Az első példány egy kisebb, otthoni cuccokból tákolt, az enyém, ettől kapott kedvet akinek csinálom. Majd rakok fel képeket, ha érdekel valakit.
Az észrevételem most annyi, hogy a JVC autórádió nem tudja kihajtani a TDA-t a vonalkimenetéről, ha valaki autóba építi, akkor kell elé előerősítő. Itt nem volt gond, csináltam a hangszórókimenetből nagyobb vonal jelet. off Másik érdekesség, hogy a rádió és a magnó hangereje és hangminősége között iszonyat különbség van. Meglepetésként a magnónak nagyon szép magasa van, viszont kevesebb mélye, bár így is jó, de az egész halkabb. A rádió hangosabb, tompább és kicsit sok a mélye...egyébként jó lesz ide, bulizáshoz kell háttérzenének. Ja, még valami, elég nagy bordát raktam rá, de a vége környékén hajtva eléggé forrósodik, nem mintha baj lenne vele, csak a hűtésre ügyelni kell. Mondjuk nálam úgy van elhelyezve, hogy a PC táp átszívja majd a levegőt a bordán, tehát ha össze lesz rakva, jobb lesz a hűtése. On A +-24VAC...ööö, legyen inkább 2*24VAC, vagy +-24VDC. Ha egyen akkor kicsit kevés lehet, ha AC, akkor tuti elég lesz. Üdv Inhouse
Sziasztok, csatoltam egy tda7294-est megbolondítva 2 tranyóval! Nem az én szerzeményem, de aki csinálta azt állítja hogy 250W-ot ad le 2ohm-on, és ezt bírja! Most azon filózok hogy ezt, vagy a 120W tip-eset építsem meg? Szubként akarom használni. Vélemények?
na persze, hiszel egy paintben rajzolt "kapcsrajznak" + az illetőnek(neki lehet de..)???
milyen elektronikai emberke, ha nem használ elektros prgit, már a 21. században élünk, de a 20. században is volt dos-os prgi..? meg milyen dolog, hogy 70W -a hajt meg 2 tranyót?? felejtős az egész azt hiszem... meg +-35 és +-40 között a tápfesz... simán szárnyra kap az ic... csak goldolkodtam lajikussan.. a TIP tranyósban is +-12V megy a tranyó bázísára... _más_ melléklek egy ide való cuccot, (tegnap találtam) nem rossz annak aki tda-zik..
Idézet: „Fejed a paksi atomerőművet, mi?” Ááá nem, csak amikor ezt mértem egy viszonylag vékony lehetett a vezeték azon a környéken a falban
nem rossz, de alkatrészekket rá teheted volna.. bár engem ez a tda nem érint
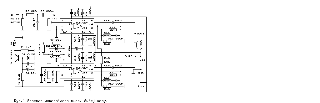
A második oldalon van a kapcsrajz, és a beültetési rajz is hozzá, dbase kolléga tette fel, van panelrajz is, de én inkább átrajzoltam, így sokkal szebb!
kicsit hibás volt az előző, most javítottam rajta! ez már jónak tűnik, aki esetleg hibát észlel rajta, kérem jelezze!
Szaisztok tudna valaki segíteni ebben!NEm muxik rendesen!KIs hangnál torzít hidba meg ha kötöm akkor meg elhalkul 6mp-n belül!Segítség kellene!A mellékletben van minden!
szemből a jobb oldali részen mi aza kábel ott?
c5 és a c6 22µF -os? milyen hangszóróval terhelted? üdv
Az a kábel csak átkötés mert a nyák allja nem érintkezik ezen a helyen!Mi van a 22uf es kondival?140W hangszóróval csak 1 darab Subwoofert akarok hajtani vele!Sony XS-L1040F
az a hangszóró, nem 4ohmos??
tápfesz mekkora?
a híd kapcsolást 8 ohmmal kell terhelni! +-25V mellet... sztem sok a táp fesz..
Amikora dok neki 24voltot akkor is ezt csinálja!!Mi lenne he a hangszóróval sorab kötnék 1 4Ohmos ellenállást akkor 8ohm lenne nem??Jó megoldás ez így?
Ha van otthon 100W-os ellenállásod, akkor kipróbálhatod ezt a megoldást
én azt kérdezném meg hogy a hütőbordától nem kell e elszigetelni a két IC-t? Ha?? Vagy el van?
Föntebb van egy kép arról, ahogy kinéz...a kép alapján én azt mondanám, hogy nincs elszigetelve a bordától egyik IC se...
Az adatlapot megnézve arra lehet rájönni, hogy a negatív tápfesz van a hűtőfelületre vezetve. Ez okozhatja a 6mp-en belüli lekapcsolást? Elvégre mindkét IC ugyanazt a negatív tápot kapja...
Miért baj az, hogy ha a hűtőborda a negatív tápot kapja? Nincs elszigetelve...Muszáj ehhez szimmetrikus táp?
Az baj, ha nincs elszigetelve? A hűtés elég jó! Nem lehet kikapcsolni rajta valahogy a "Stand by" funkciót, meg a "Mute"-t? Az is jó lenne! Vagy ha meg lehetne oldani, hogy a hűtő ne kapjon negatív feszt! Előre is köszi! |
Bejelentkezés
Hirdetés |




) 












