Fórum témák
» Több friss téma |
Fórum » Csöves erősítő készítése
Ne feledd betartani a fórum viselkedési szabályait, és a topik megmaradásának feltételeit. [link]
A téma átmenetileg fagyasztva lett, hozzászólni nem tudsz!
Most, hogy tuzetesebben atneztem a kapcsolast van egy par dolog amit nem ertek rajta.
1. Van egy karika az van rairva hogy C es mellette CRD 1.5mA. Ezt hova kell kotni vagy erre mit kell kotni es mit jelent a CRD 1.5mA? 2 VR500 felirattal az egyy 500 ohmos trimmer poti lenne? 3. Az NFB-t a kimenotrafo masik oldalara kell kotni? 4. *L1(*R1) ide mit kell kotni? Kapcsolas
A vérbeli csöves ettöl a kapcsolástól "hibernumba" kerül, magyarúl lefagy.
Helló a rajzhoz elfelejtette belinkelni a tápegységet mark.budai, ezt itt találod: Bővebben: Link, így már érthetőbb hogy mi az az L1* és a többi, az a CDR meg valami dióda lehet de még sose láttam ilyet lehet valami kínai jelzés
Nem kínai inkább usa!
Nálunk nem nagyon elterjedt diódaféleség, de tulajdonképpen egy áramgenerátor IC 1,5 mA a forrásárama. Helyettesíthető egy tranzisztoros vagy fetes áramgenerátorral. (Néhány ML cuccban találkoztam régen hasonlóval. Ha jól emlékszem az valami 1N67xx jelzésű volt, de nem merek megesküdni rá.)
Én ezt akarom majd egyszer megcsinálni, ha tudok majd szerezni a kimenőhöz huzalt. Minden adat meg van adva, még a kimenő is. A kapcsolás tuti működő, esetleg egy nagyobb magkeresztmetszetű kimenőt kell hozzá méretezni.
Ezt a kapcsolást inkább nem véleményezem.
Vagy FET-es erősítőt építsen az ember, vagy csöveset! Van legalább ennyire egyszerű fullcsöves PP pcl 86-os kapcsolás is, félvezető nélkül. Az egyik trióda előerősítő, a másik katodin FF, és a két pentóda a telj erősítő... Vissza kell csak keresni, még itt is linkelgettünk ilyet, ha jól emlékszem. Írjátok a He keresőjébe, hogy pcl 86 pp.! ennyi az egész... /vagy a gugliba../
Ezen a másik kapcsoláson könnyebben áttekinthető a kapcsolás:Bővebben: Link. Nem egy hétköznapi darab.
Az áramgenerátor dióda, állítólag nálunk is beszerezhető (mármint áramgen. dióda, nem pont ez a típus, én még nem is láttam).
Én is a BEAG 110-esének végét javasolom megépítésre, vagy a 211-est ami lényegileg csak a kimenőtrafóban tér el.
Már modifikáltam 110-eseket, a saját kicsi kimenőjével is gyönyörű hangot lehet elérni, és igazán nem bonyolult szerkezet, érdemes vele kezdeni.
Itt van néhányak az adadatlapja :
Kösz. Mit szólsz az előbbi csalfa erősítőhöz ?
6p14p-hez van valakinek valami egyszerű pp kapcsolása? mert ma kaptam három zsír új példányt,és csinálnék valami egyszerű kis pp kapcsolást! előre is köszönöm a segítséget! ja meg a másik kérdésem: ehez kb mekkora kimenő kell?
Kalapvetően teljesítmény és alsó határfeki kérdése.
Magkeresztmetszet= 10szer Négyzetgyökalatt 2P/Fa PL: 12W, 50Hz ... 7cm2 Elektroncso.hu oldalon illetve itt is találsz a fényképezőgép ikonra kattintva.
Ezt is megtaláltam, csak nem figyeltem, és bezártam a hsz. ablakot, arra meg már a másik rajz volt a vágólapon. Azt hittem, ugyan az, de nem.
Én nem szoktam elzárkózni félvezetők és csövek együttes alkalmazásától , sok esetben jobb eredmény érhető el . Érdekes megoldás FET-es csöves SRPP kialakítása , a DC csatolás általában előnyös szokott lenni . Majdnem ugyanez megvalósítható teljesen csövekkel is , ki kellene próbálni melyik ad jobb eredményt , ezt csak gyakorlatban lehetne felmérni .
Tegnap megpróbáltam Imi javaslatára felezni az EF86 3Mohmos munkaellenállását, majd fel is cseréltem a 820K-ost a 2,2M-sal. Így a változatlan, 220K-220K-os bemenő osztót is megtartva a bemenő 1 Veff 1KHz szinuszra a 8 ohmos terhelésen 5,17Veff-ről, 5V-eff re csökkent a feszültség. Ezzel még mindig túl lehet hajtani, tehát vissza kell térnem a visszacsatoló ágban a 470 ohm felé, párhuzamosan a nagyobb kondival. Viszont a légrést "összébb kalapálva" nagyobb kimenőjelnél kezd el csak torzulni a 40Hz-es szinusz.
Az EF86 erősítését akartad csökkenteni, azt meg is tetted ezzel.
Idézet: Ezt kérdezted. Sajnos, a visszacsatolás hatásával nem számoltál. Ha kisebb a nyílthurkú erősítés, akkor a visszaérkező jel is kevesebb, tehát a bemenőjelből kevesebb vonódik ki. Így a kapcsolás tulajdonságai keveset változnak. „Egyébként az EF 86 erősítését lehet valahogyan csökkenteni anélkül, hogy jelentősen megváltoztatnánk a kapcsolás tulajdonságait, vagy csak ahogyan most is teszem, leosztom a jelet a bemeneten? ”
Sziasztok!
Nincs valakinek legalább egy elfekvő ECLL800-as csöve? Köszönöm.
Ez konkrétan valamibe kéne? Mert korábban "kitárgyaltuk", hogy ez a cső azért már elég erős kompromisszum. Sajnos, nekem nincs (nem is találkoztam vele soha), de - akár - még börzén is kapható lehet. A következő 21-én lesz.
Igen, konkrétan egy SABA sztereo rádió végcsöve.
Nagyon új vagyok itt. Ebben a börze dologban tudnál segíteni? Kösz.
Az időpontokról, és a helyszínről itt tájékozódhatsz:Bővebben: Link
Kipróbálhatod a két cső anódjai közötti visszacsatolást , megtartva a lazább visszacsatolást a kimenőröl is , kb . 470K-680k körüli ellenállást bekötni a V1/V2 csövek anódjai közé . Mivel így nincs benne a kimenő nics akkora fázishiba , ezért ez nem fog túllövést okozni , de tovább csökken az erősítésed .
Legjobb az lenne ha ilyen nagy jeled van a bemenet vezérlésére , lecserélni az első csövet kisebb erősítésűre .
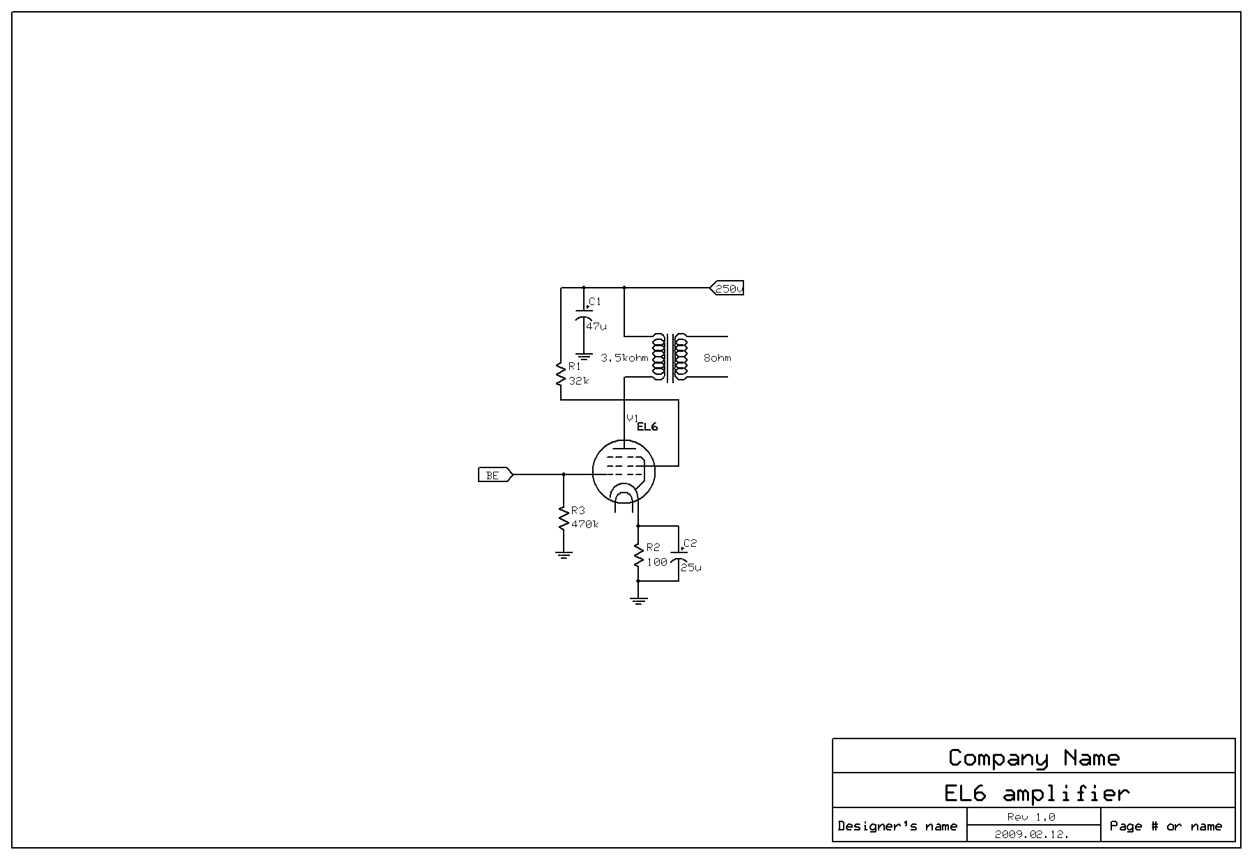
Ma délután rajzolgattam egy kicsit és ez lett belőle, kérnélek titeket hogy valaki ellenőrizze menyire jó vagy sem
Hogy jött ki az a 32k? Mi az ördögnek oda akkora értékű ellenállás? 100 Ohm , és annyi.
Ja, a 8mA-t akartad 250V-on elveszíteni? De azt nem kell ejteni, a segédrácsnak 250V kell. Tehát, ha egy 100-220 Ohm -ot teszel oda, az elég.
Igen arra már rájöttem hogy nagyon sok meg tényleg úgy számoltam de a 100 ohm az csak sac/kb vagy erre van valami számitás? és a többi rendben van?
Ha 250V a tápfesz, és annyit akarsz a segédrácsra is, akkor elméletileg nem kell ellenállás. Azonban szoktak egy kis értékű ellenállást mégis beépíteni, a nagyfrekvenciás gerjedések megelőzése érdekében.
Rendben akkor mostmár csak az előfokot kell megrajzolni hozzá, Valami oktál csőre gondoltam nem tudnátok mondani egyet ami könyen beszerezhető és jó előfoknak valami trióda kéne nem?
Sziasztok,a Thorens TD 145-ös lemezjátszómhoz építek egy MM előfokot(lásd mellékelt kép),egy Audiophile fórumon találtam rá,ahol agyba-főbe dícsérik,a 7025 helyett 6SL7-tel oldották meg az erősítést(én az orosz megfelelőjével építem,van belőle bőven).Na mármost nekem az a gondom,hogy kéne hozzá valami nagyon stabil , brumm és áthallás mentes csöves táp mivel mind a két előfokot egy tápról szeretném üzemeltetni,de ugyanezzel a foglalatú csővel(már csak esztétikai szempontok miatt is).Üdv!
6SN7 orosz megfelelője a 6H8C(6N8S) ezt nagy előszeretettel alkalmazzák előfokokban.Rádiógyüjtő klubban 1000 ft körül mérik.Üdv
A többi része jó.
Egyébként a segédrács ellenállás számítása is az Ohm -törvény szerint megy. Ha meg van adva a segédrács áram, és a fesz, akkor a tápfeszből levonjuk a segédrácsfeszültséget (amennyivel kevesebb, annyit kell ejteni a segédrács ellenálláson), és az árammal számolunk. Számolhatunk feszültségosztóval is (aminek a cső a terhelése), sőt még stabilizátorcsővel is, akár. |
Bejelentkezés
Hirdetés |


/vagy a gugliba../




