Fórum témák
» Több friss téma |
Fórum » Csöves erősítő készítése
Ne feledd betartani a fórum viselkedési szabályait, és a topik megmaradásának feltételeit. [link]
A téma átmenetileg fagyasztva lett, hozzászólni nem tudsz!
Bizony-bizony..PP!!!!!!
Megoldható, hogy elvigyem neked! Ha kell más is, szólj!
Nem, az enyéim csöndben vannak.De van még egy tartalék, ha az egyik meggondolná magát.
GYÁREKIK!
Számoltam egy kicsit... Gityómotyó lesz a köv. mű! Elegem lett a sztereóból , főleg, ha zenét is csak a kocsiban hallgatok... (majd egyszer csinálok csöves autóerősítőt!)6db PCL86 lesz az egészben. 40-45w-ot várok tőle. A triódáknak is megvan a helye egy jó gitárerősítőben. A fűtés soros 90v-lesz, amit egyben az anódfeszhez is hozzáadok... Szóval: 1 pár PCL86 PP-ben 9kohm Raa. Akkor: 3 pár párhuzamban, 3kohm Raa. 8 ohm-hoz, kicsit alámenve a 2x1,5kohm-nak, (Koci mondta, hogy 8k-val is megy...) Az áttétel 1:13. 13cm2-es vasra, 20Hz-es alsó határfrekivel 1Teslával a voltonkénti menetszám 8,66. Tehát a szekunder /8ohm 40,5w/ 18Veff-hez 18x8,66=~156menet. az áttételből adódóan a primer: 156x13= 2x2028 menet. Jól számoltam? (megfejtéseket kérem a szerkesztőségbe)...
egyenlőre semmi nem jut eszembe,és 10-éig se valószínű hogy fog! foglalatom van hozzá,szóval az nem gáz.
esetleg ha kell akkor tudok adni egy EY86-ot ha kell!
Az tuti, ha ez kész lesz nem kell aggódnod, hogy a gázhiány miatt esetleg fázni fogsz.
Vagyok én - vagyok én , nem látod a rengeteg értékes és építő jellegű hozzászólásomat?
Nem hiszem el! Az ORION nem adott a biztonságra
Boldogan hoztam haza a napokban az anyum padlásáról egy AT 1461-OC típusú TV sasszéjét. tegnap elkezdtem kibontani ami kell.Amit kimenőtrafónak hittem, kiderült, hogy az a fojtója ugyanis a. Egyrészt mert a pufferkondikra ment, másrészt nem volt légrésesen lemezelve. Tehát, gondoltam az a fadobozban maradt (de az nincs, csak a sasszé lett az enyém vagy 20 éve). Viszont van két köre (primér, szekunder, de minek?) Sebaj kimenőm szerencsére van a PCL86-hoz. Bontom tovább, hogy kivegyem a táptrafót. Na, ott meg az lepett meg, hogy csak két köre volt. Hol a fűtőtekercs? Azért kibontom, leporolom, s láss csodát, ő a kimenőtrafó a légréses (EI) lemezeléssel. Akkor hol a táprtafó, honnan van a csőfűtés Nagyon úgy nézem, hogy a 220 direktben ment mindenre, és ellenállásokkal osztották le a csöveknek. Lehet ez így? De nem is érdekel... csak így akkor nincs táptrafóm :rinya: A hétvégén ismét anyum padlásán kötök ki, és addig le nem jövök, amíg nem találok egy táptrafót. Nincs kedvem nekiállni tekercselni egyet. Majd max akkor, ha az már nem a deszkamodellé lesz. Fojtónak találtam HAGY AT-20A típusú fénycsőfojtót. Ugye jó ez is, vagy tegyem be inkább amit kibontottam. De mértr van annak szekunder köre? ugye az nem lehet a csőfűtés? Mellékletekben a szerzemény.
Én úgy tudom, hogy a csöves tévékben a fűtőszálakat sorba kapcsolták,és úgy ment a 220V-ról.A csöveken eső feszültségek szorozva a csövek számával kiadta a 220V-ot.Innen a soros fűtés,pl a soros 300mA a "P"-s csöveknél.Tehát nem "hiba" ha nem találsz benne trafót a fűtésnek külön.
De majd a tapasztaltabbak kijavítanak. üdv
A Pxx csöveket azért találták fel, hogy ne kelljen fűtő TR, mivel a fűtő áram konstans, ha jól emlékszem 300mA.
Így fogták és sorba kötötték az összeset + egy db varisztor és jöhet akkor még 220V. A tervezést az Ufk paraméter azért jól megbonyolította. Üdv! Lajos
Akkor gyűjtsd a 11-es csöveket a autóba!
a fontosabb konstans áramúak:
V: 50mA, U: 100mA, P:300mA és NTK ellenállás
Kecskemét tökéletes választás lenne a találkozás céljára, mert én és Rockersrác(Márk) is itt lakunk ha lennének konkrétumok, szívesen várom őket.
Gratulálok én is. Nagyon szép és ötletes munka, nagyon jól néznek ki
![]() Holnap én is teszek fel új képeket az új szerzeményemmel--> (Ez egyenlőre még titok) és én is véletlenül ottfelejtem magam a képen , hátha engem is felismer valaki a következő börzén, vagy adnáisten találkozón
Nekem is jó lenne Kecskemét.
Azt nem lehetne hogy a Puskás börzét áttenni Kecskemétre? Ott is van főiskola
Szia!
Tv-s, és rádiós csövekből nem sok olyat tudnál mondani, ami nincs nekem is jónéhány... Rádiófelújítóknak is szól! 5 doboznyi rádió-tv LÁMPÁ van, még körmös pirosak is, meg csavaros tetejű aranyozott PHILLIPS is...
Jól emlékszel!
A P-s csöveknek ez a lényege, én is ezért kötöm sorba a 6db PCL86-ot, és adok nekik 90v-ot. Az összes Tv-ben, amiben PL36, PL500-504 dolgozott,soros fűtés van , táptrafó nélkül, és nagyon ráz is , mert a sasszija is asszem hálózaton van. Az antenna bemenet is dupla csatolókondenzátoron át ment be, a földfüggetlenítés végett, de még így is sokszor ráztak... Bontani jó! (Annó én is ezt említettem a 16db PL 504 révén, hálózatról fűtve, de ezt senkinek nem ajánlom!!)
mindegy!
10-e körül(vagy amikor legközelebb találkozunk) odaadom szuvenírként,mert énnekem nem kell! mivel hogy egyenirányítani csak felesben hajlandó,és még ráadásul kicsi is a terhelhetősége! szóval ajándék tőlem! az szééép! lassan már elektroncső nagyhatalom leszel!
Bizony! Az egész hálózat egy az egyben rá megy a sasszira. Amint írtam épp most bontottam ilyen TV-t, úgyhogy a saját szememmel győződtem meg róla, ki is akadtam miatta, de ezt előrébb már leírtam.
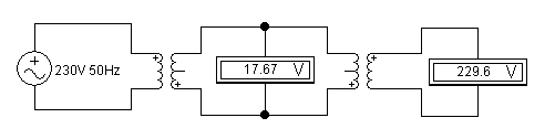
Említettem, hogy hálózati trafót keresek. Olvastam valahol, hogy két egyforma, szembefordított trafóval is megoldható. Le is szimuláltam (kép). Szerintetek jó lenne ideiglenesen, próbára, amíg elkezdek barátkozni a "csövezéssel"?
Természetesen jó, ha a trafók teljesítménye >= a rákapcsolt készülék áramfelvételével.
30VA-esek a trafók, és egyetlen PCL86-ost akarok meghajtani. Tudtommal kb. 2W-os végfok lehet belőle.
Köszi, este nekiállok, összerakom a deszkamodelt. Remélem minden hó lesz. Már alig várom hogy hallhassam a hangját. Szerk: Most veszem észre, hogy az előbb lemaradt a kép. Itt van. De látom tudtad miről beszélek.
Ne felejtsd el, hogy a fűtőszál, és a katód között az ellenállás nem végtelen, finom brumit kaphatsz. A TV soros fűtésénél is megválogatják a sorrendet brummérzékenység céljából
Sziasztok.
Lenne egy kérdésem:a fázisfordítónál hova kell kötni az ecc85 árnyékolólemezét? És mégegy:ha az ecc85 egyik felét használom(előfok),akkor a mésik felét simán hagyjam szabadon?itt kell valamit csinálni a két trióda közti árnyékolólemezzel? Előre is köszi... És hogy miért érdekel mindez engem?----> építem a PL500 PP-t.
Sikerült ma majdnem véglegesre összerakni a PCL86 Se erősítőmet. Már csak a hálótrafót kell elforgatni 90 fokkal, mert beszórja az egyik kimenőt, de a vezetékeket is arrébb pakolom majd. A lyuk helyén még egy EM80-as lesz berakva, csak nem tudom még, hogy miképpen is kössem rá az erősítőre. ha jól tudom nagyobb az érzékenysége, mint a bemeneti jel, tehát az kilőve. A PCL-ek triódája után milyen fesz van? Abból már meg lehetne oldani a meghajtást, nem? meg közösíteni kellene a két oldalt is. Simán két ellenállással csinálhatom? egy képet rakok a mostani állapotról. Már megvan a 250V-os tápfeszem is végre.
Sokkal nagyobbat szól így, mint a 200V-ról. Kisebb jellel is ki tudom hajtani. Majd ha meglátja és maghallja a haverom, aki még a TDA-s erősítőkön él.
Csináld így ahogy a képen van!
Alkatrészei: C1=100 nanó D1, D2= OA1160 R1=1Mohm C2=100nanó (én 470nanót raktam be, jól működik.) üdv
Gratulálok, nagyon tetszik!!!! Nekem külön bejön a fektetett EZ80 !
Ezt a bemenetre kössem simán így, ahogy van, vagy hová?
A PCL trióda részére, a csatolókondér után.
Itt valami hasonlót hirdetnek:
Bővebben: Link |
Bejelentkezés
Hirdetés |


(majd egyszer csinálok csöves autóerősítőt!)
esetleg ha kell akkor tudok adni egy EY86-ot ha kell!
Boldogan hoztam haza a napokban az anyum padlásáról egy AT 1461-OC típusú TV sasszéjét. tegnap elkezdtem kibontani ami kell.


szóval ajándék tőlem!
az szééép! 


