Fórum témák
» Több friss téma |
Fórum » VF2 végerősítő
Szia!
Ha végigolvastad a conduktor teljes leirását rájöttél volna mindenre,,ezt Kd mester is mondta hogy azért nincs minden részletezve,mert aki a nyákrajz és a kapcsolás alapján megépiti annak nem okoz gondot! Olvass minél többet róla hiszen nem elég öszedobni, pár dolgot jó érteni mi miért van igy,,aki tud segiteni fog de türelem és kialakul,mellékelem a beültetést a tápellátást már tudod,,és ha van kérdés segitünk,üdv jandark
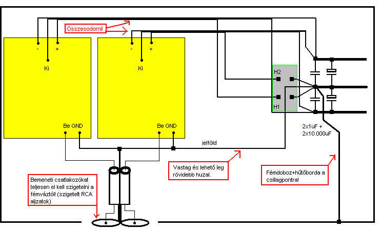
Találtam egy jobban átlátható huzalozási tervet. Ezen a rajzon egy másik erősítőnek a bekötése látható, de értelemszerűen a tiedet is így kell behuzalozni. Mindent külön vezetékkel, és lehetőleg vastag vezetékkel, legalább 1mm2-es. A rajz kicsit csal, a kimenetek vezetékeit nem kell összesodorni a táp vezetékeivel.
Köszönöm hogy segítesz! az lenne a kérésem hogy ezt a képet amit küldtél nem e tudnád nagyobba elküldeni mert alig lehet látni, vagy annak még jobban örülnék ha kiírnád nekem fileba az alkatrészlistát, azért is kérem ezt, mert nem tudom hogy pl az ellenállások melyik hány W-os, meg a kondik melyik kerámia, elko, fólia, meg hogy hány voltosoknak kell melyiknek lenni! Ez oltári nagy segítség lenne!!! Megköszönném,... heló
nekem a 3 végfokhoz 2 tápot ajánlottak, akkor a két táp gnd-t is össze kell kötni? mert 2 sztereóba, meg 1 mély végfok lesz,... ?
Szivesen
![]() Nagyitani nem tudok sajnos,,ezt ugy tudod nagyobbá tenni ha letöltöd társitod a windovs képnézegetőhöz és az nagyit hatalmasra is,,,, ellenálások: törekedtem az 1watt körüliekre de van ami fél wattos lett,,de van 0.6wattos is,, a lényeg hogy amit kapsz elfér a panelen de 1watt-tól nagyobb már nem fér el és a 0,5-0,6-és 1watt tökéletes,,(nálunk pl csak vegyesen tudtak adni) kondenzátorok:a 100uf.osok (elko)a 12voltos zener után vannak tehát 25voltos már elég lenne,, a rajz alapján ha elfér tegyél mindenhova a tápfesznek megfelelőt tehát 50voltosat,,(nekem pl 100voltosok a kondik mind,kevkeny kivitel és épp elfért igy a tápfeszt is szabadabban emelhetem )(jönnek a kerámia fólia vagy egyéb,,,)a becsatoló kondi a 680-as nálam mkt kondi ha van tehetsz mindenhova mert ezek nagyon jók nem muszály fólia lehet csak kerámiát kapsz a boltokban ,,,(nálam a becsatoló mkt 680,,a többi pedig mind kerámia) ha elakadsz szólj üdv
Itt van a beültetés. De mint már írtuk is egy páran, ezt meg kellene tudni csinálni annak aki belefog az elkészítésébe. :yes:
(ez nem jandark-nak szól)
Ellenállások toleranciája? Az NE 5534 az eredetileg philips gyártmányú, de olyat már nem kapni sehol,... Azt irták valahol hogy csak azzal van jó hangja. Mivel lehetne helyettesíteni ami még kapható, és jó is a hangja?
jav.-szamóca
Azért akkora különbség nincs, hogy ez számottevő lenne.
A hangláncban szereplő többi elem a minőségi tényezőjének is magasnak kell lenni hogy ezt meghallhasd.
Köszi a választ
Amúgy írtátok hogy olvassak, mindent elolvastam ami ide kapcsolódik, azért kérdezek hogy amiben nem vagyok biztos, vagy nem tudok azokat az infókat beszerezzem! Ebből is látszik hogy a tökéletességre törekszem!
Szia!
Egy táp elég hozzá, csak megfelelő méretűre kell megválasztani. Az erősítő teljesítményét add össze és szorozd meg 1,5-el, ez minden erősítőre igaz, kivéve az A osztályút. (130W+130W+130W)*1,5=585W Tehát egy 600W-os trafó elegendő lesz.
Tolerancia?Az ellenálásból tudod meg amit veszel majd,,az ellenálás tolerancia a szinkódból derül ki majd,
ha nincs,nézz utánna a neten van számtalan szinkódfejtő és abból kiderül a tolerancia, ha ugy érzed hogy lényeges,,(ha megtervezett és épitett kapcsolást csinálsz az értékek kiszámitottak,,és a watt vagyis a teljesitmény ami meghatározó pl,,kisebb helyére ha fér nagyobb,,forditva nem!!!) (ezt a legtöbb boltban nem biztos hogy megtudják neked mondani, nálunk pl ideadják és fizetek,,de próba szerencse) Az ne5534 röl:Az hogy nem lehet kapni igy nem teljesen igaz,nézd meg pl a hq videonál vagy ird be a keresőbe,,(van ebből is eredeti és utángyártott,én ezzel nem foglalkoztam,,) néha persze van eredeti is,, most ne5532 van benne,de azért mert ebből tudtam venni sokat jó áron. Ezt majd akkor veszed észre ha több alkatrész próbálgatása után kialakul egy kép ami a neked legmegfelelőbb lessz,, Ajánlom figyelmedbe a fórum további lehetőségeit!Milió témakör,,ellenálás,müveleti erősitő,,stb,,hasznosak és érdekesek is.... üdv
Szia!
Csatlakozok a számitáshoz! Helyes a méretezés,,a tervezője Kd mester adta az segitséget mikor elkészütem vele idézem:zenére elég a 150W-os trafó, normális méretezésnél 400W, kondi legalább 2*4700uf,,tehát ha engedi a keret 600w és kondi is bőven amit odaszánunk.. További Kellemes fórumozást! Üdv
Jó lenne ha több időm lenne,,az ember szivesen szól hozzá ahoz amit szivvel lélekkel csinál...
Örülök hogy láttalak! Üdv
Az ellenálások 0,6W-ak, kiveve a 220ohm és a 820ohm ezek 0,4W-ak, de csak azért mert ezek férnek be. A bemeneti kondi jó minőségű MKP, MKT legyen semmi esetre sem kerámia. A 100µF az természetesen elektrolit, a többi ha lehet akkor fólia legyen, de jó a kerámia is. Beültetésnél figyelj a dióda és a tranzisztor lábkiosztására. A 100u-os kondinál pedig a polaritásra.
heló
És a minimum a 600W os trafó? vagy az optimális? És mennyi a minimum? Meg ha a trafó közös, akkor tápot 2 kell csinálni, vagy elég abból is 1? az egyenirányításra meg az elkókra gondolok! milyenek kellenének ehhez meg milyen nagyságúak?
Szia!
Igen, min. 600W trafót, lehetőleg toroidot használj, ennél kisebbet ne, max. nagyobbat, de az meg felesleges. Valamint csináld meg hozzá a kapcsolások között lévő lágyindító kapcsolást, hogy biztos ne verje le az automatát, nekem már 1db 300W-os trafó beindításánál pislant egyet a lámpám. Az egyenirányítás szerintem min. 400V 25A-es graetzkocka (a quad405ömben 1000V 35A-es van, ~60Ft-al volt csak drágább), és 2x10000µF min. Én most csináltam egy 2x200W-os VF2-t, 2db 300W-os Beag toroiddal, oldalanként 2x10000µF-os (4x10000µF összesen) kondikkal, és 2db 400V 25A-es graetz-el, szól mint az állat és nagyon jó hangja van, egész szilveszter éjjel bömbölt max. hangerőn.
Na most egy tényleg kezdő szintű kérdést szeretnék feltenni! Tudom a mellékletben le van írva! De nem teljesen vágom Az élesztést! Mármint azt hogy hol és mit kell mérni, ezt nagyon megköszönném ha valaki érthetőbben elmondaná, akár képen berajzolva is vizuálisan érthetőbb általában! Köszönöm heló
Én úgy csináltam hogy a potmétert max. állásba tekertem, bekötöttem sorban a tápágakba (a pozítívba és a negatívba is) 20-20ohm-os 10W-os ellenállásokat és az egyik tápágba egy ampermérőt (200mA DC állásban), mindegy melyik tápágba. A bementetet rövidrezártam a gnd-vel, a kimenetre rátettem a hangszoróvédőt (de ezt élesztésnél nem fontos, csak a végső összeszerelésnél) és a hangszóró helyére egy feszültségmérőt 200V DC állásban.
Ezután bekapcsolttam megnéztem a feszmérőt, nincs-e egyenfesz. a kimeneten, de ezt a hangszoróvédő egyből jelzi, mert nem kapcsol be ha egyenfesz. van a kimeneten. Ezután elkeztem tekerni a potit a min. állás felé, közben az ampermérőn néztem mennyi áramot vesz fel a végfok és beállítottam 90-100mA nyugalmi áramot. Kivettem az ellenállásokat, az ampermérőt bennehagytam és megmértem mégegyszer az átfolyó áramot, ha ugyanannyi maradt akkor kész.
Ennél érthetőbben nem lehet leírni. Szerintem olvass el egy pár könyvet vagy RT-t, mert úgy érzem azt sem tudod hogy mi az az ellenálás meg táp. Ilyen hozzánemértéssel nagyon nehéz lesz működő erősítőt építened. Olvass minél többet! :nezze:
köszönöm a választ
![]() magery: Hidd el hogy én leszek az 1000-ből az 1 aki nem elegendő tudással sikeresen megépíti ezt az erősítőt! Csináltam már mást is olyant amit előtte még soha!!! Persze olvasok eleget megígérem, de ami nincs leírva meg ami nem egyértelmű azt muszáj megkérdeznem! Csak 1 kérésem van ha kérdezek segítsetek, persze csak akkor ha tudtok, és lehet az ide beírt infók nem csak nekem, hanem későbbiekben másoknak is hasznukra lesznek! köszi heló
Szia!
Már leirtam neked,,a lényeg a minimum a 3*130watt lenne ami neked üzemelni fog (ez 390watt lenne) számitva 400watt ahogy irtam is. 600watt már ideális,de nagyobbat csak akkkor vegyél ha engedi a költségvetésed ill csinálsz hozzá lágyinditót ugyanis ahogy irták a fórumtársak 300watt-tól felfelé kezdődik és 1000wattnál a bérházi kismegszakitót is leveri... Nem feltétlen ugy lessz nagyobb a teljesitményed ha a trafód 600watt-tól is nagyobb lessz,,,ide már a feszültségemelést kezdve az alkatrészek módositásán át változna és a végén egy másik kapcsolásnál kötünk ki.. A trafóról:ha megveszed ill kiválasztod a megfelelőt,hiszen igy látatlanba elmondani hogy ilyen és közbe olyan, nehéz,,,ha megvan irsz és segitünk,,(van olyan toroid ami pl 4*35voltos feszültségü,,vagy 2*35,,de lehet olyan variáció is hogy több szekunder is van, ((pl 2*35 volt +2*30 volt ezt akár jól is jöhet mert a 2*130wattos kapja a 2*35voltos ágat és a mono 130 pedig a 2*30voltot is)) egy nagyobb trafónál ha van 2szeres feszültség ami lehet akár középágas is elképzelhető hogy ellátja mindhárom kapcsolást,amit szintén lehet normál és 2utas egyenirányitással késziteni a trafó lehetőségeihez mérten,,,) A 25amperes stab kocka teljesen jó,ide nem is irok ezt elmagyarázták szépen.. A kondiról:a fizikai mérete relativ az ujabbak sokszor kisebbek a régieknél ezt az a hely határozza-szabja meg ahova kerül a kapcsolás,, A feszültség méretezése pedig:50voltosra-50est tenni határérték,a 63volt ideális üdv
Köszönöm a választ kielégítő volt, de már végleg kezdek belebonyolódni a tápba! Szóval, vagy 2 db 300 W-os toroid 2*28vagy 30Volt, és ehhez akkor 2 egyenirányítás, 4 Elkó 10000µF !
Vagy 1 db 600 W-os toroid, 1 egyenirányítás, 2 elkó 10000uF! Melyik lenne a jobb a 3db 120W os végfokhoz? Vagy esetleg egyéb ötlet?
Itt már bőséges a választék..
2trafónál:28-30v/300w+28-30v/300w igy is 2tekercs van és a normál és a 2utas is megoldható,ez jó megoldás és a teljesitménye is kb akkora lehet mint ha egy 600w lenne,,,(bár konkrét adatok alapján ezen lehet elmélkedni) 2trafónál:2*28-30v+2*28-30volt,,,az én személyes véleményem hogy ettől az is jobb, ha veszel egy 400ast meg egy 200ast és külön hajtod őket elválasztva a 400w ra a 2*130wattot,és a 200ra a 130wattot,, 1 trafónál:itt is lehet több tekercs, -vegyük hogy csak 2*28-30volt van 600w,ha a huzal keresztmetszet megfelelő akkor mindhárom kapcsolást elfogja vinni (a toroid a legideálisabb),, -ill ha tudsz tekertetni trafót, bármekkora méretezés és feszültség kivitelezhető,(ill trafó van sok helyen,itt is és egyéb hirdetőoldalakon, néha kedvező áron lehet kifogni nagyon jókat) üdv
Nem tudom, hogy hallani fogod-e a különbséget, de ha nagyon vájtfül vagy ÉS sokszor szeretnéd 100%-on hajtani a rendszeredet ÉS akkor is nagyon vájtfül vagy AKKOR 2db 300VA toroid.
A kettő lehetőség közül az a jobb megoldás, ha mély külön trafóról(legalábbis külön tekercsekről) megy, csak két kisebb toroid lehet drágább lesz, m int 1 nagy. Csatornánként szubhoz 2x10000uF, a sima sztereóhoz is érdemes csatornánként 2x10000uF. Ha már mindenképpen nagyon tutit akarsz.
Szerintem attól függ mennyi helyed van és hogy milyen trafót tudsz szerezni.
Viszont ha 1db 600W-os trafót használsz, 1db egyenirányítóval, ahhoz is 4db 10000µF-os kondit használj (szerintem), ezekhez a feszültségekhez, amit megadtál min. 63V-osakat. Én így oldottam meg a stereo quad405-ömbe: 1db 300W-os 2x28V-os toroid, 35A-es graetz és 4x10000µF 63V. A stereo VF2 60V-os verzióját pedig így: 2db 300W-os 2*42V-os toroid (olcsón tudtam szerezni ebből 4db-ot, azért nem 1 trafót használtam), 2db 25A-es graetz és !csatornánként! 2x10000µF 63V(ez is 4db kondi összesen).
Oh Köszönöm szépen a segítségeket! Mindenkinek
![]() Szóval ahogy értelmezem jobb lenne a 2db 300W-os trafó és 2 greatz, meg 4 10000µF ! És akkor a két táp GND-jét össze kell kötni és ott lesz a csillagpontföld?
Nem akarok okoskodni, de ha két trafót akarsz három végfokhoz, akkor az egyik trafónak 200W-osnak, a másiknak pedig 400W-osnak kellene lenni.
Szerintem. |
Bejelentkezés
Hirdetés |












