Fórum témák
» Több friss téma |
Fórum » VF2 végerősítő
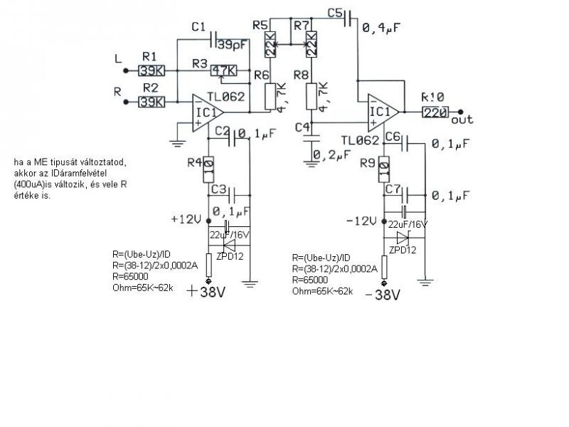
Amint írtam is a rajz mellé, függ a ME típusától az érték.
A TL062 az egy speckó alacsony tápáramú tipus, adatlapja szerint Idézet: azaz 0,0004A /tok Így kapsz 65kOhm-ot. (38V-12V)/0,0004A=65000Ohm„Low Supply Current: 200 uA/Amplifier” A 3,3K ellenállással 0,0078A azaz 7,8mA/tok az áramfelvétel. Ez az áramfelvétele Pl az NE5532 tipusú OPA-nak (tipikus:8mA)
Igazad van, az nincs benne add hozzá. (4814Ohm~4,7kOhm)
Nekem 7mA zener árammal, és 0,0004 A el 3715Jött ki tehát 3,7KOhm!?
A ugyanennyi zener árammal, és a 8mA ic árammal meg 3714 ez is 3,7KOhm! Akkor ez így van vagy valamit elrontottam?
Igen 26V/74mA-nál 3,5k lenne. Én a ZPD12 adatlapján 5mA láttam ezért tér el a tiedtől a számítás. Az utolsón még alakíts.
heló most így ahogy te mondtad 5 mA el 5,2 KOhm jön ki de mind a kettőre megint csak,...
Nem kötexés, de a Zener-dióda záróirányban használatos, ha Zener-ként akarjuk használni
De nem is ez a lényeg,mert ez gondolom mindenkinek világos. Igaz, zeneren záróirányban is folyik áram (letörési tartomány), csak azt szerintem nem nyitóáramnak szokás nevezni.. mert ez sztem félreérthető.. de ki hogy nevezi, ez csak szőrszálhasogatás részemről Senki ne vegye szivére
én ezt már végképp nem értem van ez a kép!
Most akkor így kell bekötni? És mekkora ellenállás kell oda?
A diódákat igen. Úgy, ahhogy a rajzon van. Az ellenállás kiszámításának pontos mikéntjét majd megkukkolom, fejből sajna már nem megy, nem szeretnék hülyeséget írni. De valszeg a szamóca képlete helyén való.
Azt tudja valaki esetleg, hogy hol lehet olyan MKP 680nF-os kondit venni, mint amit KDmester is használt a Conductorban?
Múltkor nem vót, WIMA-t adtak, de az kisebb és nem jó ebbe a nyáktervbe. Sajna a nyák már kész...
a 2*130W sztereó végfok ami -+ 38Volton 130W ot ad le 4 Ohmra! Arra ha 8 Ohmos hangszórót kötök akkor arra hány Wattot ad le az erősítő?
Ha mondod nekik, hogy hány raszteres kell, ez azt hiszem 9raszteres. A Wima is jó
ő egy gyártő, meg jó minőségű kondikat is csinál, igaz nem olcsón... Én fúrtam egy plusz lukat a hosszabb kondinak, és a nyák hátoldalán meg meg lehetett szépen oldani, hogy ne legyen gányolás.
Szerintem nem annyira fontos számodra, hogy most részletezzük. De ha akarod, akkor kérj meg valakit. Egyébként ott kezdődik a probléma, hogy a 130wattod sem pontosan 130watt, mert terhelésre esik a trafó feszültsége, plusz a hangszórónak is van impedanciagörbéje, ebből tudnál pontos értéket kiszámolni.
Jó akkor mondjuk legyen fele tehát 65 Watt 8 Ohmon!
Ehhez Kéne egy mély-közép és egy magas hangszoró mind a kettő 8 Ohmos és gyári hangváltóval az összes ellenállásuk 8 Ohm marad! Mekkora hangszórók az ideálisak ide? Mármint wattra gondolok, mind közép, mind magas!
Akármennyire jó egy hangváltó, a kész rendszernek akkor sem lesz konstans 8 ohm az impedanciája. Hol több, hol kevesebb, igaz, ha tényleg jó a hangváltó, akkor ezek az eltérések kicsik. De ha gyári hangváltó címszó alatt az univerzális 2 vagy 3 utas váltókat érted, akkor azoknak igencsak fura dolgokat képes művelni az impedanciagörbéje. Nekem is volt (és még van is
) egy saját építésű, két utas, ún. univerzális váltóm, és annak igencsak nem konstans az erősítő felé az impedanciája a hangszórókkal. Ráadásul nem is úgy vált ahogy kellene, pont a hangszórók impedanciagörbéje miatt. Másrészt: egy erősítő akkora teljesítményt képes leadni, amennyire meghajtod De igazad van, érdemes előre tervezni, hogy hosszú távon se nyírd ki a hangszórókat. De hangnyomásszintben is érdemes őket egymáshoz illeszteni: mind a szatellit sugárzókban a mélyközepet és a magasat (L-PAD), valamint a SUB-ot a szatellitekhez. Ugyanis tegyük fel, hogy van (v. lesz) 2 db 87dB-es eredő érzékenységű szatellit hangfalad, és tegyük fel, hogy 1W-tal hajtod meg (a két oldal hangerőszintje ált. egyforma). Egy szatellit esetén a hangnyomás 87dB, de ha a másikat is rákapcsolod, akkor az eredő már 93dB lesz. Ehhez nulla állású hangszínszabályzás esetén 93dB-nyi szubbasszus dukál. Viszont a másik feltételezés: a mélynyomó mondjuk 90dB-es érzékenységű, azaz ennyi hangnyomást produkál 1W-on. Ahhoz, hogy az egész egálban legyen, 3dB-lel meg kell növelni a mélynyomó hangnyomás-szintjét, amihez meg kell duplázni a rá adott teljesítményt. Magyarul: ha max hangerőre tervezel, és 130W jut max a mélyre, akkor a szatelliteket elég kb.65W-ra tervezni. Ennek analógiájára (ismerve saját hangszóróid érzékenységét) illeszteni tudod a saját rendszered is. A dolog a szatelliteken belül már más tészta: a zenében jellemzően a mély és közép hangok dominálnak a teljesítmény terén (2-3kHz-ig), és ezt általában a mélyközepek szokták leadni. Emiatt kicsit nagyobbra lehet tervezni a mélyközepet, azonban nincs gond abból sem, ha egyformára tervezed őket.
De még mindig nem tudom hogyan lesz 8 Ohmos 2 utas dobozom!
Nem akartalak nagyon összezavarni.. a hangváltó mindenképp elengedhetetlen. Csak át kell kicsit gondolni, és a hangszórókhoz igazítani, de ez tényleg szőrszálhasogatás volt, amit írtam. Mindent egybevéve tekinthető 8 ohmosnak eredőben egy univerzális váltó is.. és ha kezdő vagy a dologban, tényleg érdemes készen kapható váltóban gondolkodni. Ha kicsit is vájt a füled, előbb utóbb rájössz a váltó hibáira, utánaolvasgatsz fórumon, szakirodalomban, és lecseréled egy saját építésűre.
Ha szeretnél kicsit többet tudni a hangváltók lelki világáról, ajánlom ezt az oldalt: Valto1 és a 2. rész: Valto2
és ha gyári 8 Ohmos hangváltót alkalmaznék az mennyire lenne hallgathatatlan? meg a 65-70W 8 Ohmon ehhez kb mekkora teljesítményű mély-közép, és magas hangszoró dukálna?
Tapasztalatból mondom: loudness-szal, vagy egy kis hangszínszabályzással lehet rajta segíteni, nem világvége a dolog, persze ha jók a hangszóróid. Ha engem kérdezel: min. kb. 70-80W-os mélyközép, és min. 50W-os magas.. ha jol van az egész összehangolva, és nincs torzításig vezérelve az egész, garantáltan hosszúéletű lesz. Igaz, egy 70-80W-os névleges terhelhetőségű mélyközép nem 13 centis..
az nem baj, akkor maradok egyenlőre a gyári hangváltónál, meg ekkora hangszóróknál aztán majd meghallom mi sül ki belőle, köszi a segítséget
![]() Bővebben: Link itt ugyanez volt a téma, bár nem tudom a srác mire akart kilyukadni,...
De úgy elköveted azt a hibát, amit én: gyorsan meg akarsz valamit építeni.. és aztán jössz rá sokmindenre, hogy ezt így vagy úgy kellett volna.. Én ha most kezdenék bele egy új rendszerbe, előtte alaposan utánaolvasnék mindennek ami vele kapcsolatos.
Elolvastam sok mindent, még azt is amit linkeltél imént, már régebb óta tanulmányozom, csak az a baj hogy nem értem,...
![]() Nem tudnál nekem érdemben segélni? a mély hangszóróm már megvan, meg a dobozterv is, ahhoz nem kell hangváltó, mert a végfoka előtt aktív szűrő lesz,... de a sztereó 2 utas dobozokkal nem haladok,...
Hangváltó ügyben sajnos még én sem vagyok a topon. Klinger könyvében és a subvoice oldalán is sokféle megoldás van a hangszóró átviteli ill. impedanciagörbe-beli hibáinak kiküszöbölésére, azonban ha minden dolgot belekombinálsz a váltóba, túlbonyolódik az egész.. és amikor valamit kijavítassz, máshol gond lesz, pl. örülsz, amikor elérsz egy szép átvitelt (szimuláció útján mondjuk, vagy megépítéssel és méréssel), de eközben meg mondjuk csúnyán elrontod az impedanciamenetet és a fázisokat. Az okos megoldás: észrevenni, hogy az adott hangszóró mely tulajdonságait lehet felhasználni a váltóban, amelyek alapból károsnak tűnhetnek. Na ez az, ami még nekem sem megy igazán, ugyanis még én sem tudtam egy rendes váltót összehozni. Én csak az utat tudom neked medmutatni.. ami hosszadalmas.. akár egy két év is lehet sajnos..
De ha nem akarsz sokáig várni arra, hogy megszólaljon a cucc: számolsz és építessz egy egyszerű 2 utas "uni" váltót, összerakod, meghallgatod, aztán elkezdessz próbálkozni mondjuk a subvoice vagy a Klinger-könyv által bemutatott furfangokkal. Majd mérsz és hallgatózol.. én is részben ezt tenném, csak az időm kevés rá sajna.. Szerintem mindenképpen próbálkozni és kísérletezni kell egy jó váltóhoz az olvasás mellett.. és ehhez valahol el kell kezdeni.
nem tudsz linkelni nekem egy ilyen uni 2 utas váltót? aztán majd meglátom milyen,...
2. fokú váltó
A váltó méretezéséhez a rajz mellett találod a képleteket. Szolj, ha magyarázat kell hozzá. |
Bejelentkezés
Hirdetés |




De nem is ez a lényeg,mert ez gondolom mindenkinek világos. Igaz, zeneren záróirányban is folyik áram (letörési tartomány), csak azt szerintem nem nyitóáramnak szokás nevezni.. mert ez sztem félreérthető.. de ki hogy nevezi, ez csak szőrszálhasogatás részemről








