Fórum témák

» Több friss téma
Fórum » Autó-generátor nem tölt rendesen
Lapozás: OK   11 / 159
(#) jocyka válasza potyo hozzászólására (») Jan 4, 2009 /
 
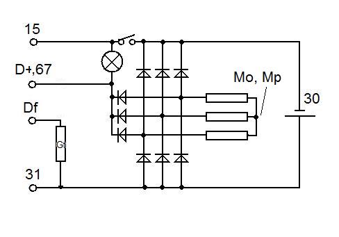
Tudnál nekem segíteni akkor ezekben: 67, F, M, és akkor ami most már tiszta az a rajzon. Előre is köszi! Esetleg ha van kis időd más bosch számokat?
(#) jocyka válasza potyo hozzászólására (») Jan 4, 2009 /
 
Lehetséges hogy a 67 es is a Df hez tartozik? Ill a kettő ugyan az?
(#) pumpa hozzászólása Feb 5, 2009 /
 
SZiasztok!
Segitséget kérnék a fényképen látott generátor bekötéséhez.
Ha minden igaz ez egy Wartborg generátor,van egy 30-as pontja baloldalt és egy DF pontja jobb oldalt, szerintem ezekre kellene a + a házra a -.
Igy jó lenne?

(#) potyo válasza pumpa hozzászólására (») Feb 5, 2009 /
 
A 30-as pontra, ahová a piros drót is megy, oda kell közvetlenül kötni az akku + kivezetését. Jobboldalt az nem D+ lesz inkább? Mert ha igen, akkor oda egy kapcsolón és egy égőn keresztül kell odakötni az akku plusz kivezetését. Az égőnek világítania kell, amikor a kapcsolót bekapcsolod és áll a generátor. Ha a generátor forog, és van töltés, akkor az égő elalszik. Az égő legyen olyan 2-3W körüli. A házra megy természetesen a minusz.
(#) pumpa válasza potyo hozzászólására (») Feb 5, 2009 /
 
De igen az egy D+.
Tehát ha jól értelmezema 30-as pont az aksi pozitívja /itt jönne ki a töltés a generátorból?/, a D+ egy izzón keresztül itt kapja meg a gerjesztő feszültséget. A generátor ház a negativ.
(#) pumpa hozzászólása Feb 7, 2009 /
 
Sajnos ez nem jött össze. A D+-ra összekötöt izzó nem világít és nem is vesz fel semmi áramot.A + és a negatív a helyén van és érintkezik. A dódákat jónak találom miután kimértem.
Mit lehetne még tenni, hogy működjön?
(#) potyo válasza pumpa hozzászólására (») Feb 7, 2009 /
 
Vedd ki a szabályzót, és nézd meg a szénkeféket. A felső két csavar fogja a szabályzót és vele együtt jön ki a kefetartó is. Ha szétszedted, akkor ott eléred a gyűrűket is, azokra mérj rá ellenállásmérővel, nagyságrendileg 5ohmot kell mérned ott. Ha szakadást mutat, akkor a gerjesztőtekercs a hibás.
(#) pumpa válasza potyo hozzászólására (») Feb 7, 2009 /
 
ok holnap megpróbálom
(#) pumpa válasza potyo hozzászólására (») Feb 8, 2009 /
 
Hát megnéztem, a 4 forgórész közül egyből kettö szakadt a másik kettő kb. 1,2 -1,4 ohmos . Ezek még jó értékek?
(#) pumpa válasza pumpa hozzászólására (») Feb 8, 2009 /
 
Kipróbáltam, a forgórészek 1.2 és 1.4 ohmos,de így legalább az izzó világított, az áramfelvétele 0.39 A.Megforgattam esztergán sajnos a töltés nem indult meg, az aksi feszültsége nem változott forgatás közbe.Lehet a forgórész menetzárlatos?Mi lehet itt még a probléma?
(#) akos70 válasza pumpa hozzászólására (») Feb 8, 2009 /
 
A forgorész 2 kivezetésére 12V-ot kötve kb. 2 A áramerösséget kell mérni. Menetzárlat nem jellemzö, vagy szakadt, vagy nem. Viszont vigyázni kell, a régi Wartburg generátorokban, ami nem beépitett szabályzos, más forgorész van, de ugyanigy néz ki. Az 10A-t vesz fel, és nem helyettesithetö vele a másik.
Kell azért bizonyos fordulat hozzá, hogy elkezdjen tölteni- nem tudom, mennyivel pörgetted.
(#) akos70 válasza mex hozzászólására (») Feb 8, 2009 /
 
Csak most olvasgattam vissza...

Már csak azért sem kell az izzo, mert a generátornak-feszszabályzonak van olyan üzemállapota, amikor minden ellenállás nélkül, direktben kapja a gerjesztötekercs az akkufeszültséget - mégsem okoz menetzárlatot. Ha igazad lenne, már százszámra dobálhattam volna ki generátor-forgorészeket.
(#) gkari válasza akos70 hozzászólására (») Feb 8, 2009 /
 
Az elektonikus szabályzós W. generatorban 3 előgerjesztő dióda van-kontrollámpa nélkül nem megy.Sajnos lehet a szabályzó is hibás-lehetséges megoldás:új szabályzó, vagy utánépités(régen csináltam ilyent, ált.a kapcs.tranya volt hulla)
Üdv:gkari
(#) akos70 válasza gkari hozzászólására (») Feb 8, 2009 /
 
Tudom, nem én kértem a segitséget.
Illetve annyit füznék hozzá, hogy kontrollámpa nélkül csak nagy fordulaton kezd el tölteni, utána már tölt alapjáraton is. Da a lényeg ugyanaz, kell a kontrollámpa.

(A hozzászolásom, amire válaszoltál, egy régebbi kérdésre vonatkozott)
(#) pumpa válasza akos70 hozzászólására (») Feb 8, 2009 /
 
Akos70!
Igen erre felhívták a figyelmemet, hogy kétfajta forgórész van a Wartburg generátorokba.Megnéztem a generátorok tipusszámát:8042.401/2 1082 ezen a gerjesztés bemenetén D+ két saruhely van és segéd diódák vannak benne.
A másik generátornál 8042.32 27 a gerjesztésnél MP van írva de csak egy saruhely van.
A másik kettőnél az utolsó szám vátozik a 28- 878-ra illetve 577-re és a gerjesztésnél MP van írva de csak egy saruhely van.
Sajnos a gerjesztő áram végig 0.39A volt mikor rákötöttem akkor is és mikor megpörgettem akkor is.A fordulatot holnap lemérem de szerintem jó volt mivel csak 3 sebességes az esztergám és a legnagyobb fordulaton volt.
Még van ezekből beépített feszabályzós és külső fesz szabályzós, gondolom a segéd diódás lesz a beépített szabályzós mivel a gerjesztésnél két saruhely van.
Azt nem tudjátok melyik forgórész való a beépített szabályzósba.
gkari!
Megnéztem a beépített szabályzót kivettem a KT805AM kapcs.tranyót és jónak találtam.
Azt nem tudod megmondani véletlenül melyik forgórész melyikhez tartozik?
Szétszettem egyik forgórészt lehet, hogy megtekerem remélem vörösrézből van.Mit lehetne még tenni ,hogy jó legyen?
(#) akos70 válasza pumpa hozzászólására (») Feb 8, 2009 /
 
Igen, stimmel,amiket leirtál.
A forgorészröl ránézésre nem tudod megállapitani, melyikbe valo. Illetve ha nem elöször látsz ilyet, akkor a drot vastagságábol.
A gerjesztöáramot ne a visszajelzön keresztül mérd, hanem direktben a forgorész két kivezetésén. Tehát 12 volt a csuszogyürükre, közé egy ampermérö. A belevalon 2A körüli áram megy át, a régi tipuson kb. 10A.
Ezt nézd meg elöször.
A csuszogyürüket is vizsgáld meg, ejöfordul, hogy kockára kopik.
A feszszabályzot probaként kiiktathatod, a pozitiv kefekivezetést (amelyiken nincs testelü fül) összekötöd a DF-fel, igy kiszürheted annak a hibáját. Ilyenkor a fordulatszámmal a feszültség is emelkedik, akár 18V fölé.
(#) akos70 válasza akos70 hozzászólására (») Feb 8, 2009 /
 
Ja, és ha a régi forgorészt tetted bele, akkor esélyes, hogy a szabályzo nem viselte el a nagy áramerösséget.
(#) pumpa válasza akos70 hozzászólására (») Feb 8, 2009 /
 
Na most én a gerjesztő áramot az izzón keresztül mértem mind a két forgórésznél és mindkettőnél 0.39A volt.
Amit szétszedtem annak a vastagsága kb0.70 volt.
Tehát a forgórészeket úgy tudom kimérni, hogy a kivezetésekre tegyek 12v-ot ampermérőn keresztül, a régi 10 A a beépített szabályzós 2A vesz fel,ugye.
A csúszógyürüket fel esztergálom.
A feszültség szabályzót ,hogyan tudom kimérni?
(#) akos70 válasza pumpa hozzászólására (») Feb 8, 2009 /
 
Azzal csak az izzo áramfelvételét mérted.
Igen, a csuszogyürükre közvetlenül 12V, közé ampermérö.
A feszszabályzot legegyszerübben a végén, probával, megforgatod, és 14+-0,4V legyen bármilyen emelt fordulaton. Ha nem tölt, összekötöd, ahogy leirtam, és ha ugy tölt, akkor rossz a szabályzo.
(#) pumpa válasza akos70 hozzászólására (») Feb 8, 2009 /
 
Hogyan kötöm össze?
(#) akos70 válasza pumpa hozzászólására (») Feb 8, 2009 /
 
"A feszszabályzot probaként kiiktathatod, a pozitiv kefekivezetést (amelyiken nincs testelü fül) összekötöd a DF-fel, igy kiszürheted annak a hibáját. Ilyenkor a fordulatszámmal a feszültség is emelkedik, akár 18V fölé."

Tehát kell egy kb.10 centis vezeték, végein 2 saru, egyiket a a DF-re, másikat a kefetartonak arra a kivezetésére, amelyik nem testre megy.
(#) pumpa válasza akos70 hozzászólására (») Feb 8, 2009 /
 
okés így már tiszta !
Köszönöm a felvilágosítást majd holnap délután tudom csinálni, ha lesz még kérdésem majd holnap felteszem.
Mégegyszer köszi!
Üdv.
(#) akos70 válasza pumpa hozzászólására (») Feb 8, 2009 /
 
(#) pumpa válasza akos70 hozzászólására (») Feb 9, 2009 /
 
Na hát ma lepróbáltam 3 db generátort de eredmény nincs.
Az elektrónikus szabályzósal keztem ,de szabályzó nélkül.
Úgy csináltam ahogy montad a30-as pontra tettem egy direkt+ majd innen átvezettem a D+ra majd a forgórész + és előte a forgórész negativjára adtam egy -.Mikor a forgórész +hoz tettem az ampermérőt 7,6A vett fel és a feszültség csökent de nem gerjedt fel a generátor,mikor levetem a forgórészről a + az aksi regenerálodott, de áram nem jött be sem ki. ez volt a beépitett fesz szabályzós álórészel.
A külsős szabályzós álorész ugyan ezt produkálta csak itt már14-15A vett fel de így sem gerjedt fel a generátor.
Hát eddig jutottam de még nem tudom mi a baj.
Valami ötlet, hogyan tovább, mit kellene megnézni?
(#) akos70 válasza pumpa hozzászólására (») Feb 9, 2009 /
 
Ugy látom, semmit nem ugy csináltál, ahogy tanácsoltam.
Úgy csináltam ahogy montad a30-as pontra tettem egy direkt+ majd innen átvezettem a D+ra majd a forgórész + és előte a forgórész negativjára adtam egy -.
pl.ezt hol olvastad??
Mikor a forgórész +hoz tettem az ampermérőt 7,6A vett fel
Irtam azt is, hogy a belevalo forgorész 2A körül vesz fel. Ez a régié, nem lesz jo vele, és a feszszabályzot is tönkreteszi.
A külsős szabályzós álorész ugyan ezt produkálta
Állorészröl egy szot sem irtam, az egyforma, csak a régi tipuson van egy csillagponti kivezetés az MP kimenetre.
(#) pumpa válasza akos70 hozzászólására (») Feb 9, 2009 /
 
Bocs de én így értelmeztem az írásodat.Nem tudjuk ezt megbeszélni Skype-n?
(#) akos70 válasza pumpa hozzászólására (») Feb 10, 2009 /
 
Nincs szkájpom, de ha van még kérdésed, szívesen segítek akár itt, akár mélben.
(#) csaplarzs hozzászólása Márc 18, 2009 /
 
peugeot 205 diesel, valeo generator toltes jo de halovanyan vilagit a tolteslampa hogy tudom kimerni hol a hiba?
(#) zolika60 válasza csaplarzs hozzászólására (») Márc 18, 2009 /
 
Próbálj ellenállást mérni az akkumulátor negatív pólusa és a generátor testje között. Közel 0-át kéne mérned.
(#) potyo válasza zolika60 hozzászólására (») Márc 18, 2009 /
 
2-3V elég az izzónak, a generátorból meg ki tud menni 10A, akkor ott 0,2 ohmot kellene mérni, az meg elég problémás. Inkább feszültséget érdemes mérni a generátor háza és a jármű teste között.
Következő: »»   11 / 159
Bejelentkezés

Belépés

Hirdetés
XDT.hu
Az oldalon sütiket használunk a helyes működéshez. Bővebb információt az adatvédelmi szabályzatban olvashatsz. Megértettem