Fórum témák
» Több friss téma |
Fórum » Csöves erősítő készítése
Ne feledd betartani a fórum viselkedési szabályait, és a topik megmaradásának feltételeit. [link]
A téma átmenetileg fagyasztva lett, hozzászólni nem tudsz!
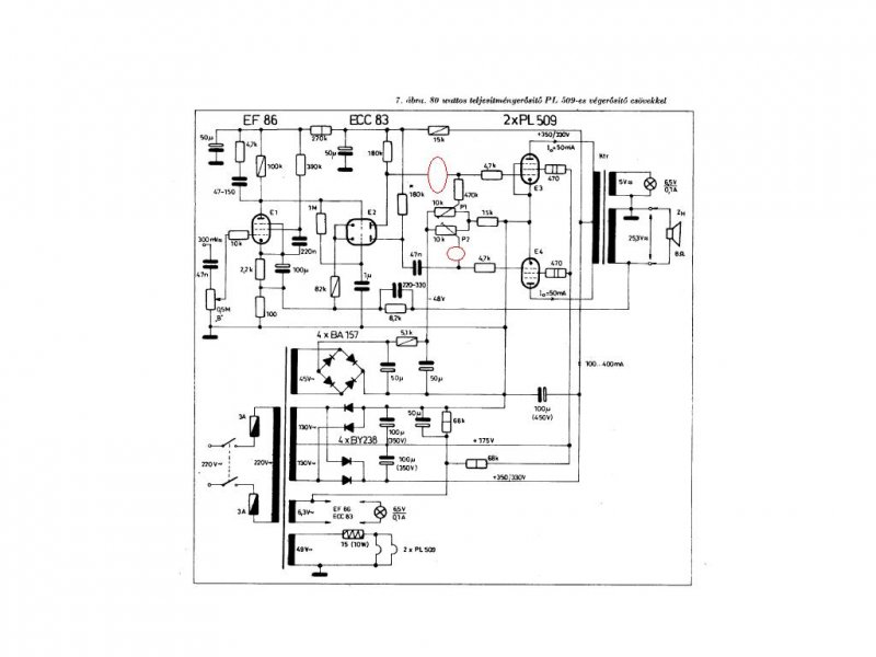
Nagyon hasonló de nem ez az. Azon a rajzon (hiba) nincs berajzolva a C7 vagy 8, biztos mert én is kihagytam a nyákról és izzott a PL.Ott 75W-ot írtak rá és meg van adva a trafó pontos rajza is.
Ez a téma már meg van oldva? Tudom, hogy meglesz az 1000 oldal.
cua: Köszi!
Kimenő milyen kell? Ami a könyvből van fényképezve az szerintem a PP-jé.
No, ezt találtam, tényleg hiányzik egy csatoló. Meg egy rácslevezető ellenállás is.
Akkor még biztos kezdő ehettél, hogy egy ilyen egyértelműen szarvashiba felett átsiklottál.
Ha ezt építetted meg , akkor semmi nem igaz abból amit fentebb állítottál ("Valóban high end 2X100W 20Hz_200kHz lineáris" )
Nem tudom milyen kimenő kell hozzá, még sosem építettem PL500/504 SE-et, sőt még csak nem is láttam ![]() Csak abban tudtam segíteni hogyan keress rá.
Ejh, rosszmájú vagy :-> Csak annyit hibázott, hogy elfelejtette áttanulmányozni a topic-ot, orvosolható hiba. Szerintem.
Attila, ez a bemutatkozás nem sikeredett valami fényesre. De ne add fel. Hosszabb távon még kiköszörülheted a csorbát.
Azért köszi!
Mi PP-t építettünk, ahhoz jó (az áttétele) a Junoszty TV hálózati trafója, csatornánként 2 db.
Nekem egy Videoton (vagy Orion?) tv van szétkapva. A szobában. Annak esetleg a hálótrafója megnézem. 115V, 12V hány ohm-os?
A hazai gyártású TV-knek nem igazán volt hálótrafója. Volt kép-hang- és sorkimenő. A PL500-hoz viszont egyik sem jó. A sorkimenő a PL500-hoz volt méretezve, de azzal 15625Hz-en, kapcsolóüzemben "muzsikált".
Valahol láttam, hogy 2 115V-os primer, meg 2 12V-os szekunder kell hozzá.
Aha, a Müszi szokott ilyen megoldásokhoz nyúlni (én beszélek a Junoszty trafó után).
Milyen megoldások? 2x115V, 2x12V?
Igen, Müszi szokott ex hálózati trafókat átlemezelni. A tekercsek osztása ezzel ugyan nincs megoldva, de legalább légrést "gyárt" rá. Az egyik legfontosabb kimenő paraméter az áttétel, enélkül nem lesz illesztve a teljesítmény. PL500 esetén az Ra=3-5k körül lehet.Ez az áttételi arány hangfaltól függően akár jó is lehet.
Napot mindenkinek.
Valakinek nincs meg a Sprint Layouthoz a novál foglalat ha valakinek megvan és berakná akkor megköszönném.
De a junoszt trafós módszerrel mind a primer, mind a szekunder 4 részre volt oszva. Azért az nem ugyanaz.
Hmm ez jól hangzik első pp erölködőmnek főleg hogy junosty trafót meg pl500-at is tudok szerezni. Esetleg egy rajzot mellékelnél vagy ha ben van a fórumban azt elég ha megmondod viszakeresem.
De ebből egy sztereóhoz 4 darab kell !
Idézet: „főleg hogy junosty trafót”
megoldjuk
700Ft/10db-ért beszerválok egy adagot
Szerinted a bemutatott erősítő paraméterei teljesítik azt amit írt róla ?
High end 2X100W ? Ha igen , akkor elnézést kérek mindenkitől .
10db
bár teszteletlenek de csak van közte 4db jó (azaz hogy 5 mert 1 kéne az EcoPityu féle tápegységbe is, tényleg azzal mivan? ugye nem felejtetted el és visza fogod nekem rajzolni EcoPityu?)
Imi azt monta, hogy szervíztapasztalata szerint nem nagyon találkozott rosszakkal.
Van a lomok közt ithon 4 darab csak nehogy még erősítő legyen a vége ?
Még az lenne a királyság ha lenne köztük hasonló hogy könyű legyen beállítani az anódáramukat
kedden a suliban majd a szakörtanártól elkunyerálok két jutoszty trafaut aztán majd meglátom hogy mikor de el fogom készíteni. A PCL-em meg holnap ösze fog állni teljesen.
[OFF]Köszi ...
Nem mérgelődöm , csak kicsit csodálkozom . Te sem szoktál felizgatni , szerencsére .... Már én is jelzem hogy off .[/OFF]
Nem, fel sem merült. De azok az erősítők egyike sem éri el a jól hallgatható szintet. Nevezzük Hifi-nek, audiofil-nek akárminek. (mondjuk bulierősítőnek elmennek)
Szerintem téged is inkább a belépő piszkált fel, ami érthető. Jól szórakoztam rajta, ezért utólag elnézést kérek nadatila-ze-től.
A vicces az, hogy egy barátomtól kapta a szakkör (Bóday Tanárúr), miután én lemondtam róla. Kicsi a világ.
Nem szabad elfelejtenünk, hogy ki(k)től tanultuk annak idején a szakmát. Bóday Ferenc Tanárúr egy a "klasszikus" tanárok közül, akik egész eddigi életüket arra áldozták, hogy átadják a fiataloknak mindazt, amit Ők is megszereztek. |
Bejelentkezés
Hirdetés |










