Fórum témák
» Több friss téma |
Fórum » Csöves erősítő készítése
Ne feledd betartani a fórum viselkedési szabályait, és a topik megmaradásának feltételeit. [link]
A téma átmenetileg fagyasztva lett, hozzászólni nem tudsz!
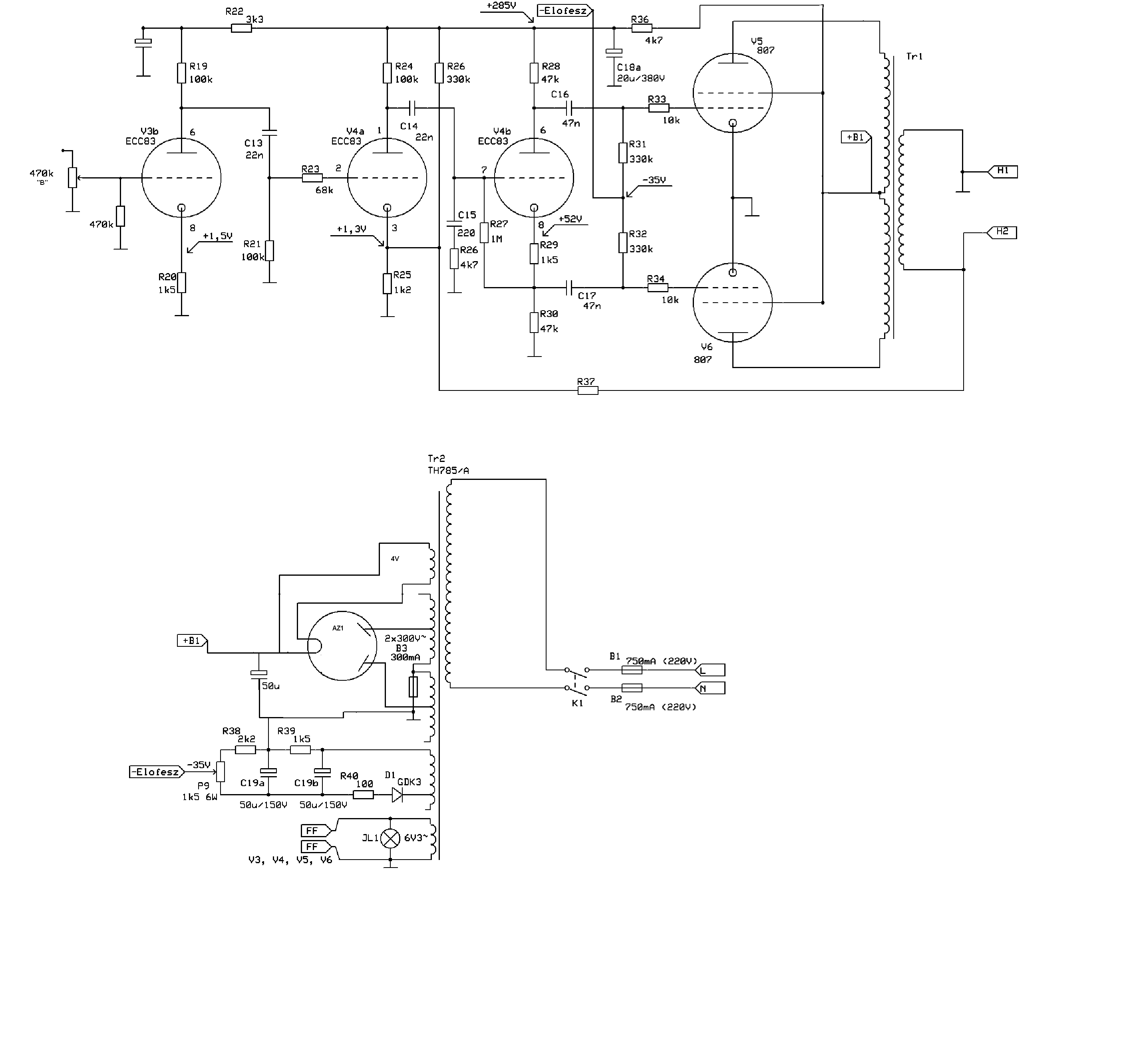
A másik rajz lamaradt :hide:
Tulméretezett FET-tel nem lenne probléma , én szikráztattam sokat és tűrte.
Csatolom a TINA -ban megrajzolt SP8-at , így tesztelgetheted , ez egy optimalizált változat . Érdemes játszadozni vele , láthatod azt is , ha a csat. kondikat változtatod hogyan reagál a fázismenet .
Szerintem nem , persze ez a megengedett torzítástól is függ .
Ez sem lenne 40W , előfokkal sem , másik kapcsolás szerintem kicsit jobb , az 1,5V- ról már megy , ha a visszacsatolását lazítod akkor még alacsonyabb szintről is .
Szia!
A kimenőtrafód már megvan hozzá? Vagy csak a hálózati? Mert ha az 2x330v-ra van tekerve Idézet: Akkor külön is egyenirányíthatod a 330v-okat,majd graetz, és kondi után sorba kötve, az anódod kicsit veszélyes lesz /900v/, de a G2-nek szerintem nem sok a 450v a 807-nél! És akkor tuti tudni fogja a 40w-ot!! Lehet, még többet is!„egy eredeti Eag trafó lene a hálózati ami meg 2X330v” Esetleg az anódot ráküldheted csövön keresztül késleltetve... Aszt hiszem PY500A-val p.l.
EcoPityu írta:
Idézet: „az anódod kicsit veszélyes lesz /900v/” Javaslom, hogy rossz TV-ből, szedd ki azt a vezetéket, amin ment a nagyfesz a képcső oldalába, és a 900V-ot azon vezesd!! Ez a fesz (900V) a vékonyabb szigetelésű vezetékeken ÁT TUD ÜTNI!!!! Úgyhogy javaslom azt a vezetéket hozzá!! Így is nagyon vigyázz : Egyszer az egyik rokonom a középiskolában állítgatta a TV-t, mert nem voltak jól a színek, persze bekapcsolva, hogy a többiek lássák, hogy mikor jó! A színt állító potik meg ugye a nagyfeszpanelon vannak. Mondták Neki, hogy még nem jó, beljebb nyúlt a csavarhúzóval, aztán megtalálta vele a nagyfeszt! Meg is rázta, a TV ugye a fal mellett volt, a csavarhúzót 9cm-re "belebökte" a falba (annyira bennt volt a csavarhúzó)!!! <- úgy gondolom, elég tanulságos történet!
Sziasztok
Megcsináltam a GU50-SE nyákos verzióját. A ki közepelés alkatrészei is a nyákon kaptak helyet. Most már tudom sorozatban gyártani.
Szerintem te még nem találkoztál igazán nagy feszültséggel, mert akkor tudnád, hogy a 900V körüli anódfeszültség igen messze áll ahhoz, hogy átüssön, főleg a szigetelt vezetékeken.
Nem tudom hallottál e a szikraköz és az azon átütő feszültség nagyság összefüggésről. legalább 20000V feszültség kell 1 centis szikrához, és a 900V igencsak messze áll még tőle. 900V nál eléggé közel kéne vezetni egymáshoz a 2 vezetéket, hogy azon a feszültség át is üssön, ugyanis a köztük lévő távolságnak kisebbnek kell lennie, mint 1 mm, hogy valóban átüssön.De ez a szigetelt vezetékeknél márcsak a szigetelés vastagsága miatt jóval több. minimum 3-4 mm. És gondolm senki se cérnavastagságú vezetékkel vezetné el a 900V ot, mert az azon folyó áramokkal számolva az már 100mA nél is majdnem 100W teljesítmény, tehát az átütés nem áll még fennt ebben az esetben, A TV nél nem véletlen van az a speciális szilikon kábelamiről beszéltél, mert ott a képcsőnél már 20-35kV nagyságú feszültség van. Röviden ennyi.
A be nem forrasztott furatok azért vannak ott hogy más méretű alkatrészekkel is megtudjam építeni.
Teljesen brumm mentes és az ócska kimenő ellenére szép hangja van.
megsúgom hogy a csavarhúzó nem tud 9 centi mélyen beleállni a falba,max ha fából van! de akkor sem tud akkora löketet kapni hogy 9 centire beleálljon a falba!
és ahogy mondta Gábor NEM ÜT ÁT 900 volt a vezetékeken!(főleg hogy 1500 volt a MINIMÁLIS feszültség ami kell ahoz hogy ezek a normál szigetelésű vezetékek szigetelése átüssön!) szóval hidd el nem fog átütni! amúgy is elég tapasztalt emberek vannak itt a fórumon(veled ellentétben) hogy tudják mit milyen vezetéken kell vinni! szóval ne őket féltsd,hanem inkább magadat,mert ha nem vigyázol akkor megvág az áram!
Sziasztok,
még új vagyok itt és a csöves etősítők témájában is, de nagyon megtetszett a dolog, olyan kérdésem lenne hogy szereztem egy 100W os erősítőt amiben az előfokban 2db ecc83 1db ecc86 os cső van a végén meg 4db PL500/504 a végcsöveket ki lehet válltanai valamilyen másik csővel vagy nem, ami benne van cső elég sokat futott már ezért szeretném cserléni. Köszi
Idézet: Dehogynem! Ha gipszkarton.„a csavarhúzó nem tud 9 centi mélyen beleállni a falba” Az olyan nedves közeg mind a levegő, nála is kb. 1000V/cm az áthúzás, magas páratartalomnál.
Szia! Simán kicserélheted másik PL 500/504-esekre. Mennyi az a sokat futott? Igazándiból látni, meg mérni volna érdemes a cső állapotát.
Vigyázok én, de inkább olyanon vezettem volna, mielőtt nem írok ide. Én azért inkább maradok a biztosnál. Na min1, akkor lehet vezetni ilyenen i! Tévedtem!
Azért ha 9 nem, akkor 5 centire állt bele a csavarhúzó, mindegy, azon volt a "lényeg", hogy belebökte a csavarhúzót a falba !
Helló,
köszi a gyors reagálást de én arra gondoltam hogy másfajta csőre nem PL500 ra. kb 1 éve használom heti 10-15 órát. szerintem ez soknak számít vagy nem. egyébknt arra gondoltam hogy hogy ha másmilyen csövet teszek bele akkor másabb lessz a hangja, de ha ez nem így van akkor marad a régi esetleg nem tudtod hogy honnan lehetne csöveket venni?? Köszi
[OFF]Ez az 1 mm/900 V-os körülbelüli érték természetesen normál légköri nyomásra, normál levegő összetételre és nedvességtartalomra értendő
, és szigetelés nélkül[OFF]
Ha más típusúra akarod cserélni akkor a kimenőtrafókat, talán a táptrafót is és a végfokelektronikát is módosítani kell. Nem éri meg, ennyi erővel építhetsz egy új erősítőt.
![]() A Te használatod 3-4 éves TV nézésnek felel meg napi 3 órai átlaggal. Mivel ezek a csövek a TV-kből valók. Egy ilyen cső akár 10-15 évig is elmehet. Úgyhogy, ha jó állapotú csövekkel kezdted el a használatot, akkor van még pár évük De ha előre beszerzel pár tartalékot, az nem árt. Forrás itt: Börze
Ez csak a látszat...
Kényelmesen elférnek az alkatrészek. 90*140mm a panel mérete. Idézet: „Most már tudom sorozatban gyártani.” Ami annyit tesz, hogy csinálsz még egyet, hogy stereo legyen?
P sorozatú csövek helyettesítésével az a gond , hogy fűtésük feszültsége nem azonos , csak az áram , pl. a PL500 27V feszültségről megy . Trafód ehhez van méretezve és a kimenő Raa értéke is ehhez van illesztve . Ha mondjuk PL509-re cserélnéd akkor az már 40V fűtéssel menne , kimenő illesztése sem lenne jó . E sorozatú csövekre cserélve is ezek a problémák merülnének fel . Ezért nem javasolnék változtatást , nagy munka lenne és nem biztos hogy hozna valamit .
Hangja viszont biztos , hogy változna . Amennyiben teljesen át akarod építeni akkor lehetne jobb csővel szebb hangot elérni .
Nem, nekem is akar csinálni
!
Anno én is nyákra terveztem a GU50-et -et Ez is lett alkalmazva ! Csak az enyém nem igazán alkalmas sorozat gyártásra mert az adott körülményekhez terveztem a nyákot ? Meg kérdés még hogy ez a kapcsolás melyik amit nyákra terveztél ?
Értem,
Akkor maradok az eredetinél, kicsit el is keseredtem mert nem valami szép a hangja és azt hittem hogy lehet cserélni a csöveket. Az előfokban lévő ECC csövek mennyire szólnak bele a hangzásba? Azokat lehet cserélni ECC83 és ECC86. Ha azt se akkor lehet átalakítattom. Köszi
Valóban stereo lesz.
Az igasághoz tartozik az is hogy a barátaim rágják a fülemet hogy nekik is kellene csöves erősítő. Mivel ők nem tudják elkészíteni kénytelen vagyok segíteni az elkészítésben. És itt kezdődik a tömeg termelés.
Maiért nem a 300B projektre jelentkezel.
Az előerősítő fokozat kis eltéréssel olyan mint amit te használtál.
A végcső azonban más kapcsolást kapott. Majd lerajzolom ha lesz egy kis időm. Ha jól nézem neked még kisebb panelra sikerült megtervezned mint nekem.
Ok kössz szépen azt a rajzot szivesen venném ha még nincs fönt ITT a fórumban valahol ? Bár nem beszéltünk össze de a méretek tényleg nagyon egyformák ? Az általam tervezett 90mmX130 mm, .
Sziasztok,
CIROKL dobozát végre belakták a hidegkatódos csövek! Nem tudom hogy kell csak egy hozzászólásra hivatkozni ezért belinkelem az oldalt (nem akarom kihúzni a gyufát a modiknál azzal hogy beteszem újra a képeket), nem lesz nehéz megtalálni mire is gondolok... Bővebben: Link
Kitaláltam mégegy lehetséges variációt. Egy eag785A kapcsolását alakítottam át. Megnéznétek,hogy működőképese?( egyedül alkotam ezért nemvagyok biztos bene hogy jólvan minden)
|
Bejelentkezés
Hirdetés |







és ahogy mondta Gábor NEM ÜT ÁT 900 volt a vezetékeken!(főleg hogy 1500 volt a MINIMÁLIS feszültség ami kell ahoz hogy ezek a normál szigetelésű vezetékek szigetelése átüssön!) szóval hidd el nem fog átütni! amúgy is elég tapasztalt emberek vannak itt a fórumon(veled ellentétben) hogy tudják mit milyen vezetéken kell vinni! szóval ne őket féltsd,hanem inkább magadat,mert ha nem vigyázol akkor megvág az áram!
!
!

