Fórum témák
» Több friss téma |
Fórum » Csöves erősítő készítése
Ne feledd betartani a fórum viselkedési szabályait, és a topik megmaradásának feltételeit. [link]
A téma átmenetileg fagyasztva lett, hozzászólni nem tudsz!
Sajnos ez a vezeték adott, nem szeretnék emiatt venni még.Igy is egy vagyonba lesz. A vallatásnál majd kiderül mit bir,ha nagyon melegszik áttekerem.
Még valami: Ha panelt csinálsz, és 2 alkatrész van egy fólián, akkor nem csak leágazást húz neki, hanem vezesd oda a vezető fóliát. Fenn van a képek között, ha nem érted, hogy mire gondolok.
Így már érthető a kis magkeresztmetszet.Persze, a gitárerősítő az némileg más tészta
üdv
Én fogtam az SM65-ös hiperszilt, és a csévéjét addig tekertem vadtekerecseléssel mindenféle szigetelés nélkül 0,35-össel,amíg teljesen megtelt, és kész.2600menet fért rá, 65Ohm körüli az Rdc-je.100mA-re kell nekem.Az induktivitása 15H körülire adódótt 50Hz-en saját méréseim alapján, de Többen is mondták hogy nem jól számoltam, mert olyan 5H körüli az.
Igen kéttekercses a hálózati mert csöves egyenirányítást használok.Azért mértem 50Hz-en mert az "van".
100Hz-en is ugyanannyi nem? Az öninduktivitás az nem függ a frekvenciától, vagy ez csak légmagos tekercs esetén igaz?
Az öninduktivitás (L) képletében nem szerepel a frekvencia.Szerintem Te a tekercs váltóáramú ellenállására az Xl-re gondolsz, az természetesen függ a frekitől, ez egyértelmű.Rég volt már hogy ezt tanultuk,.
Utána nézek mert nem hagy nyugodni.
Szerintem elbeszélünk egymás mellett, de mégis ugyanazt mondjuk.
A tekercs váltóáramú ellenállása emelkedik, ahogy a frekvencia is emelkedik, ezért használható fojtónak.(Xl = 2pi*f*L).Ez világos. De viszont az induktivitás (öninduktivitás, L) amiről itt mindig beszélünk, hogy ennyi Henry, annyi Henry arra mondom hogy nem függ a frekvenciától, vagy mégis? Ha igen akkor hogyan?Nem kukacoskodni akarok, csak szeretném megérteni.
Ha átrendezed a képletet "L"-re, akkor láthatod, hogy az függ az Xl-től, ami függ a körfrekvenciától. Igaz az önindukció elnevezést azt egyenáramnál szokás használni,ott ez a képlet meg nem érvényes. váltakozó áramnál már komplex impedanciát kell figyelni, és az tényleg függ a frekvenciától.
(Vagy valami ilyesmi )
Megjött Burgdávidtól egy 6P3Sz-E és néhány foglalat!
Köszönöm! Kő valami?
Van valakinek egy "felesleges" L414 (Re134, B405) direktfűtésű triodája, eladó, vagy elcserélhető?
Na, ami nincs a GU-hoz az már csak a két kimenő, meg táppanelt kettőt csinálunk Zolival. Mondom, ha betévedek Győrbe a piacra, majd keresek AZ4-et, ha nincs, akkor anódfesz-késleltető lesz ebben. Az EL84 viszont még mindig hálótrafóra vár. Lehet, hogy az eredeti lesz benn, a GU-nak meg majd szerzek.
EcoPityu: Te AZ4-ed, majd ha kell, akkor a GU-utániba lesz (várhatóan L500PP) Egy kicsit sok lenne elrendezésileg is a 6 cső, így 5 van a tervben. A felállás a következő lesz: ECC-GU-EM-GU-ECC. Na igen sorba lesznek kötve az ECC triódái. Vagy lehet, hogy párhuzamosan, majd ahogy jobban szól. A dobozolás: Háát, még elképzelésem sincs.
Én meg beleejtettem a vaskloridba a telómat
Mondjuk Ge tranyós áramkör nyákját maratom, lehet azért volt
Fuzz Face fantázianevű "torzító" pedált! szebben szólnak, mint a szilíciumok, AC126, Ac128 a nyerő!
Jimmy Hendrix hangzás!
Sziasztok! Épp vettem egy Ganz Univo műszerkét, s az eladó szólt, hogy volna egy ORIVOHM 1341-es (ha jól látom a képen) csövoltmérője is. Mivel nekem már van egy (szintén a napokban vettem) így ezt csak akkor venném meg, ha kell valamelyikőtöknek (persze ha jó áron adja). Gondoltam, mielőtt berakom az apróba, magunk közt kínálom. Ha valakinek kell szóljon, meg mit ér neki.
Bizony-bizony!
Sőt a diódás vágós torzítókba is Ge diódát tesznek, mert már 0,2V on nyitnak -> nagyobb mértékű torzítás Ezek a régi rajzok pedig Ge tranyókhoz vannak méretezve, Si-okkal nem is hajlandóak normálisan működni.
Nekem jöhetne is, persze, mint már említetted, valamilyen normális áron. Köszi előre is.
zoli,ilyen valami nekemis van a pincében,elég aggasztó állapotban,pesten van ,ha kell alkatrésznek,viheted,ára: baráti kézfogás...
Zolinak messze van Pest... De ha eljössz, én, és Máté is kezet fogunk Veled Zolinál
.
Oké érdekel a dolog, de az időpontot még egyeztetni kell, mivel elég nagy a távolság (200KM), így csak azért elmenni kicsit drága lenne.
Sziasztok!
Tud valaki 5C3S diódákat eladót? köszi
merre van azaz arra? esetleg megoldható,emilkével is jöhet az infó
Nehogymá' E-Mail!
Győr-Moson-Sopron megye: Zoli: Jánossomorja Máté: Mosonmagyaróvár Én: Bősárkány De minden ott lehetünk Jánossomorján Zolinál, ha Ő is benn van, hogy valaki eljöjjön, Mert Mosonmagyaróvár és Bősárkány közé esik Jánossomorja, így oda megyünk, ha mind a hárman találkozni akarunk. Mindkettőnknek (nekem, és Máténak) Zoli lakik közelebb.
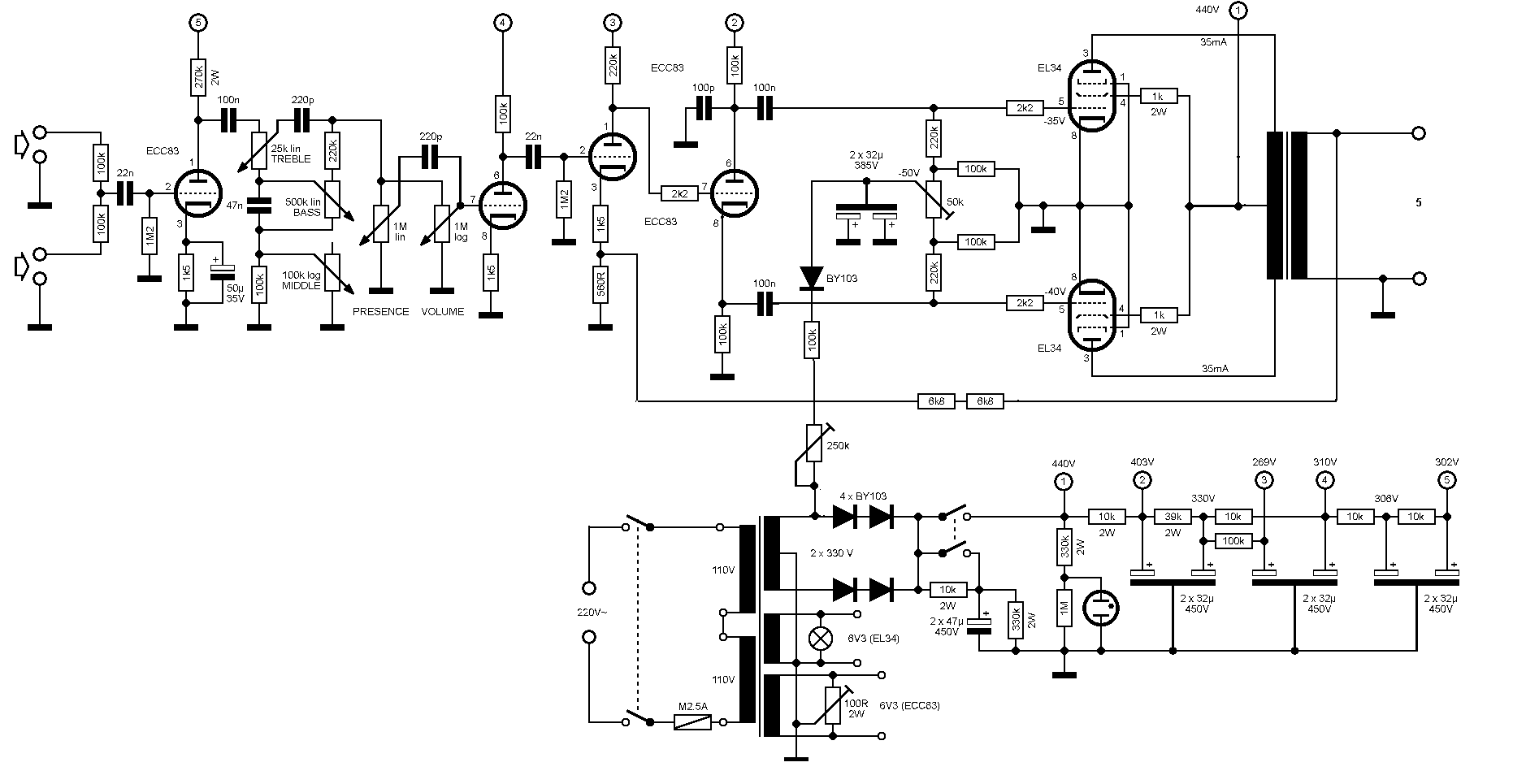
A mellékelt rajzon mit kell megváltoztatnom,hogy a 2 db el34 helyett G807-es csöveket használhasak? A hálózati trafó a csövek, és a vasmag a kimenőhöz megvan. A kimenőtrafót valahogy így szereném elkészíteni: 50 1000 50 1000 50( az 50-es menetek párhuzamba kötve) Jó ez így?
hah,nekem kiesik,de csak megy arra valaki,ha nem akkor nyaralásból hazajövök,aztán lehet postára adom,de ha van aki jön -megy akkor jelezzen
Nemám nekem küldöd, Zolinak kell. Majd Őnála mérek én is csövet, ha kell.
Majd Zoli elküldi, én nem tudom a címét, csak azt, hogy Jánossomorján hova kell menni.
Igen, ORIVOHM 1341-es, 3000-et kér érte. Állapota a kép szerint.
|
Bejelentkezés
Hirdetés |


)
Köszönöm! Kő valami?



