Fórum témák
» Több friss téma |
Fórum » Tranzisztorok helyettesítése
Sziasztok!
Tudna vki segiteni, a k107 fetnek a helyettesitojet keresem? Koszi Tamas
Hello, ez egy sima N-csatornás Jfet, DC, VHF, RF célokra, V= -27V, 30mA, 2,7mS, szóval egy hasonlót kellene keríteni, szerintem a BS170 jó lenne erre a célra esetleg.
Sőt itt van két közelebbi tipus : BF256B és 2N5486, de egyébként 107-est lehet kapni a HQ-ban is. Bővebben: Link
De jó, itt nem néztem, máshol meg nem találtam...
Nagyon köszönöm!
Szevasztok mindenkinek.
Azt kérdezném a kedves kollegáktól, hogy tudja-e valaki, mivel helyettesíthető az LA7806, és tudtok-e egy jó keresztreferencia url-t. Köszi mindenkinek.
Én is tudom, de ic helyettesítése rovat nincs, és tudom milyen alkatrész, csak nem beszerezhető, ezért helyettesíteni kéne, és gondoltam hátha valaki tudja.
Értem, bocs a kötözködésért!
Nem tudok helyettesítőről.
Sziasztok
BUZ350 Típusu FET-et szeretnék valamivel helyettesíteni. Sajnos nagyot csalódtam, 1900 pénz volt és rossz. Nemtudtok valami olcsó, könnyen beszerezhető darabot, amivel ezt helyettesíteni lehet? Lehetne tranzisztor is, de nem feltétlenül muszáj 200v/22A, de legalább 10A-t bírjon. Köszönöm szépen.
Kedves Barátaim!
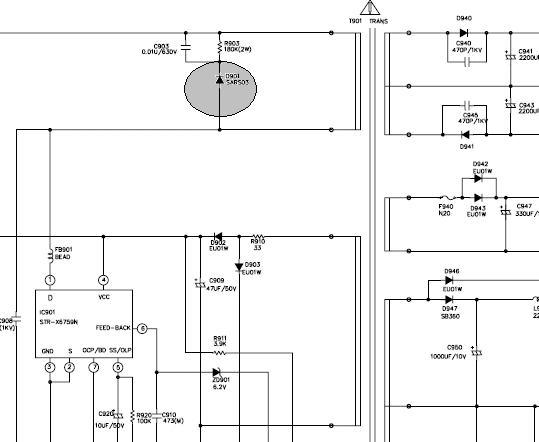
Egy LG hi-fi smps tápjában elszállt egy SARS03 tipusu dióda.Annyit már sikerült kiderítenem,hogy 800V/0,8A és igen gyors kapcsolási idejű. Kérnélek benneteket,hogy irjátok nekem meg a dióda helyettesítőjét,mivel sehol sem lehet beszerezni. Köszönettel: T.Laci Hatvan
Szia, szerintem bármely 800V 1A körüli gyors dióda megfelel erre a célra, nem hinném hogy érzékeny lenne rá. Valamely BY tipus esetleg, ami fesz és áramban ide illik. Például BY299, bár az 3A-de ez nem lehet gond.
Sziasztok!
Egy olyan problémámával kapcsolatban várnám a segitségeteket, hogy van egy autós erősitőm, amibe tönkrement két tranzisztor (2sc4511 és 2sa1725), amiket nem lehet beszerzni sehol.Ezeket mivel lehetne helyettesiteni? Erősebb tranzisztorral pl:2sc3182 és 2sa1265-el például lehetne?Köszi előre is a választ!
Köszi a gyors választ!
Volna még egy amatőr kérdésem:az nem számit hogy a BD243c 3mhz-es, a 2sc4511 20mhz-es? Köszi! Üdv,
Autós erősítőbe nem érdekes! Jobbára a fesz és az áram a lényegesebb.
Üdv.
Szia!
A hangfrekvencia max. 20KHz, de Doncso már megadta a jó választ!
Bár attól is függ hol helyezkedik el, lehet csak egy REM részen található kapcsoló tranyó, akkor meg teljesen mindegy a freki, akkor lehet 1Hz-es is
A héten megveszem ezeket a tranzisztorokat, amiket ajánlottatok, szerintem jók lesznek.Még egyszer köszi.
Üdv.
Üdv mindenkinek!
Műszerjavítási gondokkal küzdök, a bemeneti erősítő a hibás. 2sc535 ös tranyó van benne de ilyet nem találok sehol. Mivel lehetne helyettesíteni? Próbáltam mindenféle bc vel meg hasonlóval de nem vált be. A segítséget előre is köszönöm.
Itt a táblázatban Bővebben: Link a 2SC1215-t írják helyettesítőnek és a HQ-ban 80Ft/db az ára.
Üdv.Este megnézem az eredetit és jelzek. A JAEGER a BF198-199 et hozza. Öreg T
Üdv. Nézz szét !Öreg T
Sziasztok!
Egy kapcsolásban találtam egy A970 GR 6C típusú tranzisztort. A kapcsolást le szeretném másolni. A kérdés, hogy ez a tranzisztor teljes mértékig megegyezik-e a kereskedelemben is kapható 2SA970-el. Ha valaki nekem ezt kiderítené, nagyon megköszönném. Üdv.: Davis
Tudna valaki tippet adni, hogy a 2N3495 típusjelzésű PNP, TO-39 tokozású tranzisztort milyen, általánosabb és kaphatóbb típussal lehetne kiváltani? (Uce és Ucb = 120 V követelmény lenne...)
Köszi, ez végülis jónak tűnik. De még megnézem ma kicsit később az itthoni készletet is, hátha akad valami "itthon meglévő fajta"
|
Bejelentkezés
Hirdetés |








