Fórum témák
» Több friss téma |
Helló!
Vann nemekm egy tda7294 es végerősítöm amit egy pc tá hajt fesz duplázóval! A táp csak akkor zemel ha a pwr on és föld zárva van. Ehez lenne nekem szkségem egy kapcsolásra mi csak akkor zár ha van bejövö hang jel és ezt a zárást fen is tartja vagy 10 minig próbálkozam tranzisztorokkal meg kondenzátorokkal, de nem igazán jött össze! Kezdő vagyok még nem látom át! a lényeg sz lenne ha kap jelet akkor rövidre zár vagy 10 percig! Légyszíves segítsetek! KÖszönöm!!!!! Idézet: „Kezdő vagyok még nem látom át!” Na jó, azt még megértem, hogy elektronikában kezdő vagy, de az írásban is? Régebbi számkeresős deckeknél volt olyan rész, amit itt lehetne alkalmazni. Majd megpróbálok keresni egy ilyen rajzot, te meg addig próbálj meg jól írni...
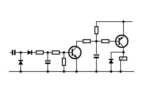
Rajzoltam egyet...
A bejövő hangfrekvenciás jel egyenirányítás után az NPN tranyót nyitva tartja, a kollektorában lévő ellenállással pedig az elkót - ami a jel megszűnése utáni időt határozza meg a töltőellenállással együtt - kisütve tartja. Emiatt a relémeghajtó PNP tranyó is nyit, relé húz. Ha a bemeneti jel kimarad, az elkó elkezd töltődni, ami majdnem a tápfesz eléréséig tart, mikoris a PNP lezár, relé ejt. A működtető feszt az ATX készenléti tápjáról lehet venni.
Sziasztok!
Egy igen egyszerű, tranzisztoros időkésleltetőt szeretnék beépíteni egy erősítőbe. Ami a gondom, hogy a késleltetés addig jó, amíg a kondiban nincs töltés. Ha azonban egy másodpercre szakítom meg csak a tápot, a kondiba marad töltés és így a késleltetés nem működik, vagy nem a tervezett ideig. A resethez lehetne relét rakni, ami akkor húz be, amikor a táp elmegy, így a reset esetén a kondit kisüti, de ez elég drasztikus illetve, ha megoldható IC nélkül és relé nélkül, akkor inkább azt használnám. Az alap egy másik oldalról vett kapcsolás. Mit javasoltok?
sziasztok! egy tök egyszerű kapcsolást szeretnék ha linkelne/csatolna valaki. annyi a feladat, hogy 12V os rendszerben (autóban) ha megszűnik egy tápforrás akkor 10 vagy 15 perc múlva kapcsoljon egy relét. ennyi. kérem akinek van ötlete segítsen. köszi!
Maga a kapcsolás nem tükröz nagy fantáziát, de ha ebből akarsz kiindulni, akkor így.
A késleltetőnek megmaradna a tápfesze? Mert ha nem, akkor csak egy relével párhuzamos hatalmas kondival oldható meg (a késleltetett ejtés).
Ha meghúznia kell a relének 15' múlva, akkor mindenképp kell az áramkörnek tápfesz...
Szerintem 10-15 perc alatt az időzítő elfogyasztaná a kondi töltését, de ezt ki kell számolni.
Lehetne pár akku a kondi helyett, amíg van külső táp addig visszatölti a kicsi akkukat és ha megszűnik a táp akkor ezekről indul a számláló meg a relé.
Dehát az autóban ott a 12V, minek kicsi akku? Annyi, hogy az áramkörödnek kapnia kell egy 12V-ot, amiről él és húzatja a relét (ha ez kell valami miatt - mert tranyóval, FET-tel kisebb veszteséggel kapcsolhatók az egyenáramú fogyasztók).
ahammm, értem mire gondolsz: megmarad a tápfesz. leírom miről van szó pontosan úgy könnyebb lesz...
szóval a kocsiban szeretném a navigáció + tápfeszét megszakítani, mondjuk 15 perc után! elvileg magától ki kéne lépnie a progiból és leállítania a hardvert, de néha ki tudja miért de nem teszi meg... és ilyenkor szokott másfél/két nap alatt simán lemerülni a vadi új akksi... ha csak beugrok valahova vagy ilyesmi akkor azért ne kellejen újra bootolni, meg holdakat keresni, de huzamosabb idő után (kb 15 perc, 1 óra kéne inkább) kapcsolja ki az egészet, mert sokat fogyaszt ![]() meg lehet oldani azt is hogy lehessen állítani a számlálón (nem kell pontosan belőni csak úgy nagyjábóóól) valami ellenállás kiszámolós dologra gondolok
tranyós, fetes megoldás is jó nekem. lényeg hogy kapcsolja ki a megadott időben a navigációt. ha egy lábon tudom kapcsolgatni a stabil + 12V-ot, szuper lenne!
Bele estem abba a gyakori hibába hogy a kérdező nem mondta el konkrétan mit akar és nem korrekt választ adtam.
Én úgy értelmeztem hogy ha lemerül a 12voltos aksi a kocsiban akkor kapcsoljon valamit.
hello.remélem tud v.ki benne segíteni.vna nekem egy késleltető relé és beszeretném kötni a beltér világitásba a kocsiba.kérdéseim:
1-záró,; 2-bontó; 3-31; 4-in; 5-15; 6-mozgó. ezek a láb kiosztásaim,mit hová kössek. azt tudom hogy a (31 a test) a (15 a pozitív). de a lámpánál csak két szál van az egyik gondolom a folyamatos test és a másik a + amit az ajtónyitó kapcsol be. akkor abba segítsetek mit hová kössek be. előre is köszi.
Sziasztok,
kellene nekem 1 kapcsolás, amire ha ráadom a tápfeszt ,akkor a kimeneten kb 1 sec körül lesz meg a jel (lehet érthetetlen) Szóval arra kellene a cuccos, hogy van 1 termosztát, mondjuk 12 Celsius foknál behúzza a reléjét, ami zárja az időzítő kapcsolás kapcsolóját/tápegységét... Az időzítő meg kb 1 sec múlva kapcsol a végén 1 kapcsolótranyót, ami 1 telefon hívógombjára van kötve, majd 1 secen belül ki is kapcsolódik a késleltető elektronika. Ez az 1 sec azért fontos, mert ha megnyomom a telefon hívásgombját, akkor ugye csak az utolsó hívás jön be rajta, ezután jönne a 2. elektronika ami mondjuk 3 sec múlva kapcsol ,így az meg hívná a telszámot. mondjuk ez típusfüggő, de cask ilyen telefont tudtam szerezni ( 200 forintért )így képzelem el: Termosztát relé húz > zárja a késleltetések elektronikáját > a késleltető 1 sec múlva "megnyomja "a hívásgombot (kb 0,5-1 sec ig nyomja) > (telefonnak a hívásmenüje megnyílik) > "megnyomja" a 2. késleltető megint a gombot megy a hívás ![]() ![]() rajzoltam 1 rajzot hátha érthetőbb =D előre is köszi a segítséget
Pic-el is jó lenne? Az megvan seperc alatt...
Hát ha lehet minél egyszerűbb legyen , csak hobbi szinten foglalkozok az elektronikával.
Apukám bízott meg ezzel a feladattal hogy készítsek neki iylen "fűtés-figyelő"-t
Szia!
Nézz körül az 555-ös topicban! Két MMV ( monostabil multivibrátor ) egymás után kötve ( kaszkádolva, az egyik indítja a másikat ) meg tudná oldani az általad vázolt feladatot! Steve
Most húnyd be a szemed és képzelj magad elé egy rettentő bonyesz kapcsolást...
1 db 7805 stab IC 2 db 100nF kondi 1 db 8 lábú PIC (PIC12F629) 1db BC 337 tranya 3db 1k ohm -os ellenállás 1db miniatűr relé 1db 1N4148 dióda Kb. ennyi és mindez egy 6x6cm-es panelon... Csináltam hasonlót, csak az ledeket villogtat: Bővebben: Link
Sziasztok!
Nekem egy olyan kapcsolásra lenne szükségem ami bekapcsolás után kb 10-15 perccel meghúz egy 240v-os relét és meghúzva tartja amíg le nem kapcsolom, áramszünet esetén pedig ha visszajön az áram szintén 10-15 perc késleltetéssel húz meg a relé. Tulajdonképpen egy 10-15 perces bekapcsolás késleltetőre lenne szükségem. Előre is millió köszönet a segítségért! Üdv.: Atty
Sziasztok
problemem a kov.: szobatermosztat kimeneti kontaktja szerint (input) Egy olyan aramkort szeretnek epiteni szerintem 555 -el aminek a bemeneten lenne (a triggeren) a termosztat kontakt, a kimenen meg az alabbi abra szerint kapcsolgatna egy vizpumpat, ahol a t-out ido 1-2 ora lenne (esetleg szabalyozhato) remelem ertheto voltam koszonom
Sziasztok fórumozók.Egy olyan tranzisztoros késleltetőt szeretnék építeni ami 2db ledet késleltetne.Annyit szeretnék,hogy megnyomok egy nyomógombot feltöltene egy kondenzátort és utána már tápfeszültség nélkül kb 5 másodpercig vagy tovább végül is az idő mindegy lenne inkább az lenne a lényeg,hogy elem nélkül világítson még egy kicsit tovább.
Üdvözlet Drága fórumozók!
A Kérdésem az lenne, hogy valamilyen úton-módon szeretnék viszonylag olcsó megoldást arra hogy az épülő erősítőmbe a hírtelen impulzust valahogy kiküszöbölni bekapcsoláskor. Nah most itt nézegettem a relés megoldást, kérdeztem apámat, ő szerinte az NE555 IC-ben rejlik a megoldás. Van az NE555nél egyszerűbb megoldás hogy bekapcsolás után a hangszórókra a jel mondjuk pár másodperc után menyjen ki? Válaszotokat előre is köszönöm
Itt nem kapsz választ soha
Nézd meg az én előző kérdésemet Ápr.3 és utána nézz a naptárodra De szerintem az ne555-ős az jó megoldás,de ha körülnézel máshol biztos találsz tuti rajzokat.
Hello, mit ajánlanátok az alábbi célra?
Adott egy autóban lévő lejátszó ami gyújtásra kapcsol be, de én azt szeretném hogy amikor ráadom a gyújtást onnantól számítva kb 10-20 másodperc múlval kapcsoljon be a lejátszó. A legegyszerűbb megoldás érdekelne, mert nem vagyok otthon ebben a témában köszi
Szia!
Neked ezt ajánlom.
Sziasztok!
Nekem egy egyszerű potival szabályozható zenekésleltető (delay) áramkörre lenne szükségem. Tudna vki segíteni? Köszi!
Mondjuk, nem kellett volna két helyre beírnod. Ennek itt jó helye van. Azért nem kaptál választ, mert azért ez nem olyan egyszerű dolog.
Gombhoz szeretnél kabátot varni. A poti ugyan egyszerű, de az áramkör ami mögötte van, az már nem. Az analóg hangot (zenét) digitalizálni kell, el kell tárolni egy elég nagy RAM ban, és a potiddal állítható késleltetés után kiolvasni a RAM -ból, és vissza alakítani analóg jellé. Hardveresen is meg lehet oldani (jó drágán, sok munkával) vagy céláramkörökkel, (szintén drágán, és valószínűleg beszerezhetetlenül), vagy szoftveres úton (pl számítógéppel)
Sejtettem, hogy nem egyszerű, ezért kértem segítséget.
Találtam egyet, de megvenni nincs sok kedvem. Bővebben: Link Esetleg ismeri vki?
Pedig olcsóbban nem úszod meg.
Szerezd meg az PT 2399 IC -t, az adatlapján levő kapcsolást építsd meg, és kész. |
Bejelentkezés
Hirdetés |







és ilyenkor szokott másfél/két nap alatt simán lemerülni a vadi új akksi... ha csak beugrok valahova vagy ilyesmi akkor azért ne kellejen újra bootolni, meg holdakat keresni, de huzamosabb idő után (kb 15 perc, 1 óra kéne inkább) kapcsolja ki az egészet, mert sokat fogyaszt 


De szerintem az 




