Fórum témák
» Több friss téma |
Mielőtt kérdezel, a következő két dolgot ellenőrizd!
I. A helyes tápfeszültségek megléte.
II. A kimeneten van-e egyenfeszültség.
Élesztés.
Szia!
A 350-ez és a 600-hoz elküldenéd nekem a beállításokat meg minden infót amit tudsz róluk? köszi
nem kell feladni,bakik mindig előfordulnak,volt mikor engem is felrántott valami,akkor több hétre félreraktam,mikor újra elővettem higgadt fejjel,rögtön észrevettem mit toltam el anno.én nem rég áltam át foto eljárásra és nagyon bejött,vasalásost nem csináltam,sokan dicsérik,nekem tintasugaras nyómtatóm van azért lett foto.Eddig a komolyabb áramköröket megrajzoltam, és egy egy boltban készítettem ,itthon azért olcsóbban kijön
A tda7294 nél nekem semmi ilyen nem volt.
Szia!
Itt van minden!
Köszönöm szépen,
Egyébként ezeket már mindet megépítették, és jól működtek?
Szia!
Igen!
Hali!
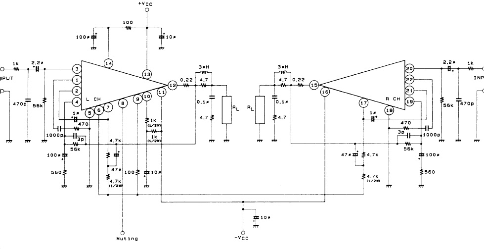
Egy erősítőnél, a kapcsolási rajzon a +Vcc és a GND közé be van kötve egy 10µF-os elko kondi, valamint a -Vcc és a GND közé is. Ezt a két kondit lehet a (tehát szimmetrikus) tápegység paneljára rakni? Gondolom zavarszűrésnek van ott, de nem baj, hogy nem az erősítő panelén lesz?
Szerintem jólessz úgyis, de inkább ragd az erősitő paneljére, nem nagy munka lehet oda tenni..
(De ismerni kellene a pontos rajzot, hogy azok a kondik nem-e egy ellenállás után vannak-e vagy valami hasonló.)
Itt a kapcsolási rajz...
Szerk.: azért akarom a táp paneljára rakni, mert az erősítő panelján már nincs hely... nem véletlenül hagytam ki, csak NYÁK tervezéskor egyre kevesebb volt a hely és gondoltam lehetnek azok a kondik messzibb is.
Bizony ezeket a kondikat minél közelebb kell tenned az IC kivezetéséhez.
Hát ez szuper.
Na majd légszereléses kókányolás lesz akkor... szerk.: de az meg hogynézmánki' nagy baj lenne ha a tápba mennének? :whatever:
Nagy baj nem lenne, de mégjobb ha a végfok panelon vannak. Ugyanúgy fog szólni a rendszer, max valamilyen paranormális jelenséget produkálhat, de nagy a valószínűsége, hogy semmit nem fogsz észre venni ha a táppanelon lesznek. De ne legyen 8kilóméter vezeték a két nyák között.
Egyébként a fólia oldalra nem tart semmiből ráforrasztani a két kondit., és még légszereléses kókányolás sem kell úgy.
Üdv mindenkinek.
Technics SU-V45A Következő problémával kaptam az erősítőt,házibuliba letakarták,egy idő múlva pukk és se kép se hang... Szétszedve a cuccot szószerint szétrobbant tranyókkal találkoztam...összes kiszed és méricske. 5 darab volt hibás belőle de van amit helyettesítenem kellett: C2631-2SC2632-re A1309-2SA1015-re A1123 maradt 2SA1123 A1306 maradt 2SA1306 C1685-2SC945-re A végfok igen ritka darab:SVI 4003 Bekapcsolás és a következőket produkálja: Jobb oldal gyönyörű szépen és tisztán szól,azonban a bal,kb 1 másodperces lüktetéssel jön a muzsika és közbe koppanó hang és sistergés...lehalkul aztán erősödik sisteregve és utána kopp,és ez így megy folyamatosan...Mi lehet a probléma? Ha végfok akkor nem tudok vele mit kezdeni mert ilyet már sehol se kapok (pedig nem gyenge a szerkezet) Esetleg valamelyik tranzisztor helyettesítés nem tetszik neki? Várom az ötleteket és előre is köszönöm,üdv.
Méricskéld át, a jó oldalt hasonlítsd össze a rosszal. Egyszer úgy is rátalálsz a hibára.
A tekercsnél lenne egy kérdésem, ugye 3uH-s tekercs kell bele, itt nagyon szépen le is van vezetve pont egy ilyen tekercs adatainak kiszámítása: Bővebben: Link
Viszont a panelon nincs hely hogy fektetve helyezzem el a tekercset, hanem csak állva. Ugye 31 menet kell, de ha én állítva rakom rá a panelra, akkor a végén a vezeték ami visszamegy a panelra, az még + harmincakárhány mm, ráadásul közvetlen a tekercs mellett van. Nem fog bezavarni a tekercs lába?
Szia! Az én quad-jaimba mindig álltak a szélső tekercsek. Tehát nem hinném, hogy változtat a dolgon. Itt az induktivitása a lényeg.
Szevasztok!
Nemrégiben vettem a HEStore-ból egy 15 wattos végerősítő kitet. HE Kit-féle, mono és a TDA2030-ra épül. A minap össze is raktam de valami gond van vele. Bekapcsolom, megadom neki a szükséges feszültséget, az első pár másodpercben tisztán, szépen szól de utána recsegni kezd, majd pedig teljesen el is hallgat. Miután kikapcsolom és ismét feszültség alá helyezem ugyanezt játssza el. A tápegységem "működése" közben kb. 1/10 amper áramfelvételt jelez. Én valami kondenzátor körüli hibára gondolnék a jelenség természete miatt. Vagy forrasztási hiba esetleg (bár látszólag azok jónak tűnnek)? Köszi a segítséget!
Szia! Kondinak nem cseréltél fel polaritását?
Hello!
Hát eddig nem robbant fel úgyhogy szerintem nem. Sőt szinte biztos nem mert első feszültség alá helyezés előtt gondosan, többször is átnéztem az ELKO-kat. A többi kettő meg úgyis polaritás nélküli szóval mindegy elvileg. Erről lenne szó amúgy.
Lehet hogy a tápod nem képes elég áramot szolgáltatni a végfok számára! Nekem haszonló esetem volt egy TDA IC-vel. üdv
Hello!
A tápom 3,5 ampert tud, szerintem nem ott van a hiba
Kellemes délutánt mindenkinek!
Van nekem egy Kenwood KR-A3070-es erősítőm és szeretnék rá kötni még egy erősítőt úgy hogy ezen bírjam állítani a hangerőt és a bemenetet stb.. Szétszedtem és a potméter nyákjára rávan írva hogy IN ha hozzáérek gerjed az erősítő de ha rákötöm a másik erősítő bemenetét akkor csak halkan serceg mind2 és búg.. Azt szeretném kérdezni,hogy miért lehet ez és hogy tudnám másképp megoldani. Köszi előlreis! reméllem érthetően magyaráztam
Hogy mindig kapkodok
Most potyára csináltam egy komplett áramkört ennek a szutyinger IC-nek. Persze hogy akkor jut az eszembe ellenőrizni az IC lábait mikor már készvan minden, még az IC is bevan ültetve (bontott az IC...) . 9 és 10-es láb között sípol a műszer és .001-et mutat, gondolom az rövidzárat jelent.... Megnézve az adatlapjába egy tranyó emittere és bázisa között van rövidzárlat, szóval ki se próbálom az áramkört nem lenne szép látvány ahogy végig égnek az alkatrészek... elég sokfelé ágaznak el azok a lábak. Csatolom az adatlapját hátha lehet rajta még menteni valamit.
Ezt nevezik pech-nek?!
Én megprobálnám kívül rátenni egy TR12, TR13, R8 -alkatrészeket. Az értéküket kellene megtudni... Ha nincs gond vele hátha működne egy kis ilyen barkácsolással... Veszteni úgysem lehet már többet vele...
Vagy felnyitja a tokot és belülre teszi
Én már nyitottam fel STk463-ast simán lehet javítani is..
Hát én nem boncolgatnám... Hogy néz az ki?
Szépen négy vezetékkel odabiggyeszteném a tranzisztorokat és azt az egy ellenállást...
hogy néz ki?
Egy panel meg szénréteg van az ellenállásoknál.. Így ni Bővebben: Link Bővebben: Link Üdv! |
Bejelentkezés
Hirdetés |




A 






