Fórum témák
» Több friss téma |
Köszönöm a választ, nem hangzik túl jól ez a felrobbanás dolog
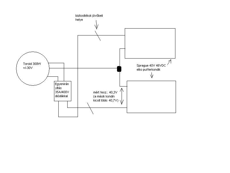
A kondik egy quad405 erősítőben lennének, azaz már vannak is és az erősítő jól működik. Látom, hogy még nem végeztem a dologgal, úgyhogy azt szeretném megkérdezni, hogy melyik megoldás lenne a jobb, ha még pár menetet letekerek a trafóból, ezáltal csökkentve a feszt a kondikon olyan 38-39V-re, vagy cseréljek kondenzátort (ez +költség és +munka, mert az erősítő már össze van rakva és a kondik elfoglalták masszív helyüket).Lerajzoltam a kondik bekötését és hogy hova szánok biztosítékokat, kérlek nézzétek meg ezt is, hogy jó helyen vannak a biztik (a 220V is kap biztiz, csak ez nincs berajzolva). Várom a válaszotokat és előre is köszönöm a segítséget.
Ha netán zárlatba megy a pufferkondi, az valóban nagy galiba. Van rajta egy kifújószelep, jó esetben azon keresztül okádja ki magából a felforrt elektrolitot, rossz esetben megreped és robbanás szerű jelenséget produkál. Nekem anno sokat ment az 50V-os Spraue egy 2x100-as Quad-ban, 49-52V közti feszültséggel (hálózatfüggő) és nem volt vele semmi baj. Rábeszélni nem akarlak, csak saját felelősségedre dönthetsz a használata mellett.
Értem, köszönöm. Azt hiszem akkor megbízok ezekben a kondikban, lesz ami lesz. Egy buta kérdésem lenne még. Ha esetleg felrobbanna
a kondi (47000µF-ról van szó), akkor szerintetek szétvinné a kb. 2mm vastag alumíniumból készült dobozt? Csak azért, hogy sérülés ne legyen belőle, ha esetleg ne adj isten...
Nem tudja szétvinni, de a dobozon belül lehet hogy elrendezne néhány dolgot és sokáig kéne takarítanod utána
Láttam már néhány kondit "robbanni", ne úgy képzeld el mint egy kézigránátot. Van rajtuk miztonsági szelep, vagy a tetején könnyítés, ami kinyílik ha baj van és a nyíláson keresztül büdös füsttel és papírfoszlányokkal teríti be a környezetét. Kb ennyi. Nem kell félni tőle, bőven elég ha vigyázol :yes:
Szia,
már láttam több helyen, hogy az egyenirányítók után teszik a biztosítékot, ezt igazából nem értem, hogy miért. Volt már a kezemben annyi rövidzárt diófa, hogy én biztosan a toroid szekunder körének védelmét helyezném előtérbe az egyébként sokkal olcsóbb és könnyebben cserélhető diódahíd helyett. Ha a toroid kapcsára rakod a biztit, az bárhol keletkezett rövidzár az áramkörben, korlátozza a károkat. Ha viszont a rajz szerint a diódahíd egyik tagja mondja föl a szolgálatot, semmi nem védi meg a trafódat a rongálódástól. Mire a primer köri biztid old, a szekunder kör tesz pár lépést a zárlatosodás felé vezető úton. Szerintem.
Szemléltetésül.
Egy kicsi elkó így durran el ha túlfeszt kap. Én úgy láttam hogy 55V-nál pukkant el a 35V-os kondi.
Sziasztok!
Az lenne a kérdésem, hogy beletehetem-e a fűnyíróba a 10µF +-5%/450V -os kondit? Mert ami elötte volt az elöregedett :16µF +-5%/ 450V, a fűnyíró 1200W-os ha jól emlékszem, mivel már a papír lement róla , szóval, ha valaki tud segíteni, akkor megköszönöm.üdv
Sziasztok.Van már pár éve egy Marantz PM630 típusú erősítőm,és ki szeretném cserélni benne a 4 puffer kondit.Nippon Chemi-Con(15000uf 35v 85 °C).Segítségetekre lenne szükségem,- hol kapok ilyen kondit?Köszi előre is.
Kép:Link
Szia. Miért akarod lecserélni? Nem tűnik nagyon réginek. Ha nem ragaszkodsz a Nippon márkához szinte mindenhol kapsz ilyen paraméterű kondit, úgy nézem snap-in típusú, viszont az átmérőre ügyelj, hogy akkorát vegyél, mint ami benn van, nehogy ne férjen be az új kondi.
Egyébként, ha nem fontos én nem adnék ki fölöslegesen 2000Ft-ot kondicserére, mert kb. ennyiből jön ki a 4db.
Én is csak ugyanazt tudnám elmondani amit MolnarG kolléga, ha nincs baja miért kell cserélni, nem púpos, nem fekete, nincs kidurranva, szerintem kár megbontani, jobb nem lesz az erősítőd, de ha mindenképp cserélni akarod, bármely márkájú ekkora kapacitású és fesz tűrésű kondi megfelel ide, a HQVIDEO honlapján találsz ilyeneket, ott még a mérete is fel van tüntetve, hogy biztosra menj.
Üdv.
Nem akarok én senkinek üzletet csinálni, vagy leszólni, de én HQ-ba csak olyat veszek amit máshol nem kapok meg, indokolatlanul drágák (ahhoz képest, hogy a lomex és az incomp sincs annyira messze), meg az is előfordult, hogy nem azt adtak amit kértem vagy nem annyit (persze ezt már csak 200km-el arrébb otthon vettem észre). Én inkább a lomex-et ajánlanám, ott inkább olyan fordult elő, hogy 1-2db ellenállással többet kaptam 10 árért, igaz ez csak kicsi öröm, de legalább nem kevesebbet adnak. (ők ténylegesen feltüntetnek minden paramétert, csak tudni kell olvasni a sorok között
) ott most 4db 22000uF, 35V, 85°, 20%, 2000h, RM10, 35x45 SNAP-IN kondit kapsz 2000Ft-ért. (ahol az RM10 az 10mm-es lábtávot jelenti, a 35x45 pedig 35mm-es átmérő, 45mm magasságot). Ez az én véleményem nem kell betartani csak ajánlásnak írtam.Üdv.
Hát nem mondom, hogy nincs igazad, és a HQ nem a legjobb üzlet, én csak mondtam egy boltot, egy két kondinál szerintem mindegy hol vásárol, viszont abban igazad van hogy nagyobb tételnél oda kell rájuk figyelni.
De ha már kondi kell neki akkor itt a he-strore vagy az apróhirdetésben Pari is árul új elkókat. Nade Off vége.
Az a baj hogy az erősítőnek kicsit nagy az alapzaja,és ezért gondoltam hogy kicserélek benne pár kondit,és szeretem hogyha az eredeti gyártótól való kondi kerül a helyére vissza,de ezeknél a nippon-oknál elakadtam.Vagy a pufferkondik nem öregszenek el?
szerintem az nem puffer probléma, akkor búgna, meg ilyenek, ha van szkópod meg tudjuk mérni a kondikat, jól működnek e, de szerintem ott más gond van
Köszönöm a válaszokat.
Végezetül letekertem még a toroidról, így 38-39V állt be a kondikon, remélem elég lesz a quadnak. Bár 8ohm-os hangfalakkal nem szól olyan nagyot, de ez nem gond. A biztosítékokat pedig Gabre tanácsára az egyenirányító elé rakom. Köszönöm még1x mindenkinek.
Sziasztok,lenne új kérdésem felétek.
Kondenzátor 4µF 50VDC 85 °C - KÉP - hol tudok ilyet venni?(hangfalból való "hangváltó")Kösszi
4.7 µF-os bipoláris kondit kapsz szinte kivétel nélkül minden üzletbe...de ha hangfalba megy akkor hanyagolnám és a helyére fólia kondit tennék.
Üdv.
Hahó
Lenne egy kérdésem. Van egy pár zöld színű fóliakondim, amikre az van írva, hogy: CBB11 1K2 222J Második típus: 333J 2J És van egy harmadik típus is,: 2A 104K Válaszodat köszi
Az első az 2,2nF a második 33nF a negyedik 100nF , a J és a K az a pontosságot jelöli. Egyébként én úgy szoktam megállapítani, hogy az első két szám az érték a harmadik pedig hogy mennyi nullát kell utána írni, és annyi pF-os a kondi.
Példa : 222 - tehát 22 és 2 db nulla = 2200pF azaz 2,2nF. Üdv.
Hali!
Hogy kell a képen látható kondit bekötni hogy 50V-os legyen és 10000µF-os?
Tegyél a mobil, (vagy vebcam) elé egy nagyitót, és úgy próbáld fényképezni, mert igy nem lehet megválaszolni a kérdésed.
Nehéz beállítani azt a lencsét hogy jó legyen
Ennyit tudok belőle kihozni Amugy ez van ráírva: AL-Elko 10000µF -10+30%/50V- Minuspol/Gahäuse nicht isolert Made in Germany DIN41332 GS 353s Pluspol 1 -40 +85°C 04/89 Meg a kivezetések bevannak számozva 1-től 4-ig.
félreolvastam... Gehäuse nicht isoliert
A kondenzátor háza és a negativ fegyverzet össze van kötve,tehát ohmmérővel közel nulla ellenállást mérhetsz a ház és a negativ lábak (mert több is van belőle) közt. A többi értelemszerűen a +, ezeket kösd párhuzamosan. A negativ lábakat is párhuzamositsd a biztonság kedvéért.
Szia!
Itt a megoldás legközelebbre: Idézet: „Pluspol 1” |
Bejelentkezés
Hirdetés |




A kondik egy quad405 erősítőben lennének, azaz már vannak is és az erősítő jól működik. Látom, hogy még nem végeztem a dologgal, úgyhogy azt szeretném megkérdezni, hogy melyik megoldás lenne a jobb, ha még pár menetet letekerek a trafóból, ezáltal csökkentve a feszt a kondikon olyan 38-39V-re, vagy cseréljek kondenzátort (ez +költség és +munka, mert az erősítő már össze van rakva és a kondik elfoglalták masszív helyüket).

a kondi (47000µF-ról van szó), akkor szerintetek szétvinné a kb. 2mm vastag alumíniumból készült dobozt? Csak azért, hogy sérülés ne legyen belőle, ha esetleg ne adj isten...
Láttam már néhány kondit "robbanni", ne úgy képzeld el mint egy kézigránátot. Van rajtuk miztonsági szelep, vagy a tetején könnyítés, ami kinyílik ha baj van és a nyíláson keresztül büdös füsttel és papírfoszlányokkal teríti be a környezetét. Kb ennyi. Nem kell félni tőle, bőven elég ha vigyázol :yes:



