Fórum témák
» Több friss téma |
Mielőtt kérdezel, a következő két dolgot ellenőrizd!
I. A helyes tápfeszültségek megléte.
II. A kimeneten van-e egyenfeszültség.
Élesztés.
Ha beülünk egy kocsiba 4-en tud 140-el menni? Jó nagy autó.
Megnéztük, mutat 140-et, de nem tudjuk hogy ez mi. Van itt egy nagy csomó műszer. honnan tudjuk hogy mi micsoda? Ilyenek a kérdéseid. Mégis milyen választ lehet ezekre adni? Fénykép, rajz, vagy típusszám, stb alapján még segítséget is várhatnál.
Hát az enyém nem.
Layout50hun_final De nagyon nehezen lehet itt a szálakat kibogozni, követni.
Nekem nyitja, de nem a magyarosított van fenn a gépen.
Legjobb, ha jpg-ben is mellékelve van a nyákterv, így mindenki meg tudja nézni.
Köszi Szamóca! Ezt a nyáktervezőt nem ismerem sajnos, de be fogom szerezni.
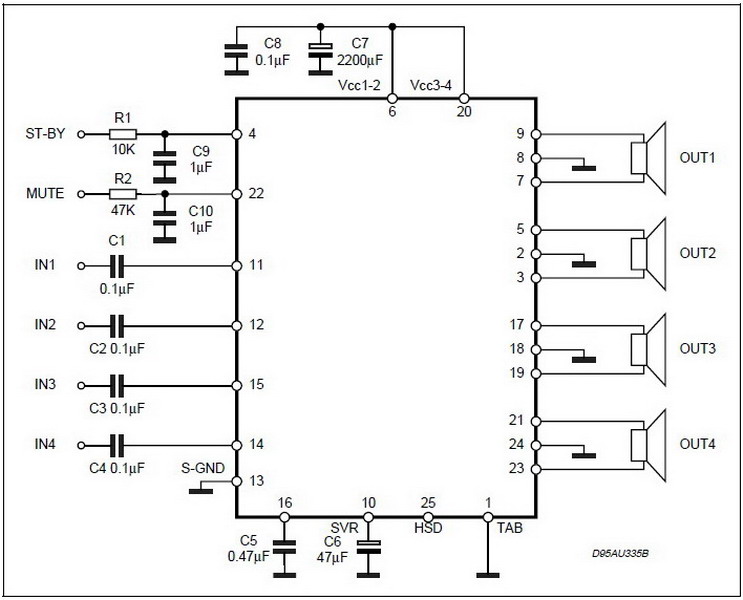
Gyári javasolt kapcsolás TDA7560-hoz
Nagyon egyszerű, bár nagyon gerjedékeny szerintem. Nem véletlen a gyári panel kialakítás.
Csak anyi még a GND legyen körbe a panelon, és a be és kimeneteknél a lábakat úgy alakitsd ki hogy közöttük is legyen. Sőt kétoldalas telefóliás a biztos.
Szia!
A vezetősávok valóban nagyon vékonyak, ez így bizony túró! Egyrészt fel kell vastagítani, a másik az, hogy az ilyen ic- s erősítőknél ahol kevés a hely a vezetősávok között, mindig két oldalas nyákot gyártatok. Mindkét layer ua. + extra ként 70 (2x) vagy 105 mikronos (3x) fóliavastagsággal kérem a gyártást. Másik nagy hibája a nyáknak, hogy a kondik (100n, 470n, 1m) nem fognak elférni, ilyen kis tokozásban nem találsz kondikat. Az 1 mikros kondi az lehet elko, a többi pedig fémezett poliészter legyen!
Ezt a "telefóliát" nem erőltetném hf áramköröknél, mivel kifejezetten rontja a térhatás, evvel együtt a minőséget. Ez a topológia maradjon meg az RF áramköröknek, a két oldat a vezetősávok duplázására kell fordítani.
Hát nem tudom megmondani a számát hogy hány db. erősítőt építettem, abban az esetben ha gerjedés volt mindíg ez segített, minőség változás nélkül.
De ezek szerint a gyártó is téved amikor ezt javasolja? Sőt még soha nem halottam róla hogy a gerjedékeny TDA.-k nak rontja a jobb árnyékolás "telefóliás panel" a térhatását. Ez az árnyékolt kábeleknél is igaz, mármint hogy kihatással van a térhatásra, ha nem árnyékolt jobb a minőség? Ha van valami racionális magyarázat vagy ok, akkor szivesen olvasok róla ha bővebben kifejted.
Egy bevált nyák TDA1554Q 2 x 25 W "köszönet érte pedro.-nak"
ezen is jól látszik hogy a panelen fontos a GND nincs negatív hatása az árnyékolásnak a hangzásra. De tényleg írd meg ha tudsz valamit engem érdekel.
Az árnyékolásnak nem sok hatása van ( ,de azért van) a hangzásra , viszont ha a telefóliát (GND-t) arra használjuk, hogy bizonyos testpontokat kössünk össze vele, na az bizony rontja a hangzást. Az egy más kérdés, hallható-e egy bizonyos rendszerben vagy sem. Még az is számít, milyen ónnal forrasztod össze, hát még a huzalozás.
Egyébként már számtalanszor olvashattad a HE-án, hogy erősítőt csillagpontos testeléssel szokás összekötni és ez a nyákra is vonatkozik.
A csillagponthoz kiegészítésként, (mivel épp ezzel vacakoltam) hozzátenném hogy jobb minél közelebb tenni a végfok bemenethez. Érzékenyebb végek ha távolabb választjuk ki a csillagpontot, hajlamosak a brummra.
Igen ez így van igazat adok.
A telefólián azt értettem hogy betartani az alap dolgokat "csillagpontos kialakítás" minden elektronika réme a gerjedés vagy földhurok. Nekem úgy tanították és be is vált, elöször körbeviszem a GND.-t a panel körül a lehető legjobban és a gerjedésre érzékeny "HF erősítő" elektronika ki és bementeit is körbe veszem. Nem azért hogy onnan legyen bekötve, csak a kőlönböző kis-nagy frekis zavarokat kiküszöböljem. Építettem már ipari ezüstel STK végfokot még a kondik is válogatottak voltak audiofil arany kondenzátorokkal szürtem a német toroid tápot "a nagyokosok szerint a legjobb toroid" csak 1%-os ellenálásokkal az alaktrészek szinére is odafigyeltem hogy jó legyen a szemnek Persze ennek csak lélektani hatása volt a halgatókra de bevált. Ami igényesen van kivitelezve üveg előlap eloxált aluminium ház az csak jól szólhat, de a próbapanelon a deszkán is ugyanolyan jól szólt.
Én a tápegységet a végfokpanelra integrálom (az újabb tervezéseknél) és így 100% ig kizáromezt az eféle hibát. Külön csatlakozik minden gnd pont a szűrőelkók közös pontjára. Például így:Bővebben: Link
Én 2db. QUAD 405-ös táppal és előerősítővel kombót építettem meg egy panelon kb. 18-20éve, szinte ugyan ezen az alapelv alapján, a kevesebb huzalozáson kívül a GND. is megolva
Szitáztam a panelt mindegyik szita meg volt külön és úgy rendeztem el az egészet hogy egy közös pontról menjen a táp és lakfilcel kicsit rárajzoltam maratás elött a hiányzó részeket s kész. A Pc-s paneltervezés gyerek cípőben járt még.... :yes:
Ha ezt az IC-t választod , akkor nem sok lehetőséged van , vagy 2 oldalas nyák , vagy vékony vezetősávok is lesznek , de ezeket is levasalhatod .
Én nem eröltetném ezt az IC-t .
Hello mindenkinek! Azthiszem valamit tönkretettem az erősítőmben, mert véletlenül hangszóró jelet adtam rá a bementre de csak egy pillanatra annyi hogy épphogy picit elkezdet hangosan szólni, mostmeg nagyon halkan szól az a 2 csatorna amire ráadtam, nem füstölt, semmi baja, nemis torzít csak halk, ha hozzáérek teljes hangerőn gerjed és nem torz a hang, de ha teszek rá jelet akkor nagyon halk, szerintem valami ellenálás vagykondenzátor mehetett tönkre, llégyszi segítsetek! köszi! máté.
5 csatornás tranzisztotr erősítő 2*80W (ezzel van most valami) meg 3*40W ez tökéltesen szól!
Megvan a baj, leégett egy ellenállás! Már jó is!
Szerintem teszek egy párat a transzferfóliára,ha elcseszem,letörlöm! Higító leviszi könnyen!
Sziasztok!
Este 22:22! Unatkoztam! Ennek ára,nyákhamisítás ![]() Milyen lett? (TDA1554 makróm nincs,azt azért nem ültettem be!)
Huh ez pont ugyanolyan mint amit feltettem pár órája.
Oda tettem mellé a beültetésit is, mert olyan bonyolult.
Tudom,onnan szedtem le!
![]() Utálok fehérrel írkálni,mert azt plussz ki kell szedni nyomtatásnál. Attol félek,egyszer véletlenül otthagyom Amúgy.Atand by és a mute-t össze kell kötni a GND-vel és akkor kapcsol abba az üzemmodba?
A TDA 1554Q elsősorban gépkocsiban történő alkalmazáshoz fejlesztették ki.
4 db.11W párosával hídba kötött végerősítő fokozatot tartalmaz a kapcsolás. Autós használat esetén szükségünk lehet kb 7000µF HELYI pufferre A 3x2200µF elkók biztosítják. Fontos : ez nem a táp része, hanem elsősorban oszciláció-csökkentő. Otthoni használathoz csak a középső elkó szükséges! Ajánlott toroid 80VA 12V váltó egyenirányítás után - közel 17V lesz, 20.000µF puffer, 15A Graetz hid mellett. 60W-nyi hőt diszcipál ennek megfelelő minnél nagyobb hűtő felület.
TDA1554q vagy TDA1558q -oz az én verzióm: ( a pedro-féléből módosítva és egyszerűsítve paint-ben
) A beültetés szerintem egyértelmű. Ja és tükrözem vasaláshoz, ha jól emlékszem. |
Bejelentkezés
Hirdetés |










Persze ennek csak lélektani hatása volt a halgatókra de bevált. Ami igényesen van kivitelezve üveg előlap eloxált aluminium ház az csak jól szólhat, de a próbapanelon a deszkán is ugyanolyan jól szólt. 


