Fórum témák
» Több friss téma |
Fórum » RIAA korrektor
Témaindító: Ghost Rider, idő: Aug 25, 2006
A HFm1-et? Az elvileg legjobb preampot? Én a CHZ féle korrekcióra gondoltam,amelyik passziv és két műveleti erősítő között van a korrekció. Nyákrajz kapcsolva,TL074 CHZ féle.
A HFM 1 egy jó phono fokozat volt csak eljárt felette is az idő! A B.J.Codd kapcsolást kb. 15 éve építettem ,de már akkor is jobban tetszett minden ismerősömnek, mint a FHM1.
Valahol megvan az eredeti rajza is, ha valakit érdekel...Bővebben: Link
Ezt KD publikálta , én csak a nyákot terveztem , kíváncsi voltam a hangjára . Félvezetősök között megállja a helyét .
Húúha
Vacakol a magnó felvétel funkciója Nekem végem ha ez tönkremegy,megyek utána!!! Megnézem,30 éve üzemel,korai lenne ha tönkremenne! Tud valaki segíteni? be van dugva az RCA a bemenetbe,a másik fele a laptopba,szépen átjátsza a jelet,de nem vesz fel. ha leveszem a magnó kazettatartójának az elejét és megmozgatom a kazettát akkor meg tökéletesen vesz föl. Lejátszani meg ajtóval együtt is jól játszik le. Ha felteszem az ajtót recsegve hallatszik amit rá vettem,és szól tovább a ami rajta volt. És ezt csinálja minden szalaggal. Én a törlőfejre tipelek,ti?
Én inkább a fejre menő vezetékre , az szakadozhat .[OFF]
[OFF]Bocsánat,az off jelet lehagytam.
Mostmár mind1. Most működik,bízok benne hogy így marad! Akinek megvan a Magnósok évkönyve az 1986-os,abba megtalálható,Uher CG-334! Szerintem egész jó dolgokat írnak róla. Azért mondtam ha tönkremegy,megyek utána,mert ilyen jó magnó biztos hogy nem lesz többet. Múltkor szétesett a baloldali csévélője,azt összeraktam,nagyon karban tartom,mindennap tisztítóm,mert nagyon megérdemli!
[OFF]Szerintem megvolt a hiba,2.szor is jól vette fel,belevilágítottam lámpával,és a törlőfejen volt valami ragacsos pici valami.
Ezt írja is az Évkönyvben hogy a legkisebb porszem is akadályozhatja a hangvisszaadásban. Mindenki úgy figyeljen oda a magnójára! :yes:
Találtam még 1 műv. erősítőt!
Ennek is ugyan az a lábkiosztása mint a TL072,LM833,NE5532-nek! Bővebben: Link
Sziasztok!
Készült egy tranyós riaa! ![]() Nem tudom működik-e,BGSF rajzán nincs rajta a korrekció,az csak egy előerősítő,onnan pattant az ötlet hogy csinálok valamit unalmamban. Csináltam neki tápot is,illetve nem csináltam,hanem másoltam,és átalakítottam. Az IC helyére be lehet tenni az LM317T-t?
Oké,köszi!
Kíváncsi leszek milyen lesz! Ez lett a véglegesített verzió,a tápján lett egy kicsit módosítva. Nemtudom minek kelettek ezok az össze-vissza huzalok...
Elsőre ezt tervezem megépíteni!
![]() Utána maximum a passzív korrektort...
Kapcs. rajz alapján,jól van beültetve...leellenőriztem
Lehet nem kell tinázni!
Megtaláltam a grafikont!
Na!
Elkészült az eredeti,és igazi riaa ![]() Ezen semmit nem módosítottam! Meg is lehet nézni! Kérem a véleményeket! :yes: Unalmamban nem volt mit csinálni. Aztán csak óvatosan módosítsátok!
Hali!
Én megépítettem ezt, de nekem nem működik sípol zúg :no: Gerjedhet? Ha igen mi a gond? Vagy hagyjam a fenébe? Valaki tudna segíteni? Üdv! Idézet: Jó,Jó de hol lehet megnézni ? „Elkészült az eredeti,és igazi riaa”
Nagyon érdekes konstrukció...
Két tranzisztoros földelt emitteres kapcsolás, vissza csatolás nélkül. A második tranyó 1,5x erősítésével... Nos, így első ránézésre nem pazarolnám rá a drága NYÁK anyagot és a forrasztó ónt. Ami a kapcsolásból következik: magas torzítás, kis erősítés, magas zaj. Talán a múlt században, az 1960'-as években találtak ki ilyen kapcsolásokat. Nem is értem...
Tökéletesen egyetértek , ez a kapcsolás egy nagy negatívum ! Egy másodperc is sok rá…
Akkor törlöm a fenébe!
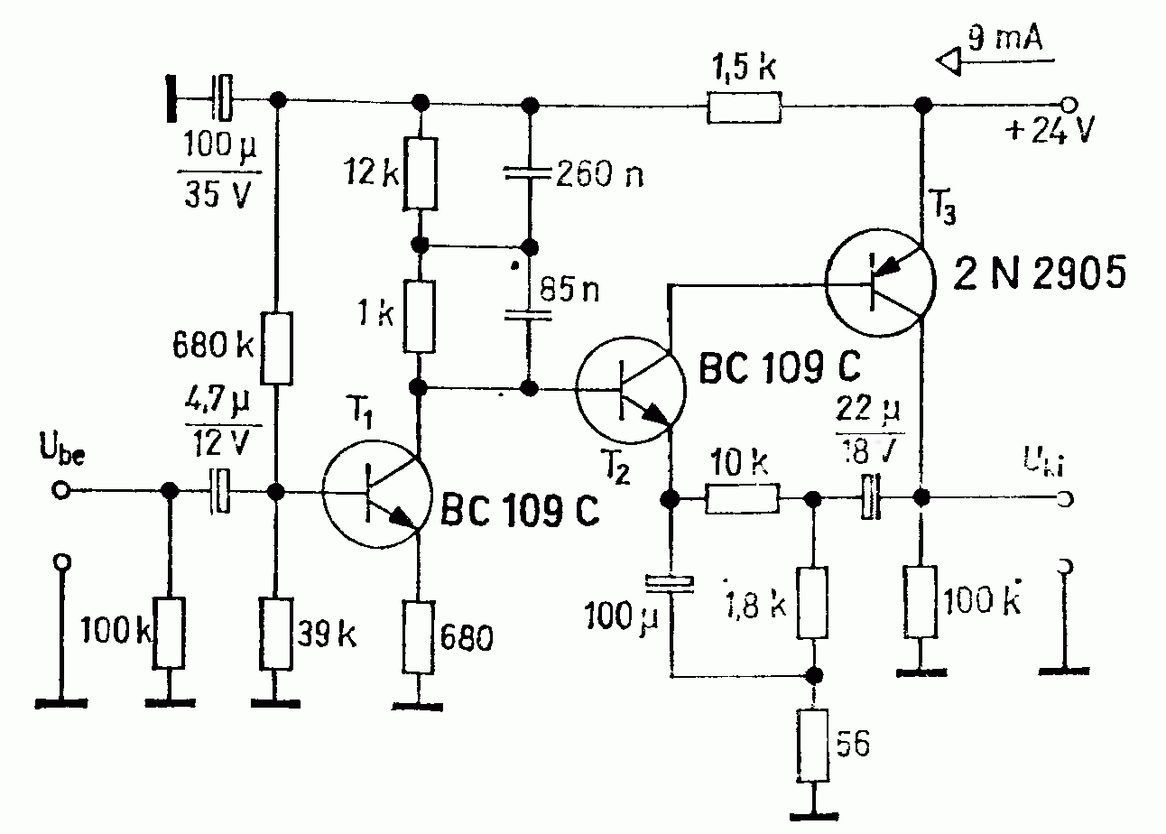
![]() Marad a BGSF féle. Vagy tud valaki kapcsolást adni BC109-es tranzisztorhoz?
Szia!
Tessék!
Szia!
Nagyon köszönöm! Az Riaa 1.gif győzött! Az utolsó is jó lenne,ha nem BC173-al menne ![]() Viszont ha már idáig dolgoztam vele,megmutatom. Meghamisítottam az LM833-as RIAA korektort.
Minden gond nélkül rakhatsz bele BC109-et.
Inkább az első!
Pont BC 109C-m van,úgyhogy annak úgy biztos hogy jó hangja lesz.
Megtette!!!
Nem is tudom mit mondjak! Meg is hamisítom a nyákod
Még sem hamisítom
Nem tetszenek neki a resistorok,se 600 se 300DPI-n Se közötte
Íme fél perc munkája,feltéve ha jó is
![]() És még jól is néz ki,pedig csak összeillesztettem PAINT-ben
Ráadásúl,pont 50Kohm-ot bír a hagszedőm!
Ez nagyon jó lessz,színte hozzá tervezték |
Bejelentkezés
Hirdetés |
















