Fórum témák
» Több friss téma |
Fórum » Csöves erősítő készítése
Ne feledd betartani a fórum viselkedési szabályait, és a topik megmaradásának feltételeit. [link]
A téma átmenetileg fagyasztva lett, hozzászólni nem tudsz!
Így asztalon próbálva érthető a brumm .
Levett hangerővel is hallható ? Teljesen zajtalannak kell lenni , bedobozolva , jó huzalozással .
Ugyanilyen multiméterem van nekem is. Viszont szép lett nagyon az erősítő.
Lpcollector! Nagyon szépek lettek az erősítőid! Ez az azonos dobozolás valami sorozatgyártásnak az előkészítése?
Idézet: „Ez az azonos dobozolás valami sorozatgyártásnak az előkészítése?” Á, dehogy! Azokból amiket itt a fórumon Tőletek és másoktól a neten láttam, ezt tudtam megvalósítani a rendelkezésemre álló eszközökkel. A 6C33C SE kicsit másként fog kinézni, mert az monoblokk lesz a sok trafó miatt (anódtáp, fűtéstáp, kimenő, és a fojtó. ) A G807SE teljes egészében HM trafókra épült, az EL84 már kimenőiben Fleta keze munkája, a 6C33C-SE minden trafója Fleta műhelyében készül
Igen, teljesen levett hangerőnél is hallható.
Igazad lehet, hogy a kábeli zűrzavarban szed össze valami zajt. Mikor még csak az egyik oldala volt összerakva, nem hallottam brummot. Viszont akkor csak az egyik fele volt bekábelezve.
Köszönöm
![]() Akkor lesz majd szép, mikor a dobozába kerül. Amikor vettem, ennek a multinak voltak a legjobbak a paraméterei, de ma sem találok jobbat ebben a kategóriában.
Az én trafóim is a Fleta műveknél készültek
A hálózati trafóit még nem fogtam munkára, mert a fojtó még nem készült el hozzájuk, de próbaterhelésen már járattam, nagyon csendesek.
Az SM 74-es csévetestre tekert kimenője viszont olyan jó lett, hogy nagyobb vele az EL84SE "teljesítmény sávszélessége" (4W-ig szemre torzítatlan) mint az eredetileg hozzá tekert EI106/48-as HM trafóval volt.
Megnéztem a nyákod , van egy hiba .. Az első nyákterven rossz helyre volt rajzolva a fűtést közepelő ellenállás .
Ez biztos hogy okoz brummot .
Ha letekert hangerőnél is brummog, akkor valószínűleg a táp szűrés nem elegendő, ezt támasztaná alá az is, hogy egy erősítőnél (fele terhelés) nem brummog. Próbáld meg, hogy csak az egyik erősítő tápját lekötöd, minden mást bekötve hagysz, ha csökken a brumm, akkor biztosan a táp elégtelen szűrése a gond (letekert hangerőnél).
Ha átforrasztja az ellenállást , szerintem megoldódik .
Bár a hosszú vezetékek még okozhatnak gondot . Nekem és Lacinak is tökéletesen zajtalan
Igen, akkor valószínűleg az lehet a gond, csak ugye, amikor az egyik erősítő volt csak, (ugyanezzel a hibás kötéssel) akkor nem volt brummja, ezért gondoltam hogy esetleg a stabilizátor előtt kevés lehet a szűrés (kevés a feszültségesés a stabilizátoron, vagy másképpen kicsi a szűrés a stab. előtt). Lehet persze a vezetékek kuszálódása is gond, meghát akkor legvalószínűbb a fűtés közepelés problémája (trafó is megszórhatja akár az erősítőhöz menő tápvezetéket is, ki tudja miben tér el a deszka vezetékezése a mono-hoz képest.
Teljesen logikus amit írsz .
Brummal küzdeni nem is olyan egyszerű dolog , de kis odafigyeléssel megszüntethető . Szerencsére a mostan készülő PP elsőre teljesen zajtalan lett .
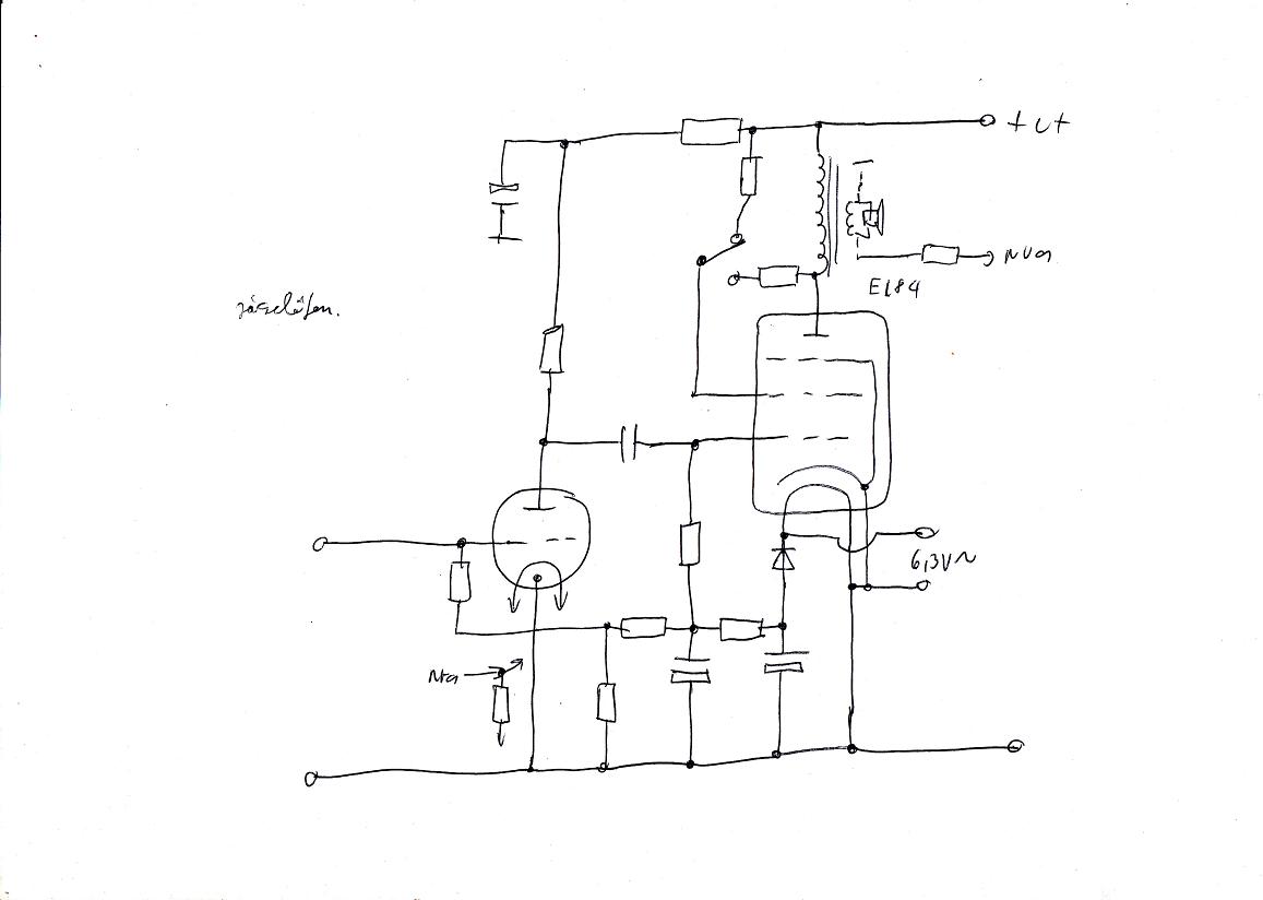
Zoli, nézzél rá erre a rajzra egy pillanatra légyszíves, szerinted jó lesz, ha igy állítom elő a rácselőfeszt (az EL 84-es SE-nél). A meghajtó cső fűtése külön tekercsről lenne kiközepelve. A kimenőtrafóm több mint 8 K-s 5 ohm-ról, így aztán minden voltra szükségem lenne, hogy teljesítmény is legyen.
Ötletes megoldás .
Kérdés , hogy a 6,3V AC elég lesz e az előfesz DC jének .
Ha estleg, nem elég azt a keveset már hozzá lehetne adni a katóddal soros ellnállással, akkor végülis te is úgy gondolod, hogy érdemes lehet megpróbálni ezt a módszert, valószínűsíthető hogy nem lesz így brummos ?
Brummos biztos nem lesz miatta .
Mostani PP-ben is az előfok csöveinek fűtését használom - DC előallításához az áramgenerátor részére . Esetleg feszkétszerző egyenirányítás is megpróbálható , ha kevés lenne . Idézet: Több mint valószinű azzal lessz a gondod , ami azt illeti én ezt az erősítőt úgynevezett deszkában kisem próbáltam ! Egyből élesben izzítottam , amikor már a dobozba szerelés megtörtént . Elmondhatom nyugott szívvel hogy ennél az erősítőnél az alapzaj az szinte a 0 - val eggyenlő . Még azzal a rosszul felhelyezett fűtés közepelő ellenálással sem volt semmi brumm a jobb oldalon ! De viszont időben felfedezte a Zoli hogy ez az ellenálás rosszul lett a panelre tervezve , és ezután én is helyes irányba fordítottam ! Első indítás ! „Igazad lehet, hogy a kábeli zűrzavarban szed össze valami zajt”
Fesz kétszerezéssel így gondolod ? (remélem nem keveredtem bele.
), így állítási lehetőség is lenne.
Mivel kicsi az áramszükséglet a kaszkád megoldás is elegendő lehet és a GND könnyebben kialakítható .
Pontosan a szabályozás lehetősége miatt is jobb a nagyobb negatív előfesz , a többlet feszültség további szűrésre is lehetőséget ad . A raj pozitív változat .., a diódákat fordítva bekötve normálisan földelhető lesz .
A közepelő poti szélső helyzetében rövidzár lesz.
Valóban. Köszönöm a segítséget, az ötleteket.
Tényleg, ezt így nem is lehet közepelni. Kösz, hogy szóltál.
A közepelő ellenállás javítva. Mintha csökkent volna, a brumm, de ezt nem igazán tudom utólag eldönteni.
Azt hozzáteszem, hogy ne valami nagy zavaró brummra gondoljatok. Csak akkor hallani, ha néma csend van, vagy ha odateszem a fülem a hangszóróhoz. Még valamit hallok, mintha középmagas énekhangoknál torzítana picit. Ez elképzelhető?
Teljesen zajmentes csak bedobozolva lehet .
Mérni kellene szkóppal , minden kiderülne , beállítása is úgy lehet korrekt . Gerjedés és más probláma is láthatóvá válna .
Talán az év vége felé hozzá tudok jutni egy szkóphoz.
Megpróbálok egy szkópot szerezni kölcsön, viszont hanggenerátort még nem tudom honnan tudnék szerezni. |
Bejelentkezés
Hirdetés |




), így állítási lehetőség is lenne. 

