Fórum témák
» Több friss téma |
Fórum » Csöves erősítő készítése
Ne feledd betartani a fórum viselkedési szabályait, és a topik megmaradásának feltételeit. [link]
A téma átmenetileg fagyasztva lett, hozzászólni nem tudsz!
Na meg is van. Elég fapados lett a rajz, de nagyon ritkán használok ilyen programot. Akkor pont jó lesz. A trafó egyik szélét nevezed ki testnek, a test és eközött lesz a fűtés egyenirányítója, a másik széle meg megy oda, ahová eredetileg is menne. Remélem érthető. esetleg holnap lerajzolhatom papírra. Nekem úgy könnyebb.
Én ezt már megépítettem, nekem gondjaim voltak vele, inkább real mctube II vel próbálkoztam azzal ment, az is ECC83 mas elvielg, mert eredetileg 12ax7 es van benne, de javítsatok ki ha tévedek! Viszont alacsony feszes csöves témához a 12au7 es jó, mert az "automotive" cső lenne, elég alacsony anódfesszel, gyakorlatilag nekem van olyan kapcsolásom valahol hogy az anódra 14 volt esik a rácsra meg 8 körül, és szépen kellemesn torzít vele!
Igazából én a torzítókhoz nem értek, csak a tápra adtam ötletet. De ha valaki azt mondja, hogy nem túl jó a kapcsolás, akkor azt érdemes lenne megfontolni ,hogy meg akarja-e építeni. Viszont úgy nézem, hogy Marcinak csak ECC85-ös csöve van, mert nagyon ragaszkodik hozzá.
Jahogy bocs, én néztem el a válaszadással, elnézést
! Viszont szerény véleményem szerint barbárság csöves cuccot így előfokozni, már csak azért mert egy szimpla triódapáros csővel nagyon szép dolgokat leht művelni! De a fűtésis túl van bonyolítva, mert nálam 12v os táprol megy, graetz híd, majd két szűrőkondi. illetve egy 2w os ellenállásal van beállítva a fűtőfesz.
Köszi a rajzot! Én is így gondoltam!
Igen, valóban csak ECC85 van. Azon kívül csak trióda-pentatóda csöveim vannak. azzal nem tudom milyen lenne ![]() Nem bonyolult ez a fűtés. Ilyen trafóm van, ahhoz így a legtökéletesebb. (30x35mm a trafó átmérője. Pedálba pont jól elfér) Arra lennék kiváncsi, hogy miben tér el a 83 a 85től? aztmondta aki a rajzot küldte (JnCon), hogy ellenállásokat meg kondikat kell cserélni.
4,5V váltóról nem lesz meg a fűtőfesz. Egyenirányítva sem, mert úgy diódahidat kéne alkalmazni, azon meg elveszik 1,2V. Ugyanott vagy, ahonnan elindultál.
Ezzel a trafóval talán úgy oldanám meg, hogy a 9V AC-t előtétezném. A 0,45A-es fűtőáramnál (ECC85) ez 5,6-6,2 Ohm -ra adódik. Teljesítmény szempontjából 2W-ban kéne gondolkozni (ha nagyobb, az sem baj.)
Nagyszerű felfedezés
A trafón van még két kivezetés (csak a primer oldal felől azért nem foglalkoztam vele). 25V van a két ága közt. Azzal már meghajthatom rendesen a dolgot Aztt meg már visza is kell fogni akkor...
Üdv példának ajánlom ezt a kapcsolást! Bővebben: Link
szerintem nem. mert a szekunderről van kivezetve. Csak a másik oldalt, mert nem fárt volna el a másik 3 vezeték mellett
A legegyszerűbb, ha ellenállásméréssel kiméred, hogy van-e köze a primer tekercshez. HA nincs, akkor használhatod azt is.
Ha kihúzom a dugóból az erősítőt akkor a fűtőszál kihűl és a zene kezd elhalkulni, ez nemkáros a csőnek? Nem lenne jobb csinálni egy relés vezérlést, ami egyből megszakítja az anódfeszt?
MrMarcee: Mérjél ellenállást a 25V-os szekunder és a primer közt, ha mérsz ellenállást akkor ne használd. Ez elég egyszerű csöves torzító, de ezen is kell alakítani, mert ebbe meg ECC82 kell. Ha kellenek még csövek akkor itt nézz körül én is itt találtam csöves tv-t.
Pont erről a kapcsolásról írtam fentébb, a 12au7 es csővel! Akkor ezek szerint a ecc82 es a neve Európában.
a primerrel nem tudok mérni mert szét kéne vágni a vezetéket (jól le van szigetelve), és 15 perc mulva megy a buszom...
szekunderrel mértem, minden kivezetéssel van ellenállás.PetAd, és a telepikre be lehet menni és lehet hozni onnan bármit?
De szépen szól ez az EL84-es csövike!!! Valami "kommersz" hangfalpárral is olyan szép, amilyet még nem hallottam. Zoli itt volt, megcsináltuk, hogy jó legyen, kiderült, hogy az egyik csőnek nagy volt az előfesz, 47 ohm a katódellenállással sora, és jó is. Mostmár ez is jól szól, bár a 80 ohm-mal csak 22mA a katódáram, majd rakok bele 47 ohm-ot.
Be lehet menni, mindenki vihet oda hulladékot. Én a pláza mögöttiben voltam, van ott egy ember meg kell kérdezni, hogy nem hoztak-e régi tv-t.
köbzoli: Erre nem is gondoltam ![]() magitor: Csak hasonló, amit én linkeltem abban van még 2 opamp is, de azért kösz, ez még egyszerűbb, mint a másik.
Nem is kell lekapcsolni, elég a hangerőpotit letekerni
.
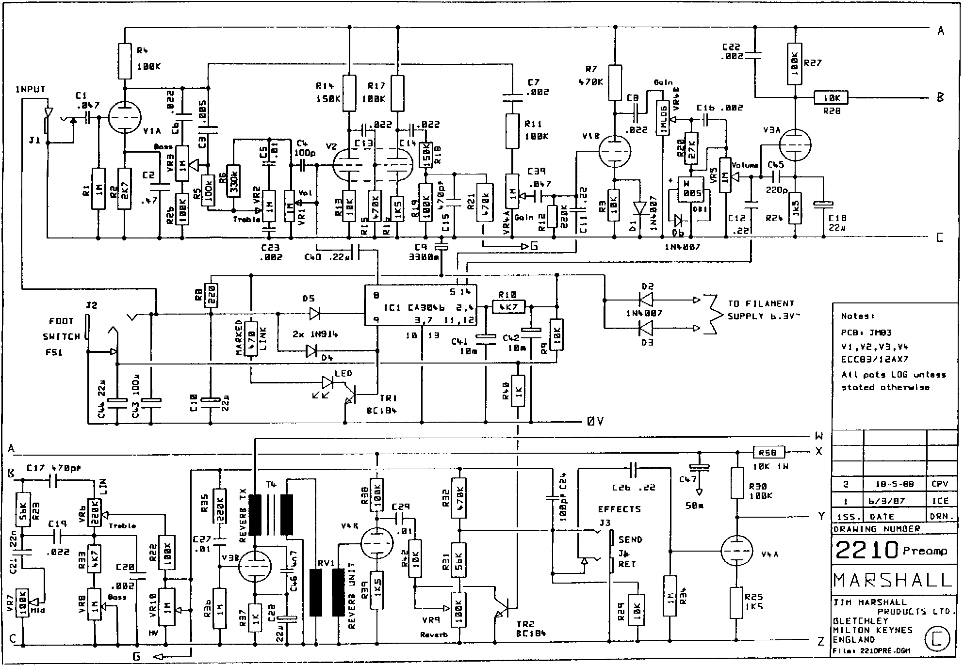
Köszönöm a válaszokat,de van egy kis gond.
A kapcsolás amit csatolva lett egy 2204 50W típushoz van.Nekem egy 2210 100W-osom van. Beépítettem a B jelű potit amivel működik,de nem az igazi. A nyák lapon is össze van kötve a két láb,csak kissé ki volt szakadva és elsőre nem lehetett látni.
Hó Emberek vasárnap óta de sokat termeltetek ! Majd holnap visszaolvasok! Valaki említette nekem itt még régebben a Bródy Sándor utcai lemez/hifi bizományit ! tegnap voltam , benéztem a kirakatba, láttam csövest is
Majd valamelyik nap be is megyek
Nyáron sikerült vennem kimenőnek való vasakat. Egy gyárban voltak kimenőtrafók eredetileg, de cséve nélkül kaptam őket. Jó nagy vasak, de nem szabvány EI, hanem 95x115-ös méret kb 20 négyzetcentis maggal. A 6C4C SE-hez tartogatom és arra gondoltam, ha már nem tudok venni hozzá csévét és ne keljen reszelgetni annyit mi lenne, ha cséve nélkül tekerném meg? Kinek mi erről a véleménye?
20 cm^2-es vas egy 3-4 W-os erősítőnek szerintem felesleges. A fele bőven elég.
Én is tervezek így trafót tekerni, főképp mert az olajpapírral könnyebb lenne így boldogulni. (nem kell vagdosni a széleit) De előtte szét fogok szedni egy ilyen technikával készült trafót, hogy megnézzem, hogy nagyapáink, hogy is oldották meg ezt belül hogy impregnálás nélkül sem esik szét. A trükkje talán az lehet, hogy anno egyfajta ragacsos varnishvásznat használtak szig. anyagnak.
Szerintem azért nem esik szét, mert a huzal eléggé feszes ahhoz, hogy megtartsa magát az előző sor huzalon.
Lehet, hogy felesleges, de ez van.
Hol lehet olajpapírt kapni? Vagy kondenzátorból szeded ki? Kíváncsi lennék én is, hogy miért nem esik szét.
Ami nekem lesz a subládámhoz kimenő,az egy EI116-os trafó volt,és ami érdekessége,hogy NEM VOLT CSÉVETEST rajta! Gyárilag!
csévetest helyett egy kb karton doboz vastagságú papír lap volt betéve a legelső tekercs és a vasmag közé! Nemtudom hogy csinálták,de szét nem hogy nem esett,de szétszedni alig tudtam!
Jó de ha úgy sincs csévéd, akkor nyugodtan meg lehet felezni azt a vasat. Ugye az ideális eset az lenne, ha vaskeresztmetszet négyzet alakú lenne, mert ugye így a legkisebb a rézveszteség. Vagyis igazán a kör keresztmetszet lenne a legjobb, lásd R core trafók.
Hát én egy nagy fázisjavító kondit szedtem szét. Igen a pakliban az is benne van, hogy spécin menet-menet mellett állandó feszességgel vannak tekerve. Te fogod megtekerni? Mert szerintem akkor először gyakorolj egy kicsit a hálózatival normál csévén ![]()
Az EAG 080-asban is olyan csévék vannak. Vagyis nem csévék, hanem csak papír.
Rhesus: Szerintem is felezd meg azokat a vasakat! 20cm2 felesleges, meg meg is marad egy ilyen trafód. Amit kisebb erősítőhöz megint meg tudsz felezni...
Csináltam egy egyszerű anódfeszültség késleltetést , 6AS7 erősítőbe lesz .
Nyákon helyet kapott készenlét , késletetés és a hál. trafó ki-be kapcsolása és az anódfesz egyenirányítása. M102 trafó alsó felére rögzítem a (dobozon belül ).
Én akarom tekerni, természetesen a kimenők maradnak a végére. Először a hálózatit és a fojtót tekerem, hogy belejöjjek aztán a végére hagyom a kimenőket. Bár nem tudom mikor lesz belőle valami, mert még csak a kapcsolást sem választottam ki, de az elhatározás már megvan. Mondtál valamit ezzel a megfelezéssel! Még gondolkozom rajta.
Ahogy látom, Neked van otthon 6AS7-ed. Mindenesetre nyitok egy mappát nei a csövesek közt, és ha nem gond, lementegetem a képeidet bele.
Úgy gondoltam ki az egészet, hogy befogom két lap közé a "csévét" és onnantól már ugyanaz mintha rendes csévére tekerném. Szerintem a szétszedésnél meg a belemezelésnél kell jobban odafigyeli, de ez csak az én véleményem. Meg különben is puding próbája az evés!
Lehet, hogy kevesebb munka lenne csévét reszelgetni hozzá. Aztán ha leugrik a tekercs, amikor veszed le az oldaláról a lapokat?
|
Bejelentkezés
Hirdetés |



! Viszont szerény véleményem szerint barbárság csöves cuccot így előfokozni, már csak azért mert egy szimpla triódapáros csővel nagyon szép dolgokat leht művelni! De a fűtésis túl van bonyolítva, mert nálam 12v os táprol megy, graetz híd, majd két szűrőkondi. illetve egy 2w os ellenállásal van beállítva a fűtőfesz. 
. 


csévetest helyett egy kb karton doboz vastagságú papír lap volt betéve a legelső tekercs és a vasmag közé! Nemtudom hogy csinálták,de szét nem hogy nem esett,de szétszedni alig tudtam!

