Fórum témák
» Több friss téma |
Fórum » JLT-02 analóg forrasztóállomás
Sziasztok!
PWM-el működtetném a forrasztóállomást. Igy a kitöltési tényező változtatásával változik a hőfok. Bonyolult lenne egy vezérlőáramkör ami figyeli a hőelem feszültségét és így a beállított hőfoknak megfelelően állitja a kitöltési tényezőt? PIC, AVR nem lesz jó Köszönöm.
Mivel állítod elő a PWM jelet, és mekkora frekin gondoltad hajtani?
Egyébként TL494 meg pár alkatrésszel simán megoldható.
Igen igen arra gondoltam. Egyenirányitott 230 majd nagyfrekis trafó és a kijövő 24V menne a pákára közvetlenül, csak azt nemtudom hogy a felerősített hőelem feszültségét hogyan és melyik hibajelerősítő benetére kössem.
Érdeks elgondolás. De bonyolultabb mint elsőre gondolod. A problámát az okozza, hogy a tápegység nem csak a pákát kell hogy hajtsa, hanem a szabályozóelektronikát is. A pákára jutó feszültség viszont széles tartományban kell, hogy változzon.
Ezért a szabályzóra jutó táp is széles tartományon változna, ez nem jó. Ha a szabályzó máshonnan kapna stabil tápot, akkor megoldható lenne, hogy a páka tápját szabályozza a hőmérséklet függvényében. 2 tápot építeni nem gazdaságos, inkább egyet 2 szekunderrel és +1 félvezeőtvel kapcsolgatni a pákát.
Arra gondoltam, hogy az egyenirányított 230at csak simán leosztom a megfelelő értékre és máris egyszerűbb.
Érintésvédelem!!!
Simán kikerühet a fázis a páka fém részére, biztos megráz amikor forrasztóónt nyomsz hozzá. Pákának mindenképpen független potenciálon kell lenni(ESD nél meg a földön) Emelett a hatásfok, és az alkatrészek mérete sem mindegy.
50Hz hez és impulzus csomagokhoz mit szólnál .
Erre van spec. IC U217B , megtalálod RT ÉK 96-250-oldalon és a neten .Ez 50Hz-en tudja azt amire te gondolsz .
Igaz. Még ha a páka csak a szekunder tekercsre lenne rákötve, akkor ott a hőelem... Kell bele egy pici hálózati nyáktrafó. Csak férjen bele a dobozba...
Sziasztok
A kővetkező lenne a kérdésem. Megépítettem a kővetkező forrasztóállomást Itt A kővetkező vele a problémám ha a 100k-potit félállásba tekerem akkor magasabb a páka hőmérséklete mintha a végére tekerném(ezen kívül rendesen félfűt). Mi lehet a probléma???
Nézd meg az IC 3-as lábán a feszültséget, miközben állítod a potit.
Itt kb lineárisan növekednie kell. Nézd meg a 3-as IC lábon is félállásba, majd maxon is a feszültséget. Majd nézd meg a 2-es IC lábon is félállásba, majd maxon is. Írd le a mért értékeket.
Hello
A mérési eredményeim 3.láb fél.:24mV 3.láb max.:10mV 2.láb fél.:24mv 2.láb max.:16mV A harmadik lábon a feszültség félállásig nő és utána csökken A mérés közben fűteni kezd és túlfűt!!
Sziasztok!!!
Lenne egy kérdésem épitek egy forrasztó állomást s az a problémám hogy nem találok sehol 3,3kohm-os potmétert, lehetne helyetesiteni egy 4,7kohm-al!?
Szia!
Igen, lehet 4,7k és 2,2k is nyugodtan.
A testhez képest 24 mV...
Valami nem kap tápot, ott voltoknak kellene szaladgálniuk.
Nekem is van egy JLT-02 forrasztóállomásom. Eddig nem is volt vele semmi gond (még tegnap is hibátlan volt), de ma bekapcsoláskor, az összes led kigyullad, a "másodikat" kivéve, ami akkor ég mikor fűt, no és persze nem fűt.
Gyorsan szétszedtem, és beraktam egy foglalatot az LM324-nek, de azt hiába cseréltem, nem javult meg. Második lépés az áteresztő elem lenne, de le van csiszolva a felirata, így nem tudom mi van benne. E miatt megmérni is elég érdekes. Tranyónak nem tűnik, de ha hibás akkor bármit is mérhetek. Az a kérésem, ha valakinek van egy rajza hozzá, vagy esetleg már itt is fent van (kerestem, de nem találom), az küldjön egyet mert a nélkül elég nehézkes a javítás. Ha valakinél már hasonló hiba jelentkezett, akkor szívesen fogadok tippeket is. Előre is köszönöm!
Szia! Nekem ez a kapcsolási rajz van meg, nagyon hasonó, ahogy nézem. Remélem segítettem.
Köszönöm!
Nekem is úgy tűnik, hogy a 3 felépítés közül, a második az éppen az enyémnek fel meg. Idő közben már "megjavítottam" a szerkezet. A páka hőérzékelője volt kontakthibás, ez okozta a bajt. Most megint remekül szuperál.
Szia! Örülök, hogy sikerült! Remélem, a későbbiekben tudod majd használni! A kontakthiba belül volt a fűtőrésznél?Csak mert nekem is van egy pákám, ami borzasztóan szabályoz, 150 foknál 8 fok, 450-nél 30 fok a hiszterézise, ugyanabban a kapcsolásban egy másik páka 4 fokon belül maradt, a teljes tartományban! Ha leírnád a tapasztalataidat ezután többen hasznát vennénk. Előre is köszönjük.
A kontakt hiba a csatlakozó nyakánál van. Elvileg javíthatatlan, de ha más nem lesz, akkor majd csatlakozót cserélek, vagy akár fixen beforrasztom.
Biztos sokan elítélnek majd, de szerintem az említett hiszterézised egyáltalán nem hiba. Ennyi tökéletesen belefér. Ugyan nem tudom miként mérted, de feltételezem, hogy valójában nem is a hiszterézis okozza a jelenséget, hanem a tényleges fűtés-mérés és a te mérési pontod közti "hővezetés" szempontjából értelmezendő távolság. De mégegyszer hangsúlyozom, forrasztásnál nem számít ekkora hőmérséklet ingadozás. Szinte biztos vagyok abban, hogyha egy nagyobb valamihez odanyomod a páka végét, akkor az ettől sokkal jobban le fogja hűteni a forrasztó csúcs hőmérsékletét, legalábbis egy időre, mert aztán a fűtőszál próbálja behozni a "lemaradást". Ennek a forrasztóállomásnak elvitathatatlan előnye az ára, és az ehhez mért rendkívüli megbízhatóság. Én viszonylag sokat használom, és már vagy 3 éve megvan. Jobb nevű társai, többszörös áron nyújtják ugyanezt.
Azért gondolom, hogy van vele valami, mert nem volt mindig így. azóta ilyen, hogy az egyik alkalommal vörös izzásig hevült, azóta szenvedtem vele, szinte mindent kicseréltem a kapcsolásban, csak a pákát nem, hiszen ezek a hőelemek 1000 fokot is kibírnak. No de valami csak megváltozott, mert azóta így adja a jelet. Lehetséges, hogy az egyes szériákban vannak ilyen darabok, amelyek hamarabb feladják.
Köszi a gyors választ!
sziasztok
megépítettem az Attila86 féle forrasztóállomás II.-t. volna egy két problémám. A holnapján azt írja: "Az áramkör "HOELEM" nevezetű bemenetét zárjuk rövidre! Így a kijelzőknek "000"-át kell mutatniuk és a fűtést jelző lednek ki kell gyulladnia." nekem nem 000-át mutat hanem 027-et és nem gyullad ki a led (fűtést jelző) ha feltekerem a hőfokszabályzó potit és eléri a 027-et akkor kigyullad a led viszont nem fűt a páka, a sorkapocsnál sem tudok 24V-ot mérni( A trafóból kijön a 25V az áthidalást is megcsináltam a két sokapocs közt és a biztosíték is a helyén van) légszíves segítsetek hogy mi lehet a probléma?! Válaszaitokat előre is köszönöm szépen
Sziasztok még az előző hozzászólámsomhoz annyit tennék hozzá hogy a páka kimenő sorkapcson 3,5 voltot mérek nem 0-át, de sajnaos 24 volt nem akar kijönni belőle.
Egyábként az lehet a gond hogy nem kerámia hanem polyester kondikat használtam( ez volt az elektrokonthában )
Szia! Nem nézd meg az enyém nincs benne egyetlen kerámia sem. És tökéletesen működik!Bővebben: Link
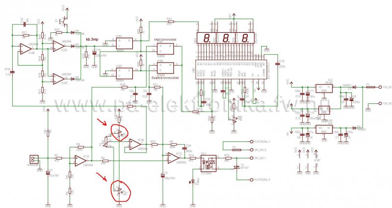
Beszúrtam az a részletet, amin ez jól kivesézhető, ha a fűtés jelző led világít akkor a triaknak nyitnia kell! Ha ez nem történik meg vagy az optó vagy a triak vagy az ellenállás rossz, vagy hibás a nyák, vagy a trafó van rosszul bekötve. Légyszi fényképezd le, hogy kötötted be! Amit én megmérnék, hogy a triak A1-A2 lábán amikor a páka csatlakoztatva van meg van-e a 24V váltó feszültség. Olyankor mérd amikor a fűtés jelző led nem világít!
Mielőtt megkérdezed, hogy melyik az A1, A2 megsúgom, hogy az adatlapon T1, T2-nek becézik!
A szöveget már rég leírtam mire az adatlapot megnéztem.
értem és köszönöm a segítséget, én is ma jobban átnéztem a kapcsolási rajzot és látom hogy 3-4 alkatrészbőll áll csak a páka fűtés vezérlője
viszont az hogy nem áll be 000-ra az már bajosabb ebben is tudnál segíteni??? Igazából ez lenne a legnagyobb bajom...
még annyi kérdésem lenne, hogy az alkatrészlistában van 1 db 120 ohm-os ellenállás, de a kapcsolási rajzon nem találom és a nyákon sincs helye... Ez hova való?
mondjuk a kapcsolási rajzon nem találom az R 7, 12, 28 alkatrészeket vagy ezek az alkatrészek nem is léteznek??? Vagy csak nem lettek sorba számozva az ellenállások, és ezek kimaradtak.? |
Bejelentkezés
Hirdetés |







Köszi a gyors választ!
) 





