Fórum témák
» Több friss téma |
Fórum » Csöves erősítő készítése
Ne feledd betartani a fórum viselkedési szabályait, és a topik megmaradásának feltételeit. [link]
A téma átmenetileg fagyasztva lett, hozzászólni nem tudsz!
Igazad van, nem PP. Írtam is, hogy olyan mint a PSE. Szóval nem olyan, hanem az is.
Nem emlékszem, de mintha Kecskeméten is beszéltük volna, hogy nem szereted a párhuzamos aktív elemeket. Idézet: „Csak végszükség esetén...” Itt pedig pusztán elméleti síkon tárgyaltuk Márkkal, hogy hogy lehetne megoldani minimális csőszámmal, s ezzel az adott csövekkel.
Kedves Sturbi!
Tudom kicsit eltűntem, de nem volt időm foglalkozni az erősítővel. Most végre megcsináltam, és nagyon jó lett. Nagyon hasznosak voltak az infók amiket írtál a földelési technikákról. Gyönyörű hangja lett az EL84 SE-nek, nehéz szívvel fogok megválni tőle. (Sajnos nem az enyém) Alaposan átnéztem a kapcsolást, és több hiba is volt benne amitől gerjedhetett. Például az A oldal előerősítő része a B oldal tápjáról ment. A két földsín össze volt kötve, amit szét kellett szedni, így most két monoblokk van egy dobozban. Voltak benne földhurkok is, olyan pl, hogy a bemeneti kapcsok földje a végcső földjére volt kötve, meg ilyen horribilis dolgok. Úgyhogy rendbe tettem a földelést úgy ahogy a nagykönyvben meg vagyon írva, és szuper lett a készülék. Nem gerjed, nem búg, csak szól. Mindenkinek nagyon köszönöm a kedves segítségét, nagyon sokat segítettetek. Természetesen nemsoká rakok fel képeket is az elkészült remekműről. Üdv Geri.
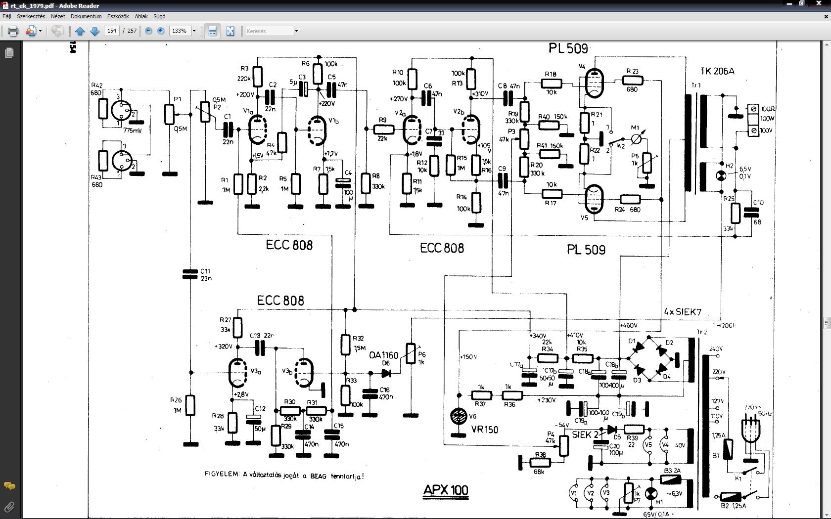
Ez megfelel az APX-100 kapcsolási rajzának? Ebben nincsenek hibák?
most nem nézem át, de ha ez az RT-ből van,akkor anno nem találtam rajta hibát, de lehettem figyelmetlen .. Viszont sosem értettem BEAG-éknak ezt a katodinhoz való ragaszkodását ?
Sziasztok
A tápfeszültséget, hogy lehet csökkenteni ellenállással? Mondjuk van 200VDC-m és 150VDC kellene, akkor mekkora ellenállást tegyek bele? A szükséges ellenállás kiszámításához tudni kellene az átfolyó áramot vagy az erősítő ellenállását? Azt tudom, hogy a munkaellenállás és a feszcsökkentő ellenállás közé kell egy pufferkondi, de hogy pontosan miért, azt nem tudom. Talán így van elválasztva egymástól a 2 ellenállás? A PCL86-os kimenőm, légrésénél szerintem nincs semmi szigetelés, tegyek bele A4-es papírt, vagy inkább hagyjam így? Úgy tudom, hogy szoktak papírt, vagy egyébb szigetelőt a légrésbe rakni, bár annak a vastagsága nem mindegy. Miért fontos, hogy egy kimenő ne mágneseződjön föl?
Abból van 1977-es RT évkönyv.
Akkor azért várok még mást is, hátha átnézi, hogy jó-e.
Ezek a képek mindig arra sugallnak, hogy építsek én is ilyen csövekkel, ilyen kicsi dobozba..
Kócos, szerintem lehet még kapni, sőt biztos is, azért egykét emberke biztos nem tudná az egész készletet felvásárolni. Jó a használt is, ha keveset van használva.. sőt, ha még több, mint 3/4 élete hátra van a csőnek, jobban meg is éri a használt. Csak akkor az előfesszel ugye szórakozni kell...
Közben rájöttem, hogy kell kiszámolni az ellenállást. Kicsit bonyolultabbnak gondoltam
Ohm törvény mindig segít, ha baj van.
Jól átgondolt táp és jelvezetékelés csodákra képes.
Örülök, hogy jól sikerült az erősítő.
Urak, egy olyan kérdésem lenne, hogy PCL86PP-nek a kimenőjéhez a szekunder huzal milyen vastagságú legyen? Holnap megyek börzézni, hátha találok megfelelőt.
A primer elvileg megvan, (0.25, kb 1kg) Üdv.
Az attól függ, hogy hány részre lesz osztva és sorosan vagy párhuzamosan kapcsolódnak majd.
Hát, igazából nekem mindegy, melyiket kellene választanom?
Sorosan kapcsoltat nehezebb elrontani. A párhuzamosan kötött szekundrereknél elég ha az egyik tekercs 1 menettel rövidebb vagy hosszabb mint a többi. Torzítást eredményez. Számít még a cséve mérete, hogy hány menet fér el egy sorban. Én sorosan kötött szekunderek esetén PCL86 PP-nél 0,8mm körüli huzalt használnék. Párhuzamos változatnál meg 0,6-ost ha legalább három szekunder lesz párhuzamosan.
most vettem a piros feliratos 6P14P-EV darabját újonnan 800 HUF-ért. Állítólag ez "szebben szól", majd kipróbálom. 6P15P-EV is 800 HUF/db, de most emelik az árát 1000-re mindnek ... Mert a forrás is emel... meg kellene keresni a forrást, bár még így is olcsó, pofátlan hangszererősítőkkel, és tartozékaikkal foglalkozó külföldi (Is) oldalak árulják, mint "spéci öberjó el84-et 2-3 ezerért
Így már értem, köszönöm a kielégítő választ, a sorosat fogom választani, egyenlőre.
Üdvözlet.
A gyári kimenőtrafók döntö többségében párhuzamosan kötött szekundereket használnak, nem véletlenül. Soros kötésnél a legrosszabb frekvebciaátvitelű tekercsrész fogja meghatározni az átvitelt, egyszerűen rétegelt felépítésnél, nagyobb impedanciás kimenőknél, ahol távol eshetnek az egyes szekunderrészek egymástól, eléggé komoly eltérések lehetnek a szekunderek között, és a legrosszab lesz az uralkodó (aki nem hiszi, próbálja ki, hogy egy egyszerű TV kimenő fülhallgató tekercsét kösse sorosan, majd párhuzamosan a rendes szekunderrel, egyből az is ki fog derülni, hogy egy menet eltérés nem is olyan nagy gond párhuzamosan kötött szekundereknél sem).
A Gu50 kimenőimet Sm85B magra készítettem.Elkészültekor összeraktam hálózati trafóként és feszültségeket mértem a szekundereken. Az egyik pár tized V-tal kevesebb lett, visszabontottam két primer és két szekunder osztást. Ez nekem + 3 óra munka volt, de nyugodt lelkiismerettel kötöm a négy szekundert párhuzamosan.
Az Orion Orister - egyébként nem is olyan rossz hangú - erősítő hálózati trafója igen magas Si-tartalmú 0,35 ös lemezekből készült EI84-es pakett ! Érdemes felhazsnálni kimenőnek ? Szerintem igen ! Kár, hogy csak egy darab van, szerezni kellene egy másikat, csak vajon nem volt-e a gyárban változtatás, a különféle években . stb stb.... egyébként két db 15 cm2 es Ei116-os vasat is "találtam" a műhelyemben, ez is elég jó minőségű, szintén 0,35-ös lemezekből készült. Eredeti "foglalkozása" higanygőz lámpa fojtó volt
de a 80, és 100 W-os EI96-os hgli fojtók már "bilivasra" készültek max hálózatinak jó, ha jó ... VT csöves rádiók (Velence és társai ) m85-ös hálózati trafói is jó vasúnak látszanak, van 3 db belőle, 0,35-ös . AZt hiszem ez a hétvége a "csévetestfaragásról" fog szólni ( Az M85-ökhöz hál 'istennek van )
Ezért kell kettős számlálást alkalmazni, ha a két számláló ugyan azt az értéket mutatja akkor 99.9 % hogy nincs elszámolva.
(ezek 24 V -os imp. számlálók. itt a HE-n árulta egy srác, sajnos csak felfele számol, de ha minden jól megy, akkor nem is kell lefele számolni)
Hát igen ez egy jó kis szám, de tényleg véletlen, nekem is most esett le
Hasonló számláló volt nekem is. Addig tényleg nincs baj míg nem kell visszafelé tekerni, de hát ez nem mindig sikerül.
Sikerült szereznem egy igazi mechanikus számlálót, már az van a tekercselő gépen, remélem többé nem lesz ilyen problémám.
Emberek ! 7 hete nem hallgattam a PCL86 PP-met, és most baromira tetszik a dinamikája, hangereje, részletessége .... csak a magashangjai nem. Lehet molyolok ezzel is, hétfőig itthon vagyok ...
meg a VIDI hangváltójait is átfésülöm, szerintem nem azonos a kettő, meg az elkók is ...
A kivezetéseket sem mindegy , hogy hol hozod ki .
Én a csévén függölegesen csinálok két kivágást , így pontosan azonos feszültségek mérhetők mV szinten . Azzal az előnnyel is jár , hogy nem kell külön jelölgetni a kivezetéseket , látszik a sorrend .
Hát én nem mindig ugyanott hozom ki, de mindig bevezetéssel pontosan szembe.
Egyébként én ezt nem tapasztaltam, amikor a 6,3 V-os fűtést akartam pontosan belőni, és ott tök mindegy volt, hogy a cséve egyik végén vagy a cséve másik végén hoztam ki a derótót, nem változtatott számottevően, csak az változtatott, ha már egyszer a vason át lett bújtatva, pedig a "rátekerés" ugyanolyan hosszú volt. Tehát áram csak igazán ott indukálódik a drótban, ami a vasban van. Persze lehet hogy nem így van de én így tapasztaltam.
Szerintem nehezen áttekinthető , ha nem azonos helyen hozod ki és feszültségben is különbséget okoz , igaz csak mV szinten . Kisebb vason kevésbé számít , nagyobb vasmag esetén már nagyobb eltérés mérhető .
Nem nagy munka megcsinálni a csévén ezt a kivágást és rendezett , átlátható , könnyebben beköthető . Szépen láthatóak a rétegek , primer is könnyen összeválogatható .
Lehet, de mernék fogadni, hogy ha megtekerünk 2 trafót tök egyformára csak az egyiknél egy hosszú lyukon hozzuk ki a szekundereket és egy másiknál 2 egymástól 5 mm-re lévő lyukon, nem fogod tudni megmondani, hogy melyik szól, szerintem mérni sem.
Én biztos nem vacakolnék ilyennel, bár most amit csinálok az ilyen lesz, de itt maga a cséve adja a lehetőséget.
Ezt a lehetőséget minden cséve adja , ha akarod és megkönnyíti a munkát . (Tekercseléshez képest ez nem vacakolás , kb . +10 perc munka .) Nem akarlak rábeszélni és nem is állítom , hogy hangban ez érzékelhető , de azt vallom , hogy egyszerűbb így dolgozni . Több év múltán is ha kezedbe kerül így kivitelezett trafó akkor sem kell gondolkodni , hogy a kivezetések hova tartoznak , látható és könnyen módosíthatod , ha kell az összekötéseit ...
|
Bejelentkezés
Hirdetés |



max hálózatinak jó, ha jó ... VT csöves rádiók (Velence és társai ) m85-ös hálózati trafói is jó vasúnak látszanak, van 3 db belőle, 0,35-ös . AZt hiszem ez a hétvége a "csévetestfaragásról" fog szólni







