Fórum témák
» Több friss téma |
Fórum » PC táp átalakítás
Hali
Próbáltam csak az 5v-os kimenetet terheli, egy magnómotorral, de letiltott egyből. Ha ledet vagy bármilyen kicsi fogyasztót kapcsolok rá akkor ok. Néztem a kimeneti puffereket 2 megvan púposodva.
Forraszd ki a hibásnak vélt kimeneti puffereket, és mérd meg multiméterrel. Diódavizsgálatra téve egy darabig sípolni fog a műszer (és 000-t ír ki), de annak abba kell maradnia. Ha még a sípolás után is tudsz nyitófeszültséget mérni a kondenzátoron, akkor az kuka.
Ha ránézésre púpos a kondi, akkor inkább mérés nélkül kuka... Ezek az elkók tudnak ilyen problémát okozni, minden gyanús darabot ki kellene cserélni, mielőtt továbblép a kollega.
Egyszer találkoztam egy olyan tápegységgel, amiben az egyik kis tranzisztor (2SC945?) volt rossz azok közül, amik a TL494 ellenütemű kimenetét a kis trafón keresztül a nagy végfoktranyók felé viszik. Na ez csinált még hasonlókat: látszólag elindult, kis terheléssel is jók voltak a feszültségek, nagyobbra megállt, viszont amikor működött, akkor sistergős-zizegős hangja volt a trafók felől. Miután a rossz tranzisztort cseréltem, teljesen jó lett a tápegység.
Kiforrasztottam 3 kondit. Nekem sima multiméterem van, nem a csipogós fajta. Úgy mértem hogy ohm mérőre kapcsoltam (20k mérőhatár) szépen ment felfele az ellenállás értéke (új kondival próbáltam hogy működik), kisütöttem a kondit, majd megint mérés, kezdte előről a "számlálást". Ez alapján 2 kondi jó volt, a 3. ami púpos volt ott csak 1-et mutatott a műszer, tehát szakadás van. 2200µF kondiról van szó. A másik kondi ami icipicit megvan púposodva, az tökéletes, de inkább azt is cserélem. Ma beszerzem a kondikat holnap majd írok hogy mire jutottam.
Hello!
Mindenképen "LOW ESR" kondenzátorokat vegyél. Úgy is szokták hívni őket, hogy alacsony impedanciás kondenzátorok.
Sikerült kicserélnem a kondikat, és a trafók forrasztásán átmentem mégegyszer. Mostmár csendben van a táp. A táp mostmár akár mikor beindul terhelés nélkül. A merevlemez is megy vele, bár kb. minden harmadik indításra. Teszteltem magnó motorral is, a 12v-os ágba bírja nem áll le a táp, de ha modelltöltőt teszek rá akkor leáll. Az 5v-os ággal más a helyzet: ha oda teszem akkor leáll a táp, de ha úgy indítom hogy közben a magnó motort forgatom, akkor működik. Ahogy elkezdem terhelni a motort (lefogom kézzel óvatosan), elkezd ciceregni a táp, minnél jobban annál nagyobb hagja van, majd leáll. Szerintem az 5v-os ágba van valami gubanc ott lehet a hiba.
Fejlemények tápügyben: most kapcsolgattam és működik rendesen. Azt vettem észre ha az 5v-os ágat terhelem, akkor a 12v-os ágon növekszik a feszültség, majdnem felmegy 13v-ig. de ha a 12v-os ágat terhelem ugyanígy (magnómoci, lefogom) akkor az 5-ös ág pár tizeddel változik csak. A 12v-os ágban terhelve a mocit mértem árramfelvételt, majdnem 2 amperig felment és nem tiltott le! Még egy észrevétel: ha rádugom a merevlemezt nem mindig indult el, de ha a modelltöltőt is rádugom a 12-es ágra akkor mindig elindul a merevlemez is. Ezekszerint a táp nem az 5v-os ágat hanem a 12-est figyeli, ez jóhír mert nekem a 12-esre van szükségem. Érdekes hogy pár órával ezelőtt nemműködött így de most meg frankón működik.
Megint én. Kiiktattam a védelmet belőle, az ic 4 lábáról. Így már frankón lehetett terhelni a tápot, sohase állt le. Rá is dugtatm a modelltöltőmet, és töltöttem vele lipo aksit. A töltő menet közbe felmegy kb. 4 amperig. Elkezdem tölteni, olyan 3 amperig felment, a tápban a nagyobb trafó cicerget ahogy csak tudott, aztán feljebb ment 3,5 ampeig majd bumm levágta a házba a biztit
. Eddig bírta. A tápban is kiment a bizti (5 A-s), de ezen kívül semmi alkatrészt nem láttam volna ami megégett volna. A táp 150w-os volt a leírás szerint a 12-es kimeneten bírnia kéne az 5 ampert. A márkája Hopely és kínai... Életre tudom még kelteni?
Életre tudod-e kelteni...? Valószinüleg igen.
Amit át kéne nézned: A "nagy" tranzisztorok a primerkörben, gratez híd és kimeneti schottkyk. Még egy tipp: Galyazzd le a tápodat olymódon, hogy a nem használt feszültségekhez tartozó alkatrészeket szedegesd ki
Okés, megnézem azokat amit mondtál. Amúgy nem lehetne feltunningolni valahogy hogy több ampert is elbírjon a 12-es ág? Lehet hogy 3-4 amper neki a max, ezért szállt el. Kéne vagy 6-7 amper.
Nem tudom neked mekkora a tápod. De én igy csináltam egy kocsi akku töltöt ami 7,5A-ral tud tölteni 14,5V-on.
Ha jol tudom az én tápomnál a 12V 8A-os.
Talán fel lehetne.
Azt hiszem, hogy a schottky diódákat kéne kicserélni nagyobb áramúra, és ha 1 utas egyenirányítással van előállítva a 12V , akkor csak annyi a dolgod, hogy 2 utast csinálsz belőle. Így máris dupla akkor lenne a levehető áram.
Hali, kiforrasztottam azokat az alkatrészeket amit modtál (schottky diódákat, vezérlő nagy tranyókat, dióda hidat), megmértem őket, és mindegyik hibátlan, a panelon nem látok semmi tönkrement alkatszészt, minden ép. Hogyan tovább? Pedig tuti valami zárlatos nemhiába vágta le a biztit.
Nézd meg a primer oldali nagy kondikat! Bár gondolom azt már megnézted. Azok hamar zárlatosak lesznek.
Hát ha kiforrasztottad, akkor már ne tedd vissza. Még ne...
1.: A kiégett biztosíték helyére forrassz be egy kb 300 Ohmos ellenállást. 2.: Helyezd áram alá a cuccot. Aztán ha füstöl az ellenállás, akkor húzd ki gyorsan. Nagyon fontos --> AZ ELLENÁLLÁST NEM ÉRINTHETED MEG KÉZZEL, MERT ÉLETVESZÉLYES ÁRAMÜTÉST KAPHATSZ! Ha pedig nem szeretnéd megvárni a füstöt, akkor mérd rajta multiméterrel a feszültséget (AC!). Ha pár voltnál többet mérsz rajta, akkor baj van. 3.: Ha nem füstöl, és feszültség sincs rajta, akkor hagyj úgy mindent. Ezután tedd be a gratez hidat. 4.: Aztán ismételd a mérést. Ha itt kibukik valami hiba, akkor már ne is folytasd! 5.: Ha még mindig OK, (minimális fesz. az ellenálláson) akkor tedd vissza belé a tranzisztorokat is, és mérj ismét. A többit pedig megpróbálom kitalálni, mire ezekkel készen vagy.
De azért ha a 3. részt csinálod huzd ki a hálózatbol.
Okés megpróbálok mindent, persze egyszerre csak egyet. Köszönöm hogy segítetek.
Helló. Beforrasztottam a biztosíték helyére 330 ohm-os ellenállást. Bekapcsoltam a tápot minden rendbe van. Majd betettem vissza a gratez hidat. Áram alá helyeztem csak egy rövid pillanatig, mert az ellenállásból füst szállott fel. Az ellenállásra rámértem még mindig jó, bent hagyom továbbra is. A gratez híd tuti jó mert kimértem a lábait. Ebben a tápban az állandó 5 volt (standby) egy külön panelon fut, kikötöttem. Próba, megint füst jött az ellenállásból. Tehát a primer oldalon van valami gubanc. Az viszont érdekes hogy a nagy elkók működnek. Meg is rázott az egyik
. A másik is működik, csavarhúzóval rövidre zárva szikrákat vet. Persze nem volt hálózaton a táp. De ha zárlat van akkor hogy hogy feltöltődött a kondi(k)?
Ha valóban mindkét puffer feltöltött, akkor én csak azt tudom elképzelni, hogy mégis csak rossz az a diódahíd!
Tegyél bele egy másik gratez-t, hátha rosszul mérted
Üdv!
A hűtőbordán lévő félvezetőket és a hozzájuk tartozó védődiódákat nézted már? Primer oldalon szinte csak a diódahíd, a pufferkondik és az előbb említett félvezetők szoktak zárlatot okozni. De nézz szét a secunder oldalon is a hűtőbordán.... Engem ott is szivatott már egy schottky...
Hidd el, hogy jó a dióda híd, megmértem dióda vizsgálóval, 650 körüli számokat ír mindegyikre, persze fordított polaritásnál 1-est mutat a multi, vagyis nem vezet visszafelé, ugyanezt megtettem egy másik dióda híddal (ami tuti jó), ugyan úgy mutatja ezeket az értékeket. Nem lehet hogy valamelyik trafó rossz? De mindenesetre kicserélem a dióda hidat, de olyan 90% hogy nem az a hiba.
Sziasztok!
Nem rég fogtam hozzá a cikk alapján egy at-s táp átalakításához. Már egész jól elhaladtam, de különös megoldásnak tartom, hogy a két áramszabályozási mód közül az egyszerűbb csak a pozitív ágra terjed ki. Én nem szeretném a pick-es változatot megépíteni, más kijelzési móddal oldom meg. Olyan segítségre lenne szükségem, ami lehetővé tenné a negatív ág szabályzását is. Lehet hogy hülye kérdés, de ha a cikkben írtakat követem, csak a pozitív ág áramát szabályozza?
Szia!
A közös ágat figyeli, ezért nem kell külön a negatívra is. Üdv.: '9pi
Szia!
KÖSZÖNÖM! Ezzel most nagy kő esett le a szívemről! Valahol sejtettem is, de a cikk erre vonatkozó része úgy végződik, hogy már csak a negatív ág szabályzása van hátra... és ez némi aggodalommal töltött el. Lehet ez amolyan szerzői hiba... Én panel műszeres kijelzést akarok, ami konkrétan méri a kiemő feszt és áramot. Jelenős munkát spórolok így. Valamint azon töprengtem még, hogy az áram figyelés a 4-es lábra van bekötve, de az GND-n van. Ezzel nem söntöli ki a szabályzó erősítő jelét? Bocs ha hülyeség amit kérdezek!
Szevasztok. Kicseréltem a dióda hidat egy vadonat újra, megeggyező lábak minden stimmel. Próba, ugyanúgy füstöl az ellenállás... Biztos hogy mindent jól csinálok pedig, a bizti helyén egy 330-as ellenállás figyel, nem ér össze véletlenül sem semmi vezeték semmise.
Szia!
Mekkora az ellenállás teljesítménye? Mert szerintem minimum, 1, de inkább 5 Wattos kell a próbához. A rajta eső feszültség illetve az átfolyó áram induláskor jelentős lehet. Mert ugye a puffereket töltenie kell, nem csak a primer oldalit hanem a szekunder oldaliakat is. A szokásos negyed Wattos ellenállás hamar kidugja a zászlót ebben az esetben. De én a próbálkozás helyett minden végig méregetnék, és ha nincs mérhető hiba, akkor jön az ellenállásos indítás lehetősége szóba.
Aha akkor az lesz a gond, negyedwattossal próbáltam. A szekunder oldalon nincs semmi, mármint oda nemjut el a feszültség, a nagy tranyókat, shottky diódákat kiszedtem ettől egyik. A végig méregetéshez gondolom forrasszam ki az alkatrészeket?
Hmm, no igen, a 1/4 W necces ebben az esetben.
Azt nem mondom, hogy értem ... mert a kapcsitáp működése szervesen ráépül a szekunder oldalra. Legtöbb esetben kellhet a helyes működéshez a korrekt kimenő oldal. De ez csak feltételezés, olyan kibic féle. A méregetés módja függ a mérő eszköztől, és a mérendő áramköri környezettől. Még beépítve is eldönthető mérés közben, hogy gyanús-e az alkatrész, ha gyanúba keveredik akkor kiforrasztva is meg kell mérni.
Az ellenállás helyére egy 5 amperes bizti került (eredetileg is ilyen volt benne). A dióda híd a helyén, az áram csak a primer oldalig jut el, a nagy tranyók kiforrasztva. A táp bekapcs, jó minden, a bizti nem olvad ki. A tranyókat kimértem mind a 2-őt, tuti jók. Be az áramkörbe, bekapcs, a bizti egy villanás kiséretében elolvad. A tranyók mint említettem tuti jók. Én a trafókra gondolok, hogy az leheta bibi. Kiforrasztottam mind a 2-őt, egy kicsit meg egy nagyot (a nagy tranyók után voltak, a két borda közt). Milyen értékeket kell hogy kapjak mérés közben?
Sziasztok!
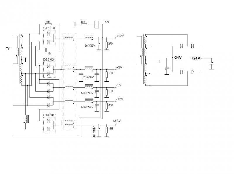
Kezdő vagyok, ma vettem egy 300w-os ATX tápegységet, melyet labortápnak szeretnék használni. Az 5V-os ágra egy 10 ohm 25w-os ellenállást akarok kötni, hogy a többi ága stabil legyen, majd kivezetem a 3.3, 5, 12 voltos ágat, melyeknek elméletileg 10 ampert ki kéne bírni. Eddig rendben van. Az az ötlet merült fel bennem, hogy teszek rá mégegy kivezetést, melyet szabályozni lehet 2-20V-ig, és állítható áramkorlát lenne rajta, mint a labortápokon. A szabályozást az L200C IC-vel szeretném megoldani, mely 0-2A-ig működik, beépített állítható áramkorláttal rendelkezik. A problémám csak, hogy hogyan tudok 24V körüli feszültséget kihozni az ATX tápegységből, hogy megmaradjanak a jelenlegi kivezetések. Ebben a topicban találtam egy rajzot, mi szerint a trafó két szélét kéne egyenirányítani egy Graetz-híddal, így lehet kapni 24V-ot. A kérdésem az lenne, hogy ez mennyire működik? Mekkora terhelést bír ki (nekem csak max 2-3A kell), és nem-e ingadozik a feszültség? Továbbá tervezek bele egy digitális volt-amper mérőt. Úgy szeretném megoldani, hogy kapcsolóval lehetne állítani, hogy áramerősséget vagy feszültséget mérjen. Az alábbi két kapcsolásból össze lehetne ezt hozni? Bővebben: Link Bővebben: Link A válaszokat előre is köszönöm! |
Bejelentkezés
Hirdetés |




. Eddig bírta. A tápban is kiment a bizti (5 A-s), de ezen kívül semmi alkatrészt nem láttam volna ami megégett volna. A táp 150w-os volt a leírás szerint a 12-es kimeneten bírnia kéne az 5 ampert. A márkája Hopely és kínai... Életre tudom még kelteni?
. A másik is működik, csavarhúzóval rövidre zárva szikrákat vet. Persze nem volt hálózaton a táp. De ha zárlat van akkor hogy hogy feltöltődött a kondi(k)?
Ezzel most nagy kő esett le a szívemről!







